Appearance
《暖通空调制图标准》GB/T 50114-2010
🗓️ 实施时间: 2011-03-01
总 则
1 总 则
1.0.1 为了统一暖通空调专业制图规则,保证制图质量,提高制图效率,做到图面清晰、简明,符合设计、施工、存档的要求,适应工程建设的需要,制定本标准。
1.0.2 本标准适用于下列制图方式绘制的图样:
1 手工制图;
2 计算机制图。
1.0.3 本标准适用于暖通空调专业的下列工程制图:
1 新建、改建、扩建工程的各阶段设计图、竣工图;
2 原有建筑物、构筑物等的实测图;
3 通用设计图、标准设计图。
1.0.4 暖通空调专业制图,除应符合本标准外,尚应符合国家现行有关标准的规定。
条文说明
1.0.4 本标准中“系统图”、“管道系统图”的解释均引用《技术制图通用术语》GB/T 13361-92的“6.9??管系图”;“原理图”的解释引用该标准的“6.14??原理图”。
一般规定
2.1 图 线
2.1 图 线
2.1.1 图线的基本宽度b和线宽组,应根据图样的比例、类别及使用方式确定。
2.1.2 基本宽度b宜选用0.18、0.35、0.5、0.7、1.0mm。
2.1.3 图样中仅使用两种线宽时,线宽组宜为b和0.25b。三种线宽的线宽组宜为b、0.5b和0.25b,并应符合表2.1.3的规定。

注:需要缩微的图纸,不宜采用0.18及更细的线宽
条文说明
2.1.3 表2.1.3中括号内数字表示慎用线宽。但如果能确保图纸在使用时,细线绘制的图样不会出现缺损,也可使用更细的线(笔)宽。
2.1.4 在同一张图纸内,各不同线宽组的细线,可统一采用最小线宽组的细线。
2.1.5 暖通空调专业制图采用的线型及其含义,宜符合表2.1.5的规定。


2.1.6 图样中也可使用自定义图线及含义,但应明确说明,且其含义不应与本标准发生矛盾。
2.2 比 例
2.2 比 例
2.2.1 总平面图、平面图的比例,宜与工程项目设计的主导专业一致,其余可按表2.2.1选用。

常用图例
3.1 水、汽管道
3.1 水、汽管道
3.1.1 水、汽管道可用线型区分,也可用代号区分。水、汽管道代号宜按表3.1.1采用。


条文说明
3.1.1 表3.1.1以外的水、汽管道代号,可取管道内介质汉语名称拼音的首个字母,如与表内已有代号重复,应继续选取第2、3个字母,最多不超过3个。
3.1.2 自定义水、汽管道代号不应与本标准第3.1.1条的规定矛盾,并应在相应图面说明。
条文说明
3.1.2 采用非汉语名称标注管道代号时,须明确表明对应的汉语名称。
3.1.3 水、汽管道阀门和附件的图例宜按表3.1.3采用。




3.2 风 道
3.2 风 道
3.2.1 风道代号宜按表3.2.1采用。


条文说明
3.2.1 表3.2.1以外的风道代号,可取管道功能汉语名称拼音的首个字母,如与表内已有代号重复,应继续选取第2、3个字母,最多不超过3个。
3.2.2 自定义风道代号不应与本标准表3.2.1的规定矛盾,并应在相应图面说明。
条文说明
3.2.2 采用非汉语名称标注风道代号时,须明确表明对应的汉语名称。
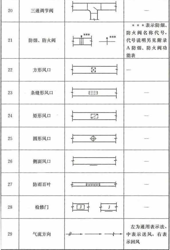
3.2.3 风道、阀门及附件的图例宜按表3.2.3-1和表3.2.3-2采用。





条文说明
3.2.3 表3.2.3中序号8“软风管”是指较长的柔性管,如波纹管。序号14“软接头”指较短的、隔振用的部件。
3.3 暖通空调设备
3.3 暖通空调设备
3.3.1 暖通空调设备的图例宜按表3.3.1采用。



3.4 调控装置及仪表
3.4 调控装置及仪表
3.4.1 调控装置及仪表的图例宜按表3.4.1采用。



条文说明
3.4.1 表3.4.1中序号1~3图例中,“T、H、P”分别为“Temperature”、“Humidity”、“Pressure”的字头;序号5图例中“F”是英文“Flow”的字头。序号12图例中“F.M.”是英文“Flow Meter”的缩写;序号13图例中“E.M.”是英文“Energy Meter”的缩写。
图样画法
4.1 一般规定
4.1 一般规定
4.1.1 各工程、各阶段的设计图纸应满足相应的设计深度要求。
4.1.2 本专业设计图纸编号应独立。
4.1.3 在同一套工程设计图纸中,图样线宽组、图例、符号等应一致。
4.1.4 在工程设计中,宜依次表示图纸目录、选用图集(纸)目录、设计施工说明、图例、设备及主要材料表、总图、工艺图、系统图、平面图、剖面图、详图等,如单独成图时,其图纸编号应按所述顺序排列。
4.1. 5 图样需用的文字说明,宜以“注:”、“附注:”或“说明:”的形式在图纸右下方、标题栏的上方书写,并应用“1、2、3……”进行编号。
4.1.6 一张图幅内绘制平、剖面等多种图样时,宜按平面图、剖面图、安装详图,从上至下、从左至右的顺序排列;当一张图幅绘有多层平面图时,宜按建筑层次由低至高,由下而上顺序排列。
- 1.7 图纸中的设备或部件不便用文字标注时,可进行编号。图样中仅标注编号时,其名称宜以“注:”、“附注:”或“说明:”表示。如需表明其型号(规格)、性能等内容时,宜用“明细表”表示(图4.1.7)。
4.1.8 初步设计和施工图设计的设备表应至少包括序号(或编号)、设备名称、技术要求、数量、备注栏;材料表应至少包括序号(或编号)、材料名称、规格或物理性能、数量、单位、备注栏。

条文说明
4.1.8 “设备”通常指机组、换热器等,“材料”通常指管道、阀门等。
4.2 管道和设备布置平面图、剖面图及详图
4.2 管道和设备布置平面图、剖面图及详图
4.2.1 管道和设备布置平面图、剖面图应以直接正投影法绘制。
条文说明
4.2.1 “正投影法”见现行国家标准《技术制图通用术语》GB/T 13361-92的5.3节。
4.2.2 用于暖通空调系统设计的建筑平面图、剖面图,应用细实线绘出建筑轮廓线和与暖通空调系统有关的门、窗、梁、柱、平台等建筑构配件,并应标明相应定位轴线编号、房间名称、平面标高。
4.2.3 管道和设备布置平面图应按假想除去上层板后俯视规则绘制,其相应的垂直剖面图应在平面图中标明剖切符号(图4.2.3)。
4.2.4 剖视的剖印符号应由剖切位置线、投射方向线及编号组成,剖切位置线和投射方向线均应以粗实线绘制。剖切位置线的长度宜为6mm~10mm;投射方向线长度应短于剖切位置线,宜为4mm~6mm;剖切位置线和投射方向线不应与其他图线相接触;编号宜用阿拉伯数字,并宜标在投射方向线的端部;转折的剖切位置线,宜在转角的外顶角处加注相应编号。
4.2.5 断面的剖切符号应用剖切位置线和编号表示。剖切位置线宜为长度6mm~10mm的粗实线;编号可用阿拉伯数字、罗马数字或小写拉丁字母,标在剖切位置线的一侧,并应表示投射方向。

4.2.6 平面图上应标注设备、管道定位(中心、外轮廓)线与建筑定位(轴线、墙边、柱边、柱中)线间的关系;剖面图上应注出设备、管道(中、底或顶)标高。必要时,还应注出距该层楼(地)板面的距离。
条文说明
4.2.6 墙线内的建筑轴线不宜作尺寸标注界线。柱中心线作尺寸标注界线时,应同时标注柱宽。
4.2.7 剖面图,应在平面图上选择反映系统全貌的部位垂直剖切后绘制。当剖切的投射方向为向下和向右,且不致引起误解时,可省略剖切方向线。
4.2.8 建筑平面图采用分区绘制时,暖通空调专业平面图也可分区绘制。但分区部位应与建筑平面图一致,并应绘制分区组合示意图。
4.2.9 除方案设计、初步设计及精装修设计外,平面图、剖面图中的水、汽管道可用单线绘制,风管不宜用单线绘制。
4.2.10 平面图、剖面图中的局部需另绘详图时,应在平、剖面图上标注索引符号。索引符号的画法见图4.2.10。

4.2.11 当表示局部位置的相互关系时,在平面图上应标注内视符号(图4.2.11)。

4.3 管道系统图、原理图
4.3 管道系统图、原理图
4.3.1 管道系统图应能确认管径、标高及末端设备,可按系统编号分别绘制。
条文说明
4.3.1 管道系统图是指“表示管道系统中介质的流向、流经的设备,以及管件等连接、配置状况的图样”(见《技术制图通用术语》GB/T 13361-92的6.9节)。
4.3.2 管道系统图采用轴测投影法绘制时,宜采用与相应的平面图一致的比例,按正等轴测或正面斜二轴测的投影规则绘制,可按现行国家标准《房屋建筑制图统—标准》GB/T 50001绘制。
4.3.3 在不致引起误解时,管道系统图可不按轴测投影法绘制。
4.3.4 管道系统图的基本要素应与平、剖面图相对应。
4.3.5 水、汽管道及通风、空调管道系统图均可用单线绘制。
4.3.6 系统图中的管线重叠、密集处,可采用断开画法。断开处宜以相同的小写拉丁字母表示,也可用细虚线连接。
4.3.7 室外管网工程设计宜绘制管网总平面图和管网纵剖面图。
4.3.8 原理图可不按比例和投影规则绘制。
4.3.9 原理图基本要素应与平面图、剖视图及管道系统图相对应。
4.4 系统编号
4.4 系统编号
4.4.1 一个工程设计中同时有供暖、通风、空调等两个及以上的不同系统时,应进行系统编号。
4.4.2 暖通空调系统编号、入口编号,应由系统代号和顺序号组成。
条文说明
4.4.2 入口编号是指由建筑外引入的管道系统编号。
4.4.3 系统代号用大写拉丁字母表示(见表4.4.3),顺序号用阿拉伯数字表示如图4.4.3所示。当一个系统出现分支时,可采用图4.4.3(b)的画法。


条文说明
4.4.3 表4.4.3以外的系统代号,可取系统汉语名称拼音的首个字母,如与表内已有代号重复,应继续选取第2、3个字母,最多不超过3个。采用非汉语名称标注系统代号时,须明确表明对应的汉语名称。
4.4.4 系统编号宜标注在系统总管处。
4.4.5 竖向布置的垂直管道系统,应标注立管号(图4.4.5)。在不致引起误解时,可只标注序号,但应与建筑轴线编号有明显区别。

4.5 管道标高、管径(压力)、尺寸标注
4.5 管道标高、管径(压力)、尺寸标注
4.5.1 在无法标注垂直尺寸的图样中,应标注标高。标高应以m为单位,并应精确到cm或mm。
4.5.2 标高符号应以直角等腰三角形表示。当标准层较多时,可只标注与本层楼(地)板面的相对标高(图4.5.2)。

4.5.3 水、汽管道所注标高未予说明时,应表示为管中心标高。
4.5.4 水、汽管道标注管外底或顶标高时,应在数字前加“底”或“顶”字样。
4.5.5 矩形风管所注标高应表示管底标高;圆形风管所注标高应表示管中心标高。当不采用此方法标注时,应进行说明。
4.5.6 低压流体输送用焊接管道规格应标注公称通径或压力。公称通径的标记应由字母“DN”后跟一个以毫米表示的数值组成;公称压力的代号应为“PN”。
条文说明
4.5.6 “PN”后一般跟以“MPa”表示的数字,若该数字小数点后超过2位,则宜改为“kPa”或“Pa”表示的数字。如“PN?0.6”、“PN?20(kPa)”。
4.5.7 输送流体用无缝钢管、螺旋缝或直缝焊接钢管、铜管、不锈钢管,当需要注明外径和壁厚时,应用“D(或)外径×壁厚”表示。在不致引起误解时,也可采用公称通径表示。
4.5.8 塑料管外径应用“de”表示。
4.5.9 圆形风管的截面定型尺寸应以直径“”表示,单位应为mm。
4.5.10 矩形风管(风道)的截面定型尺寸应以“A×B”表示。“A”应为该视图投影面的边长尺寸,“B”应为另一边尺寸。A、B单位均应为mm。
条文说明
4.5.11 有坡度的管道标高,在始端或末端也可用括号内数字表示。
4.5.11 平面图中无坡度要求的管道标高可标注在管道截面尺寸后的括号内。必要时,应在标高数字前加“底”或“顶”的字样。
4.5.12 水平管道的规格宜标注在管道的上方;竖向管道的规格宜标注在管道的左侧。双线表示的管道,其规格可标注在管道轮廓线内(图4.5.12)。

4.5.13 当斜管道不在图4.5.13所示30°范围内时,其管径(压力)、尺寸应平行标在管道的斜上方。不用图4.5.13的方法标注时,可用引出线标注。
4.5.14 多条管线的规格标注方法见图4.5.14。
条文说明
4.5.14 在同一套图纸中,应统一使用短斜线或圆点。
4.5.15 风口表示方法见图4.5.15。
4.5.16 图样中尺寸标注应按现行国家标准的有关规定执行。

4.5.17 平面图、剖面图上如需标注连续排列的设备或管道的定位尺寸和标高时,应至少有一个误差自由段(图4.5.17)。
条文说明
4.5.17 连续排列的设备,应标注需保证的安装尺寸,不宜标注过多的安装尺寸,造成施工安装时无所适从。
4.5.18 挂墙安装的散热器应说明安装高度。
4.5.19 设备加工(制造)图的尺寸标注应按现行国家标准《机械制图 尺寸注法》GB 4458.4的有关规定执行。焊缝应按现行国家标准《技术制图 焊缝符号的尺寸、比例及简化表示法》GB 12212的有关规定执行。

4.6 管道转向、分支、重叠及密集处的画法
4.6 管道转向、分支、重叠及密集处的画法
4.6.1 单线管道转向的画法见图4.6.1。
4.6.2 双线管道转向的画法见图4.6.2。
4.6.3 单线管道分支的画法见图4.6.3。
4.6.4 双线管道分支的画法见图4. 6.4。
4.6.5 送风管转向的画法见图4.6.5。
4.6.6 回风管转向的画法见图4.6.6。
条文说明
4.6.5、4.6.6 手工制图时,线型可不分粗、细。
4.6.7 平面图、剖视图中管道因重叠、密集需断开时,应采用断开画法(图4.6.7)。
4.6.8 管道在本图中断,转至其他图面表示(或由其他图面引来)时,应注明转至(或来自的)的图纸编号(图4.6.8)。
4.6.9 管道交叉的画法见图4.6.9。
4.6.10 管道跨越的画法见图4.6.10。







附录A 防烟、防火阀功能表
附录A 防烟、防火阀功能表


本标准用词说明
本标准用词说明
1 为便于在执行本标准条文时区别对待,对要求严格程度不同的用词说明如下:
1)表示很严格,非这样做不可的用词:
正面词采用“必须”,反面词采用“严禁”;
2)表示严格,在正常情况下均应这样做的用词:
正面词采用“应”,反面词采用“不应”或“不得;
3)表示允许稍有选择,在条件许可时首先应这样做的用词:
正面词采用“宜”,反面词采用“不宜”;
4)表示有选择,在一定条件下可以这样做的用词,采用“可”。
2 本标准文中指明应按其他有关标准执行的写法为:“应符合……的规定”或“应按……执行”。
引用标准名录
引用标准名录
1 《房屋建筑制图统一标准》GB/T 50001
2 《采暖通风与空气调节术语标准》GB 50155
3 《机械制图 尺寸注法》GB 4458.4
4 《技术制图 焊缝符号的尺寸、比例及简化表示法》GB 12212
5 《技术制图通用术语》GB/T 13361
