Appearance
《建筑钢结构焊接技术规程》JGJ81-2002
🗓️ 住房和城乡建设部 实施时间:2003-01-01
前言
中华人民共和国建设部
公 告
第 62 号
建设部关于发布行业标准
《建筑钢结构焊接技术规程》的公告
现批准《建筑钢结构焊接技术规程》为行业标准,编号为 JGJ 81-2002,自2003 年 1 月 1 日 起 实 施 。 其 中 , 第 3.0.1 、 4.4.2 、 5.1.1 、 7.1.5 、7.3.3(1) (2)条(款)为强制性条文,必须严格执行;原行业标准《建筑钢结构焊接规程》(JGJ 81-91)同时废止。
本规程由建设部标准定额研究所组织中国建筑工业出版社出版发行。
中华人民共和国建设部
200 2 年 9 月 27 日
前言
根据建设部建标[1999]309 号文的要求,规程编制组经广泛调查研究,认真总结实践经验,参考有关国际标准和国外先进标准,并在广泛征求意见的基础上,对《建筑钢结构焊接规程》(JGJ 81—91)进行了全面修订,制定了本规程。
本规程的主要技术内容是:1 总则;2 基本规定;3 材料;4 焊接节点构造;5 焊接工艺评定;6 焊接工艺;7 焊接质量检查;8 焊接补强与加固;9 焊工考试。
本次修订的主要技术内容是:
第一章总则,扩充了适用范围,明确了建筑钢结构板厚下限、类型和适用的焊接方法。
第二章基本规定,是新增加的内容。明确规定了建筑钢结构焊接施工难易程度区分原则、制作与安装单位资质要求、有关人员资格职责和质量保证体系等。
第三章材料,取消了常用钢材及焊条、焊丝、焊剂选配表和钢材碳当量限制,增加了钢材和焊材复验要求、焊材及气体应符合的国家标准、钢板厚度方向性能要求等。
第四章焊接节点构造,增加了不同焊接方法焊接坡口的形状和尺寸、管结构各种接头形式与坡口要求、防止板材产生层状撕裂的节点形式、构件制作与工地安装焊接节点形式、承受动载与抗震焊接节点形式以及组焊构件焊接节点的一般规定,并对焊缝的计算厚度作了修订。
第五章焊接工艺评定,对焊接工艺评定规则、试件试样的制备、试验与检验等内容进行了全面扩充,增加了焊接工艺评定的一般规定和重新进行焊接工艺评定的规定。
第六章焊接工艺,取消了各种焊接方法工艺参数参照表,增加了焊接工艺的一般规定、各种焊接方法选配焊接材料示例、焊接预热、后热及焊后消除应力要求、防止层状撕裂和控制焊接变形的工艺措施。
第七章焊接质量检查,对焊缝外观质量合格标准、不同形式焊缝外形尺寸允许偏差及无损检测要求进行了修订,增加了焊接检验批的划分规定、圆管 T、K、Y 节点的焊缝超声波探伤方法和缺陷分级标准以及箱形构件隔板电渣焊焊缝焊透宽度的超声波检测方法。
第八章焊接补强与加固,对钢结构的焊接与补强加固方法作了修订和补充,增加了钢结构受气相腐蚀作用时其钢材强度计算方法、负荷状态下焊缝补强与加固的规定、承受动荷载构件名义应力与钢材强度设计值之比 β 的规定、考虑焊接瞬时受热造成构件局部力学性能降低及采取相应安全措施的规定和焊缝强度折减系数等内容。
第九章焊工考试,修订了考试内容和分类,在焊工手工操作技能考试方面,增加了附加考试和定位焊考试。
本规程由建设部负责管理和对强制性条文的解释,由主编单位负责具体技术内容的解释。
本规程主编单位是:中冶集团建筑研究总院(地址:北京市海淀区西土城路 33 号,邮政编码:100088)
本规程参加单位是:中建一局钢结构工程有限公司
宝钢股份有限公司
重庆钢铁设计研究总院
北京钢铁设计研究总院
武汉钢铁集团金属结构有限责任公司
江南重工集团有限公司
大连重工集团有限公司
深圳建升和钢结构建筑安装工程有限公司
上海宝钢冶金建设公司
中国第二十冶金建设公司钢结构制造总厂
武钢集团武汉冶金设备制造公司
北京双园咨询监理公司
本规程主要起草人是:周文瑛 苏 平 刘景凤 李 忠 赵熙元 吴佑明 舒新阁 戴同钧 马天鹏 王 晖 鲍广鑑 刘绍义 刘兴亚 王占文 戴为志 朱承业 倪富生 高校良
1 总则
1 总则
1.0.1 为在建筑钢结构焊接中贯彻执行国家的技术经济政策,做到技术先进、经济合理、安全适用、确保质量,制定本规程。
1.0.2 本规程适用于桁架或网架(壳)结构、多层和高层梁-柱框架结构等工业与民用建筑和一般构筑物的钢结构工程中,钢材厚度大于或等于 3mm 的碳素结构钢和低合金高强度结构钢的焊接。适用的焊接方法包括手工电弧焊、气体保护焊、自保护焊、埋弧焊、电渣焊、气电立焊、栓钉焊及相应焊接方法的组合。
1.0.3 钢结构的焊接必须遵守国家现行的安全技术和劳动保护等有关规定。
1.0.4 钢结构的焊接除应执行本规程外,尚应符合国家现行有关强制性标准的规定。
2 基本规定
2 基本规定
2.0.1 建筑钢结构工程焊接难度可分为一般、较难和难三种情况。施工单位在承担钢结构焊接工程时应具备与焊接难度相适应的技术条件。建筑钢结构工程的焊接难度可按下表区分。

2.0.2 施工图中应标明下列焊接技术要求:
1 应明确规定结构构件使用钢材和焊接材料的类型和焊缝质量等级,有特殊要求时,应标明无损探伤的类别和抽查百分比;
2 应标明钢材和焊接材料的品种、性能及相应的国家现行标准,并应对焊接方法、焊缝坡口形式和尺寸、焊后热处理要求等作出明确规定。对于重型、大型钢结构,应明确规定工厂制作单元和工地拼装焊接的位置,标注工厂制作或工地安装焊缝符号。
2.0.3 制作与安装单位承担钢结构焊接工程施工图设计时,应具有与工程结构类型相适应的设计资质等级或由原设计单位认可。
2.0.4 钢结构工程焊接制作与安装单位应具备下列条件:
1 应具有国家认可的企业资质和焊接质量管理体系;
2 应具有 2.0.5 条规定资格的焊接技术责任人员、焊接质检人员、无损探伤人员、焊工、焊接预热和后热处理人员;
3 对焊接技术难或较难的大型及重型钢结构、特殊钢结构工程,施工单位的焊接技术责任人员应由中、高级焊接技术人员担任;
4 应具备与所承担工程的焊接技术难易程度相适应的焊接方法、焊接设备、检验和试验设备;
5 属计量器具的仪器、仪表应在计量检定有效期内;
6 应具有与所承担工程的结构类型相适应的企业钢结构焊接规程、焊接作业指导书、焊接工艺评定文件等技术软件;
7 特殊结构或采用屈服强度等级超过 390MPa 的钢材、新钢种、特厚材料及焊接新工艺的钢结构工程的焊接制作与安装企业应具备焊接工艺试验室和相应的试验人员。
2.0.5 建筑钢结构焊接有关人员的资格应符合下列规定:
1 焊接技术责任人员应接受过专门的焊接技术培训,取得中级以上技术职称并有一年以上焊接生产或施工实践经验;
2 焊接质检人员应接受过专门的技术培训,有一定的焊接实践经验和技术水平,并具有质检人员上岗资质证;
3 无损探伤人员必须由国家授权的专业考核机构考核合格,其相应等级证书应在有效期内;并应按考核合格项目及权限从事焊缝无损检测和审核工作;
4 焊工应按本规程第 9 章的规定考试合格并取得资格证书,其施焊范围不得超越资格证书的规定;
5 气体火焰加热或切割操作人员应具有气割、气焊操作上岗证;
6 焊接预热、后热处理人员应具备相应的专业技术。用电加热设备加热时,其操作人员应经过专业培训。
2.0.6 建筑钢结构焊接有关人员的职责应符合下列规定:
1 焊接技术责任人员负责组织进行焊接工艺评定,编制焊接工艺方案及技术措施和焊接作业指导书或焊接工艺卡,处理施工过程中的焊接技术问题;
2 焊接质检人员负责对焊接作业进行全过程的检查和控制,根据设计文件要求确定焊缝检测部位、填报签发检测报告;
3 无损探伤人员应按设计文件或相应规范规定的探伤方法及标准,对受检部位进行探伤,填报签发检测报告;
4 焊工应按焊接作业指导书或工艺卡规定的工艺方法、参数和措施进行焊接,当遇到焊接准备条件、环境条件及焊接技术措施不符合焊接作业指导书要求时,应要求焊接技术责任人员采取相应整改措施,必要时应拒绝施焊;
5 焊接预热、后热处理人员应按焊接作业指导书及相应的操作规程进行作业。
3 材料
3 材料
3.0.1 建筑钢结构用钢材及焊接填充材料的选用应符合设计图的要求,并应具有钢厂和焊接材料厂出具的质量证明书或检验报告;其化学成分、力学性能和其它质量要求必须符合国家现行标准规定。当采用其它钢材和焊接材料替代设计选用的材料时,必须经原设计单位同意。
3.0.2 钢材的成分、性能复验应符合国家现行有关工程质量验收标准的规定;
大型、重型及特殊钢结构的主要焊缝采用的焊接填充材料应按生产批号进行复验。复验应由国家技术质量监督部门认可的质量监督检测机构进行。
3.0.3 钢结构工程中选用的新材料必须经过新产品鉴定。钢材应由生产厂提供焊接性资料、指导性焊接工艺、热加工和热处理工艺参数、相应钢材的焊接接头性能数据等资料;焊接材料应由生产厂提供贮存及焊前烘焙参数规定、熔敷金属成分、性能鉴定资料及指导性施焊参数,经专家论证、评审和焊接工艺评定合格后,方可在工程中采用。
3.0.4 焊接 T 形、十字形、角接接头,当其翼缘板厚度等于或大于 40mm 时,设计宜采用抗层状撕裂的钢板。钢材的厚度方向性能级别应根据工程的结构类型、节点形式及板厚和受力状态的不同情况选择。
钢板厚度方向性能级别 Z15、Z25、Z35 相应的含硫量、断面收缩率应符合附录 A 的规定。
3.0.5 焊条应符合现行国家标准《碳钢焊条》(GB/T 5117)、《低合金钢焊条》(GB/T 5118)的规定。
3.0.6 焊丝应符合现行国家标准《熔化焊用钢丝》(GB/T 149 57)、《气体保护电弧焊用碳钢、低合金钢焊丝》(GB/T 8110) 及《碳钢药芯焊丝》(GB/T 10045) 、《低合金钢药芯焊丝》(GB/T 17493)的规定。
3.0.7 埋弧焊用焊丝和焊剂应符合现行国家标准《埋弧焊用碳钢焊丝和焊剂》(GB/T 5293)、《低合金钢埋弧焊用焊剂》(GB/T 12470)的规定。
3.0.8 气体保护焊使用的氩气应符合现行国家标准《氩气》(GB/T 4842) 的规定,其纯度不应低于 99.95%。
3.0.9 气体保护焊使用的二氧化碳气体应符合国家现行标准《焊接用二氧化碳》(HG/T 2537) 的规定, 大型、重型及特殊钢结构工程中主要构件的重要焊接节点采用的二氧化碳气体质量应符合该标准中优等品的要求,即其二氧化碳含量(V/V) 不得低于 99.9%,水蒸气与乙醇总含量(m/m)不得高于 0.005%,并不得检出液态水。
4 焊接节点构造
4.1 一般规定
4 焊接节点构造
4.1 一般规定
4.1.1 钢结构焊接节点构造,应符合下列要求:
1 尽量减少焊缝的数量和尺寸;
2 焊缝的布置对称于构件截面的中和轴;
3 便于焊接操作,避免仰焊位置施焊;
4 采用刚性较小的节点形式,避免焊缝密集和双向、三向相交;
5 焊缝位置避开高应力区;
6 根据不同焊接工艺方法合理选用坡口形状和尺寸。
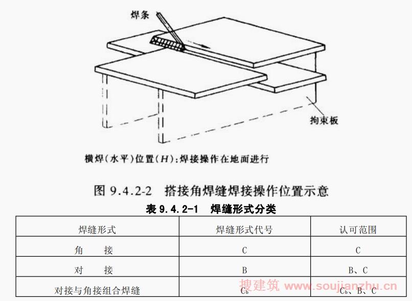
4.1.2 管材可采用 T、K、Y 及 X 形连接接头(图 4.1.2)。
4.1.3 施工图中采用的焊缝符号应符合现行国家标准《焊缝符号表示方法》(GB 324)和《建筑结构制图标准》(GBJ 105)的规定,并应标明工厂车间施焊和工地安装施焊的焊缝及所有焊缝的部位、类型、长度、焊接坡口形式和尺寸、焊脚尺寸、部分焊透接头的焊透深度。
4.2 焊接坡口的形状和尺寸
4.2 焊接坡口的形状和尺寸
4.2.1 各种焊接方法及接头坡口形状尺寸代号和标记应符合下列规定:
1 焊接方法及焊透种类代号应符合表 4.2.1-1 规定;
2 接头形式及坡口形状代号应符合表 4.2.1-2 规定;
3 焊接面及垫板种类代号应符合表 4.2.1-3 规定;
4 焊接位置代号应符合表 4.2.1-4 规定;
5 坡口各部分尺寸代号应符合表 4.2.1-5 规定;





6 焊接接头坡口形状和尺寸标记应符合下列规定:

标记示例:
手工电弧焊、完全焊透、对接、 形坡口、背面加钢衬垫的单面焊接接头表示为MC-BI-BS1。
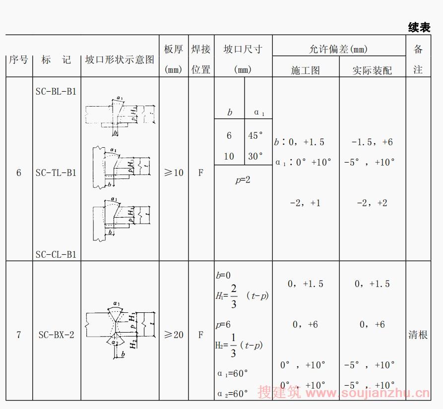
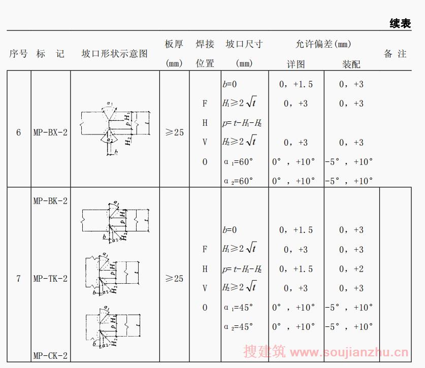
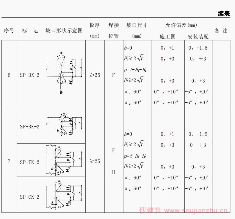
4.2.2 焊条手工电弧焊全焊透坡口形状和尺寸宜符合表 4.2.2 的要求。
4.2.3 气体保护焊、自保护焊全焊透坡口形状和尺寸宜符合表 4.2.3 的要求。
4.2.4 埋弧焊全焊透坡口形状和尺寸宜符合表 4.2.4 的要求。
4.2.5 焊条手工电弧焊部分焊透坡口形状和尺寸宜符合表 4.2.5 的要求。
4.2.6 气体保护焊、自保护焊部分焊透坡口形状和尺寸宜符合表 4.2.6 的要求。
4.2.7 埋弧焊部分焊透坡口形状和尺寸宜符合表 4.2.7 的要求。



























4.3 焊缝的计算厚度
4.3 焊缝的计算厚度
4.3.1 全焊透的对接焊缝及对接与角接组合焊缝,双面焊时反面应清根后焊接,加垫板单面焊当坡口形状、尺寸符合本规程表 4.2.2~4.2.4 的要求时,可按全焊透计算。其计算厚度 he 应为坡口根部至焊缝表面(不计余高)的最短距离。
4.3.2 开坡口的部分焊透对接焊缝及对接与角接组合焊缝,其焊缝计算厚度he(见图 4.3.2)应根据焊接方法、坡口形状及尺寸、焊接位置不同,分别对坡口深度 H 进行折减。各种类型部分焊透焊缝的计算厚度 he 应符合表 4.3.2 的规定。
V 形坡口 α≥60°及 U、J 形坡口,当坡口尺寸符合表 4.2.5~4.2.7 的规定时,焊缝计算厚度 he 应为坡口深度 H。


4.3.3 搭接角焊缝及直角角焊缝的计算厚度 he(见图 4.3.3)应分别按下列公式计算:
1 当间隙 b≤1.5 时,he=0.7hf (4.3.3-1)
2 当间隙 1.5<b≤5 时,he=0.7(hf-b) (4.3.3-2)
塞焊和槽焊焊缝的计算厚度可按角焊缝的计算方法确定。
4.3.4 斜角角焊缝的计算厚度 he,应根据两面夹角 ψ 按下列公式计算:
1 Ψ=60°~135°[图 4.3.4(a)、(b)、(c)]:
当间隙 b≤1.5 时,



2 30°≤ψ<60°[图 4.3.4(d)]:应将公式(4.3.4-1)、(4.3.4-2)所计算的焊缝计算厚度he 减去相应的折减值 Z。不同焊接条件的折减值 Z 应符合表 4.3.4 的规定;
3 ψ<30°:必须进行焊接工艺评定,确定焊缝计算厚度。

4.3.5 圆钢与平板、圆钢与圆钢之间的焊缝计算厚度 he 应分别按下列公式计算:

1 圆钢与平板连接(图 4.3.5a):
he= 0.7 h f (4.3.5-1)
2 圆钢与圆钢连接(图 4.3.5b):

4.3.6 圆管、矩形管 T、Y、K 形相贯接头的焊缝计算厚度应根据局部两面夹角Ψ 的大小,按相贯接头趾部、侧部、跟部各区和局部细节情况分别计算取值。管材相贯接头的焊缝分区示意见图 4.3.6-1,局部两面夹角 Ψ 和坡口角 α 示意见图 4.3.6-2。




全焊透焊缝、部分焊透焊缝和角焊缝的计算厚度应分别符合下列规定:
1 全焊透焊缝的计算厚度
管材相贯接头全焊透焊缝各区的形状及尺寸细节应符合图 4.3.6-3 要求,焊缝计算厚度应符合表 4.3.6-1 规定。


2 部分焊透焊缝的计算厚度
管材台阶状相贯接头部分焊透焊缝各区坡口形状与尺寸细节应符合图 4.3.6-4(a) 要求;矩形管材相配的相贯接头部分焊透焊缝各区坡口形状与尺寸细节应符合图4.3.6-4(b)的要求。焊缝计算厚度的折减值 Z 应符合表 4.3.4 规定。
3 角焊缝的焊缝计算厚度
管材相贯接头各区细节应符合图 4.3.6-5 要求。其焊缝计算厚度 he 应符合表 4.3.6-2 规定。







4.4 组焊构件焊接节点
4.4 组焊构件焊接节点
4.4.1 塞焊和槽焊焊缝的尺寸、间距、填焊高度应符合下列规定:
1塞焊缝和槽焊缝的有效面积应为贴合面上圆孔或长槽孔的标称面积;
2 塞焊焊缝的最小中心间隔应为孔径的 4 倍,槽焊焊缝的纵向最小间距应为槽孔长度的 2 倍,垂直于槽孔长度方向的两排槽孔的最小间距应为槽孔宽度的 4 倍;
3 塞焊孔的最小直径不得小于开孔板厚度加 8mm, 最大直径应为最小直径值加3mm ,或为开孔件厚度的 2.25 倍,并取两值中较大者。槽孔长度不应超过开孔件厚度的 10 倍,最小及最大槽宽规定与塞焊孔的最小及最大孔径规定相同;
4 塞焊和槽焊的填焊高度:当母材厚度等于或小于 16mm 时,应等于母材的厚度;当母材厚度大于 16mm 时,不得小于母材厚度的一半,并不得小于 16mm;
5 塞焊焊缝和槽焊焊缝的尺寸应根据贴合面上承受的剪力计算确定。
4.4.2 严禁在调质钢上采用塞焊和槽焊焊缝。
4.4.3 角焊缝的尺寸应符合下列规定:
1 角焊缝的最小计算长度应为其焊脚尺寸(hf)的 8 倍,且不得小于 40mm;焊缝计算长度应为焊缝长度扣除引弧、收弧长度;
2 角焊缝的有效面积应为焊缝计算长度与计算厚度(he)的乘积。对任何方向的荷载,角焊缝上的应力应视为作用在这一有效面积上;
3 断续角焊缝焊段的最小长度应不小于最小计算长度;
4 单层角焊缝最小焊脚尺寸宜按表 4.4.3 取值,同时应符合设计要求;
5 当被焊构件较薄板厚度≥25mm 时,宜采用局部开坡口的角焊缝;
6 角焊缝十字接头,不宜将厚板焊接到较薄板上。
4.4.4 搭接接头角焊缝的尺寸及布置应符合下列规定:
1 传递轴向力的部件,其搭接接头最小搭接长度应为较薄件厚度的 5 倍,但不小于 25mm( 图 4.4.4-1)。并应施焊纵向或横向双角焊缝;


2 单独用纵向角焊缝连接型钢杆件端部时,型钢杆件的宽度 W 应不大于200mm(图 4.4.4-2),当宽度 W 大于 200mm 时,需加横向角焊或中间塞焊。型钢杆件每一侧纵向角焊缝的长度 L 应不小于 W;
3 型钢杆件搭接接头采用围焊时,在转角处应连续施焊。杆件端部搭接角焊缝作绕焊时,绕焊长度应不小于二倍焊脚尺寸,并连续施焊;
4 搭接焊缝沿材料棱边的最大焊脚尺寸,当板厚小于、等于 6mm 时,应为母材厚度,当板厚大于 6mm 时,应为母材厚度减去 1~2mm( 图 4.4.4-3);

5 用搭接焊缝传递荷载的套管接头可以只焊一条角焊缝,其管材搭接长度 L 应不小于 5(t1+t2),且不得小于 25mm 。搭接焊缝焊脚尺寸应符合设计要求(图 4.4.4-4)。
4.4.5 不同厚度及宽度的材料对接时,应作平缓过渡并符合下列规定:
1 不同厚度的板材或管材对接接头受拉时,其允许厚度差值(t1-t2)应符合表 4.4.5 的规定。当超过表 4.4.5 的规定时应将焊缝焊成斜坡状,其坡度最大允许值应为1:2.5;或将较厚板的一面或两面及管材的内壁或外壁在焊前加工成斜坡,其坡度最大允许值应为 1:2.5(图 4.4.5);

2 不同宽度的板材对接时,应根据工厂及工地条件采用热切割、机械加工或砂轮打磨的方法使之平缓过渡,其连接处最大允许坡度值应为 1:2.5(图 4.4.5e)。
4.5 防止板材产生层状撕裂的节点形式
4.5 防止板材产生层状撕裂的节点形式
4.5.1 在 T 形、十字形及角接接头中,当翼缘板厚度等于、大于 20mm 时,为防止翼缘板产生层状撕裂,宜采取下列节点构造设计:
1 采用较小的焊接坡口角度及间隙(图 4.5.1a),并满足焊透深度要求;
2 在角接接头中,采用对称坡口或偏向于侧板的坡口(图 4.5.1b);
3 采用对称坡口(图 4.5.1c);
4 在 T 形或角接接头中,板厚方向承受焊接拉应力的板材端头伸出接头焊缝区(图 4.5.1d);




5 在 T 形、十字形接头中,采用过渡段,以对接接头取代 T 形、十字形接头(图 4.5.1e、f)。
4.6 构件制作与工地安装焊接节点形式
4.6 构件制作与工地安装焊接节点形式
4.6.1 构件制作焊接节点形式应符合下列要求:
1 桁架和支撑的杆件与节点板的连接节点宜采用图 4.6.1-1 的形式;当杆件承受拉应力时,焊缝应在搭接杆件节点板的外边缘处提前终止,间距 a 应不小于 hf;

2 型钢与钢板搭接,其搭接位置应符合图 4.6.1-2 的要求;
3 搭接接头上的角焊缝应避免在同一搭接接触面上相交(图 4.6.1-3);
4 要求焊缝与母材等强和承受动荷载的对接接头,其纵横两方向的对接焊缝,宜采用 T 形交叉。交叉点的距离宜不小于 200mm,且拼接料的长度和宽度宜不小于300mm(图 4.6.1-4)。如有特殊要求,施工图应注明焊缝的位置;

5 以角焊缝作纵向连接组焊的部件,如在局部荷载作用区采用一定长度的对接与角接组合焊缝来传递载荷,在此长度以外坡口深度应逐步过渡至零,且过渡长度应不小于坡口深度的 4 倍;
6 焊接组合箱形梁、柱的纵向角焊缝,宜采用全焊透或部分焊透的对接与角接组合焊缝(图 4.6.1-5)。要求全焊透时,应采用垫板单面焊(图 4.6.1-5b);

7 焊接组合 H 形梁、柱的纵向连接角焊缝,当腹板厚度大于 20mm 时,宜采用全焊透或部分焊透对接与角接组合焊缝(图 4.6.1 6);

8 箱形柱与隔板的焊接,应采用全焊透焊缝(图 4.6.17a);对无法进行手工焊接的焊缝,宜采用熔嘴电渣焊焊接,且焊缝应对称布置(图 4.6.1-7b);

9 焊接钢管混凝土组合柱的纵向和横向焊缝,应采用双面或单面全焊透接头形式(图 4.6.1-8);

10 管—球结构中,对由两个半球焊接而成的空心球,其焊接接头可采用不加肋和加肋两种形式(图 4.6.1-9)。
4.6.2 工地安装焊接节点形式应符合下列要求:
1 H 形框架柱安装拼接接头宜采用螺栓和焊接组合节点或全焊节点(图 4.6.2-1a、b)。采用螺栓和焊接组合节点时,腹板应采用螺栓连接,翼缘板应采用单 V 形坡口加垫板全焊透焊缝连接(图 4.6.2-1c)。采用全焊节点时,翼缘板应采用单 V 形坡口加垫板全焊透焊缝,腹板宜采用 K 形坡口双面部分焊透焊缝,反面不清根;设计要求腹板全焊透时,如腹板厚度不大于 20mm,宜采用单 V 形坡口加垫板焊接(图 4.6.2-1e),如腹板厚度大于 20mm ,宜采用 K 形坡口,反面清根后焊接(图 4.6.21d);

2 钢管及箱形框架柱安装拼接应采用全焊接头,并根据设计要求采用全焊透焊缝或部分焊透焊缝。全焊透焊缝坡口形式应采用单 V 形坡口加垫板;

3 桁架或框架梁中,焊接组合 H 形、T 形或箱形钢梁的安装拼接采用全焊连接时,宜采用翼缘板与腹板拼接截面错位的形式。H 形及 T 形截面组焊型钢错开距离宜不小于 200mm。翼缘板与腹板之间的纵向连接焊缝应留下一段焊缝最后焊接,其与翼缘板对接焊缝的距离应不小于 300mm(图 4.6.23)。腹板厚度大于 20mm 时,宜采用X 形坡口反面清根双面焊;腹板厚度不大于 20mm 时,宜根据焊接位置采用 V 形坡口
单面焊并反面清根后封焊,或采用 V 形坡口加垫板单面焊;

箱形截面构件翼缘板与腹板接口错开距离宜大于 500mm,其上、下翼缘板焊接宜采用 V 形坡口加垫板单面焊。其它要求与 H 形截面相同;
4 框架柱与梁刚性连接时,应采用下列连接节点形式:
1)柱上有悬臂梁时,梁的腹板与悬臂梁腹板宜采用高强螺栓连接。梁翼缘板与悬臂梁翼缘板应用 V 形坡口加垫板单面全焊透焊缝连接(图 4.6.2-4a);
2)柱上无悬臂梁时,梁的腹板与柱上已焊好的承剪板宜用高强螺栓连接,梁翼缘板应直接与柱身用单边 V 形坡口加垫板单面全焊透焊缝连接(图 4.6.2-4b);
3)梁与 H 型柱弱轴方向刚性连接时,梁的腹板与柱的纵筋板宜用高强螺栓连接。
梁的翼缘板与柱的横隔板应用 V 形坡口加垫板单面全焊透焊缝连接(图 4.6.2-4c)。

5 管材与空心球工地安装焊接节点应采用下列形式:
1)钢管内壁加套管作为单面焊接坡口的垫板时,坡口角度、间隙及焊缝外形要求应符合图 4.6.2-5b 要求;
2)钢管内壁不用套管时,宜将管端加工成 30°~60°折线形坡口,预装配后根据间隙尺寸要求,进行管端二次加工(图 4.6.2-5c)。要求全焊透时,应进行专项工艺评定试验和宏观切片检验以确认坡口尺寸和焊接工艺参数。
6 管-管连接的工地安装焊接节点形式应符合下列要求:
1)管-管对接:在壁厚不大于 6mm 时,可用 形坡口加垫板单面全焊透焊缝连接(图4.6.2-6a);在壁厚大于 6mm 时,可用 V 形坡口加垫板单面全焊透焊缝连接(图 4.6.2-6b);
2)管-管 T、Y、K 形相贯接头:应按第 4.3.6 条的要求在节点各区分别采用全焊透焊缝和部分焊透焊缝,其坡口形状及尺寸应符合图 4.3.6-3、图 4.3.6-4 要求;设计要求采用角焊缝连接时,其坡口形状及尺寸应符合图 4.3.6-5 的要求。


4.7 承受动载与抗震的焊接节点形式
4.7 承受动载与抗震的焊接节点形式
4.7.1 承受动载时塞焊、槽焊、角焊、对接接头应符合下列规定:
1 承受动载需经疲劳验算的构件上严禁使用塞焊和槽焊;
2 承受动载不需要进行疲劳验算的构件,采用塞焊、槽焊时,孔或槽的边缘到开孔件邻近边垂直于应力方向的净距离应不小于此部件厚度的 5 倍,且应不小于孔或槽宽度的 2 倍;构件端部搭接接头的纵向角焊缝长度应不小于两侧焊缝间的垂直距离B,且在无塞焊、槽焊等其它措施时,距离 B 不应超过较薄件厚度 t 的 16 倍(图 4.7.1-1);

3 严禁使用焊脚尺寸小于 5mm 的角焊缝;
4 严禁使用断续坡口焊缝和断续角焊缝;
5 对接与角接组合焊缝和 T 形接头的全焊透坡口焊缝应用角焊缝加强,加强焊脚尺寸应大于或等于接头较薄件厚度的 1/2 ,但可不超过 10mm;
6 承受动载需经疲劳验算的接头,当拉应力与焊缝轴线垂直时,严禁采用部分焊透对接焊缝、背面不清根的无衬垫或未经评定认可的非钢衬垫单面焊缝及角焊缝;
7 除横焊位置以外,不得使用 L 形和 J 形坡口;
8 不同板厚的对接接头承受动载时,不论受拉应力或剪应力、压应力,均应遵守第 4.4.5 条的要求做成斜坡过渡。
4.7.2 承受动载需经疲劳验算时,严禁使用电渣焊和气电立焊接头。
4.7.3 承受动载构件的组焊节点形式应符合下列要求:
1 有对称横截面的部件组合焊接时,应以构件轴线对称布置焊缝,当应力分布不对称时应作相应修正;
2 用多个部件组叠成构件时,应用连续焊缝沿构件纵向将其连接;
3 承受动载荷需经疲劳验算的桁架,其弦杆和腹杆与节点板的搭接焊缝应采用围焊,杆件焊缝之间间隔应不小于 50mm。节点板轮廓及局部尺寸应符合图 4.7.3-1 的要求;

4 实腹吊车梁横向加劲板与翼缘板之间的焊缝应避免与吊车梁纵向主焊缝交叉,其焊接节点构造宜采用图 4.7.3-2 的形式。

4.7.4 抗震结构框架柱与梁的刚性连接节点焊接时,应符合下列要求:
1 梁的翼缘板与柱之间的对接与角接组合焊缝的加强焊脚尺寸应大于或等于翼缘板厚的 1/4,但可不大于 10mm;
2 梁的下翼缘板与柱之间宜采用 J 形坡口单面全焊透焊缝,并应在反面清根后封底焊成平缓过渡形状;采用 L 形坡口加垫板单面全焊透焊缝时,焊接完成后应割除全部长度的垫板及引弧板、引出板,打磨清除未熔合或夹渣等缺陷后,再封底焊成平缓过渡形状;
3 引弧板、引出板、垫板割除时,应沿柱-梁交接拐角处切割成圆弧过渡,且切割表面不得有深沟、不得伤及母材;
4 引弧板、引出板、垫板的固定焊缝应焊在接头焊接坡口内和垫板上,不应在焊缝以外的母材上焊接定位焊缝(图 4.7.4)。

5 焊接工艺评定
5.1 一般规定
5 焊接工艺评定
5.1 一般规定
5.1.1 凡符合以下情况之一者,应在钢结构构件制作及安装施工之前进行焊接工艺评定:
1 国内首次应用于钢结构工程的钢材(包括钢材牌号与标准相符但微合金强化元素的类别不同和供货状态不同,或国外钢号国内生产);
2 国内首次应用于钢结构工程的焊接材料;
3 设计规定的钢材类别、焊接材料、焊接方法、接头形式、焊接位置、焊后热处理制度以及施工单位所采用的焊接工艺参数、预热后热措施等各种参数的组合条件为施工企业首次采用。
5.1.2 焊接工艺评定应由结构制作、安装企业根据所承担钢结构的设计节点形式、钢材类型、规格、采用的焊接方法、焊接位置等,制定焊接工艺评定方案,拟定相应的焊接工艺评定指导书,按本规程的规定施焊试件、切取试样并由具有国家技术质量监督部门认证资质的检测单位进行检测试验。
5.1.3 焊接工艺评定的施焊参数,包括热输入、预热、后热制度等应根据被焊材料的焊接性制订。
5.1.4 焊接工艺评定所用设备、仪表的性能应与实际工程施工焊接相一致并处于正常工作状态。焊接工艺评定所用的钢材、焊钉、焊接材料必须与实际工程所用材料一致并符合相应标准要求,具有生产厂出具的质量证明文件。
5.1.5 焊接工艺评定试件应由该工程施工企业中技能熟练的焊接人员施焊。
5.1.6 焊接工艺评定所用的焊接方法、钢材类别、试件接头形式、施焊位置分类代号应符合表 5.1.6-1~表 5.1.6-4 及图 5.1.6-1~图 5.1.6-4 规定。
5.1.7 焊接工艺评定试验完成后,应由评定单位根据检测结果提出焊接工艺评定报告,连同焊接工艺评定指导书、评定记录、评定试样检验结果一起报工程质量监督验收部门和有关单位审查备案。报告及表格可采用附录 B 的格式。





5.2 焊接工艺评定规则
5.2 焊接工艺评定规则
5.2.1 不同焊接方法的评定结果不得互相代替。
5.2.2 不同钢材的焊接工艺评定应符合下列规定:
1 不同类别钢材的焊接工艺评定结果不得互相代替;
2 Ⅰ 、Ⅱ类同类别钢材中当强度和冲击韧性级别发生变化时,高级别钢材的焊接工艺评定结果可代替低级别钢材;Ⅰ、Ⅱ类同类别钢材中的焊接工艺评定结果不得相互代替;不同类别的钢材组合焊接时应重新评定,不得用单类钢材的评定结果代替。


5.2.3 接头形式变化时应重新评定,但十字形接头评定结果可代替 T 形接头评定结果,全焊透或部分焊透的 T 形或十字形接头对接与角接组合焊缝评定结果可代替角焊缝评定结果。

5.2.4 评定合格的试件厚度在工程中适用的厚度范围应符合表 5.2.4 的规定。

5.2.5 板材对接的焊接工艺评定结果适用于外径大于600mm 的管材对接。
5.2.6 评定试件的焊后热处理条件应与钢结构制造、安装焊接中实际采用的焊后 热处理条件基本相同。
5.2.7 焊接工艺参数变化不超过 5.3 节规定时,可不需重新进行工艺评定。
5.2.8 焊接工艺评定结果不合格时,应分析原因,制订新的评定方案,按原步骤 重新评定,直到合格为止。
5.2.9 施工企业已具有同等条件焊接工艺评定资料时,可不必重新进行相应项目的焊接工艺评定试验。
5.3 重新进行工艺评定的规定
5.3 重新进行工艺评定的规定
5.3.1 焊条手工电弧焊时,下列条件之一发生变化,应重新进行工艺评定:
1 焊条熔敷金属抗拉强度级别变化;
2 由低氢型焊条改为非低氢型焊条;
3 焊条直径增大 1mm 以上。
5.3.2 熔化极气体保护焊时,下列条件之一发生变化,应重新进行工艺评定:
1 实芯焊丝与药芯焊丝的相互变换;药芯焊丝气保护与自保护的变换;
2 单一保护气体类别的变化;混合保护气体的混合种类和比例的变化;
3 保护气体流量增加 25%以上或减少 10%以上的变化;
4 焊炬手动与机械行走的变换;
5 按焊丝直径规定的电流值、电压值和焊接速度的变化分别超过评定合格值的10%、7%和 10%。
5.3.3 非熔化极气体保护焊时,下列条件之一发生变化,应重新进行工艺评定:
1 保护气体种类的变换;
2 保护气体流量增加 25%以上或减少 10%以上的变化;
3 添加焊丝或不添加焊丝的变换;冷态送丝和热态送丝的变换;
4 焊炬手动与机械行走的变换;
5 按电极直径规定的电流值、电压值和焊接速度的变化分别超过评定合格值的25%、7%和 10%。
5.3.4 埋弧焊时,下列条件之一发生变化,应重新进行工艺评定:
1 焊丝钢号变化;焊剂型号变换;
2 多丝焊与单丝焊的变化;
3 添加与不添加冷丝的变化;
4 电流种类和极性的变换;
5 按焊丝直径规定的电流值、电压值和焊接速度变化分别超过评定合格值的10%、7%和 15%。
5.3.5 电渣焊时,下列条件之一发生变化,应重新进行工艺评定:
1 板极与丝极的变换,有、无熔嘴的变换;
2 熔嘴截面积变化大于 30%,熔嘴牌号的变换,焊丝直径的变化,焊剂型号的变换;
3 单侧坡口与双侧坡口焊接的变化;
4 焊接电流种类和极性变换;
5 焊接电源伏安特性为恒压或恒流的变换;
6 焊接电流值变化超过 20%或送丝速度变化超过 40%,垂直行进速度变化超过20%;
7 焊接电压值变化超过 10%;
8 偏离垂直位置超过 10°;
9 成形水冷滑块与挡板的变换;
10 焊剂装入量变化超过 30%。
5.3.6 气电立焊时,下列条件之一发生变化,应重新进行工艺评定:
焊丝钢号与直径的变化;
2 气保护与自保护药芯焊丝的变换;
3 保护气类别或混合比例的变化;
4 保护气流量增加 25%以上或减少 10%以上的变化;
5 焊丝极性的变换;
6 焊接电流变化超过 15%或送丝速度变化超过 30%,焊接电压变化超过 10%;
7 偏离垂直位置超过 10°的变化;
8 成形水冷滑块与挡板的变换。
5.3.7 栓钉焊时,下列条件之一发生变化,应重新进行工艺评定:
焊钉直径或焊钉端头镶嵌(或喷涂)稳弧脱氧剂的变换;
2 瓷环材料与规格的变换;
3 栓焊机与配套栓焊枪形式、型号与规格的变换:
4 被焊钢材种类为 、 类以外的变换;
5 非穿透焊(被焊钢材上无压型板直接焊接)与穿透焊(被焊钢材上有压型板焊接) 的变换;
6 穿透焊中被穿透板材厚度、镀层厚度与种类的变换;
7 焊接电流变化超过 10%,焊接时间为 1s 以上时变化超过 0.2s 或 1s 以下时变化超过 0.1s;
8 焊钉伸出长度和提升高度的变化分别超过 1mm;
9 焊钉焊接位置偏离平焊位置 15°以上的变化或立焊、仰焊位置的变换
5.3.8 各种焊接方法时,下列条件之一发生变化,应重新进行工艺评定:
1 坡口形状的变化超出规程规定和坡口尺寸变化超出规定允许偏差;
2 板厚变化超过表 5.2.4 规定的适用范围;
3 有衬垫改为无衬垫;清焊根改为不清焊根;
4 规定的最低预热温度下降 15以上或最高层间温度增高 50以上;
5 当热输入有限制时,热输入增加值超过 10%;
6 改变施焊位置;
7 焊后热处理的条件发生变化。
5.4 试件和检验试样的制备
5.4 试件和检验试样的制备
5.4.1 试件制备应符合下列要求:
1 选择试件厚度应符合评定试件厚度对工程构件厚度的有效适用范围;
2 母材材质、焊接材料、坡口形状和尺寸应与工程设计图的要求一致;试件的焊接必须符合焊接工艺评定指导书的要求。
3 试件的尺寸应满足所制备试样的取样要求。各种接头形式的试件尺寸、试样取样位置应符合图 5.4.1-1~图 5.4.1-8 的要求。










5.4.2 检验试样种类及加工应符合下列要求:
1 不同焊接接头形式和板厚检验试样的取样种类和数量应符合表 5.4.2 的规定;

2 对接接头检验试样的加工应符合下列规定:
1)拉伸试样的加工应符合现行国家标准《焊接接头拉伸试验方法》(GB—2651)的规定,全截面拉伸试样按试验机的能力和要求加工;
2)弯曲试样的加工应符合现行国家标准《焊接接头弯曲及压扁试验方法》(GB— 2653)的规定。加工时应用机械方法去除焊缝加强高或垫板至与母材齐平,试样受拉面应保留母材原轧制表面;
3)冲击试样的加工应符合现行国家标准《焊接接头冲击试验方法》(GB—2650)的规定。其取样位置应位于焊缝正面并尽量接近母材原表面;
4)宏观酸蚀试样的加工应符合图 5.4.2-1 的要求。每块试样应取一个面进行检验,任意两检验面不得为同一切口的两侧面。
3 T 形角接接头宏观酸蚀试样的加工应符合图 5.4.2-2 的要求;

4十字形角接接头检验试样的加工应符合下列要求:
1)接头拉伸试样的加工应符合图 5.4.2-3 的要求;

2)接头弯曲试样的加工应符合图 5.4.2-4 的要求;

3)接头冲击试样的加工应符合图 5.4.2-5 的要求;
4)接头宏观酸蚀试样的加工应符合图 5.4.2-6 的要求,检验面的选取应符合本条第2 款的要求。


5 斜 T 形角接接头、管球接头、管-管相贯接头的宏观酸蚀试样的加工宜符合
图 5.4.2-2 的要求。检验面的选取应符合本条第 2 款的有关规定。
5.5 试件和试样的试验与检验
5.5 试件和试样的试验与检验
5.5.1 试件的外观检验应符合下列要求:
1 对接、角接及 T 形接头;
1)用不小于 5 倍放大镜检查试件表面,不得有裂纹、未焊透、未熔合、焊瘤、气孔、夹渣等缺陷;
2)焊缝咬边总长度不得超过焊缝两侧长度的 15%,咬边深度不得超过 0.5mm;
3)焊缝外形尺寸应符合表 5.5.1-1 的要求。

2 栓钉焊接头外观检验应符合表 5.5.1-2 的要求。当采用手工电弧焊进行焊钉焊接时,其焊缝外观检验应符合第 5.5.1 条中角焊缝的要求。

5.5.2 试件的无损检测
试件的无损检测可用射线或超声波方法进行。射线探伤应符合现行国家标准《钢熔化焊对接接头射线照相和质量分级》(GB—3323)的规定,焊缝质量不低于 级;超声波探伤应符合现行国家标准《钢焊缝手工超声波探伤方法和探伤结果分级》(GB— 11345) 的规定,焊缝质量不低于 BI 级。
5.5.3 试样的力学性能、硬度及宏观酸蚀试验方法应符合下列规定:
1 拉伸试验方法
1)对接接头拉伸试验应符合现行国家标准《焊接接头拉伸试验方法》(GB—2651) 的规定;
2)栓钉焊接头拉伸试验应符合图 5.5.3-1 的要求。

2 弯曲试验方法
1)对接接头弯曲试验应符合现行国家标准《焊接接头弯曲及压扁试验方法》(GB—2653)的规定。弯芯直径和冷弯角度应符合母材标准对冷弯的要求。面弯、背弯时试样厚度应为试件全厚度;侧弯时试样厚度应为 10mm,试样宽度应为试件的全厚度,试件厚度超过 38mm 时应按 20~38mm 分层取样;
2)T 形接头弯曲试验应符合现行国家标准《T 型角焊接头弯曲试验方法》(GB— 7032)的规定,弯芯直径应为 4 倍试件厚度;
3)十字形接头弯曲试验应符合图 5.5.3-2 的要求;
4)栓钉焊接头弯曲试验应符合图 5.5.3-3 的要求。
3 冲击试验应符合现行国家标准《焊接接头冲击试验方法》(GB—2650)的规定;
4 宏观酸蚀试验应符合现行国家标准《钢的低倍组织及缺陷酸蚀检验法》(GB— 226)的规定;

5 硬度试验应符合现行国家标准《焊接接头及堆焊金属硬度试验方法》(GB— 2654)的规定。
5.5.4 试样检验应符合下列规定:
1 接头拉伸试验
1)对接接头母材为同钢号时,每个试样的抗拉强度值应不小于该母材标准中相应规格规定的下限值。对接接头母材为两种钢号组合时,每个试样的抗拉强度应不小于两种母材标准相应规定下限值的较低者;
2)十字接头拉伸时,应不断于焊缝;
3)栓钉焊接头拉伸时,应不断于焊缝。
2 接头弯曲试验
1)对接接头弯曲试验:试样弯至 180°后应符合下列规定:
各试样任何方向裂纹及其它缺陷单个长度不大于 3mm;
各试样任何方向不大于 3mm 的裂纹及其它缺陷的总长不大于 7mm;
四个试样各种缺陷总长不大于 24mm( 边角处非熔渣引起的裂纹不计);
2)T 形及十字形接头弯曲试验:弯至左右侧各 60°时应无裂纹及明显缺陷;
3)栓钉焊接头弯曲试验:试样弯曲至 30°后焊接部位无裂纹。
3 冲击试验
焊缝中心及热影响区粗晶区各三个试样的冲击功平均值应分别达到母材标准规定或设计要求的最低值,并允许一个试样低于以上规定值,但不得低于规定值的 70%。
4 宏观酸蚀试验
试样接头焊缝及热影响区表面不应有肉眼可见的裂纹、未熔合等缺陷。
5 硬度试验
Ⅰ 、Ⅱ类钢材焊缝及热影响区最高硬度不宜超过 HV350; 、 类钢材焊缝及热影响区硬度应根据工程实际要求进行评定。
6 焊接工艺
6.1 一般规定
6焊接工艺
6.1 一般规定
6.1.1 钢材除应符合本规程第3章的相应规定外,尚应符合下列要求:
1 清除待焊处表面的水、氧化皮、锈、油污;
2 焊接坡口边缘上钢材的夹层缺陷长度超过25mm时,应采用无损探伤检测其深度,如深度不大于6mm,应用机械方法清除;如深度大于6mm,应用机械方法清除后焊接填满;若缺陷深度大于25mm时,应采用超声波探伤测定其尺寸,当单个缺陷面积(a×d)或聚集缺陷的总面积不超过被切割钢材总面积(B×L)的4%时为合格,否则该板不宜使用;
3 钢材内部的夹层缺陷,其尺寸不超过第2款的规定且位置离母材坡口表面距离(b)大于或等于25mm时不需要修理;如该距离小于25mm则应进行修补,其修补方法应符合6.6节的规定;
4夹层缺陷是裂纹时(见图6.1.1),如裂纹长度(a)和深度(d)均不大于50mm,其修补方法应符合第6.6节的规定;如裂纹深度超过50mm或累计长度超过板宽的20%时,该钢板不宜使用。
6.1.2 焊接材料除应符合本规程第3章的有关规定外,尚应符合下列规定:
1 焊条、焊丝、焊剂和熔嘴应储存在干燥、通风良好的地方,由专人保管;
2 焊条、熔嘴、焊剂和药芯焊丝在使用前,必须按产品说明书及有关工艺文件的规定进行烘干。
3 低氢型焊条烘干温度应为350~380□,保温时间应为1.5~2h,烘干后应缓冷放置于110~120口的保温箱中存放、待用;使用时应置于保温筒中;烘干后的低氢型焊条在大气中放置时间超过4h应重新烘干;焊条重复烘干次数不宜超过2次;受潮的焊条不应使用;

4 实芯焊丝及熔嘴导管应无油污、锈蚀,镀铜层应完好无损;
5 焊钉的外观质量和力学性能及焊接瓷环尺寸应符合现行国家标准《圆柱头焊钉》(GB 10433)的规定,并应由制造厂提供焊钉性能检验及其焊接端的鉴定资料。焊钉保存时应有防潮措施;焊钉及母材焊接区如有水、氧化皮、锈、漆、油污、水泥灰渣等杂质,应清除干净方可施焊。受潮的焊接瓷环使用前应经120口烘干2h;
6焊条、焊剂烘干装置及保温装置的加热、测温、控温性能应符合使用要求;二氧化碳气体保护电弧焊所用的二氧化碳气瓶必须装有预热干燥器。
6.1.3 焊接不同类别钢材时,焊接材料的匹配应符合设计要求。常用结构钢材采用手工电弧焊、CO₂气体保护焊和埋弧焊进行焊接时,焊接材料可按表6.1.3-1~表6.1.3-3的规定选配。





6.1.4 焊缝坡口表面及组装质量应符合下列要求:
1 焊接坡口可用火焰切割或机械方法加工。当采用火焰切割时,切割面质量应符合国家现行标准《热切割、气割质量和尺寸偏差》(ZBJ-59002.3)的相应规定。缺棱为 1~3mm时,应修磨平整;缺棱超过3mm时,应用直径不超过3.2mm的低氢型焊条补焊,并修磨平整。当采用机械方法加工坡口时,加工表面不应有台阶;
2 施焊前,焊工应检查焊接部位的组装和表面清理的质量,如不符合要求,应修磨补焊合格后方能施焊。各种焊接方法焊接坡口组装允许偏差值应符合表4.2.2~4.2.7的规定。坡口组装间隙超过允许偏差规定时,可在坡口单侧或两侧堆焊、修磨使其符合要求,但当坡口组装间隙超过较薄板厚度2倍或大于20mm时,不应用堆焊方法增加构件长度和减小组装间隙;
3 搭接接头及T形角接接头组装间隙超过1mm或管材T、K、Y形接头组装间隙超过1.5mm时,施焊的焊脚尺寸应比设计要求值增大并应符合第4.3节的规定。但T形角接接头组装间隙超过5mm时,应事先在板端堆焊并修磨平整或在间隙内堆焊填补后施焊;
4 严禁在接头间隙中填塞焊条头、铁块等杂物。
6.1.5 焊接工艺文件应符合下列要求:
1 施工前应由焊接技术责任人员根据焊接工艺评定结果编制焊接工艺文件,并向有关操作人员进行技术交底,施工中应严格遵守工艺文件的规定;
2焊接工艺文件应包括下列内容:
1)焊接方法或焊接方法的组合;
2)母材的牌号、厚度及其它相关尺寸;
3)焊接材料型号、规格;
4)焊接接头形式、坡口形状及尺寸允许偏差;
5)夹具、定位焊、衬垫的要求;
6)焊接电流、焊接电压、焊接速度、焊接层次、清根要求、焊接顺序等焊接工艺参数规定;
7)预热温度及层间温度范围;
8)后热、焊后消除应力处理工艺;
9)检验方法及合格标准;
10)其它必要的规定。
6.1.6 焊接作业环境应符合以下要求:
1 焊接作业区风速当手工电弧焊超过8m/s、气体保护电弧焊及药芯焊丝电弧焊超过2m/s时,应设防风棚或采取其它防风措施。制作车间内焊接作业区有穿堂风或鼓风机时,也应按以上规定设挡风装置;
2 焊接作业区的相对湿度不得大于90%;
3 当焊件表面潮湿或有冰雪覆盖时,应采取加热去湿除潮措施;
4 焊接作业区环境温度低于0□时,应将构件焊接区各方向大于或等于二倍钢板厚度且不小于100mm范围内的母材,加热到20□以上后方可施焊,且在焊接过程中均不应低于这一温度。实际加热温度应根据构件构造特点、钢材类别及质量等级和焊接性、焊接材料熔敷金属扩散氢含量、焊接方法和焊接热输入等因素确定,其加热温度应高于常温下的焊接预热温度,并由焊接技术责任人员制订出作业方案经认可后方可实施。作业方案应保证焊工操作技能不受环境低温的影响,同时对构件采取必要的保温措施;
5 焊接作业区环境超出本条第1、4款规定但必须焊接时,应对焊接作业区设置防护棚并由施工企业制订出具体方案,连同低温焊接工艺参数、措施报监理工程师确认后方可实施。
6.1.7 引弧板、引出板、垫板应符合下列要求:
1 严禁在承受动荷载且需经疲劳验算构件焊缝以外的母材上打火、引弧或装焊夹具;
2 不应在焊缝以外的母材上打火、引弧;
3 T形接头、十字形接头、角接接头和对接接头主焊缝两端,必须配置引弧板和引出板,其材质应和被焊母材相同,坡口形式应与被焊焊缝相同,禁止使用其它材质的材料充当引弧板和引出板;
4 手工电弧焊和气体保护电弧焊焊缝引出长度应大于25mm。其引弧板和引出板宽度应大于50mm,长度宜为板厚的1.5倍且不小于30mm,厚度应不小于6mm;
非手工电弧焊焊缝引出长度应大于80mm。其引弧板和引出板宽度应大于80mm,长度宜为板厚的2倍且不小于100mm,厚度应不小于10mm;
5 焊接完成后,应用火焰切割去除引弧板和引出板,并修磨平整。不得用锤击落引弧板和引出板。
6.1.8 定位焊必须由持相应合格证的焊工施焊,所用焊接材料应与正式施焊相当。定位焊焊缝应与最终焊缝有相同的质量要求。钢衬垫的定位焊宜在接头坡口内焊接,定位焊焊缝厚度不宜超过设计焊缝厚度的2/3,定位焊焊缝长度宜大于40mm,间距宜为500~600mm,并应填满弧坑。定位焊预热温度应高于正式施焊预热温度。当定位焊焊缝上有气孔或裂纹时,必须清除后重焊。
6.1.9 多层焊的施焊应符合下列要求:
1 厚板多层焊时应连续施焊,每一焊道焊接完成后应及时清理焊渣及表面飞溅物,发现影响焊接质量的缺陷时,应清除后方可再焊。在连续焊接过程中应控制焊接区母材温度,使层间温度的上、下限符合工艺文件要求。遇有中断施焊的情况,应采取适当的后热、保温措施,再次焊接时重新预热温度应高于初始预热温度;
2坡口底层焊道采用焊条手工电弧焊时宜使用不大于φ4mm的焊条施焊,底层根部焊道的最小尺寸应适宜,但最大厚度不应超过6mm。
6.1.10 栓钉焊施焊环境温度低于0□时,打弯试验的数量应增加1%;当焊钉采用手工电弧焊和气体保护电弧焊焊接时,其预热温度应符合相应工艺的要求。
6.1.11 塞焊和槽焊可采用手工电弧焊、气体保护电弧焊及自保护电弧焊等焊接方法。平焊时,应分层熔敷焊缝,每层熔渣冷却凝固后,必须清除方可重新焊接;立焊和仰焊时,每道焊缝焊完后,应待熔渣冷却并清除后方可施焊后续焊道。
6.1.12 电渣焊和气电立焊不得用于焊接调质钢。
6.2 焊接预热及后热
6.2 焊接预热及后热
6.2.1 除电渣焊、气电立焊外,Ⅰ、Ⅱ类钢材匹配相应强度级别的低氢型焊接材料并采用中等热输入进行焊接时,板厚与最低预热温度要求宜符合表6.2.1的规定。

实际工程结构施焊时的预热温度,尚应满足下列规定:
1 根据焊接接头的坡口形式和实际尺寸、板厚及构件拘束条件确定预热温度。焊接坡口角度及间隙增大时,应相应提高预热温度;
2 根据熔敷金属的扩散氢含量确定预热温度。扩散氢含量高时应适当提高预热温度。当其它条件不变时,使用超低氢型焊条打底预热温度可降低25~50口。二氧化碳气体保护焊当气体含水量符合本规程3.0.8条的要求或使用富氩混合气体保护焊时,其熔敷金属扩散氢可视同低氢型焊条;
3 根据焊接时热输入的大小确定预热温度。当其它条件不变时,热输入增大5kJ/cm,预热温度可降低25~50□。电渣焊和气电立焊在环境温度为0□以上施焊时可不进行预热;
4 根据接头热传导条件选择预热温度。在其它条件不变时,T形接头应比对接接头的预热温度高25~50□。但T形接头两侧角焊缝同时施焊时应按对接接头确定预热温度。
5根据施焊环境温度确定预热温度。操作地点环境温度低于常温时(高于0□),应提高预热温度15~25□。
6.2.2 预热方法及层间温度控制方法应符合下列规定:
1 焊前预热及层间温度的保持宜采用电加热器、火焰加热器等加热,并采用专用的测温仪器测量;
2 预热的加热区域应在焊接坡口两侧,宽度应各为焊件施焊处厚度的1.5倍以上,且不小于100mm;预热温度宜在焊件反面测量,测温点应在离电弧经过前的焊接点各方向不小于75mm处;当用火焰加热器预热时正面测温应在加热停止后进行。
6.2.3 当要求进行焊后消氢处理时,应符合下列规定:
3 消氢处理的加热温度应为200~250□,保温时间应依据工件板厚按每25mm板厚不小于0.5h、且总保温时间不得小于1h确定。达到保温时间后应缓冷至常温;
4 消氢处理的加热和测温方法按6.2.2条的规定执行。
6.2.4 口、口类钢材的预热温度、层间温度及后热处理应遵守钢厂提供的指导性参数要求,或3.0.3条的规定执行。
6.3 防止层状撕裂的工艺措施
6.3 防止层状撕裂的工艺措施
6.3.1 T形接头、十字接头、角接接头焊接时,宜采用以下防止板材层状撕裂的焊接工艺措施:
1 采用双面坡口对称焊接代替单面坡口非对称焊接;
2 采用低强度焊条在坡口内母材板面上先堆焊塑性过渡层;
3 口类及口类以上钢材箱形柱角接接头当板厚大于、等于80mm时,板边火焰切割面宜用机械方法去除淬硬层(见图6.3.1-3);

4采用低氢型、超低氢型焊条或气体保护电弧焊施焊;
5提高预热温度施焊。
6.4 控制焊接变形的工艺措施
6.4 控制焊接变形的工艺措施
6.4.1 宜按下列要求采用合理的焊接顺序控制变形:
1对于对接接头、T形接头和十字接头坡口焊接,在工件放置条件允许或易于翻身的情况下,宜采用双面坡口对称顺序焊接;对于有对称截面的构件,宜采用对称于构件中和轴的顺序焊接;
2 对双面非对称坡口焊接,宜采用先焊深坡口侧部分焊缝、后焊浅坡口侧、最后焊完深坡口侧焊缝的顺序;
3 对长焊缝宜采用分段退焊法或与多人对称焊接法同时运用;
4 宜采用跳焊法,避免工件局部加热集中。
6.4.2 在节点形式、焊缝布置、焊接顺序确定的情况下,宜采用熔化极气体保护电弧焊或药芯焊丝自保护电弧焊等能量密度相对较高的焊接方法,并采用较小的热输入。
6.4.3 宜采用反变形法控制角变形。
6.4.4 对一般构件可用定位焊固定同时限制变形;对大型、厚板构件宜用刚性固定法增加结构焊接时的刚性。
6.4.5 对于大型结构宜采取分部组装焊接、分别矫正变形后再进行总装焊接或连接的施工方法。
6.5 焊后消除应力处理
6.5 焊后消除应力处理
6.5.1 设计文件对焊后消除应力有要求时,根据构件的尺寸,工厂制作宜采用加热炉整体退火或电加热器局部退火对焊件消除应力,仅为稳定结构尺寸时可采用振动法消除应力;工地安装焊缝宜采用锤击法消除应力。
6.5.2 焊后热处理应符合现行国家标准《碳钢、低合金钢焊接构件焊后热处理方法》(GB/T—6046)的规定。当采用电加热器对焊接构件进行局部消除应力热处理时,尚应符合下列要求:
1 使用配有温度自动控制仪的加热设备,其加热、测温、控温性能应符合使用要求;
2 构件焊缝每侧面加热板(带)的宽度至少为钢板厚度的3倍,且应不小于200mm;
3 加热板(带)以外构件两侧尚宜用保温材料适当覆盖。
6.5.3 用锤击法消除中间焊层应力时,应使用圆头手锤或小型振动工具进行,不应对根部焊缝、盖面焊缝或焊缝坡口边缘的母材进行锤击。
6.5.4 用振动法消除应力时,应符合国家现行标准《振动时效工艺参数选择及技术要求》(JB/T—5926)的规定。
6.6 熔化焊缝缺陷返修
6.6 熔化焊缝缺陷返修
6.6.1焊缝表面缺陷超过相应的质量验收标准时,对气孔、夹渣、焊瘤、余高过大等缺陷应用砂轮打磨、铲凿、钻、铣等方法去除,必要时应进行焊补;对焊缝尺寸不足、咬边、弧坑未填满等缺陷应进行焊补。
6.6.2 经无损检测确定焊缝内部存在超标缺陷时应进行返修,返修应符合下列规定:
1 返修前应由施工企业编写返修方案;
2 应根据无损检测确定的缺陷位置、深度,用砂轮打磨或碳弧气刨清除缺陷。缺陷为裂纹时,碳弧气刨前应在裂纹两端钻止裂孔并清除裂纹及其两端各50mm长的焊缝或母材;
3 清除缺陷时应将刨槽加工成四侧边斜面角大于10°的坡口,并应修整表面、磨除气刨渗碳层,必要时应用渗透探伤或磁粉探伤方法确定裂纹是否彻底清除;
4 焊补时应在坡口内引弧,熄弧时应填满弧坑;多层焊的焊层之间接头应错开,焊缝长度应不小于100mm;当焊缝长度超过500mm时,应采用分段退焊法;
5 返修部位应连续焊成。如中断焊接时,应采取后热、保温措施,防止产生裂纹。再次焊接前宜用磁粉或渗透探伤方法检查,确认无裂纹后方可继续补焊;
6 焊接修补的预热温度应比相同条件下正常焊接的预热温度高,并应根据工程节点的实际情况确定是否需用采用超低氢型焊条焊接或进行焊后消氢处理;
7 焊缝正、反面各作为一个部位,同一部位返修不宜超过两次;
8 对两次返修后仍不合格的部位应重新制订返修方案,经工程技术负责人审批并报监理工程师认可后方可执行;
9 返修焊接应填报返修施工记录及返修前后的无损检测报告,作为工程验收及存档资料。
6.6.3 碳弧气刨应符合下列规定:
1 碳弧气刨工必须经过培训合格后方可上岗操作;
2 如发现“夹碳”,应在夹碳边缘5~10mm处重新起刨,所刨深度应比夹碳处深2~3mm;发生“粘渣”时可用砂轮打磨。Q420、Q460及调质钢在碳弧气刨后,不论有无“夹碳”或“粘渣”,均应用砂轮打磨刨槽表面,去除淬硬层后方可进行焊接。
7 焊接质量检查
7.1 一般规定
7 焊接质量检查
7.1 一般规定
7.1.1 质量检查人员应按本规程及施工图纸和技术文件要求,对焊接质量进行监督和检查。
7.1.2 质量检查人员的主要职责应为:
1 对所用钢材及焊接材料的规格、型号、材质以及外观进行检查,均应符合图纸和相关规程、标准的要求;
2 监督检查焊工合格证及认可施焊范围;
3 监督检查焊工是否严格按焊接工艺技术文件要求及操作规程施焊;
4 对焊缝质量按照设计图纸、技术文件及本规程要求进行验收检验。
7.1.3 检查前应根据施工图及说明文件规定的焊缝质量等级要求编制检查方案,由技术负责人批准并报监理工程师备案。检查方案应包括检查批的划分、抽样检查的抽样方法、检查项目、检查方法、检查时机及相应的验收标准等内容。
7.1.4 抽样检查时,应符合下列要求:
1 焊缝处数的计数方法:工厂制作焊缝长度小于等于1000mm时,每条焊缝为1处;长度大于1000mm时,将其划分为每300mm为1处;现场安装焊缝每条焊缝为1处;
2 可按下列方法确定检查批:
1)按焊接部位或接头形式分别组成批;
2)工厂制作焊缝可以同一工区(车间)按一定的焊缝数量组成批;多层框架结构可以每节柱的所有构件组成批;
3)现场安装焊缝可以区段组成批;多层框架结构可以每层(节)的焊缝组成批。
3批的大小宜为300~600处;
4抽样检查除设计指定焊缝外应采用随机取样方式取样。
7.1.5 抽样检查的焊缝数如不合格率小于2%时,该批验收应定为合格;不合格率大于5%时,该批验收应定为不合格;不合格率为2%~5%时,应加倍抽检,且必须在原不合格部位两侧的焊缝延长线各增加一处,如在所有抽检焊缝中不合格率不大于3%时,该批验收应定为合格,大于3%时,该批验收应定为不合格。当批量验收不合格时,应对该批余下焊缝的全数进行检查。当检查出一处裂纹缺陷时,应加倍抽
查,如在加倍抽检焊缝中未检查出其它裂纹缺陷时,该批验收应定为合格,当检查出多处裂纹缺陷或加倍抽查又发现裂纹缺陷时,应对该批余下焊缝的全数进行检查。
7.1.6 所有查出的不合格焊接部位应按6.6节的规定予以补修至检查合格。
7.2 外观检验
7.2 外观检验
7.2.1 所有焊缝应冷却到环境温度后进行外观检查,口、口类钢材的焊缝应以焊接完成24h后检查结果作为验收依据,口类钢应以焊接完成48h后的检查结果作为验收依据。
7.2.2 外观检查一般用目测,裂纹的检查应辅以5倍放大镜并在合适的光照条件下进行,必要时可采用磁粉探伤或渗透探伤,尺寸的测量应用量具、卡规。
7.2.3 焊缝外观质量应符合下列规定:
1 一级焊缝不得存在未焊满、根部收缩、咬边和接头不良等缺陷,一级焊缝和二级焊缝不得存在表面气孔、夹渣、裂纹和电弧擦伤等缺陷;
2 二级焊缝的外观质量除应符合本条第一款的要求外,尚应满足表7.2.3的有关规定;
3 三级焊缝的外观质量应符合表7.2.3的有关规定。
7.2.4 焊缝尺寸应符合下列规定:
1 焊缝焊脚尺寸应符合表7.2.4-1的规定:
2 焊缝余高及错边应符合表7.2.4-2的规定。



7.2.5 栓钉焊焊后应进行打弯检查。合格标准:当焊钉打弯至30°时,焊缝和热影响区不得有肉眼可见的裂纹,检查数量应不小于焊钉总数的1%。
7.2.6 电渣焊、气电立焊接头的焊缝外观成形应光滑,不得有未熔合、裂纹等缺陷;当板厚小于30mm时,压痕、咬边深度不得大于0.5mm;板厚大于或等于30mm时,压痕、咬边深度不得大于1.0mm。
7.3 无损检测
7.3 无损检测
7.3.1无损检测应在外观检查合格后进行。
7.3.2 焊缝无损检测报告签发人员必须持有相应探伤方法的口级或口级以上资格证书。
7.3.3 设计要求全焊透的焊缝,其内部缺陷的检验应符合下列要求:
1一级焊缝应进行100%的检验,其合格等级应为现行国家标准《钢焊缝手工超声波探伤方法及质量分级法》(GB11345)B级检验的口级及口级以上;
2二级焊缝应进行抽检,抽检比例应不小于20%,其合格等级应为现行国家标准《钢焊缝手工超声波探伤方法及质量分级法》(GB11345)B级检验的口级及口级以上;
3 全焊透的三级焊缝可不进行无损检测。
7.3.4 焊接球节点网架焊缝的超声波探伤方法及缺陷分级应符合国家现行标准《焊接球节点钢网架焊缝超声波探伤及质量分级法》(JG/T3034.1)的规定。
7.3.5 螺栓球节点网架焊缝的超声波探伤方法及缺陷分级应符合国家现行标准《螺栓球节点钢网架焊缝超声波探伤及质量分级法》(JG/T3034.2)的规定。
7.3.6 箱形构件隔板电渣焊焊缝无损检测结果除应符合第7.3.3条的有关规定外,还应按附录C进行焊缝熔透宽度、焊缝偏移检测。
7.3.7 圆管T、K、Y节点焊缝的超声波探伤方法及缺陷分级应符合附录D的规定。
7.3.8 设计文件指定进行射线探伤或超声波探伤不能对缺陷性质作出判断时,可采用射线探伤进行检测、验证。
7.3.9射线探伤应符合现行国家标准《钢熔化焊对接接头射线照相和质量分级》(GB 3323)的规定,射线照相的质量等级应符合AB级的要求。一级焊缝评定合格等级应为《钢熔化焊对接接头射线照相和质量分级》(GB 3323)的Ⅱ级及Ⅱ级以上,二级焊缝评定合格等级应为《钢熔化焊对接接头射线照相和质量分级》(GB 3323)的Ⅲ级及Ⅲ级以上。
7.3.10 下列情况之一应进行表面检测:
1 外观检查发现裂纹时,应对该批中同类焊缝进行100%的表面检测;
2 外观检查怀疑有裂纹时,应对怀疑的部位进行表面探伤;
3 设计图纸规定进行表面探伤时;
4 检查员认为有必要时。
7.3.11 铁磁性材料应采用磁粉探伤进行表面缺陷检测。确因结构原因或材料原因不能使用磁粉探伤时,方可采用渗透探伤。
7.3.12 磁粉探伤应符合国家现行标准《焊缝磁粉检验方法和缺陷磁痕的分级》(JB/T 6061)的规定,渗透探伤应符合国家现行标准《焊缝渗透检验方法和缺陷迹痕的分级》(JB/T 6062)的规定。
7.3.13 磁粉探伤和渗透探伤的合格标准应符合本章中外观检验的有关规定。
8 焊接补强与加固
8 焊接补强与加固
8.0.1 建筑钢结构的补强和加固设计应符合现行有关钢结构加固技术标准的规定。补强与加固的方案应由设计、施工和业主等共同确定。
8.0.2 编制补强或加固设计方案时,必须具备下列技术资料:
1 原结构的设计计算书和竣工图,当缺少竣工图时,应测绘结构的现状图;
2 原结构的施工技术档案资料,包括钢材的力学性能、化学成分和有关的焊接性能试验资料,必要时应在原结构构件上截取试件进行试验;
3 原结构的损坏变形和锈蚀检查记录及其原因分析,并根据损坏及锈蚀情况确定杆件(或零件)的实际有效截面;
4 现有结构的实际荷载资料。
8.0.3 钢结构的补强或加固设计,应考虑时效对钢材塑性的不利影响,不应考虑时效后钢材屈服强度的提高值。在确认原结构钢材具有良好焊接性能后方可采用焊接方法。
8.0.4 补强与加固宜不影响生产,尽可能做到施工方便并应满足安全可靠的要求。对于受气相腐蚀介质作用的钢结构构件,当腐蚀削弱平均量超过构件厚度的25%时,应根据所处腐蚀环境按现行国家标准《工业建筑防腐蚀设计规范》(GB 50046)进行分类,并对钢材的强度设计值乘以下列降低系数:
弱腐蚀 0.95;
中等腐蚀 0.9;
强腐蚀 0.85。
8.0.5 钢结构的补强或加固,可采用下列两种方法:
1 卸荷补强或加固:在原位置使构件完全卸荷,或将构件拆下进行补强或加固;
2 负荷状态下的补强或加固:在原位置上未经卸荷或仅部分卸荷状态下进行补强或加固。
8.0.6 负荷状态下进行补强与加固时,应符合下列规定:
1 卸除作用于结构上的活荷载;
2 根据加固时的实际荷载(包括必要的施工荷载),对构件和连接进行承载力验算,尽量卸除结构上的荷载。当原有构件中实际有效截面的名义应力与其所用钢材的强度设计值之间的比值β≤0.8(对承受静态荷载或间接承受动态荷载的构件),或β≤0.4(承受动态荷载的构件)时方可进行补强或加固;
3 在受拉构件中,加固焊缝的方向应与构件中拉应力方向基本一致。
4 用圆钢、小角钢组成的轻型桁架钢结构不宜在负荷状态下进行焊接补强和加固。
5 轻钢结构中的受拉构件严禁在负荷状态下进行焊接补强和加固。
8.0.7 在负荷状态下用焊接方法补强或加固时,必须考虑焊接过程中因瞬时受热造成局部范围内钢材力学性能降低的因素。除结构应尽可能卸荷外,尚应根据具体情况采取下列安全措施:
1 做好临时支护;
2 采用合理的焊接工艺。
8.0.8 对有缺损的钢构件应按钢结构加固技术标准对其承载能力进行评估,并采取相应措施进行修补。当缺损性质严重、影响结构的安全时,应立即采取卸荷加固措施。对一般缺损,可按下列方法进行焊接修复或补强:
1 当缺损为裂纹时,应精确查明裂纹的起止点,在起止点钻直径为12~16 mm的止裂孔,并根据具体情况采用下列方法修补:
1)补焊法:用碳弧气刨或其它方法清除裂纹并加工成侧边大于10°的坡口,当采用碳弧气刨加工坡口时,应磨掉渗碳层。应采用低氢型焊条按全焊透对接焊缝的要求进行补焊。补焊前宜按本规程第6.2.2条的规定将焊接处预热至100~150□。对承受动荷载的结构尚应将补焊焊缝的表面磨平;
2)双面盖板补强法:补强盖板及其连接焊缝应与构件的开裂截面等强,并应采取适当的焊接顺序,以减少焊接残余应力和焊接变形。
2 对孔洞类缺损的修补:应将孔边修整后采用两面加盖板的方法补强;
3 当构件的变形不影响其承载能力或正常使用时,可不进行处理;否则应根据变形的大小采用下列方法处理:
1)当变形不大时,应先处理构件的其它缺陷,然后在部分卸载的情况下,宜采用冷加工法矫正;若采用热加工矫正时,其加热温度对调质钢应不大于590口,对其它钢种应不大于650口。钢材的加热温度高于315口时,应在空气中自然冷却,禁止用浇水等方法加速冷却;
2)当变形较大,且难以矫正时,应采取加固措施或更换构件。
8.0.9 焊缝的补强与加固应符合下列要求:
1 当焊缝缺陷超出容许值时,应按本规程第6.6节的规定进行返修。在处理原有结构的焊缝缺陷时,应根据处理方案对结构安全影响的程度,分别采取卸荷补焊或负荷状态下补焊;
2 角焊缝补强宜采用增加原有焊缝长度(包括增加端焊缝)或增加焊缝计算厚度的方法。
1)当负荷状态下采用加大焊缝厚度的方法补强时,被补强焊缝的长度应不小于50mm,同时原有焊缝在加固时的应力尚应符合下式要求:

2)补强或加固后的焊缝,其长度与厚度均应符合现行国家标准《钢结构设计规范》(GB 50017)的规定。
8.0.10 用于补强或加固的零件及焊缝宜对称布置。加固焊缝不宜密集、交叉布置,不宜与受力方向垂直。在高应力区和应力集中处,不宜布置加固焊缝。
8.0.11 用焊接方法补强铆接或普通螺栓连接时,补强后接头的全部荷载应由焊缝承担。
8.0.12 高强度螺栓连接的构件用焊接方法加固时,高强度螺栓摩擦型连接的抗滑力可与焊缝共同工作,但两种连接各自的计算承载力的比值应在1.0~1.5范围内。
8.0.13 补强与加固施焊前应清除待焊区域两侧各50 mm范围内的灰尘、铁锈、油漆和其它杂物。
8.0.14 负荷状态下焊接补强或加固施工应符合下列要求。
1 施工工艺的制定原则应符合下列要求:
1)对结构最薄弱的部位或构件应先进行补强或加固;
2)对能立即起到补强或加固作用,且对原结构影响较小的部位或杆件先施焊;
3)加大焊缝厚度时,必须从原焊缝受力较小部位开始施焊。每次熔敷的焊缝厚度不宜大于2mm;当需要多道施焊时,层间温度应不高于预热温度;
4)应根据结构钢材材质,选择相应的低氢型焊条,焊条直径不宜大于4.0mm;
5)焊接电流不宜大于200A;
6)应制订合理的焊接工艺,采取有效控制焊接变形的措施。施焊顺序应尽可能使输入热量对构件的中和轴平衡。
2 施工单位应对施工荷载进行核算,并应严格控制,实际施工时的荷载值不得超过加固设计时所取的施工荷载值;
3 焊接补强或加固的施工环境温度不宜低于10℃。
9 焊工考试
9.1 一般规定
9 焊工考试
9.1 一般规定
9.1.1 凡从事建筑钢结构制作和安装施工的焊工,应进行理论知识考试和操作技能考试,并应符合本章的各项规定。
9.1.2 操作技能考试包括熔化焊手工操作技能基本考试、附加考试、定位焊考试和机械操作技能考试;取得熔化焊手工操作技能基本考试和附加考试资格的焊工,均应认定为具备相应的定位焊操作资格。
9.1.3 进行资格考试的焊工应根据已经评定合格的焊接工艺参数进行焊接。
9.1.4 焊工资格考试的焊接工艺方法分类宜符合下列规定:
1 手工操作技能
手工电弧焊;熔化极气体保护焊(包括实芯焊丝及药芯焊丝);药芯焊丝自保护焊;非熔化极气体保护焊;
2 机械操作技能
埋弧焊;熔化极气体保护焊;电渣焊(包括丝极、板极和熔嘴电渣焊);气电立焊;栓钉焊。
9.1.5 焊工考试应由施工企业的焊工技术考试委员会组织和管理,其组成及职责应符合下列要求:
1 企业焊工技术考试委员会应由企业主管经理、技术负责人和技术管理、安全、教育、劳资等部门的代表、焊接主管工程师、中高级检验人员、考试监督人员等组成,实际操作技能考试监督人员应由熟练焊工或焊接技师担任。考试委员会可设办事机构主持日常工作;
2 企业焊工技术考试委员会应报经国家主管部门授权的上级管理机构认证、审批;
3 企业焊工技术考试委员会的职责应为:确定报考项目及试题;监督考试过程;评定考试结果;核实免试及延长有效期资格;提供试件焊接工艺;建立健全焊工考试档案管理制度;监督、记录焊工生产合格率并纳入焊工档案管理。
9.1.6 焊工应经理论知识考试合格后方可参加操作技能考试。
9.1.7 除另有要求外,考试用试板在焊前、焊后均不得进行包括热处理、锤击、预热、后热在内的任何处理。试板坡口应光洁平整并清除其表面的水、油污、锈蚀等。
9.1.8 焊前试板应打上焊工代码钢印和考试项目标识。水平固定或45°固定的管子还应参照时钟位置打上焊接位置的钟点标识。
9.1.9 除机械操作技能考试外,考试试板不得加引弧板、引出板;考试试板必须按考试规定的位置放置且不应刚性固定。
9.1.10 考试焊工应独立进行各项操作。焊接开始后不得随意更换试板,不得改变焊接方向和焊接位置。
9.1.11 考试用的焊条、焊剂应按规定烘干,随用随取。焊丝必须清除油污、锈蚀等污物。采用手工电弧焊进行定位焊时应使用直径为3.2mm的焊条,其它考试项目焊接材料的规格应符合工艺评定的要求。
9.1.12 单面坡口或双面坡口且要求全焊透的焊缝,可清根和清根后打磨。
9.1.13 考试过程中,不得对层间和表面焊缝进行打磨或修补,但焊后应将焊渣、飞溅等清除干净。
9.2 考试内容及分类
9.2 考试内容及分类
9.2.1 焊工资格考试包括理论知识考试和操作技能考试两部分。
9.2.2 理论知识考试应以焊工必须掌握的基础知识及安全知识为主要内容,并应按申报焊接方法、类别对应出题,内容范围应符合下列规定:
1 焊接安全知识(《焊接与切割安全》GB 9448);
2焊缝符号识别能力(《焊缝符号表示法》GB 324、《气焊、手工电弧焊及气体保护焊焊缝坡口的基本形式和尺寸》GB 985);
3焊缝外形尺寸要求(《钢结构外形尺寸》GB 10854);
4焊接方法表示代号(《金属焊接及钎焊方法在图样上的表示代号》GB 5185);
5 所报考试焊接方法的特点:焊接工艺参数、操作方法、焊接顺序及其对焊接质量的影响;
6焊接质量保证、缺陷分级(《焊接质量保证钢熔化焊接头的要求和缺陷分级》GB/T 12469);
7 建筑钢结构的焊接质量要求。应符合有关钢结构施工验收规程、规范的要求;
8 与报考类别相适应的焊接材料型号、牌号及使用、保管要求(《碳钢焊条》GB/T 5117、 《低合金钢焊条》GB/T 5118、《熔化焊用钢丝》GB/T14957、《气体保护焊用碳钢、低合金钢焊丝》GB/T 8110、 《碳钢药芯焊丝》GB 10045及《低合金钢药芯焊丝》GB/T 17493、 《埋弧焊用碳钢焊丝和焊剂》GB/T 5293、 《低合金钢埋弧焊用焊剂》GB/T 12470);
9 报考类别的钢材型号、牌号标志和主要合金成分、力学性能及焊接性能;
10焊接设备、装备名称、类别、使用及维护要求。应符合一般常规型号;
11焊接缺陷分类及定义、形成原因及防止措施的一般知识(《金属熔化焊焊缝缺陷分类》GB 6417);
12 焊接热输入与焊接规范参数的换算及热输入对性能影响的一般关系;
13 焊接应力、变形产生原因、防止措施及热处理的一般知识。
9.2.3 操作技能考试应以检验焊工的操作技能为原则,以检验焊工遵循工艺指令能力及完成致密焊缝能力为主。其分类及适应认可范围应符合表9.2.3规定。

9.3 手工操作技能基本考试
9.3 手工操作技能基本考试
9.3.1 考试试件钢材分类及认可范围应符合表9.3.1规定。

9.3.2 焊接材料分类及认可范围应符合下列规定:
1 药皮焊条及认可范围应符合表9.3.2的规定;
2 专用焊条如打底专用焊条、向下立焊焊条应单独进行考试;
3 气体保护焊气体介质及非熔化极气体保护焊钨极种类不作考试分类。

9.3.3 考试试件板材厚度、管材外径的分类及认可范围,应符合表9.3.3-1和表9.3.3-2的规定。

9.3.4 焊缝类型和焊接位置的分类及认可范围应符合表9.3.4的规定。

9.3.5 各种焊接位置加垫板的试件可用不加垫板的坡口全焊透焊缝考试来代替,但不能反之。背面加垫板的考试试件代号应为D,不加垫板可省略。
9.3.6 手工操作技能基本考试代号省略,附加考试代号为建附。
9.3.7 手工操作技能基本考试和附加考试试件标记应符合下列规定:

9.3.8 试板试管尺寸及坡口形式应符合下列规定:
1试板尺寸及坡口形式应符合图9.3.8-1和表9.3.8-1要求;
2试管对接尺寸及坡口形式应符合图9.3.8-2和表9.3.8-2要求。


9.3.9 取样数量、位置及试样制备应符合下列规定:
1 取样数量应符合表9.3.9-1的规定:


2 板材试件、管材试件的取样位置应符合图9.3.9-1、图9.3.9-2的要求;

3 冷弯试样制备应符合现行国家标准《焊接接头机械性能试验取样法》(GB2649)中的有关规定。

9.3.10 检验方法及合格标准
1 焊缝外观检查宜用5倍放大镜目测,表面质量合格后方可进行其它项目的检验。其表面质量应符合下列要求:
1)焊缝外观尺寸应符合表9.3.10的规定;

2)焊缝边缘应圆滑平缓过渡到母材;焊缝表面不得有裂纹、夹渣、气孔、未熔合和焊瘤;咬边和表面凹陷深度应不大于0.5mm。对接焊缝两侧咬边总长应不大于焊缝全长的10%且不大于25mm;
3)焊后试板的角变形Q应不大于3°(图9.3.10);

4)焊缝错边量应不大于10%板厚且不大于2mm。
2 射线及超声波探伤:射线探伤应不低于现行国家标准《钢熔化焊对接接头射线照相和质量分级》(GB3323)规定的口级要求;超声波探伤应符合现行国家标准《钢焊缝手工超声波探伤方法和探伤结果分级》(GB 11345)规定的B1级要求;
3 冷弯检验
1)弯曲条件:弯芯直径应符合母材标准的弯曲试验要求;
2)试验方法:应符合现行国家标准《焊接接头弯曲及压扁试验方法》(GB 2653)的规定;对直径不大于60mm的管材试件,可进行压扁试验;
3)合格标准:试件拉伸面任意方向上不得有长度大于3mm的裂纹或其它缺陷,且单个试件裂纹及其它缺陷总长不得大于7mm。
9.4 手工操作技能附加考试
9.4 手工操作技能附加考试
9.4.1 手工操作技能附加考试应符合下列一般规定:
1 凡从事高层、超高层钢结构及其它大型钢结构构件制作及安装焊接的焊工,应根据钢结构的焊接节点形式、采用的焊接方法和焊工所承担的焊接工作范围及操作位置要求,由工程承包企业决定附加考试类别,并报监理工程师认可;
2 凡申报参加附加考试的焊工必须已取得相应的手工操作基本技能资格证书。
9.4.2 附加考试的焊接方法和内容应符合下列规定:
1 焊接方法分类及考试合格后的认可范围应符合表9.2.3的规定;
2 试件形式及尺寸应符合图9.4.2-1~9.4.2-4的要求,其认可范围只限于本类;

3 焊缝形式分类、代号及认可范围应符合表9.4.2-1的规定;



4 焊接位置分类、代号及认可范围应符合表9.4.2-2的规定;

5 试件用材料分类:钢材及焊条的分类、代号和认可范围应符合表9.3.1、表9.3.2的规定;气体保护焊的焊丝和保护气体不分类,代号省略;


6 各种试件标记应符合第9.3.7条的规定。
标记示例:横向焊接位置、手工电弧焊、Ⅱ类钢材、(c)类焊材、对接与角接组合焊缝、加垫板的手工操作技能附加考试表示为建附H1Ⅱ(c)CьD。
9.4.3 检验项目、方法及合格标准应符合下列规定:
1 考试试件的检验项目应符合表9.4.3-1的规定。

2 检验方法
1)外观检验:宜用5倍放大镜目测;
2)无损探伤:射线探伤应符合现行国家标准《钢熔化焊对接接头射线照相和质量分级》(GB 3323)的规定,超声波探伤应符合现行国家标准《钢焊缝手工超声波探伤方法和探伤结果分级》(GB11345)的规定;
3)弯曲试验:对接、角接及对接与角接组合焊缝接头弯曲试验应符合现行国家标准《焊接接头弯曲及压扁试验法》(GB 2653)的规定;弯曲条件应符合母材标准的规定;试样尺寸应符合图9.4.2-1和图9.4.2-3要求。
3 焊缝合格标准
1)焊缝外观应符合下列要求:
试件焊缝表面无裂纹、未焊满、未熔合、气孔、夹渣、焊瘤等缺陷;
焊缝咬边深度不大于0.5mm,两侧咬边总长不超过焊缝长度的10%,且不大于25mm;
焊缝错边量不大于10%板厚,且不大于2mm。
2)焊缝外形尺寸应符合表9.4.3-2要求;

3)焊缝内部缺陷合格标准:射线探伤应符合口级及口级以上的规定;超声波探伤应符合BI级的规定;
4)冷弯试验合格标准:对接与角接接头每个冷弯试样表面任意方向裂纹及其它缺陷单个长度不得大于3mm:每个试样中长度不大于3mm的缺陷总长不得大于7mm;4个试样中所有缺陷总长不得大于24mm:以上各项检验应全部合格。
9.5 手工操作技能定位焊考试
9.5 手工操作技能定位焊考试
9.5.1定位焊只进行手工电弧焊考试,考试分类与认可范围应符合第9.3节中的有关规定。试件代号及排列方法应符合下列规定:

标记示例:横焊位置、Ⅱ类钢材、(b)类焊材定位焊考试表示为定HⅡ(b)。
9.5.2 试件形式和考试方法应符合下列规定:
1 试件形式应符合图9.5.2-1要求;
2 检验方法应符合图9.5.2-2要求,可采用任意的简便方法加载至试件断裂;


3 试验结果合格标准
1)定位焊焊缝外观检验:表面应均匀,无裂纹、未熔合、气孔、夹渣、焊瘤等缺焰;焊缝咬边深度应不大于0.5mm,且两侧咬边总长应不超过焊缝长度的10%;
2)断面检验:焊缝应焊透至根部,不得有未熔合和直径大于1mm的气孔、夹渣。
9.6机械操作技能考试
9.6机械操作技能考试
9.6.1 考试分类与认可范围应符合下列规定:
1 钢材分类代号与认可范围应符合表9.3.1的规定;
2 焊接材料分类及认可范围:机械操作技能考试所用焊接材料、保护介质应根据被焊钢材种类按焊接工艺文件选配,焊工考试不做规定;
3 焊接方法分类及认可范围应符合表9.2.3的规定;
4 钢材厚度、管材外径的分类及认可范围应符合表9.6.11和9.6.1-2的规定;


5 焊缝类型及认可范围应符合表9.6.1-3的规定;

6 焊接位置分类代号及认可范围应符合表9.6.1-4的规定;

7 考试试件标记应符合第9.3.7条规定。
标记示例:平焊位置、埋弧焊、Ⅱ类钢材、板材对接、试件背面加垫板试件表示为F5ⅡBD。

9.6.2 考试试件尺寸及坡口形式应符合下列规定:
1 埋弧焊及熔化极气体保护焊操作技能考试试件尺寸应符合图9.6.2-1要求;对于管径小于600mm管材的考试试件尺寸可根据产品形式和焊接工艺指导书要求由考试单位自行确定;
2 电渣焊、气电立焊操作技能考试试板尺寸及试样取样位置应符合图9.6.2-2要求。焊接试件应根据焊接工艺要求加引弧板、收弧板:
3栓钉焊考试试件及试样尺寸应符合图9.6.2-3要求。
9.6.3 检验项目、方法与合格标准应符合下列规定:
1 考试试板的检验项目应符合表9.6.3-1规定;

2 检验方法及合格标准
1)外观检验
坡口对接焊缝和角接焊缝外形尺寸应符合表9.6.3-2的要求,其它外观质量应符合第9.3.10条的规定;栓钉焊接头外观与外形尺寸应符合表9.6.3-3的要求。

2)焊缝内部无损检测:检测前应将背面垫板用机械方法加工去除。射线探伤应符合现行国家标准《钢熔化焊对接接头射线照相和质量分级》(GB 3323)中Ⅱ级或Ⅱ级以上的规定,超声波探伤应符合《钢焊缝手工超声波探伤方法和探伤结果分级》(GB11345)中BⅠ级的规定。

3)弯曲、宏观及拉伸试验
对接接头冷弯试样制备应符合图9.6.2-1(a)、图9.6.2-2的要求,弯曲试验应符合现行国家标准《焊接接头弯曲及压扁试验法》(GB 2653)的规定,试样冷弯至规定角度后,试样表面任意方向的裂纹及其它缺陷单个长度应不大于3mm、,且单个试样裂纹及其它缺陷总长应不大于7mm;角接焊缝弯曲试样的制备应符合图9.6.2-1(b)的要求,弯曲试验可以简便的方法持续加载或重复加载,使焊缝根部受力,直至试样断裂或压弯到两板平贴。
宏观试验应符合现行国家标准《钢的低倍组织及缺陷腐蚀试验法》(GB 226)的规定;
栓钉焊接头弯曲试样、拉伸试样制取应符合图9.6.2-3(b)的要求。试样打弯到30°后,焊接区应无裂纹(图9.6.3-1);试样拉伸至破坏后,不应在焊缝处断裂(图9.6.3-2)。
9.7 考试记录、复试、补考、重考、免试和证书
9.7 考试记录、复试、补考、重考、免试和证书
9.7.1 焊工考试宜按附录E-1记录考试结果。
9.7.2 每一考试项目中仅有一个试样不合格时,可进行复试。复试时,应重新焊接一块试板进行全部试验,试样检验应全部合格该项目方为合格,否则为不合格。同一焊工每次考试复试次数应不超过一次。
9.7.3 按本章规定进行考试的焊工,应由企业焊工技术考试委员会审核其合格项目,并报上级管理机构审批颁发焊工合格证书。焊工合格证有效期为3年,样式和内容宜符合附录E-2的要求。
9.7.4 焊工资格认可的合格证有效期终止前应重新进行考试、换证。重考应符合下列规定:
1 重考应进行理论知识及操作技能考试。应对合格证认可资格科目中最难的科目进行操作技能重新考试;
2 重考合格后应由企业焊工技术考试委员会审核并持原合格证上报,由原发证的上级管理机构核发新的焊工合格证;
3 重考时持有合格证的焊工亦可申请参加比原认可资格更难的资格考试,考试合格后上报、核发新的资格合格证,考试不合格则该焊工必须参加原合格证中最难科目的重考;
4 持续中断焊接操作时间超过半年的原合格焊工重新参加焊接工作时,必须进行原认可资格科目的重新考试。该重考可免去理论知识考试,考试试件可不进行冷弯项目检验。
9.7.5 合格证有效期满后免试应遵守下列规定:
持证焊工在规定的认可范围内工作并在合格证的有效期内,焊接质量一贯优良,探伤合格率保持在射线探伤不小于90%、超声波探伤不小于98%时,可经焊工所在企业的技术管理、质量检验两个部门的主管签字认可,由企业焊工技术考试委员会核准后报原发证的上级管理机构予以免试,准予免试的焊工资格证书有效期延长不得超过3年,且不得连续免试。
9.7.6 合格证注销应符合下列规定:
1 焊工在生产过程中施焊焊缝质量一贯低劣,经质量检查部门提出,由企业焊工技术考试委员会核准可注销其合格证,同时应报上级管理机构备案。被注销合格证的焊工可重新申请参加焊工考试,合格后方可允许在规定的认可范围进行焊接工作;
2 有伪造经历、弄虚作假、涂改合格证或超越合格证认可范围施焊者,企业焊工技术考试委员会可取消其考试资格或注销其资格证书,并应报上级管理机构备案。
附录 A 钢板厚度方向性能级别及其含硫量、断面收缩率值
附录A 钢板厚度方向性能级别及其含硫量、断面收缩率值

附录 B 建筑钢结构焊接工艺评定报告格式
附录B 建筑钢结构焊接工艺评定报告格式










附录 C 箱形柱(梁)内隔板电渣焊焊缝焊透宽度的测量
附录C 箱形柱(梁)内隔板电渣焊焊缝焊透宽度的测量
行扫查,并对两端各50+t
1范 围进行全面扫查(图C.0.1)。

C.0.2 焊接前必须在面板外侧标记上焊接预定线,探伤时应以该预定线为基准线。
C.0.3 应把探头从焊缝一侧移动至另一侧,底波高度达到40%时的探头中心位置作为焊透宽度的边界点,两侧边界点间距即为焊透宽度。
C.0.4 缺陷指示长度的测定应符合下列规定:
1 焊透指示宽度不足
将按第C.0.3条规定扫查求出的焊透指示宽度小于隔板尺寸的沿焊缝长度方向的范围作为缺陷指示长度;
2 焊透宽度的边界点错移
将焊透宽度边界点向焊接预定线内侧沿焊缝长度方向错位超过3mm的范围作为缺陷指示长度;
3缺陷在焊缝长度方向的位置以缺陷的起点表示。
附录 D 圆管 T、K、Y 节点焊缝的超声波探伤方法及缺陷分级
附录D 圆管T、K、Y节点焊缝的超声波探伤方法及缺陷分级
D.0.1 本附录适用于支管管径不小于150mm、壁厚不小于6mm、板厚外径之比在13%以下的圆钢管分支节点焊缝的超声波探伤。
D.0.2 本附录未述及的内容应符合现行国家标准《钢焊缝手工超声波探伤方法及质量分级》(GB 11345)的规定。
D.0.3 本附录所用术语应符合下列规定:
(图D.0.3)交叉角0——主管和支管相交的角度;
相贯角Ψ——从主管轴与支管轴组成的平面与支管母线形成的沿支管圆周方向的角度;
偏角θB——支管表面母线和焊缝纵截面的法线或和探伤方向所成的角度。
D.0.4探头应采选用小芯片(如6mm×6mm)、短前沿、高频率(5~6MHz)及尽可能大的折射角(或K值),且应能完成1跨距范围内整个焊缝截面的检测。

D.0.5 应选用声阻抗较大、粘度较大且易清理的耦合剂,如甘油。
D.0.6 灵敏度修正量的确定应遵守图D.0.6的要求,用与探伤所用探头规格相同的两只探头在平面试板上作一跨距一收一发测试,读取增益(或衰减)值G₁,然后在工件表面上沿轴向和实际探伤最大偏角方向分别作一跨距一收一发测试,读取G₂、G₃。TG=(G₂+G₃)/2-G₁:当TG<2dB时,可不作修正;当|G₂-G₃ | ≤4dB时,应按TG进行耦合修正;当|G₂-G₃I>4dB时,应进一步分区测试,取合适的区间分别进行修正。

D.0.7 探伤面及探伤方法应符合下列规定:
1 T、K、Y焊缝探伤应以支管表面作为探伤面,扫查时探头应与焊缝垂直;
2 可采用实测或计算机辅助计算求出探伤部位的偏角θB,并按公式D.0.7-1求出该部位探测方向的曲率半径p;

3应按公称折射角45°、60°、70°或K值(K1、K2、K3)各自能探测的范围,将焊缝划分为若干检测区,每一检测区应选用相应折射角(或K值)的探头。对应于某一曲率半径的可用的最大折射角应按公式D.0.7-2计算;

4应按公式D.0.7-3计算半跨距声程修正系数K,按公式D.0.7-4计算水平距离修正系数m;

5 缺陷位置的判定方法应符合下列要求:
1)半跨距点和1跨距点的声程W0.5、W1.0及探头与焊缝的距离Y0.5、Y1.0分别按下式计算:


2)探头与缺陷的距离Y及缺陷深度d根据读取的声程W按比例由下式近似求出:

6 缺陷评定与分级应符合下列规定:
对于中上部体积性缺陷,应根据缺陷的指示长度按表D.0.7-1予以评定,对于根部缺陷的评定应符合表D.0.7-2的规定。

附录 E 工程建设焊工考试结果登记表、合格证格式
附录E工程建设焊工考试结果登记表、合格证格式



本规程用词说明
本规程用词说明
一、为便于在执行本规程条文时区别对待,对要求严格程度不同的用词说明如下:
1 表示很严格,非这样做不可的:
正面词采用“必须”,反面词采用“严禁”;
2 表示严格,在正常情况均应这样做的:
正面词采用“应”,反面词采用“不应”或“不得”;
3 表示允许稍有选择,在条件许可时首先这样做的:
正面词采用“宜”,反面词采用“不宜”;
表示有选择,在一定条件下可这样做的,采用“可”。
二、条文中指明应按其它有关标准执行的写法,为“应符合……的规定”或“应按照……执行”。
