Appearance
《混凝土结构后锚固技术规程[附条文说明]》JGJ 145-2013
🗓️ 住房和城乡建设部 实施时间:2013-12-01
前言
中华人民共和国行业标准
混凝土结构后锚固技术规程
Technical specification for post-installed fastenings in concrete structures
JGJ 145-2013
批准部门:中华人民共和国住房和城乡建设部
施行日期:2013年12月1日
中华人民共和国住房和城乡建设部公告
第46号
住房城乡建设部关于发布行业标准《混凝土结构后锚固技术规程》的公告
现批准《混凝土结构后锚固技术规程》为行业标准,编号为JGJ 145-2013,自2013年12月1日起实施。其中,第4.3.15条为强制性条文,必须严格执行。原《混凝土结构后锚固技术规程》JGJ 145-2004同时废止。
本规程由我部标准定额研究所组织中国建筑工业出版社出版发行。
中华人民共和国住房和城乡建设部
2013年6月9日
前 言
根据住房和城乡建设部《关于印发2011年工程建设标准规范制订、修订计划的通知》(建标[2011]17号)的要求,规程编制组经广泛调查研究,认真总结实践经验,参考有关国际标准和国外先进标准,并在广泛征求意见的基础上,对《混凝土结构后锚固技术规程》JGJ 145-2004进行了修订。
本规程的主要技术内容是:1 总则;2 术语和符号;3 材料;4 设计基本规定;5 锚固连接内力计算;6 承载能力极限状态计算;7 构造措施;8 抗震设计;9 锚固施工与验收。
本规程修订的主要技术内容是:
1 增加了化学锚栓的产品性能、检验方法、施工工艺等规定;
2 对锚栓产品的选用作出了详细的规定;
3 增加了群锚中锚栓使用及布置方式的规定;
4 补充、完善了群锚内力计算方法,增加了群锚合力及偏心距计算方法;
5 增加了基材附加内力计算方法;
6 补充、完善了机械锚栓承载力计算方法;
7 增加了化学锚栓承载力计算方法;
8 补充、完善了锚栓构造措施、锚栓抗震设计、锚固施工与验收的有关内容;
9 增加了化学锚栓耐久性检验方法,补充、完善了锚固承载力现场检验方法及评定标准;
10 增加了后锚固工程质量检查记录表。
本规程中以黑体字标志的条文为强制性条文,必须严格执行。
本规程由住房和城乡建设部负责管理和对强制性条文的解释,由中国建筑科学研究院负责具体技术内容的解释。执行过程中如有意见或建议,请寄送中国建筑科学研究院(地址:北京市北三环东路30号;邮政编码:100013)。
本规程主编单位:中国建筑科学研究院
科达集团股份有限公司
本规程参编单位:国家建筑工程质量监督检验中心
天津大学建筑设计研究院
华中科技大学
慧鱼(太仓)建筑锚栓有限公司
喜利得(中国)商贸有限公司
河南省建筑科学研究院
广州市建筑材料工业研究所有限公司
本规程主要起草人员:徐福泉 王为凯 李东彬 代伟明 刘兵 邸小坛 于敬海 赵挺生 张智 潘相庆 韩继云 周国民 欧曙光 沙安
本规程主要审查人员:沙志国 尤天直 白生翔 邓宗才 李景芳 林松涛 王文栋 杨建江 杨晓明 杨志 张建荣
条文说明
中华人民共和国行业标准
混凝土结构后锚固技术规程
JGJ 145-2013
条文说明
修订说明
《混凝土结构后锚固技术规程》JGJ 145-2013,经住房和城乡建设部2013年6月9日以第46号公告批准、发布。
本规程修订过程中,编制组进行了建筑锚栓在建筑工程领域应用现状的调查研究,总结了我国建筑锚栓工程应用的实践经验,同时参考了美国规范ACI318、欧洲认证标准ETAG等国外先进技术法规、技术标准,通过群锚抗拉、抗剪试验、后锚固抗震性能试验等取得了一系列重要技术参数。
本规程上一版主编单位是中国建筑科学研究院,参编单位是中科院大连物化所、河南省建筑科学研究院、慧鱼(太仓)建筑锚栓有限公司和喜利得(中国)有限公司,规程的主要起草人员是万墨林、韩继云、邸小坛、贺曼罗、吴金虎、王稚和萧雯。
为便于广大设计、施工、科研、学校等单位有关人员在使用本规程时能正确理解和执行条文规定,《混凝土结构后锚固技术规程》编制组按章、节、条顺序编制了本规程的条文说明,对条文规定的目的、依据以及执行中需注意的有关事项进行了说明,还着重对强制性条文的强制性理由做了解释。但是,本条文说明不具备与规程正文同等的法律效力,仅供使用者作为理解和把握规程规定的参考。
1 总则
1 总 则
1.0.1 为在混凝土结构后锚固连接设计与施工中贯彻执行国家的技术经济政策,做到安全、适用、经济,保证质量,制定本规程。
条文说明
1.0.1 随着旧房改造的全面开展、结构加固工程的增多、建筑装修的普及,后锚固连接技术发展较快,并成为不可缺少的一种新型技术。后锚相应于先锚(预埋),具有施工简便、使用灵活等优点,国内外应用已相当普遍,不仅既有工程,新建工程也广泛采用。为安全可靠及经济合理的使用,正确有序地引导我国后锚固技术的健康发展,特制定本规程。
1.0.2 本规程适用于以钢筋混凝土、预应力混凝土以及素混凝土为基材的后锚固连接的设计、施工及验收;不适用于以砌体、轻骨料混凝土及特种混凝土为基材的后锚固连接。
条文说明
1.0.2 后锚固连接的受力性能与基材的种类密切相关,目前国内外的科研成果及使用经验主要集中在普通钢筋混凝土及预应力混凝土结构,砌体结构及轻混凝土结构数据较少。本着成熟可靠原则,本规程限定其适用范围为等效养护龄期超过600℃·d的普通混凝土结构基材(不包括砌体中的混凝土圈梁、构造柱),暂不适用于砌体结构和轻骨料混凝土结构基材。
1.0.3 混凝土结构后锚固连接的设计、施工与验收,除应符合本规程外,尚应符合国家现行有关标准的规定。
2 术语和符号
2.1 术语
2 术语和符号
2.1 术 语
2.1.1 混凝土结构 concrete structure
以混凝土为主制成的结构,包括素混凝土结构、钢筋混凝土结构和预应力混凝土结构等。
2.1.2 后锚固 post-installed fastening
通过相关技术手段在已有混凝土结构上的锚固。
2.1.3 锚栓 anchor
将被连接件锚固到基材上的锚固组件产品,分为机械锚栓和化学锚栓。
2.1.4 机械锚栓 mechanical anchor
利用锚栓与锚孔之间的摩擦作用或锁键作用形成锚固的锚栓,按照其工作原理分为两类:扩底型锚栓、膨胀型锚栓。
2.1.5 扩底型锚栓 undercut anchor
通过锚孔底部扩孔与锚栓组件之间的锁键形成锚固作用的锚栓,分为模扩底锚栓和自扩底锚栓。
2.1.6 膨胀型锚栓 expansion anchor
利用膨胀件挤压锚孔孔壁形成锚固作用的锚栓,分为扭矩控制式膨胀型锚栓和位移控制式膨胀型锚栓。
2.1.7 化学锚栓 adhesive anchor
由金属螺杆和锚固胶组成,通过锚固胶形成锚固作用的锚栓。化学锚栓分为普通化学锚栓和特殊倒锥形化学锚栓。
2.1.8 植筋 post-installed rebar
以专用的有机或无机胶粘剂将带肋钢筋或全螺纹螺杆种植于混凝土基材中的一种后锚固连接方法。
2.1.9 基材 base material
承载锚栓的母体结构,本规程指混凝土构件。
2.1.10 群锚 anchor group
间距不超过临界间距,共同工作的同类型、同规格的多个锚栓。
2.1.11 被连接件 fixture
将荷载传递到锚栓上的金属部件。
2.1.12 破坏模式 failure mode
荷载作用下锚固连接的破坏形式,分为锚栓钢材破坏、混凝土破坏、混合型破坏、拔出破坏、穿出破坏及界面破坏。
2.1.13 短期温度 short term temperature
锚栓正常使用期间短时期内温度的变化范围,通常指昼夜或冻融循环内温度变化范围。
2.1.14 长期温度 long term temperature
锚栓正常使用期间数周或数月内保持恒定或近似恒定的温度。
2.1.15 不开裂混凝土 uncracked concrete
正常使用极限状态下,考虑混凝土收缩、温度变化及支座位移的影响,锚固区混凝土受压。
2.1.16 开裂混凝土 cracked concrete
正常使用极限状态下,考虑混凝土收缩、温度变化及支座位移的影响,锚固区混凝土受拉。
2.2 符号
2.2 符 号
2.2.1 作用与抗力
M——弯矩;
N——轴向力;
N Rd,c ——混凝土锥体破坏受拉承载力设计值;
N Rd,p ——混合破坏受拉承载力设计值;
N Rd,s ——锚栓钢材破坏受拉承载力设计值;
N Rd,sp ——混凝土劈裂破坏受拉承载力设计值;
N Rk,c ——混凝土锥体破坏受拉承载力标准值;
N Rk,p ——混合破坏受拉承载力标准值;
N Rk,s ——锚栓钢材破坏受拉承载力标准值;
N Rk,sp ——混凝土劈裂破坏受拉承载力标准值;
N sd ——拉力设计值;
N g sd ——群锚受拉区总拉力设计值;
N h sd ——群锚中拉力最大锚栓的拉力设计值;
R——承载力;
S——作用效应;
T——扭矩;
T inst ——按规定安装,施加于锚栓的扭矩;
V——剪力;
V Rd,c ——混凝土边缘破坏受剪承载力设计值;
V Rd,cp ——混凝土剪撬破坏受剪承载力设计值;
V Rd,s ——锚栓钢材破坏受剪承载力设计值;
V Rk,c ——混凝土边缘破坏受剪承载力标准值;
V Rk,cp ——混凝土剪撬破坏受剪承载力标准值;
V Rk,s ——锚栓钢材破坏受剪承载力标准值;
V sd ——剪力设计值;
V g sd ——群锚受剪锚栓总剪力设计值;
V h sd ——群锚中剪力最大锚栓的剪力设计值。
2.2.2 材料强度
? cu,k ——混凝土立方体抗压强度标准值;
? stk ——锚栓极限抗拉强度标准值;
? yk ——锚栓屈服强度标准值;
τ Rk ——普通化学锚栓粘结强度标准值。
2.2.3 几何特征值
A c,N ——混凝土实际锥体破坏投影面面积;
A 0 c,N ——单根锚栓受拉,混凝土理想锥体破坏投影面面积;
A c,V ——混凝土实际边缘破坏在侧向的投影面面积;
A 0 c,V ——单根锚栓受剪,混凝土理想边缘破坏在侧向的投影面面积;
A s ——锚栓应力截面面积;
c——锚栓与混凝土基材边缘的距离;
c cr,N ——混凝土理想锥体受拉破坏的锚栓临界边距;
c min ——不发生安装造成的混凝土劈裂破坏的锚栓边距最小值;
d——锚栓杆、螺杆公称直径或钢筋直径;
d 0 ——化学锚栓的钻孔直径;
D——植筋的钻孔直径;
d f ——锚板孔径;
d nom ——锚栓公称外径;
h——混凝土基材厚度;
h ef ——锚栓有效锚固深度;
h min ——不发生安装造成的混凝土劈裂破坏的混凝土基材厚度的最小值;
l f ——剪切荷载下,锚栓的有效长度;
s——锚栓之间的距离;
s cr,N ——混凝土理想锥体受拉破坏的锚栓临界间距;
s min ——不发生安装造成的混凝土劈裂破坏的锚栓间距最小值;
t fix ——被连接件厚度或锚板厚度;
W el ——锚栓应力截面抵抗矩。
2.2.4 分项系数及计算系数
k——地震作用下锚固承载力降低系数;
α——化学锚栓抗拉锚固系数;
γ——化学锚栓滑移系数;
γ 0 ——锚固连接重要性系数;
γ Rc,N ——混凝土锥体破坏受拉承载力分项系数;
γ Rc,V ——混凝土边缘破坏受剪承载力分项系数;
γ Rcp ——混凝土剪撬破坏受剪承载力分项系数;
γ Rp ——混合破坏受拉承载力分项系数;
γ Rs,N ——锚栓钢材破坏受拉承载力分项系数;
γ Rs,V ——锚栓钢材破坏受剪承载力分项系数;
γ Rsp ——混凝土劈裂破坏受拉承载力分项系数;
υ N ——抗拉承载力变异系数;
ψ α,V ——剪力角度对受剪承载力的影响系数;
ψ ec,N ——荷载偏心对受拉承载力的影响系数;
ψ ec,V ——荷载偏心对受剪承载力的影响系数;
ψ h,V ——边距与混凝土基材厚度比对受剪承载力的影响系数;
ψ h,sp ——构件厚度h对劈裂破坏受拉承载力的影响系数;
ψ re,N ——表层混凝土因密集配筋的剥离作用对受拉承载力的影响系数;
ψ re,V ——锚固区配筋对受剪承载力的影响系数;
ψ s,N ——边距对受拉承载力的影响系数;
ψ s,V ——边距对受剪承载力的影响系数。
3 材料
3.1 混凝土基材
3 材 料
3.1 混凝土基材
3.1.1 锚栓锚固基材可为钢筋混凝土、预应力混凝土或素混凝土构件。植筋锚固基材应为钢筋混凝土或预应力混凝土构件,其纵向受力钢筋的配筋率不应低于现行国家标准《混凝土结构设计规范》GB 50010中规定的最小配筋率。
条文说明
3.1.1 植筋作为后锚固连接技术,主要用于连接原结构构件与新增构件。只有当原构件混凝土具有正常的配筋率和足够的箍筋时,才能保证充分利用钢筋强度和延性破坏。
3.1.2 冻融受损混凝土、腐蚀受损混凝土、严重裂损混凝土、不密实混凝土等,不应作为锚固基材。
3.1.3 基材混凝土强度等级不应低于C20,且不得高于C60;安全等级为一级的后锚固连接,其基材混凝土强度等级不应低于C30。
3.1.4 对既有混凝土结构,基材混凝土立方体抗压强度标准值宜采用检测结果推定的标准值,当原设计及验收文件有效,且结构无严重的性能退化时,可采用原设计的标准值。
条文说明
3.1.2~3.1.4 混凝土作为后锚固连接的主体,必须坚固可靠,存在严重缺陷和混凝土强度等级较低的基材,锚固承载力较低,且很不可靠。基材混凝土强度大于60N/mm2时,应进行专门的研究。
3.2 机械锚栓
3.2 机械锚栓
3.2.1 机械锚栓的性能应符合现行行业标准《混凝土用膨胀型、扩孔型建筑锚栓》JG 160的有关规定,机械锚栓可按本规程附录A分类。
条文说明
3.2.1 只有满足产品标准《混凝土用膨胀型、扩孔型建筑锚栓》JG 160-2004要求的机械锚栓,才能采用本规程中规定的设计方法。在锚栓设计中使用到的性能参数,也需要按照产品标准进行相关测试得到。 本规程中的设计方法是基于欧洲标准《欧洲技术指南——混凝土用金属锚栓》ETAG 001附录C,而产品标准《混凝土用膨胀型、扩孔型建筑锚栓》JG 160-2004与《欧洲技术指南——混凝土用金属锚栓》ETAG 001是一致的。
3.2.2 机械锚栓的材质宜为碳素钢、合金钢、不锈钢或高抗腐不锈钢,应根据环境条件及耐久性要求选用。
条文说明
3.2.2 锚栓材质不同,对环境的耐受程度不同。为保证后锚固连接的耐久性不低于基材,对锚栓的材质提出具体要求。
3.2.3 碳素钢和合金钢锚栓的性能等级应按所用钢材的极限抗拉强度标准值 ƒ stk 及屈强比 ƒ yk / ƒ stk 确定,相应的力学性能指标应按表3.2.3采用。
表3.2.3 碳素钢及合金钢锚栓的力学性能指标
| 性能等级 | 3.6 | 4.6 | 4.8 | 5.6 | 5.8 | 6.8 | 8.8 | |
| 极限抗拉强度标准值 | ƒstk(N/mm2) | 300 | 400 | 500 | 600 | 800 | ||
| 屈服强度标准值 | ƒyk或ƒs,0.2k(N/mm2) | 180 | 240 | 320 | 300 | 400 | 480 | 640 |
| 伸长率 | δ5(%) | 25 | 22 | 14 | 20 | 10 | 8 | 12 |
3.2.4 奥氏体不锈钢锚栓的性能等级应按所用钢材的极限抗拉强度标准值ƒ stk 及屈服强度标准值ƒ yk 确定,相应的力学性能指标应按表3.2.4采用。
表3.2.4 奥氏体不锈钢锚栓的力学性能指标
| 性能等级 | 螺纹直径 (mm) | 极限抗拉强度标准 值ƒstk(N/mm2) | 屈服强度标准值 ƒyk或ƒs,0.2k (N/mm2) | 伸长值δ |
| 50 | ≤39 | 500 | 210 | 0.6d |
| 70 | ≤24 | 700 | 450 | 0.4d |
| 80 | ≤24 | 800 | 600 | 0.3d |
3.2.5 锚栓螺杆的弹性模量E s 可取为2.0×10 5 N/mm 2 。
条文说明
3.2.3~3.2.5 对锚栓所用钢材的力学性能指标给出具体的规定和应符合的标准要求。奥氏体不锈钢锚栓伸长值δ按现行国家标准《紧固件机械性能 不锈钢螺栓、螺钉和螺柱》GB/T 3098.6测定。
3.3 化学锚栓
3.3 化学锚栓
3.3.1 化学锚栓性能应通过螺杆和锚固胶的匹配性试验确定,不得随意更换其组成部分。
条文说明
3.3.1 化学锚栓的承载性能取决于螺杆和锚固胶的共同作用,没有经过系统测试而任意搭配无法保证整个系统的性能。
3.3.2 化学锚栓的螺杆可为普通全牙螺杆和特殊倒锥形螺杆,螺杆材质应根据环境条件及耐久性要求选用。化学锚栓可按本规程附录A分类。
条文说明
3.3.2 两种螺杆的区别在于:普通全牙螺杆仅通过粘结作用承载,在开裂混凝土中一般粘结力会有较大下降,粘结强度的具体数值需要通过试验确定。 倒锥形螺杆通过粘结和锥形体的膨胀共同承载,在开裂混凝土中粘结力损失较大的情况下,膨胀产生的摩擦仍可以维持较高的承载水平。在对锥形体的数量和角度进行优化后,可以避免发生拔出破坏。
3.3.3 化学锚栓螺杆的材质和性能等级应符合本规程第3.2.3条、第3.2.4条和第3.2.5条的要求。
3.3.4 化学锚栓的锚固胶应根据使用对象和现场条件选用管装式或机械注入式。机械注入式锚固胶性能应符合现行行业标准《混凝土结构工程用锚固胶》JG/T 340的有关规定。化学锚栓的锚固胶应为改性环氧树脂类或改性乙烯基酯类材料。
条文说明
3.3.4 普通化学锚栓的承载原理以粘结为主,特殊倒锥形化学锚栓的承载是依靠膨胀和粘结的组合作用。本条内容的提出是基于国内外市场上获得技术认证产品的调查结果。这些产品均经过系统的测试和广泛的实际工程应用,具有充分的代表性。
3.3.5 普通化学锚栓发生拔出破坏时的性能应按附录B的规定进行检验,并应符合下列规定:
1 适用于开裂混凝土的普通化学锚栓应满足表3.3.5的锚固性能要求;
2 适用于不开裂混凝土的普通化学锚栓应满足表3.3.5中第2、6项以外项目的性能要求;
3 裂缝反复开合试验,循环时应采用非约束抗拉,循环结束后的破坏试验应采用约束抗拉;
4 当产品说明书有适用于潮湿和明水的规定时,应进行潮湿和明水混凝土中的安装性能试验;
5 最高温度测试应同时满足本规程第3.3.8条的要求;
6 当基本抗拉性能试验用于确定锚栓的基本粘结强度时,应采用最小埋深;当基本抗拉性能试验作为表3.3.5第5项试验的参照试验时,应采用最大埋深;当基本抗拉性能试验作为表3.3.5第6、7、8和10项试验的参照试验时,应采用最大和最小埋深的中间值埋深;当基本抗拉性能试验作为抗震性能试验的参照试验时,应分别采用最大和最小埋深进行试验。
表3.3.5 普通化学锚栓的锚固性能要求


条文说明
3.3.5 开裂混凝土是指当前已开裂的混凝土和安装后锚固连接后经计算可能会开裂的混凝土。已开裂的混凝土在安装后锚固连接前宜对裂缝进行封闭处理。
3.3.6 普通化学锚栓发生其他破坏模式时应按现行行业标准《混凝土用膨胀型、扩孔型建筑锚栓》JG 160的规定进行检验。
3.3.7 特殊倒锥形化学锚栓的性能应按附录B的规定进行检验,并应符合下列规定:
1 适用于开裂混凝土的特殊倒锥形化学锚栓应满足表3.3.7的锚固性能要求;
2 适用于不开裂混凝土的特殊倒锥形化学锚栓应满足表3.3.7中第2、6项以外项目的性能要求;
3 最小边、间距测试时,扭矩施加方法应符合现行行业标准《混凝土用膨胀型、扩孔型建筑锚栓》JG 160的规定;
4 最高温度测试应同时满足本规程第3.3.8条的要求;
5 当基本抗拉性能试验用于确定锚栓的基本承载力时,应分别采用所有埋深进行试验;当基本抗拉性能试验作为表3.3.7第5和10项试验的参照试验时,应采用最大埋深;当基本抗拉性能试验作为表3.3.7第6项试验的参照试验时,应采用最小埋深;当基本抗拉性能试验作为抗震性能试验的参照试验时,应分别采用最大和最小埋深进行试验。
3.3.8 化学锚栓最高温度适用性测试应符合下列规定:
1 当产品说明书规定的最高短期温度为40℃,最高长期温度为24℃时,应进行最高短期温度的试验;
2 当产品说明书规定了更高的使用温度范围时,应按规定的使用温度范围分别进行最高长期温度和最高短期温度下的承载力试验;
3 最高长期温度下的承载力与常温参照试验的承载力之比小于1时,应按相同比例对基本抗拉性能试验得到的承载力或粘结强度标准值进行折减,确定该使用温度范围下的承载力标准值N r Rk,ph 或粘结强度标准值τ r Rk,h 。
3.3.9 化学锚栓耐久性应按本规程附录B的规定进行检验,并应符合下列规定:
1 与正常气候条件下的粘结强度平均值相比,用于普通化学锚栓的锚固胶在强碱环境下的强度平均值不应下降;
2 与正常气候条件下的粘结强度平均值相比,用于特殊倒锥形化学锚栓的锚固胶在强碱环境下的强度平均值下降不应大于10%。
表3.3.7 特殊倒锥形化学锚栓的锚固性能要求


3.3.10 采用化学锚栓的混凝土结构,其锚固区基材的长期使用温度不应高于50℃;处于特殊环境的混凝土结构采用化学锚栓时,除应按国家现行有关标准的规定采取相应的防护措施外,尚应采用耐环境因素作用的锚固胶并按专门的工艺要求施工。
条文说明
3.3.10 处于特殊环境(如高温、高湿、动荷载、介质侵蚀、放射等)的混凝土结构采用化学锚栓时,应进行适应性试验。
3.4 植筋材料
3.4 植筋材料
3.4.1 用于植筋的钢筋应使用热轧带肋钢筋或全螺纹螺杆,不得使用光圆钢筋和锚入部位无螺纹的螺杆。
3.4.2 用于植筋的热轧带肋钢筋宜采用HRB400级,其质量应符合现行国家标准《钢筋混凝土用钢 第2部分:热轧带肋钢筋》GB 1499.2的要求,钢筋的强度指标应按现行国家标准《混凝土结构设计规范》GB 50010的规定采用。
3.4.3 用于植筋的全螺纹螺杆钢材等级应为Q345级,其质量应分别符合现行国家标准《低合金高强度结构钢》GB/T 1591和《碳素结构钢》GB/T 700的规定。
条文说明
3.4.1~3.4.3 对植筋时所用钢材的类型及力学性能指标给出具体规定。为保证植筋效果,明确规定植筋时不能采用光圆钢筋。
3.4.4 用于植筋的胶粘剂按材料性质可分为有机类和无机类,胶粘剂性能应符合现行行业标准《混凝土结构工程用锚固胶》JG/T 340的相关规定。
条文说明
3.4.4 目前所用的植筋胶粘剂分有机类和无机类两种类型,分别有相应的行业标准对胶粘剂的力学性能指标等作出了明确的规定。工程应用时可根据实际情况选择不同的胶粘剂。
3.4.5 用于植筋的有机胶粘剂应采用改性环氧树脂类或改性乙烯基酯类材料,其固化剂不应使用乙二胺。
条文说明
3.4.5 基于目前已有的工程应用经验,对植筋胶粘剂的选用给出明确的规定。
3.4.6 采用植筋的混凝土结构,其锚固区基材的长期使用温度不应高于50℃;处于特殊环境的混凝土结构采用植筋时,除应按国家现行有关标准的规定采取相应的防护措施外,尚应采用耐环境因素作用的胶粘剂并按专门的工艺要求施工。
条文说明
3.4.6 处于特殊环境(如高温、高湿、动荷载、介质侵蚀、放射等)的混凝土结构采用植筋时,应进行适应性试验。
4 设计基本规定
4.1 锚栓选用
4 设计基本规定
4.1 锚栓选用
4.1.1 锚栓应按照锚栓性能、基材性状、锚固连接的受力性质、被连接结构类型、抗震设防等要求选用。锚栓用于结构构件连接时的适用范围应符合表4.1.1-1的规定,用于非结构构件连接时的适用范围应符合表4.1.1-2的规定。
表4.1.1-1 锚栓用于结构构件连接时的适用范围

表4.1.1-2 锚栓用于非结构构件连接时的适用范围

注:1 表中受压是指锚板受压,锚栓本身不承受压力;
2 适用于开裂混凝土的锚栓是指满足开裂混凝土及裂缝反复开合下锚固性能要求的锚栓。
条文说明
4.1.1 锚栓按其工作原理及构造的不同,锚固性能及适用范围存在较大差异,《欧洲技术指南——混凝土用金属锚栓》(ETAG)分为膨胀型锚栓、扩底型锚栓、化学锚栓及植筋四大类。混凝土螺钉(concrete screws)也是锚栓的一种,由于国内缺少相应的研究数据及应用经验,暂未纳入。 锚栓的选用,除本身性能差异外,还应考虑基材是否开裂、锚固连接的受力性质(拉、压、中心受剪、边缘受剪)、被连接结构类型(结构构件、非结构构件)、有无抗震设防要求等因素的综合影响。
4.1.2 金属锚栓应采取和使用环境类别相适应的防腐措施。碳素钢、合金钢机械锚栓表面应进行镀锌防腐处理,电镀锌层平均厚度不应小于5μm,热浸镀锌平均厚度不应小于45μm。在室外环境、常年潮湿的室内环境、海边、高酸碱度的大气环境中应使用不锈钢材质的锚栓,含氯离子的环境中应使用高抗腐不锈钢。不同环境条件下适用的锚栓材质类别可按表4.1.2选用。
表4.1.2 不同环境条件下适用的锚栓材质类别

条文说明
4.1.2 由于应力腐蚀的存在,普通不锈钢不适用于含氯离子的环境。永久或者交替地浸没于海水或海水的浪溅区,室内游泳池含氯气的环境或者极端化学污染的大气环境,例如脱硫工厂或者使用除冰盐的公路隧道等环境需要采用高抗腐不锈钢。表4.1.2中的不锈钢型号引自国家标准《不锈钢和耐热钢 牌号及化学成分》GB/T 20878-2007。
4.2 植筋
4.2 植 筋
4.2.1 承重构件的植筋锚固应在计算和构造上防止混凝土破坏及拔出破坏。
4.2.2 植筋宜仅承受轴向力,应按照充分利用钢材强度设计值的计算模式根据现行国家标准《混凝土结构设计规范》GB 50010进行设计。
条文说明
4.2.2 植筋仅考虑承受轴向力,按照现行国家标准《混凝土结构设计规范》GB 50010进行设计;考虑植筋承受剪力时,应按锚栓进行设计,并应满足锚栓的相应构造要求。
4.2.3 植筋的锚固胶性能应符合现行行业标准《混凝土结构工程用锚固胶》JG/T 340的有关规定。安全等级为一级的后锚固连接植筋时应采用A级胶,安全等级为二级的后锚固连接植筋时可采用B级胶和无机类胶。
4.3 锚固设计原则
4.3 锚固设计原则
4.3.1 本规程采用以概率理论为基础的极限状态设计方法,采用锚固承载力分项系数的设计表达式进行设计。
条文说明
4.3.1 本规程根据国家标准《混凝土结构可靠度设计统一标准》GB 50068,参考《欧洲技术指南——混凝土用金属锚栓》(ETAG),采用了以试验研究数据和工程经验为依据,以分项系数为表达形式的极限状态设计方法。
4.3.2 后锚固连接设计所采用的设计使用年限应与被连接结构的设计使用年限一致,并不宜小于30年。对化学锚栓和植筋,应定期检查其工作状态,检查的时间间隔可由设计单位确定,但第一次检查时间不应迟于10年。
条文说明
4.3.2 为使后锚固设计更经济合理,故规定后锚固连接设计所采用的设计使用年限,应与新增的被连接结构的设计基准期一致。 根据《混凝土结构加固设计规范》GB 50367-2006,混凝土结构加固后的使用年限,应由业主和设计单位共同商定,一般情况下,宜按30年考虑。根据《建筑抗震鉴定标准》GB 50023-2009,现有经耐久性鉴定可继续使用的现有建筑,其后续使用年限不应少于30年。因此,本规程规定后锚固连接的设计使用年限不宜小于30年。 对化学锚栓和植筋,不可避免地存在着胶粘剂的老化问题,只是程度不同而已。为了防范这类隐患,宜加强检查或监测,但检查时间的间隔可由设计单位作出规定,第一次检查时间宜定为投入使用后的6年~8年,且至迟不应晚于10年。
4.3.3 根据锚固连接破坏后果的严重程度,混凝土结构后锚固连接设计应按表4.3.3的规定确定相应的安全等级,且不应低于被连接结构的安全等级。
表4.3.3 后锚固连接安全等级

条文说明
4.3.3 后锚固连接破坏形态多样且复杂,相对于结构,失效概率较大,故另设安全等级。混凝土结构后锚固连接的安全等级分为二级。所谓重要的锚固,是指后接大梁、悬臂梁、桁架、网架,以及大偏心受压柱等结构构件及生命线工程中非结构构件之锚固连接,这些连接一旦失效,破坏后果严重,故定为一级。一般锚固,是指荷载较轻的中小型梁板结构,以及一般非结构构件的锚固连接,此种锚固连接失效,破坏后果远不如一级严重,故定为二级。锚固连接的安全等级宜与新增的被连接结构的安全等级相应或略高,即锚固设计的安全等级及取值,应取被连接结构和锚固连接二者中的较高值。
4.3.4 后锚固连接设计应考虑被连接结构的类型、受力状况、荷载类型及锚固连接的安全等级等因素。
条文说明
4.3.4 后锚固连接与预埋连接相比,可能的破坏形态较多且较为复杂,总体上说,失效概率较大;失效概率与破坏形态密切相关,且直接依赖于锚栓的种类和锚固参数的设定。因此,后锚固连接设计必须考虑锚栓的受力状况(拉、压、弯、剪,及其组合)、荷载类型以及被锚固结构的类型和锚固连接的安全等级等因素的综合影响。 后锚固连接设计基本程序为:分析基材性能特征→选定锚栓品种及相关锚固参数→锚栓内力分析→锚固承载力计算→承载力分析→锚固设计完成。如图1示意。 
4.3.5 后锚固连接承载力应采用下列设计表达式进行验算:
无地震作用组合 γ 0 S≤R d (4.3.5-1)
有地震作用组合 γ 0 S≤kR d /γ RE (4.3.5-2)
R d =R k /γ R (4.3.5-3)
式中:γ 0 ——锚固连接重要性系数,对一级、二级锚固安全等级,应分别取不小于1.2、1.1,且不应小于被连接结构的重要性系数;对地震设计状况应取1.0;
S——承载能力极限状态下,锚固连接作用组合的效应设计值:对持久设计状况和短暂设计状况应按作用的基本组合计算;对地震设计状况应按作用的地震组合计算;
R d ——锚固承载力设计值;
R k ——锚固承载力标准值;
k——地震作用下锚固承载力降低系数,按本规程第4.3.9条取用;
γ RE ——锚固承载力抗震调整系数,取1.0;
γ R ——锚固承载力分项系数,按本规程第4.3.10条取用。
公式(4.3.5-1)中的γ 0 S,在本规程各章中用内力设计值(N sd 、V sd )表示。
条文说明
4.3.5 锚固承载力设计表达式按现行国家标准《混凝土结构可靠度设计统一标准》GB 50068规定采用,左端作用效应引入了锚固重要性系数γ0
。右端锚固承载力设计值R d 与一般设计规范不完全相同,是按R d =R k /γ R 确定,R k 为锚固承载力标准值,γ R 为锚固承载力分项系数,而非材料性能分项系数;锚固承载力标准值R k 系直接由锚固承载力试验统计平均值及其离散系数确定,而非材料强度离散系数。
由于后锚固连接方式多种多样,在地震作用下,效应的作用方向可能存在多向性,因此后锚固连接效应S的计算中应考虑地震剪力方向的影响。
4.3.6 群锚应使用同种类型、同种规格的锚栓。群锚中锚栓的布置宜符合下列规定:
1 锚栓中心距混凝土基材边缘距离c不小于10h ef 且不小于60d时,群锚可采用图4.3.6-1所示的布置方式;
2 锚栓中心距混凝土基材边缘距离c小于10h ef 或小于60d,当群锚仅受拉时,可采用图4.3.6-1所示的布置方式;当群锚受剪时,可采用图4.3.6-2所示的布置方式。
其中,h ef 为锚栓有效锚固深度,d为锚栓螺杆直径。

图4.3.6-1 无边距效应或群锚受拉时锚栓布置方式

图4.3.6-2 有边距效应且群锚受剪时锚栓布置方式
条文说明
4.3.6 对群锚中锚栓产品配套使用提出严格要求,主要是因为目前所有的研究成果及工程经验均是基于此种要求而来。 本条给出的群锚中锚栓的布置方式是和后续章节的计算方法相一致的,其他类型的布置方式由于研究成果和工程经验不足,在应用时应进行更为细致的分析。
4.3.7 素混凝土构件及低配筋率构件的后锚固连接应按锚栓进行设计,其锚固区基材应按本规程第5.1.3条的规定判定为不开裂混凝土。
4.3.8 后锚固连接设计,应根据被连接结构类型、锚固连接受力性质及锚栓类型的不同,对其破坏模式进行控制。受拉、边缘受剪、拉剪复合受力的结构构件及生命线工程非结构构件的锚固连接,应控制为锚栓或植筋的钢材破坏;膨胀型锚栓及扩底型锚栓锚固连接,不应发生整体拔出破坏或锚杆穿出破坏;植筋连接,不应发生混凝土基材破坏及沿胶筋界面和胶混界面的破坏。后锚固连接的破坏模式可按本规程附录A分类。
条文说明
4.3.8 后锚固连接破坏类型总体上可分为锚栓或植筋钢材破坏、基材混凝土破坏以及锚栓或植筋拔出破坏三大类。分类目的在于精确地进行承载力计算分析,最大限度地提高锚固连接的安全可靠性及使用合理性。 锚栓或植筋钢材破坏分拉断破坏、剪坏及拉剪复合受力破坏,主要发生在锚固深度超过临界深度hcr时,锚栓或植筋钢材达到其极限强度。此种破坏,一般具有明显的塑性变形,破坏荷载离散性较小。对于受拉、边缘受剪、拉剪复合受力之结构的后锚固连接设计,根据现行国家标准《混凝土结构可靠度设计统一标准》GB 50068,应控制为这种破坏。 膨胀型锚栓和扩底型锚栓基材混凝土破坏,主要有四种形式:第一种是锚栓受拉时,形成以锚栓为中心的混凝土锥体受拉破坏,锥顶一般位于锚栓扩大头处,锥径约三倍锚深(3h
ef );第二种是锚栓受剪时,形成以锚栓轴为顶点的混凝土楔形体受剪破坏,楔形体大小和形状与边距c、锚深h ef 及锚栓外径d nom 或d有关;第三种是锚栓中心受剪时,混凝土沿反向被锚栓撬坏;第四种是群锚受拉时,混凝土受锚栓的胀力产生沿锚栓连线的劈裂破坏。基材混凝土破坏,尤其是第一、第二种破坏,是锚固破坏的基本形式,特别是短粗的机械锚栓, 此种破坏表现出一定脆性,破坏荷载离散性较大,对于结构构件及生命线工程的非结构构件后锚固连接设计,应避免这种破坏形式。
机械锚栓拔出破坏有两种形式:一种是锚栓从锚孔中整体拔出,另一种是螺杆从膨胀套筒中穿出。前者主要是施工安装方法不当,如钻孔过大、锚栓预紧力不够;后者主要是锚栓设计构造不合理,如锚栓套筒材质过软、壁厚过薄、接触表面过于光滑等。整体拔出破坏,由于承载力很低,且离散性大,很难统计出有用的承载力设计指标;至于穿出破坏,检验表 明,具有一定承载力,但国内缺乏系统的试验统计数据,且变形曲线存在较大滑移,因此不允许发生拔出破坏。
植筋基材混凝土破坏,主要有三种形式:第一种是钢筋受拉,当锚深很浅(h ef /d小于9)时,形成以基材表面混凝土锥体及深部粘结拔出之混合型破坏,这种破坏锥体一般较小,锥径约一倍锚深,锥顶位于约h ef /3处,其余2h ef /3为粘结拔出;第二种是钢筋受剪时,形成以钢筋轴为顶点的一定深度的楔形体破坏,其情况与机械锚栓类似;第三种是钢筋受拉,当钢 筋过于靠近构件边缘(c小于5d),或间距过小(s小于5d)时,会产生劈裂破坏。混凝土基材破坏表现出较大脆性,破坏荷载离散性较大,尤其是开裂混凝土基材。
植筋拔出破坏有两种形式:沿胶筋界面拔出和沿胶混界面拔出。正常情况下,拔出破坏多发生在锚深过浅时,其性能远不如钢材破坏好。研究与实践表明,植筋因其深度可任意调节,其破坏形态设计容易控制。因此,对于结构构件的后锚固连接设计,根据现行国家标准《混凝土结构可靠度设计统一标准》GB 50068,可用控制锚固深度的方法,严格限定为钢材破坏一种模式。
4.3.9 抗震设计时,地震作用下锚固承载力降低系数k应根据锚栓产品的认证报告确定;无认证报告时,可按表4.3.9采用。
表4.3.9 地震作用下锚固承载力降低系数k

条文说明
4.3.9 根据试验研究,低周反复荷载下锚固承载力呈现出一定的退化现象,其量值随破坏形态、锚栓类型及受力性质而变,幅度变化在0.6R~1.0R之间。
4.3.10 混凝土结构后锚固连接承载力分项系数γ R ,应根据锚固连接破坏类型及被连接结构类型的不同按表4.3.10采用。
表4.3.10 锚固承载力分项系数γ R

条文说明
4.3.10
表4.3.10锚固承载力分项系数γ R ,主要参考《欧洲技术指南——混凝土用金属锚栓》(ETAG)制定的,对于非结构构件的锚固设计,γ R 取值与ETAG相同。本规程锚栓应用范围已扩展到一般工程结构的后锚固连接,由于这方面国外工程经验的局限和国内经验的缺乏,加上我国结构设计思路与《欧洲技术指南——混凝土用金属锚栓》(ETAG)不完全一致,故对一般结构构件,本规程取值较《欧洲技术指南——混凝土用金属锚栓》(ETAG)普遍有所提高。
《欧洲技术指南——混凝土用金属锚栓》(ETAG)及美国标准《房屋建筑混凝土结构规范》ACI318中,钢材破坏承载力计算均采用钢材极限抗拉强度标准值? stk ,其承载力标准值有明确的物理意义,而且可以作为锚栓破坏状态的判别标准。而我国国家标准《混凝土结构设计规范》GB 50010-2010采用的承载力设计表达式用屈服强度设计值? yd 表示,《混凝土结构加固设计规范》GB 50367-2006也采用? yd 表示,为保持与我国现行各类混凝土结构设计规范的协调一致性,本次修订时,采用屈服强度标准值? yk 进行钢材破坏时承载力标准值计算,并相应调整了锚固承载力分项系数。
4.3.11 当后锚固连接受到约束、变形、温度等间接作用产生的作用效应可能危及后锚固连接的安全和正常使用时,宜进行间接作用效应分析,并应采取可靠的构造措施和施工措施;承受疲劳荷载和冲击荷载的后锚固连接设计应进行试验验证。
4.3.12 处在室外条件的被连接钢构件,其锚板的锚固方式应使锚栓不出现过大交变温度应力,在使用条件下,锚栓的温度应力变幅不应大于100N/mm 2 。
条文说明
4.3.12
处在室外条件下的被连接钢件,会因钢件与基材混凝土的温度差异和变化,而使锚栓产生较大的交变温度应力。为避免锚栓因温度应力过大而导致疲劳破坏,故规定应从锚固方式采取措施,控制温度应力变幅Δσ=σ max -σ min 不大于100N/mm 2 。
4.3.13 后锚固连接的防火等级不应低于被连接结构的防火等级,后锚固连接的防火设计应有可靠措施并应符合国家现行有关标准的规定。
4.3.14 外露的后锚固连接,应有可靠的防腐措施。锚栓防腐蚀标准应高于被连接构件的防腐蚀要求。
条文说明
4.3.14 外露后锚固连接件防腐措施应与其耐久性要求相适应,耐久性要求较高时可选用不锈钢件,一般情况可选用电镀件及现场涂层法。
4.3.15 未经技术鉴定或设计许可,不得改变后锚固连接的用途和使用环境。 (自2022年4月1日起废止该条, 点击查看:新规《既有建筑鉴定与加固通用规范》GB 55021-2021 )
条文说明
4.3.15 后锚固连接改变用途和使用环境将影响其安全可靠性和耐久性,因此必须经技术鉴定或设计许可。
5 锚固连接内力计算
5.1 一般规定
5 锚固连接内力计算
5.1 一般规定
5.1.1 锚栓内力宜按下列基本假定进行计算:
1 被连接件与基材结合面受力变形后仍保持为平面,锚板平面外弯曲变形可忽略不计;
2 锚栓本身不传递压力,锚固连接的压力应通过被连接件的锚板直接传给基材混凝土;
3 群锚锚栓内力按弹性理论计算;当锚栓钢材的性能等级不大于5.8级且锚固破坏为锚栓钢材破坏时,可考虑塑性应力重分布计算。
条文说明
5.1.1 群锚锚固连接时,各锚栓内力是按弹性理论平截面假定进行分析,但若对锚固破坏类型加以控制,使之仅发生锚栓或植筋钢材破坏,且锚栓或植筋为低强(不大于5.8级)钢材时,则可按考虑塑性应力重分布的极限平衡理论进行简化计算,即与现行国家标准《混凝土结构设计规范》GB 50010的规定相似,拉区锚栓按均匀受力计算,压区混凝土近似按矩形应力图形计算。一般机械锚栓是通过“膨胀—挤压—摩擦”而产生锚固力,反向则不能成立,故不能传递压力,因此,压区锚栓不考虑受力,为统一锚栓的设计方法,偏于安全考虑,对于化学锚栓,也不考虑其承受压力。
5.1.2 锚栓内力可采用有限单元法进行计算。计算时,混凝土的材性指标可按现行国家标准《混凝土结构设计规范》GB 50010的有关规定取用,锚栓可采用实测的荷载-变形曲线。锚板平面外弯曲变形不可忽略时,应考虑该弯曲变形的影响。
条文说明
5.1.2 锚栓内力可以采用有限元分析确定,锚板平面外刚度足够大时,可考虑为刚性板,否则还应考虑锚板变形的影响。
5.1.3 当锚固区基材满足公式(5.1.3)时,宜判定为不开裂混凝土,否则宜判定为开裂混凝土。
σ L +σ R ≤0 (5.1.3)
式中:σ L ——正常使用极限状态下,在基材结构锚固区混凝土中按荷载标准组合计算的应力值(N/mm 2 ),拉为正,压为负;当活荷载有利时,在荷载组合中不应计及;
σ R ——由于混凝土收缩、温度变化及支座位移等在锚固区混凝土中所产生的拉应力标准值(N/mm 2 ),若不进行精确计算,可近似取3N/mm 2 。
条文说明
5.1.3 公式(5.1.3)在于精确判别基材混凝土是否开裂,以便对基材混凝土破坏锚固承载力进行相应(未裂与开裂)计算。σL为外荷载(包括锚栓荷载)在基材锚固区所产生的应力,拉为正,压为负;σR为混凝土收缩、温度变化及支座位移所产生的应力。此判别式涵义是,不管什么原因,只要基材锚固区混凝土出现拉应力,均一律视为开裂混凝土。
5.1.4 锚板厚度应按现行国家标准《钢结构设计规范》GB 50017进行设计,且不宜小于锚栓直径的0.6倍;受拉和受弯锚板的厚度尚宜大于锚栓间距的1/8;外围锚栓孔至锚板边缘的距离不应小于2倍锚栓孔直径和20mm。
条文说明
5.1.4 锚板应按现行国家标准《钢结构设计规范》GB 50017公式设计,同时结合现行国家标准《混凝土结构设计规范》GB 50010的有关规定对锚板的构造要求提出具体的规定。 锚栓内力计算假定:被连接件与基材结合面受力变形后仍保持为平面,锚板平面外刚度较大,其弯曲变形可忽略不计。因此,锚板设计时应具有一定刚度,必要时可考虑设置加劲肋。
5.1.5 锚栓连接的内力 应按本规程第5.2节~第5.4节的规定计算;植筋连接的内力应按照现行国家标准《混凝土结构设计规范》GB 50010承载能力极限状态的规定计算。
5.2 群锚受拉内力计算
5.2 群锚受拉内力计算
5.2.1 轴心拉力作用下,群锚各锚栓所承受的拉力设计值应按下式计算:
N sd =k 1 N/n (5.2.1)
式中:N sd ——锚栓所承受的拉力设计值(N);
N——总拉力设计值(N);
n——群锚锚栓个数;
k 1 ——锚栓受力不均匀系数,取为1.1。
5.2.2 轴心拉力与弯矩共同作用下(图5.2.2),弹性分析时,受力最大锚栓的拉力设计值的计算应符合下列规定:
1 当满足公式(5.2.2-1)的条件时,应按公式(5.2.2-2)计算:

2 当不满足公式(5.2.2-1)的条件时,应按下式计算:

式中:M——弯矩设计值(N·mm);
N h sd ——群锚中拉力最大锚栓的拉力设计值(N);
y 1 ——锚栓1至群锚形心轴的垂直距离(mm);
y i ——锚栓i至群锚形心轴的垂直距离(mm);
y′ 1 ——锚栓1至受压一侧最外排锚栓的垂直距离(mm);
y′ i ——锚栓i至受压一侧最外排锚栓的垂直距离(mm);
L——轴力N作用点至受压一侧最外排锚栓的垂直距离(mm)。

图5.2.2 拉力和弯矩共同作用示意
条文说明
5.2.1、5.2.2 分别给出了按弹性理论分析时,群锚在轴心受拉、偏心受拉荷载下,按平截面假定计算的受力最大锚栓的内力。根据试验结果,群锚受拉时存在一定程度的不均匀受力,故计算时取1.1的不均匀系数,以保证安全。
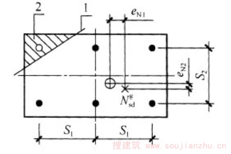
5.2.3 部分锚栓受拉时,群锚受拉区总拉力设计值N g sd 应按下列公式计算:

5.2.4 受拉锚栓合力点相对于群锚受拉锚栓重心的偏心距e N 应按下列公式计算:
1 第一种情况的群锚单向偏心受拉(图5.2.4-1):

图5.2.4-1 第一种情况的群锚单向偏心受拉示意

2 第二种情况的群锚单向偏心受拉(图5.2.4-2):

图5.2.4-2 第二种情况的群锚单向偏心受拉示意
1—中性轴;2—混凝土受压区

式中:e N ——受拉锚栓合力点相对于群锚受拉锚栓重心的偏心距(mm);
N g sd ——群锚受拉区总拉力设计值(N);
N s1 ——锚栓列1的拉力设计值(N);
N s2 ——锚栓列2的拉力设计值(N);
s 1 ——群锚中沿荷载偏心方向的锚栓中心距(mm)。
3 群锚双向偏心受拉,应分别按两个方向计算(图5.2.4-3)。

图5.2.4-3 群锚双向偏心受拉示意
1—中性轴;2—混凝土受压区
条文说明
5.2.3、5.2.4 分别给出群锚受拉区总拉力设计值及其对受拉锚栓重心的偏心距计算方法。
5.3 群锚受剪内力计算
5.3 群锚受剪内力计算
5.3.1 群锚中各锚栓的剪力分布应根据其破坏模式按下列规定确定:
1 钢材破坏或混凝土剪撬破坏时,应按群锚中所有锚栓均承受剪力(图5.3.1-1)进行设计;

图5.3.1-1 钢材破坏或混凝土剪撬破坏时,所有锚栓承受剪力示意
2 混凝土边缘破坏,剪力方向垂直于基材边缘时,应按部分锚栓承受剪力(图5.3.1-2)进行设计;剪力方向平行于基材边缘时,应按全部锚栓承受剪力(图5.3.1-3)进行设计。

图5.3.1-2 剪力方向垂直于基材边缘,部分锚栓承受剪力示意

图5.3.1-3 剪力方向平行于基材边缘,全部锚栓承受剪力示意
条文说明
5.3.1
群锚在剪切荷载V及扭矩T作用下,锚栓是否受力,应根据锚板孔径与锚栓直径的适配情况及边距大小而定。当锚板孔径满足本规程第7.1.6条要求,且边距较大(c不小于10h ef )时,破坏状态为钢材破坏或混凝土剪撬破坏;当剪力方向平行于基材边缘,混凝土边缘破坏时,受剪承载力为剪力方向垂直于基材边缘的2倍~3倍,极限变形较大,大于表7.1.6给出的最大间隙。这两种情况可以按照所有锚栓均承受剪力进行计算,各锚栓平均分摊剪力,是理想的受力状态(图5.3.1-1、图5.3.1-3);反之,发生混凝土边缘破坏,各锚栓受力很不均匀, 因混凝土脆性而产生各个击破现象,参照《欧洲技术指南——混凝土用金属锚栓》(ETAG)规定,计算上仅考虑部分锚栓受力(图5.3.1-2)。
5.3.2 剪力方向有长槽孔时,该处锚栓不应承担剪力(图5.3.2)。

图5.3.2 长槽孔处锚栓不承担剪力示意
条文说明
5.3.2 有时,为使剪力分布更为合理,可进行人工干预,即将某些锚板孔沿剪力方向开设为长槽孔,这些锚栓就不参与受力(图5.3.2)。
5.3.3 钢材破坏或混凝土剪撬破坏时,剪切荷载设计值V作用下(图5.3.3)锚栓的剪力设计值应按下列公式计算:

图5.3.3 剪切荷载示意

5.3.4 混凝土边缘破坏时,剪切荷载设计值V作用下,锚栓的剪力设计值应按下列公式计算(图5.3.4):


图5.3.4 混凝土边缘破坏时锚栓受剪示意
5.3.5 群锚在扭矩设计值T作用下,各锚栓的剪力设计值应按下列公式计算(图5.3.5):

图5.3.5 扭矩作用下锚栓受剪示意

V T si ——扭矩T作用下锚栓i所受的剪力设计值(N);
χ i ——锚栓i至以群锚形心为原点的y坐标轴的垂直距离(mm);
y i ——锚栓i至以群锚形心为原点的χ坐标轴的垂直距离(mm)。
5.3.6 群锚在剪力设计值V和扭矩设计值T共同作用下(图5.3.6),各锚栓的剪力设计值应按下列公式计算:

式中:V si ——锚栓i的剪力设计值(N)。

图5.3.6 剪力和扭矩共同作用示意
条文说明
5.3.3~5.3.6 分别给出了按弹性理论分析时群锚在剪力V作用下、扭矩T作用下、剪力V与扭矩T共同作用下,参与工作的各锚栓所受剪力。
5.3.7 混凝土边缘破坏时,群锚总剪力设计值V g sd 应取各锚栓合力值。当锚栓剪力V si,y 作用方向背离混凝土边缘时(图5.3.7),该剪力值可不参与计算。

图5.3.7 锚栓剪力作用方向背离混凝土边缘示意
5.3.8 混凝土边缘破坏,计算受剪锚栓合力点相对于群锚受剪锚栓重心的偏心距e v 时,作用方向背离混凝土边缘的剪力分量可不参与计算(图5.3.8-1、图5.3.8-2、图5.3.8-3)。

图5.3.8-1 仅有扭矩作用示意
1—不参与计算的剪力分量

图5.3.8-2 扭矩与剪力共同作用,扭矩作用的剪力分量大于剪力作用的剪力分量示意
1—不参与计算的剪力分量

图5.3.8-3 扭矩与剪力共同作用,
扭矩作用的剪力分量小于剪力作用的剪力分量示意
条文说明
5.3.7、5.3.8 分别给出群锚受剪总剪力设计值及其对受剪锚栓重心的偏心距计算方法。
5.4 基材附加内力计算
5.4 基材附加内力计算
5.4.1 后锚固基材设计时,应考虑后锚固节点传递的荷载及锚栓在基材中产生的劈裂力对基材的不利影响。
条文说明
5.4.1 本规程对锚栓承载力的计算均是基于锚固基材能正常使用的前提下,因此,对锚固基材需考虑后锚固节点传递的荷载对其产生的附加影响,保证基材能正常工作。
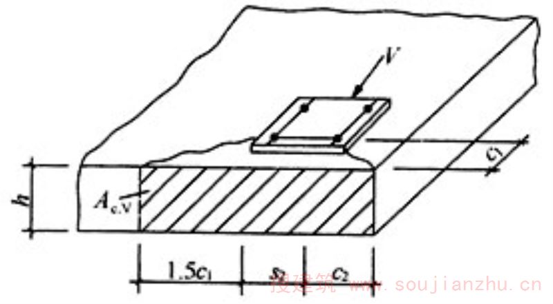
5.4.2 后锚固节点传递给基材的剪力设计值V sd,a 应符合下式规定:
V sd,a ≤0.16? t bh 0 (5.4.2)
式中:? t ——基材混凝土轴心抗拉强度设计值(N/mm 2 );
b——构件宽度(mm);
h 0 ——构件截面计算高度(mm)。
5.4.3 后锚固混凝土基材设计时,锚栓在基材中产生的劈裂力标准值F Sp,k 可按下列公式计算:
扭矩控制式膨胀型锚栓 F Sp,k =1.5N sk (5.4.3-1)
位移控制式膨胀型锚栓 F Sp,k =2.0N Rd (5.4.3-2)
扩底型锚栓 F Sp,k =1.0N sk (5.4.3-3)
化学锚栓 F Sp,k =0.5N sk (5.4.3-4)
式中:N sk ——锚栓传递的拉力标准值(N);
N Rd ——锚栓受拉承载力设计值(N)。
5.4.4 满足下列条件之一时,可不考虑劈裂力对基材的影响:
1 锚栓位于基材受压区;
2 锚栓传递的拉力标准值N sk 小于10kN;
3 对于墙板构件,锚栓传递的拉力标准值N sk 不大于30kN且在锚固区配置双向普通钢筋,横向钢筋面积不小于根据锚栓荷载计算所得纵向钢筋面积的60%。
6 承载能力极限状态计算
6.1 机械锚栓
6 承载能力极限状态计算
6.1 机械锚栓
Ⅰ 受拉承载力计算
6.1.1 机械锚栓受拉承载力应符合下列规定:
1 单一锚栓
N sd ≤N Rd,s (6.1.1-1)
N sd ≤N Rd,c (6.1.1-2)
N sd ≤N Rd,sp (6.1.1-3)
2 群锚
N h sd ≤N Rd,s (6.1.1-4)
N g sd ≤N Rd,c (6.1.1-5)
N g sd ≤N Rd,sp (6.1.1-6)
式中:N sd ——单一锚栓拉力设计值(N);
N h sd ——群锚中拉力最大锚栓的拉力设计值(N);
N g sd ——群锚受拉区总拉力设计值(N);
N Rd,s ——锚栓钢材破坏受拉承载力设计值(N);
N Rd,c ——混凝土锥体破坏受拉承载力设计值(N);
N Rd,sp ——混凝土劈裂破坏受拉承载力设计值(N)。
条文说明
6.1.1
后锚固连接受拉承载力应按锚栓钢材破坏、混凝土锥体受拉破坏、劈裂破坏等3种破坏类型,及单锚与群锚两种锚固连接方式,共计6种情况分别进行计算。对于单锚连接,外力与抗力比较明确,计算较为简单。对于群锚连接,情况较为复杂:当为钢材破坏时,破坏主要出现在某些受力最大锚栓,因此,一般只计算受力最大(N h sd )锚栓即可;当为混凝土锥体破坏或劈裂破坏时,主要表现为群锚基材整体破坏,故取N g sd 进行整体锚固计算。
6.1.2 机械锚栓钢材破坏受拉承载力设计值N Rd,s 应按下列公式计算:
N Rd,s =N Rk,s /γ Rs,N (6.1.2-1)
N Rk,s =? yk A s (6.1.2-2)
式中:N Rk,s ——机械锚栓钢材破坏受拉承载力标准值(N);
γ Rs,N ——机械锚栓钢材破坏受拉承载力分项系数,按本规程表4.3.10采用;
A s ——机械锚栓应力截面面积(mm 2 );
? yk ——机械锚栓屈服强度标准值(N/mm 2 )。
条文说明
6.1.2 《欧洲技术指南——混凝土用金属锚栓》(ETAG)及美国标准《房屋建筑混凝土结构规范》ACI318中,钢材破坏承载力计算均采用钢材极限抗拉强度标准值?stk
,其承载力标准值有明确的物理意义,而且可以作为锚栓破坏状态的判别标准。而我国国家标准《混凝土结构设计规范》GB 50010采用的承载力设计表达式用屈服强度设计值? yd 表示,《混凝土结构加固设计规范》GB 50367也采用? yd 表示,为保持与我国现行各类混凝土结构设计规范的协调一致性,本次修订时,采用屈服强度标准值? yk 进行钢材破坏时承载力标准值计算。
当锚栓直径沿螺杆长度有变化时,应取最小截面的受拉承载力设计值。
6.1.3 混凝土锥体破坏受拉承载力设计值N Rd,c 应按下列公式计算:

式中:N Rk,c ——混凝土锥体破坏受拉承载力标准值(N)。
N 0 Rk,c ——单根锚栓受拉时,混凝土理想锥体破坏受拉承载力标准值(N)。
γ Rc,N ——混凝土锥体破坏受拉承载力分项系数,按本规程表4.3.10采用。
? cu,k ——混凝土立方体抗压强度标准值(N/mm 2 )。当? cu,k 不小于45N/mm 2 且不大于60N/mm 2 时,应乘以降低系数0.95。
h ef ——锚栓有效锚固深度(mm)。对于膨胀型锚栓及扩底型锚栓,为膨胀锥体与孔壁最大挤压点的深度。
A 0 c,N ——单根锚栓受拉且无间距、边距影响时,混凝土理想锥体破坏投影面面积(mm 2 ),按本规程第6.1.4条的规定计算。
A c,N ——单根锚栓或群锚受拉时,混凝土实际锥体破坏投影面面积(mm 2 ),按本规程第6.1.5条的规定计算。
ψ s,N ——边距c对受拉承载力的影响系数,按本规程第6.1.6条的规定计算。
ψ re,N ——表层混凝土因密集配筋的剥离作用对受拉承载力的影响系数,按本规程第6.1.7条的规定计算。
ψ ec,N ——荷载偏心e N 对受拉承载力的影响系数,按本规程第6.1.8条的规定计算。
条文说明
6.1.3
单锚或群锚混凝土锥体受拉破坏是后锚固受拉破坏的基本形式,特别是膨胀型锚栓和扩底型锚栓,影响因素众多,计算较为复杂。受拉承载力标准值N Rk,c 公式(6.1.3-2)包含单根锚栓在理想状态下的承载力标准值N 0 Rk,c 及计算面积A 0 c,N ,单锚或群锚实际破坏面积A c,N ,边距影响ψ s,N ,钢筋剥离影响ψ re,N ,荷载偏心影响ψ ec,N 等项目,作用在受拉锚栓附近混凝土上的压力对锥体破坏受拉承载力的有利作用不考虑。
6.1.4 单根锚栓受拉时,混凝土理想锥体破坏投影面面积A 0 c,N (图6.1.4)应按下式计算:
A 0 c,N =s 2 cr,N (6.1.4)
式中:s cr,N ——混凝土锥体破坏且无间距效应和边缘效应情况下,每根锚栓达到受拉承载力标准值的临界间距(mm),应取为3h ef 。

图6.1.4 理想锥体破坏投影面面积示意
6.1.5 单根锚栓或群锚受拉时,混凝土实际锥体破坏投影面面积A c,N ,应根据锚栓排列布置情况的不同,分别按下列公式计算:
1 单根锚栓,靠近构件边缘布置,且c 1 不大于c cr,N 时(图6.1.5-1)
A c,N =(c 1 +0.5s cr,N )s sr,N (6.1.5-1)
2 双栓,垂直于构件边缘布置,且c 1 不大于c cr,N ,s 1 不大于s cr,N 时(图6.1.5-2)
A c,N =(c 1 +s 1 +0.5s cr,N )s cr,N (6.1.5-2)

图6.1.5-1 单栓受拉、靠近构件边缘时的计算面积示意

图6.1.5-2 双栓受拉,垂直于构件边缘时的计算面积示意
3 双栓,平行于构件边缘布置,且c 2 不大于c cr,N ,s 1 不大于s cr,N 时(图6.1.5-3)
A c,N =(c 2 +0.5s cr,N )(s 1 +s sr,N ) (6.1.5-3)
4 四栓,位于构件角部,且c 1 不大于c cr,N ,c 2 不大于c cr,N ,s 1 不大于s cr,N ,s 2 不大于s sr,N 时(图6.1.5-4)
A c,N =(c 1 +s 1 +0.5s cr,N )(c 2 +s 2 +0.5s cr,N ) (6.1.5-4)

图6.1.5-3 双栓受拉、平行于构件边缘时的计算面积示意

图6.1.5-4 四栓受拉,位于构件角部的计算面积示意
式中:c 1 ——方向1的边距(mm);
c 2 ——方向2的边距(mm);
s 1 ——方向1的间距(mm);
s 2 ——方向2的间距(mm);
c cr,N ——混凝土锥体破坏且无间距效应及边缘效应情况下,每根锚栓达到受拉承载力标准值的临界边距(mm),应取为1.5h ef 。
条文说明
6.1.5
当锚栓间距s不小于s cr,N 时,不会发生群锚整体的锥体破坏,在计算时应按单个锚栓独立发生锥体破坏计算受拉承载力。
6.1.6 边距c对受拉承载力的影响系数ψ s,N 应按下式计算。当ψ s,N 的计算值大于1.0时,应取1.0。

式中:c——边距(mm),有多个边距时应取最小值。
条文说明
6.1.6
锚栓受拉混凝土锥体破坏时,混凝土圆锥直径,从统计看是固定的,对于机械锚栓,《欧洲技术指南——混凝土用金属锚栓》(ETAG)认定为3h ef 。当锚栓位于构件边缘,其距离c小于1.5h ef 时,破坏时就形不成完整的圆锥体,因此,承载力会降低。
6.1.7 表层混凝土因密集配筋的剥离作用对受拉承载力的影响系数ψ re,N 应按下式计算。当ψ re,N 的计算值大于1.0时,应取1.0;当锚固区钢筋间距s不小于150mm时,或钢筋直径d不大于10mm且s不小于100mm时,ψ re,N 应取1.0。

条文说明
6.1.7
基材适量配筋,总体上说,对锚固性能有利。但配筋过多过密时,在混凝土锥体受拉破坏模式下,会因钢筋的隔离作用,而出现混凝土保护层先剥离,从而降低了有效锚固深度h ef 。系数ψ re,N 反映了这一影响。
6.1.8 荷载偏心对受拉承载力的影响系数ψ ec,N 应按下式计算。当ψ ec,N 的计算值大于1.0时,应取1. 0;当为双向偏心时,应分别按两个方向计算,ψ ec,N 应取ψ (ec,N) 1 ·ψ (ec,N) 2 。

式中:e N ——受拉锚栓合力点相对于群锚受拉锚栓重心的偏心距(mm)。
6.1.9 群锚有三个及以上边缘且锚栓的最大边距C max 不大于C cr,N


图6.1.9 有多个边缘影响的群锚示意
6.1.10 锚栓安装过程中不产生劈裂破坏的最小边距c min 、最小间距s min 及基材最小厚度h min ,应根据锚栓产品的认证报告确定;无认证报告时,在符合相应产品标准及本规程有关规定情况下,可按下列规定取用:
1 h min 取为2h ef ,且h min 不小于100mm;
2 当为膨胀型锚栓时,c min 取为2h ef ,s min 取为h ef ;
3 当为扩底型锚栓时,c min 取为h ef ,s min 取为h ef 。
6.1.11 当满足下列条件之一时,可不考虑荷载条件下的劈裂破坏:
1 c不小于1.5c cr,sp 且h不小于2h ef 。c cr,sp 为基材混凝土劈裂破坏的临界边距,应根据锚栓产品的认证报告确定;无认证报告时,在符合相应产品标准及本规程有关规定情况下,扩底型锚栓可取为2h ef ,膨胀型锚栓可取为3h ef 。
2 采用适用于开裂混凝土的锚栓,按照开裂混凝土计算承载力,且考虑劈裂力时基材裂缝宽度不大于0.3mm。
6.1.12 当不满足本规程第6.1.11条规定时,混凝土劈裂破坏承载力设计值N Rd,sp 应按下列公式计算:

式中:N Rd,sp ——混凝土劈裂破坏受拉承载力设计值(N)。
N Rk,sp ——混凝土劈裂破坏受拉承载力标准值(N)。
N Rk,c ——混凝土锥体破坏受拉承载力标准值(N),按本规程公式(6.1.3-2)计算。在A 0 c,N 、A c,N 及相关系数计算中,s cr,N 和c cr,N 应分别由s cr,sp 和c cr,sp 替代,s cr,sp 应取为2c cr,sp 。
γ R sp ——混凝土劈裂破坏受拉承载力分项系数,按本规程表4.3.10采用。
ψ h,sp ——构件厚度h对劈裂破坏受拉承载力的影响系数。
当ψ h,sp 的计算值大于1.5时,应取1.5。
条文说明
6.1.10~6.1.12 基材混凝土劈裂破坏分两种情况,一种是发生在锚栓安装阶段,主要是预紧力所引起,另一种是使用阶段,主要是外荷载所造成。但其根源,二者均是由于膨胀侧压力所致。不论任何情况,均应避免发生劈裂破坏。
锚栓安装过程中,只要有足够大的边距c、间距s、基材厚度h及边缘配筋,劈裂破坏是可以避免的,当c小于cmin
、s小于s min 、h小于h min 时,易发生安装劈裂破坏,一旦发生,整个锚固系统就失去了继续承载的能力,故不允许锚栓安装劈裂破坏现象发生。c min 、s min 、h min 应由锚栓生产厂家委托国家法定检验单位,通过系统的试验分析提出。
当c不小于c min 、s不小于s min 、h不小于h min ,但不满足第6.1.11条的条件时,随着锚栓所受外荷载的增大,锚栓对混凝土孔壁的膨胀挤压力会随之增加,此时的劈裂破坏则属荷载造成的劈裂破坏,其量值N Rk,sp 与混凝土锥体破坏承载力N Rk,c 大体相应,但在A 0 c,N 、A c,N 计算中的s cr,N 和c cr,N 应由s cr,sp 和c cr,sp 替代,且多了一项构件相对厚度影响系数ψ h,sp 。
Ⅱ 受剪承载力计算
6.1.13 机械锚栓受剪承载力应符合下列规定:
1 单一锚栓

2 群锚

式中:V sd ——单一锚栓剪力设计值(N);
V h sd ——群锚中剪力最大锚栓的剪力设计值(N);
V g sd ——群锚总剪力设计值(N);
V Rd,s ——锚栓钢材破坏受剪承载力设计值(N);
V Rd,c ——混凝土边缘破坏受剪承载力设计值(N);
V Rd,cp ——混凝土剪撬破坏受剪承载力设计值(N)。
条文说明
6.1.13
后锚固连接受剪承载力应按锚栓钢材破坏、混凝土剪撬破坏、混凝土边缘楔形体破坏等3种破坏类型,以及单锚与群锚两种锚固方式,共计6种情况分别进行计算。对于群锚连接,当为钢材破坏时,主要表现为受力最大锚栓的破坏,故取V h sd 计算即可;当为边缘混凝土楔形体破坏及混凝土撬坏时,则主要表现为群锚整体破坏,故取V g sd 进行整体锚固计算。
6.1.14 锚栓钢材破坏受剪承载力设计值V Rd,s 应按下式计算:
V Rd,s =V Rk,s /γ Rs,V (6.1.14-1)
式中:V Rk,s ——锚栓钢材破坏受剪承载力标准值(N),应按公式(6.1.14-2)或公式(6.1.14-3)、公式(6.1.14-4)计算确定;对于群锚,锚栓钢材断后伸长率不大于8%时,V Rk,s 应乘以0.8的降低系数。
γ Rs,V ——锚栓钢材破坏受剪承载力分项系数,按本规程表4.3.10采用。
1 无杠杆臂的纯剪,V Rk,s 应按下式计算:
V Rk,s =0.5? yk A s (6.1.14-2)
式中:? yk ——锚栓屈服强度标准值(N/mm 2 ),按本规程表3.2.3和表3.2.4采用;
A s ——锚栓应力截面面积(mm 2 )。
2 有杠杆臂的拉、剪复合受力,V Rk,s 应取按下列公式计算的V Rk,s1 和V Rk,s2 的较小值:

式中:l 0 ——杠杆臂计算长度(mm);用垫圈和螺母压紧在混凝土基面上时(图6.1.14-1a),l 0 取为l;无压紧时(图6.1.14-1b),l取为l+0.5d。
α M ——被连接件约束系数;无约束时(图6.1.14-2a),α M 取为1;完全约束时(图6.1.14-2b),α M 取为2;部分约束时,根据约束刚度取值。
M 0 Rk,s ——单根锚栓抗弯承载力标准值(N·mm)。
N sd ——单根锚栓拉力设计值(N)。
N Rd,s ——单根锚栓钢材破坏受拉承载力设计值(N)。
W el ——锚栓截面抵抗矩(mm 3 )。
3 满足下列条件时,作用于锚栓上的剪力可按无杠杆臂的纯剪计算:
1)锚板为钢材,直接固定于基材上,锚板与基材间无垫层;锚板与基材间有砂浆垫层时,垫层厚度小于d/2,砂浆抗压强度不低于30N/mm 2 ;
2)在锚板厚度范围内,锚板与锚栓全接触。

图6.1.14-1 杠杆臂计算长度示意
1—被连接件;2—螺杆

图6.1.14-2 约束状况示意
1—被连接件
条文说明
6.1.14 锚栓钢材受剪破坏分纯剪和拉弯剪复合受力两种情况。 对延性较低的硬钢群锚,因各锚栓应力分布不可能很均匀,故乘以0.8降低系数。 对于有杠杆臂的受剪,因锚栓处在拉、弯、剪的复合受拉状态,根据钢材破坏强度理论,拉弯破坏折算受剪承载力标准值VRk,s
可由公式(6.1.14-4)、(6.1.14-5)、(6.1.14-6)联解获得。其中所谓无约束,是指被连接件锚板在受力过程中,既产生平移又发生转动(图6.1.14-2a),锚栓杆相当于悬臂杆,故弯矩较大;所谓完全约束,是指被连接件锚板在受力过程中只产生平移,不发生转动(图6.1.14-2b),故弯矩亦较小。
6.1.15 锚栓边距c不大于10h ef 或c不大于60d时,混凝土边缘破坏受剪承载力设计值V Rd,c 应按下列公式计算:

式中:V Rk,c ——混凝土边缘破坏受剪承载力标准值(N);
γ Rc,V ——混凝土边缘破坏受剪承载力分项系数,按本规程表4.3.10采用;
V 0 Rk,c ——单根锚栓垂直构件边缘受剪时,混凝土理想边缘破坏受剪承载力标准值(N),按本规程6.1.16条的规定计算;
A 0 c,V ——单根锚栓受剪,在无平行剪力方向的边界影响、构件厚度影响或相邻锚栓影响时,混凝土理想边缘破坏在侧向的投影面面积(mm 2 ),按本规程第6.1.17条的规定计算;
A c,V ——单根锚栓或群锚受剪时,混凝土实际边缘破坏在侧向的投影面面积(mm 2 ),按本规程第6.1.18条的规定计算;
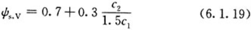
ψ s,V ——边距比c 2 /c 1 对受剪承载力的影响系数,按本规程第6.1.19条的规定计算;
ψ h,V ——边距与厚度比c 1 /h对受剪承载力的影响系数,按本规程第6.1.20条的规定计算;
ψ α,V ——剪力角度对受剪承载力的影响系数,按本规程第6.1.21条的规定计算;
ψ ec,V ——荷载偏心e V 对群锚受剪承载力的影响系数,按本规程第6.1.22条的规定计算;
ψ re,V ——锚固区配筋对受剪承载力的影响系数,按本规程第6.1.23条的规定取用。
6.1.16 单根锚栓垂直于构件边缘受剪时,混凝土理想边缘破坏的受剪承载力标准值V 0 Rk,c 应根据锚栓产品的认证报告确定;无认证报告时,在符合相应产品标准及本规程有关规定情况下,可按下列公式计算:

式中:α——系数;
β——系数;
d nom ——锚栓外径(mm);
? cu,k ——混凝土立方体抗压强度标准值(N/mm 2 ),当? cu,k 不小于45N/mm 2 且不大于60N/mm 2 时,应乘以降低系数0.95;
h ef ——锚栓有效锚固深度(mm),对于膨胀型锚栓及扩底型锚栓,为膨胀锥体与孔壁最大挤压点的深度;
c 1 ——锚栓与混凝土基材边缘的距离(mm);
l f ——剪切荷载下锚栓的有效长度(mm),l f 取为h ef ,且l f 不大于8d,对有多个套筒的锚栓,l f 以认证测试数据为准,无认证数据时,l f 取基材表面至第一个套筒端部的长度(图6.1.16)。

图6.1.16 有多个套筒锚栓l f 取值示意
1—第一个套筒;2—第二个套筒;3—螺杆;4—膨胀锥
6.1.17 在无平行剪力方向的边界影响、构件厚度影响或相邻锚栓影响时,单根锚栓受剪混凝土理想边缘破坏侧向的投影面面积A 0 c,V (图6.1.17),应按下式计算:

图6.1.17 混凝土理想边缘破坏投影面积示意
6.1.18 单根锚栓或群锚受剪时,混凝土实际边缘破坏在侧向的投影面面积A c,V 应按下列公式计算:
1 单根锚栓,位于构件角部,且h大于1.5c 1 、c 2 不大于1.5c 1 时(图6.1.18-1)
A c,V =1.5c 1 (1.5c 1 +c 2 ) (6.1.18-1)
2 双栓,位于构件边缘,且h不大于1.5c 1 、s 2 不大于3c 1 时(图6.1.18-2)

图6.1.18-1 单栓受剪,位于构件角部示意

图6.1.18-2 双栓受剪,位于构件边缘示意
A c,V =(3c 1 +s 2 )h (6.1.18-2)
3 四栓,位于构件角部,且h不大于1.5c 1 、s 2 不大于3c 1 、c 2 不大于1.5c 1 时(图6.1.18-3)
A c,V =(1.5c 1 +s 2 +c 2 )h (6.1.18-3)

图6.1.18-3 四栓受剪,位于构件角部示意
6.1.19 边距比c 2 /c 1 对受剪承载力的影响系数ψ s,V 应按下式计算。当ψ s,V 的计算值大于1.0时,应取1.0。

6.1.20 边距与构件厚度比c 1 /h对受剪承载力的影响系数ψ h,V 应按下式计算。当ψ h,V 的计算值小于1.0时,应取1.0。

6.1.21 剪力与垂直于构件自由边方向轴线之夹角α V (图6.1.21)对受剪承载力的影响系数ψ α,V 应按下式计算。

图6.1.21 剪力角α V 示意

式中:α V ——剪力与垂直于构件自由边方向轴线之夹角,α V 不大于90°。当α V 大于90°时,只计算平行于边缘的剪力分量,背离混凝土基材边缘的剪力分量可不计算。
6.1.22 荷载偏心对群锚受剪承载力的影响系数ψ ec,V 应按下式计算。当ψ ec,V 的计算值大于1.0时,应取1.0。

式中:e V ——剪力合力点至受剪锚栓重心的距离(mm)。
6.1.23 锚固区配筋对受剪承载力的影响系数ψ re,V 应按下列规定取用:
1 不开裂混凝土或边缘为无筋或少筋的开裂混凝土,ψ re,V 应取为1.0;
2 边缘配有直径d不小于12mm纵筋的开裂混凝土,ψ re,V 应取为1.2;
3 边缘配有直径d不小于12mm纵筋及间距不大于100mm箍筋的开裂混凝土,ψ re,V 应取为1.4。
6.1.24 位于角部的群锚,应分别计算两个边缘的受剪承载力设计值,并应取两者中的较小值作为群锚的边缘受剪承载力设计值。
6.1.25 满足下列条件,计算锚栓边



条文说明
6.1.15~6.1.25
构件边缘(c小于10h ef )受剪混凝土楔形体破坏时的受剪承载力标准值计算公式,主要是参考《欧洲技术指南——混凝土用金属锚栓》(ETAG)制定的,这些公式是建立在试验和模拟分析基础上的。根据上一版本规程有关计算公式所采用的系数,对《欧洲技术指南——混凝土用金属锚栓》(ETAG)最新计算公式进行了调整。
6.1.26 混凝土剪撬破坏受剪承载力设计值V Rd,cp 应按下列公式汁算(图6.1.26):
V Rd,cp =V Rk,cp /γ Rcp (6.1.26-1)
V Rd,cp =kN Rk,c (6.1.26-2)
式中:V Rk,cp ——混凝土剪撬破坏受剪承载力标准值(N);
γ Rcp ——混凝土剪撬破坏受剪承载力分项系数,按本规程表4.3.10采用;
k——锚固深度h ef 对V Rk,cp 的影响系数。当h ef 小于60mm时,k取为1.0;当h ef 不小于60mm时,k取为2.0。

图6.1.26 锚栓剪撬破坏示意
1—混凝土破坏锥体
6.1.27 混凝土剪撬破坏,群锚在剪力和扭矩作用下,各锚栓所受剪力方向相反时(图6.1.27-1),应分别验算单根锚栓剪撬破坏承载力。

图6.1.27-1 锚栓所受剪力方向相反示意
按照本规程第6.1.26条的规定,计算单根锚栓混凝土锥体破坏受拉承载力标准值N Rk,c 时,单根锚栓混凝土实际锥体破坏投影面面积A c,N 应按下列公式计算:
1 双栓,位于构件角部,且c 1 不大于c cr,N 、c 2 不大于c cr,N 、s 1 不大于s sr,N 时(图6.1.27-2)
A c,N,1 =(0.5s cr,N +s 1 /2)·(0.5s cr,N +c 2 ) (6.1.27-1)
A c,N,2 =(c 1 +s 1 /2)·(0.5s cr,N +c 2 ) (6.1.27-2)
2 四栓,无边距影响,且s 1 不大于s cr,N 、s 2 不大于s cr,N 时(图6.1.27-3)
A c,N,1 =(0.5s cr,N +s 1 /2)·(0.5s cr,N +s 2 /2) (6.1.27-3)
A c,N,2 =A c,N,3 =A c,N,4 =A c,N,1 (6.1.27-4)
式中:c 1 ——方向1的边距(mm);
c 2 ——方向2的边距(mm);
s 1 ——方向1的间距(mm);
s 2 ——方向2的间距(mm);
c cr,N ——混凝土锥体破坏,无间距效应及边缘效应,每根锚栓达到受拉承载力标准值的临界边距(mm),应取为1.5h ef ;
s cr,N ——混凝土锥体破坏,无间距效应和边缘效应,每根锚栓达到受拉承载力标准值的临界间距(mm),应取为3h ef 。

图6.1.27-2 双栓,位于构件角部示意

图6.1.27-3 四栓,无边距影响示意
Ⅲ 拉剪复合受力承载力计算
条文说明
6.1.26、6.1.27
基材混凝土剪撬破坏主要发生在中心受剪(c不小于10h ef )之粗短锚栓埋深较浅情况,系剪力反方向混凝土被锚栓撬坏,承载力计算公式系参考ETAG制定。
6.1.28 弹性设计时,拉剪复合受力下锚栓钢材破坏承载力应按下列公式验算:

式中: N sd ——锚栓拉力设计值(N);
N Rd,s ——锚栓钢材破坏受拉承载力设计值(N);
V sd ——锚栓剪力设计值(N);
V Rd,s ——锚栓钢材破坏受剪承载力设计值(N)。
对于群锚,应分别用N h sd 、V h sd 代替N sd 和V sd 进行计算,当N h sd 、V h sd 为群锚中不同锚栓时,群锚中所有的锚栓均应计算。
6.1.29 弹性设计时,拉剪复合受力下混凝土破坏承载力应按下列公式验算:

式中:N sd ——锚栓拉力设计值(N);
N Rd,c ——混凝土破坏受拉承载力设计值(N);
V sd ——锚栓剪力设计值(N);
V Rd,c ——混凝土破坏受剪承载力设计值(N);
6.2 化学锚栓
6.2 化学锚栓
Ⅰ 受拉承载力计算
6.2.1 化学锚栓受拉承载力应符合下列规定:
1 单一锚栓

2 群锚

式中:N sd ——单一锚栓拉力设计值(N);
N h sd ——群锚中拉力最大锚栓的拉力设计值(N);
N g sd ——群锚受拉区总拉力设计值(N);
N Rd,s ——锚栓钢材破坏受拉承载力设计值(N);
N Rd,c ——混凝土锥体破坏受拉承载力设计值(N);
N Rd,p ——混合破坏受拉承载力设计值(N);
N Rd,sp ——混凝土劈裂破坏受拉承载力设计值(N)。
条文说明
6.2.1
化学锚栓受拉承载力应按锚栓钢材破坏、混合破坏、混凝土锥体受拉破坏、劈裂破坏等4种破坏类型,及单锚与群锚两种锚固连接方式,共计8种情况分别进行计算。对于单锚连接,外力与抗力比较明确,计算较为简单。对于群锚连接,情况较为复杂:当为钢材破坏时,破坏主要出现在某些受力最大锚栓,因此,一般只计算受力最大(N h sd )锚栓即可;当为混合破坏、混凝土锥体破坏或劈裂破坏时,主要表现为群锚基材整体破坏,故取N g sd 进行整体锚固计算。
6.2.2 普通化学锚栓承受长期荷载作用,发生混合破坏时,其受拉承载力应符合下列规定:
1 单一锚栓

2 群锚

式中:N sd,l ——在长期荷载作用下,单一锚栓拉力设计值(N);
N h sd,l ——在长期荷载作用下,群锚中拉力最大锚栓的拉力设计值(N);
N 0 Rk,p ——无间距、边距影响时,单个锚栓的受拉承载力标准值(N),按本规程第6.2.4条计算;
γ Rp ——混合破坏受拉承载力分项系数,按本规程表4.3.10采用。
6.2.3 化学锚栓发生钢材破坏受拉承载力设计值N Rd,s 应按本规程第6.1.2条的规定进行计算;化学锚栓发生混凝土锥体破坏受拉承载力设计值N Rd,c 应按本规程第6.1.3条~第6.1.9条的规定进行计算。
6.2.4 普通化学锚栓发生混合破坏时,其受拉承载力设计值N Rd,p 应按下列公式计算:

式中:N Rk,p ——混合破坏受拉承载力标准值(N);
N 0 Rk,p ——无间距、边距影响时,单个锚栓的受拉承载力标准值(N);
γ Rp ——混合破坏受拉承载力分项系数,按本规程表4.3.10采用;
τ Rk ——粘结强度标准值(N/mm 2 ),按本规程第6.2.5条取用;
A 0 p,N ——无间距、边距影响时,单根锚栓受拉混凝土理想锥体破坏投影面面积(mm 2 ),按本规程第6.2.6条的规定计算;
A p,N ——单根锚栓或群锚受拉混凝土实际锥体破坏投影面面积(mm 2 ),按本规程第6.2.7条的规定计算;
ψ s,Np ——边距c对受拉承载力的影响系数,按本规程第6.2.8条的规定计算;
ψ g,Np ——群锚表面破坏对受拉承载力的影响系数,按本规程第6.2.9条的规定计算;
ψ ec,Np ——荷载偏心e N 对受拉承载力的影响系数,按本规程第6.2.10条的规定计算;
ψ re,Np ——表层混凝土因密集配筋的剥离作用对受拉承载力的影响系数,按本规程第6.2.11条的规定计算。
6.2.5 普通化学锚栓粘结强度标准值τ Rk ,对于开裂混凝土,应取为τ Rk,cr ;对于不开裂混凝土,应取为τ Rk,ucr 。τ Rk 应根据锚栓产品的认证报告确定;无认证报告时,在符合相应产品标准及下列规定情况下,可按表6.2.5取用。
1 基材混凝土强度等级不低于C25,等效养护龄期不小于600℃·d;
2 普通化学锚栓安装时环境温度不低于10℃;
3 普通化学锚栓的有效锚固深度h ef 不大于20d。
表6.2.5 粘结强度标准值τ Rk (N/mm 2 )

注:1 当化学锚栓上作用有长期拉力荷载时,表内数值应乘以0.4的折减系数;
2 考虑地震荷载作用时,τ Rk,cr 应乘以0.8的折减系数;
3 同时考虑长期拉力荷载与地震作用时,τ Rk,cr 应乘以0.32的折减系数;
4 最高长期温度下的承载力与常温参照试验的承载力之比小于1时,应按相同比例对表内数值进行折减。
条文说明
6.2.5 化学锚栓在长期拉力荷载、地震作用、高温等共同作用下,粘结强度标准值的折减系数应连乘。
6.2.6 单根锚栓受拉混凝土理想锥体破坏投影面面积A 0 p,N 应按下列公式计算(图6.2.6):

图6.2.6 单个锚栓的影响面积A 0 p,N 示意

式中:s cr,Np ——无间距效应和边缘效应,混凝土理想锥体破坏,每根锚栓达到受拉承载力标准值的临界间距(mm),s cr,Np 不应大于3h ef ;
τ Rk,ucr ——不开裂C25混凝土下普通化学锚栓粘结强度标准值(N/mm 2 ),按本规程第6.2.5条取用。
6.2.7 单根锚栓或群锚受拉,混凝土实际锥体破坏投影面面积A p,N ,应根据锚栓排列布置情况的不同,分别按下列公式计算:
1 单根锚栓,靠近构件边缘布置,且c 1 不大于c cr,Np 时(图6.2.7-1)
A p,N =(c 1 +0.5s cr,Np )s cr,Np (6.2.7-1)
2 双栓,垂直于构件边缘布置,且c 1 不大于c cr,Np 、s 1 不大于s cr,Np 时(图6.2.7-2)
A p,N =(c 1 +s 1 +0.5s cr,Np )s cr,Np (6.2.7-2)

图6.2.7-1 单栓受拉、靠近构件边缘时的计算面积示意

图6.2.7-2 双栓受拉,垂直于构件边缘时的计算面积示意
3 双栓,平行于构件边缘布置,且c 2 不大于c cr,Np 、s 1 不大于s cr,Np 时(图6.2.7-3)
A p,N =(c 2 +0.5s cr,Np )(s 1 +s cr,Np ) (6.2.7-3)
4 四栓,位于构件角部,且c 1 不大于c cr,Np 、c 2 不大于c cr,Np 、s 1 不大于s cr,Np 、s 2 不大于s cr,Np 时(图6.2.7-4)
A p,N =(c 1 +s 1 +0.5s cr,Np )(c 2 +s 2 +0.5s cr,Np ) (6.2.7-4)
式中:c 1 ——方向1的边距(mm);
c 2 ——方向2的边距(mm);
s 1 ——方向1的间距(mm);
s 2 ——方向2的间距(mm);
c cr,Np ——无间距效应及边缘效应,每根锚栓达到受拉承载力标准值的临界边距(mm),应取为0.5s cr,Np 。

图6.2.7-3 双栓受拉、平行于构件边缘时的计算面积示意

图6.2.7-4 四栓受拉,位于构件角部的计算面积示意
6.2.8 边距c对受拉承载力的影响系数ψ s,Np 应按下式计算。当ψ s,Np 的计算值大于1.0时,应取1.0。

式中:c——边距(mm),有多个边距时应取最小值。
6.2.9 群锚破坏表面影响系数ψ g,Np 应按下列公式计算。当ψ g,Np 、ψ 0 g,Np 的计算值小于1.0时,应取1.0。


式中:s——锚栓间距(mm),当s 1 和s 2 不同时,应用其平均值代替;
n——群锚锚栓数量;
τ Rk ——粘结强度标准值(N/mm 2 ),应按本规程第6.2.5条取用;
k——系数。开裂混凝土,k应取为2.3;不开裂混凝土,k应取为3.2。
6.2.10 荷载偏心对受拉承载力的影响系数ψ ec,Np 应按下式计算。当ψ ec,Np 的计算值大于1.0时,应取1.0。当为双向偏心时,ψ ec,Np 应分别按两个方向计算,并取为ψ (ec,Np) 1 ·ψ (ec,Np) 2 。

式中:e N ——受拉锚栓合力点相对于群锚受拉锚栓重心的偏心距(mm)。
6.2.11 表层混凝土因密集配筋的剥离作用对受拉承载力的影响系数ψ re,Np 应按下式计算。当ψ re,Np 的计算值大于1.0时,应取1.0。当锚固区钢筋间距s不小于150mm,或钢筋直径d不大于10mm且s不小于100mm时,ψ re,Np 应取1.0。

6.2.12 群锚有三个及以上边缘,且锚栓的最大边距C max 不大于


图6.2.12 有多个边缘影响的群锚示意
6.2.13 锚栓安装过程中不产生劈裂破坏的最小边距c min 、最小间距s min 及基材最小厚度h min ,应根据锚栓产品的认证报告确定;无认证报告时,在符合相应产品标准及本规程有关规定情况下,可按下列规定取用:
1 c min 取为h ef ;
2 s min 取为h ef ;
3 h min 取为2h ef ,且h min 不应小于100mm。
6.2.14 当满足下列条件之一时,可不考虑荷载条件下的劈裂破坏:
1 c不小于1.5c cr,sp 且h不小于2h min ,其中c cr,sp 为基材混凝土劈裂破坏的临界边距,取为2h ef ;
2 采用适用于开裂混凝土的锚栓,按照开裂混凝土计算承载力,且考虑劈裂力时基材裂缝宽度不大于0.3mm。
6.2.15 不满足本规程第6.2.14条规定时,应按下列公式计算混凝土劈裂破坏承载力设计值N Rd,sp :
N Rd,sp =N Rk,sp /γ Rsp (6.2.15-1)
N Rk,sp =ψ h,sp N Rk,c (6.2.15-2)
ψ h,sp =(h/h min ) 2/3 (6.2.15-3)
式中:N Rd,sp ——混凝土劈裂破坏受拉承载力设计值(N)。
N Rk,sp ——混凝土劈裂破坏受拉承载力标准值(N)。
N Rk,c ——混凝土锥体破坏受拉承载力标准值(N),按本规程公式(6.1.3-2)计算。A 0 c,N 、A c,N 及相关系数计算中,s cr,N 和c cr,N 应分别由s cr,sp 和c cr,sp 替代,s cr,sp 应取为2c cr,sp 。
γ Rsp ——混凝土劈裂破坏受拉承载力分项系数,按本规程表4.3.10采用。
ψ h,sp ——构件厚度h对劈裂承载力的影响系数。ψ h,sp 的计算值不应大于(2h ef /h min ) 2/3 。
Ⅱ 受剪承载力计算
6.2.16 化学锚栓受剪承载力应符合下列规定:
1 单一锚栓

2 群锚

式中:V sd ——单一锚栓剪力设计值(N);
V h sd ——群锚中剪力最大锚栓的剪力设计值(N);
V g sd ——群锚总剪力设计值(N);
V Rd,s ——锚栓钢材破坏受剪承载力设计值(N);
V Rd,c ——混凝土边缘破坏受剪承载力设计值(N);
V Rd,cp ——混凝土剪撬破坏受剪承载力设计值(N)。
6.2.17 化学锚栓钢材破坏受剪承载力设计值V Rd,s 应按本规程第6.1.14条的规定计算。
6.2.18 当化学锚栓边距c不大于10h ef 或c不大于60d时,混凝土边缘破坏受剪承载力设计值V Rd,c 应按下列公式计算:

式中:V Rk,c ——混凝土边缘破坏受剪承载力标准值(N);
γ Rc,V ——混凝土边缘破坏受剪承载力分项系数,按本规程表4.3.10采用;
V 0 Rk,c ——单根锚栓垂直构件边缘受剪的混凝土理想边缘破坏受剪承载力标准值(N),按本规程第6.2.19条规定计算;
A 0 c,V ——无平行剪力方向的边界影响、构件厚度影响或相邻锚栓影响时,单根锚栓受剪的混凝土理想边缘破坏在侧向的投影面面积(mm 2 ),按本规程第6.1.17条的规定计算;
A c,V ——群锚受剪时的混凝土实际边缘破坏在侧向的投影面面积(mm 2 ),按本规程第6.1.18条的规定计算;
ψ s,V ——边距比c 2 /c 1 对受剪承载力的影响系数,按本规程第6.1.19条的规定计算;
ψ h,V ——边距与厚度比c 1 /h对受剪承载力的影响系数,按本规程第6.1.20条的规定计算;
ψ α,V ——剪力角度对受剪承载力的影响系数,按本规程第6.1.21条的规定计算;
ψ ec,V ——荷载偏心e V 对群锚受剪承载力的影响系数,按本规程第6.1.22条的规定计算;
ψ re,V ——锚固区配筋对受剪承载力的影响系数,按本规程第6.1.23条的规定取用。
6.2.19 单根锚栓垂直于构件边缘受剪时,混凝土理想边缘破坏的受剪承载力标准值V 0 Rk,c 应根据锚栓产品的认证报告确定;无认证报告时,在符合相应产品标准及本规程有关规定情况下,可按下列公式计算:

式中:α——系数;
β——系数;
d——锚栓螺杆直径(mm)。
6.2.20 位于构件角部的群锚,应分别计算两个边缘的受剪承载力设计值,并应取两者中的较小值作为群锚的边缘受剪承载力设计值。
6.2.21 满足下列条件,计算锚栓边缘



6.2.22 混凝土剪撬破坏时的受剪承载力设计值V Rd,cp ,应按本规程第6.1.26条和第6.1.27条的规定进行计算。
对于普通化学锚栓,应根据其混合破坏受拉承载力标准值N Rk,p 及混凝土锥体破坏受拉承载力标准值N Rk,c ,采用公式(6.1.26-1)与(6.1.26-2)分别计算混凝土剪撬破坏受剪承载力设计值,并应取二者的较小值作为普通化学锚栓混凝土剪撬破坏受剪承载力设计值V Rd,cp 。
Ⅲ 拉剪复合受力承载力计算
6.2.23 弹性设计时,拉剪复合受力下化学锚栓的承载力设计值应按本规程第6.1.28条和第6.1.29条的规定进行计算。
6.3 植筋
6.3 植 筋
6.3.1 单根植筋锚固的锚固深度设计值和受拉承载力设计值应符合下列规定:

式中:N b t ——植筋钢材受拉承载力设计值(N);

y ——植筋用钢筋的抗拉强度设计值(N/mm 2 );
A s ——钢筋截面面积(mm 2 );
l d ——植筋锚固深度设计值(mm);
l s ——植筋的基本锚固深度(mm),按本规程第6.3.2条计算;
ψ N ——考虑各种因素对植筋受拉承载力影响而需加大锚固深度的修正系数,按本规程第6.3.4条计算;
ψ ae ——考虑植筋位移延性要求的修正系数;当混凝土强度等级不高于C30时,对6度区及7度区Ⅰ、Ⅱ类场地,应取1.1;对7度区Ⅲ、Ⅳ类场地及8度区,应取1.25;当混凝土强度等级高于C30时,应取1.0。
6.3.2 植筋的基本锚固深度l s 应按下式计算:
l s =0.2α spt d
y /
bd (6.3.2)
式中:α spt ——考虑混凝土劈裂影响的计算系数。当植筋表面至构件表面的最小距离c不大于5d时,按表6.3.2取用;当植筋表面至构件表面的最小距离c大于5d时,α spt 应取1.0;
d——植筋公称直径(mm);

bd ——植筋用胶粘剂的粘结强度设计值(N/mm 2 ),按本规程表6.3.3取用。
表6.3.2 考虑混凝土劈裂影响的计算系数α spt

注:在植筋锚固深度范围内横向钢筋间距s大于100mm时,应进行加固。
条文说明
6.3.1、6.3.2 本规程对植筋受拉承载力的确定,虽然是以充分利用钢材强度和延性为条件的,但在计算其基本锚固深度时,却是按钢材屈服和与粘结破坏同时发生的临界状态进行确定的。因此,在计算地震区植筋承载力时,对其锚固深度设计值的确定,尚应乘以保证其位移延性达到设计要求的修正系数。试验表明,该修正系数只要符合本条的规定,其所植钢筋不仅都能屈服,而且后继强化段明显,能够满足抗震对延性的要求. 另外,应说明的是在植筋承载力计算中还引入了防止混凝土劈裂的计算系数。这是参照美国《房屋建筑混凝土结构规范》ACI 318-2002的规定制定的;但考虑到按美国《房屋建筑混凝土结构规范》ACI 318-2002公式计算较为复杂,况且也有必要按我国的工程经验进行调整,故而采取了按查表的方法确定。
6.3.3 构件的混凝土保护层厚度不低于现行国家标准《混凝土结构设计规范》GB 50010的规定时,植筋用胶粘剂的粘结强度设计值
bd 可按表6.3.3规定值取用。当基材混凝土强度等级大于C30,且使用快固型胶粘剂时,表中的
bd 值应乘以0.8的折减系数。
表6.3.3 粘结强度设计值
bd (N/mm 2 )

注:1 表中s为植筋间距;c为植筋边距;
2 表中
bd 值仅适用于带肋钢筋的粘结锚固。
条文说明
6.3.3 锚固用胶粘剂粘结强度设计值,不仅取决于胶粘剂的基本力学性能,而且还取决于混凝土强度等级以及结构的构造条件。表6.3.3规定的粘结强度设计值是参照国家现行标准《混凝土结构加固设计规范》GB 50367和《混凝土结构工程无机材料后锚固技术规程》JGJ/T 271的有关规定确定的。 快固型结构胶在C30以上(不包括C30)的混凝土基材中使用时,其粘结抗剪强度之所以需作降低的调整,是因为在较高强度等级的混凝土基材中植筋,胶的粘结性能才能显现出来,并起到控制的作用,而快固型结构胶主成分的固有性能决定了它的粘结强度要比慢固型结构胶低。
6.3.4 考虑各种因素对植筋受拉承载力影响的锚固深度修正系数ψ N 应按下式计算:
ψ N =ψ br ψ W ψ T (6.3.4)
式中:ψ br ——考虑结构构件受力状态对承载力影响的系数:当为悬挑结构构件时,宜取1.5;当为非悬挑的重要构件接长时,宜取1.15;当为其他构件时,宜取1.0;
ψ W ——混凝土孔壁潮湿影响系数。对耐潮湿型粘胶剂,应按产品说明书的规定值采用,且不应低于1.1;
ψ T ——使用环境的温度影响系数。当温度T不大于50℃时,应取1.0;当温度T大于50℃时,应采用耐高温胶粘剂,ψ T 应由试验确定。
条文说明
6.3.4 本条规定的各种因素对植筋受拉性能影响的修正系数,是参照欧洲有关指南和我国的试验研究结果制定的。
6.3.5 植筋锚固长度不满足本规程第6.3.1条的要求时,可按化学锚栓的有关规定进行设计。
条文说明
6.3.5 按照本规程第6.3.1条计算得到的植筋锚固长度较长,工程实际很难满足。本条明确规定对不满足植筋锚固长度的后植钢筋应按化学锚栓的要求进行设计。 植筋锚固长度不满足计算要求时,也可采用其他附加锚固措施,保证钢筋破坏。
6.3.6 植筋连接的锚固深度应经设计计算确定。
7 构造措施
7.1 锚栓
7 构造措施
7.1 锚 栓
7.1.1 混凝土基材的厚度h应符合下列规定:
1 对于膨胀型锚栓和扩底型锚栓,h不应小于2h ef ,且h应大于100mm。h ef 为锚栓的有效埋置深度。
2 对于化学锚栓,h不应小于h ef +2d 0 ,且h应大于100mm。d 0 为钻孔直径。
7.1.2 群锚锚栓最小间距s和最小边距c,应根据锚栓产品的认证报告确定;当无认证报告时,应符合表7.1.2的规定。锚栓最小边距c尚不应小于最大骨料粒径的2倍。
表7.1.2 锚栓最小间距s和最小边距c

注:d nom 为锚栓外径。
条文说明
7.1.1、7.1.2 锚固基材厚度、群锚间距及边距等最小值规定,除避免锚栓安装时减小混凝土劈裂破坏的可能性外,主要在于增强锚固连接基材破坏时的承载能力和安全可靠性,其值应通过系统性能试验分析后给定。
7.1.3 锚栓不应布置在混凝土保护层中,有效锚固深度h ef 不应包括装饰层或抹灰层。
条文说明
7.1.3 作为基材锚固区的理想条件是,混凝土应坚实可靠,且配有适量钢筋。建筑抹灰层及装修层等,因结构疏松或粘结强度低,不得作为设置锚栓的锚固区。
7.1.4 承重结构用的锚栓,其公称直径不应小于12mm,锚固深度h ef 不应小于60mm。
7.1.5 承受扭矩的群锚,应采用胶粘剂将锚板上的锚栓孔间隙填充密实。
7.1.6 锚板孔径d f 应满足表7.1.6的要求。
表7.1.6 锚板孔径及最大间隙允许值

7.1.7 化学锚栓的最小锚固深度应满足表7.1.7的要求。
表7.1.7 化学锚栓最小锚固深度

7.2 植筋
7.2 植 筋
7.2.1 植筋的最小锚固长度l min ,对受拉钢筋,应取0.3l s 、10d和100mm三者之间的最大值;对受压钢筋,应取0.6l s 、10d和100mm三者之间的最大值;对悬挑构件尚应乘以1.5的修正系数。l s 为植筋的基本锚固深度,d为钢筋直径。
条文说明
7.2.1 参照国家现行标准《混凝土结构加固设计规范》GB 50367和《混凝土结构工程无机材料后锚固技术规程》JGJ/T 271的有关规定。
7.2.2 基材在植筋方向的最小尺寸h min 应满足下式要求:
h min ≥l d +2D (7.2.2)
式中:D——钻孔直径,宜按表7.2.2的规定取用。
表7.2.2 钢筋直径与对应的钻孔直径


条文说明
7.2.2 植筋钻孔直径大小与其受拉承载力有一定关系。过小不容易保证施工质量,钻孔直径过大则钻孔施工困难,且对原结构影响较大。本条文系参照国家现行标准《混凝土结构加固设计规范》GB 50367及《混凝土结构工程无机材料后锚固技术规程》JGJ/T 271相关条文而制定。
7.2.3 植筋与混凝土边缘距离不宜小于5d,且不宜小于100mm。当植筋与混凝土边缘之间有垂直于植筋方向的横向钢筋,且横向钢筋配筋量不小于 
8@100或其等量截面积,植筋锚固深度范围内横向钢筋不少于2根时,植筋与边缘的最小距离可适当减少,但不应小于50mm。植筋间距不应小于5d。d为钢筋直径。
条文说明
7.2.3 植筋距混凝土边缘过小容易发生混凝土边缘的劈裂破坏,且施工时成孔也较困难,故应对植筋与混凝土边缘的最小距离加以限制。
8 抗震设计
8.1 一般规定
8 抗震设计
8.1 一般规定
8.1.1 后锚固技术适用于设防烈度8度及8度以下地区以钢筋混凝土、预应力混凝土为基材的后锚固连接。在承重结构中采用后锚固技术时宜采用植筋;设防烈度不高于8度(0.2g)的建筑物,可采用后扩底锚栓和特殊倒锥形化学锚栓。
条文说明
8.1.1 地震作用是一个反复荷载作用,从滞回性能和耗能角度分析,锚固连接破坏应控制为锚栓钢材破坏,避免混凝土基材破坏。化学植筋,因其锚固深度可根据计算受力要求、基材尺寸及现场条件确定,目前,已经过大量试验及工程实践验证,因此,应在地震区优先应用。后扩底锚栓和特殊倒锥形锚栓应用范围限制在抗震设防烈度在8度(0.2g)及以下,主要是参考了现行国家标准《混凝土结构加固设计规范》GB 50367的有关规定。
8.1.2 抗震设防区结构构件连接时,膨胀型锚栓不应作为受拉、边缘受剪和拉剪复合受力连接件。
条文说明
8.1.2 膨胀型锚栓在地震往复荷载作用下,容易出现承载力显著下降,甚至发生拔出破坏,易形成工程隐患。
8.1.3 在抗震设防区应用的锚栓应符合下列规定:
1 应采用适用于开裂混凝土的锚栓,并应进行裂缝反复开合下锚栓承载能力检测;
2 应进行抗震性能适用检测。
8.1.4 机械锚栓的抗震性能应符合现行行业标准《混凝土用膨胀型、扩孔型建筑锚栓》JG 160的有关规定。
8.1.5 化学锚栓的抗震性能应按附录B的规定进行检验,并应符合下列规定:
1 抗拉锚固系数α不应小于0.80,滑移系数γ不应小于0.70,抗拉承载力变异系数υ N 不应大于0.30;
2 剩余抗剪承载力与C25非开裂混凝土下基本抗剪性能试验的抗剪承载力平均值V r Ru,m 的比值不应小于0.80。
8.1.6 在抗震设防区应用植筋时应符合下列规定:
1 应进行开裂混凝土及裂缝反复开合下植筋承载能力检测,试验时植筋锚固深度应取基本锚固深度l s ,试验方法应符合本规程附录B的规定,试验时所植钢筋应达到实际屈服强度;
2 应进行抗震性能适用检测,试验时植筋锚固深度应取基本锚固深度l s ,试验方法应符合本规程附录B的规定,试验时所植钢筋应达到实际屈服强度。
8.1.7 锚栓螺杆及植筋钢筋的抗拉强度实测值与屈服强度实测值的比值不应小于1.25;屈服强度实测值与屈服强度标准值的比值不应大于1.3,且在最大拉力下的总伸长率实测值不应小于9%。
8.1.8 抗震设计的锚栓,除应符合本规程第7章有关规定外,宜布置在构件的受压区或不开裂区。
条文说明
8.1.8 锚固连接的可靠性和锚固能力,除锚栓品种外,锚固基材的品质及应力状况至关重要,裂缝开展区及素混凝土区,一般均不应作为有抗震设防要求的锚固区。
8.1.9 后锚固连接不应位于基材混凝土结构塑性铰区。
条文说明
8.1.9 基材混凝土结构的塑性铰区在地震反复荷载作用下,一般有较大的塑性变形,混凝土构件也会产生较大开裂,对锚固连接的可靠性和锚固能力影响较大,因此,若保证后锚固连接应用于地震区的可靠性,不应将后锚固区布置在混凝土塑性铰区。 梁柱节点核心区在大震作用下有可能出现较大裂缝,混凝土破坏严重,在梁柱节点区应用植筋时,应保证节点极限状态下不能严重破坏。
8.1.10 后锚固连接破坏应控制为锚栓钢材受拉延性破坏或连接构件延性破坏。
条文说明
8.1.10 为保证后锚固连接的延性破坏,对锚栓的破坏模式一般应控制为钢材破坏,若无法满足锚栓破坏模式为钢材破坏时,应在锚栓承载力设计值计算时考虑实现连接构件的延性破坏。
8.1.11 后锚固连接抗震验算时,混凝土基材应按开裂混凝土计算。
8.2 抗震承载力验算
8.2 抗震承载力验算
8.2.1 锚固连接地震作用内力计算应按现行国家标准《建筑抗震设计规范》GB 50011进行;地震作用下锚固连接承载力的计算应根据本规程第4.3.5条考虑锚固承载力降低系数。
条文说明
8.2.1 根据试验研究,低周反复荷载下锚固承载力呈现出一定的退化现象,其量值随破坏形态、锚栓类型及受力性质而变,幅度变化在0.6R~1.0R之间,因此,地震作用下锚固连接设计计算时,锚固承载力应按本规程第4.3.9条考虑承载力降低系数。
8.2.2 后锚固连接控制为锚栓钢材受拉延性破坏时,应满足下列要求:
1 单个锚栓

群锚

式中:N Rk,s ——锚栓钢材破坏受拉承载力标准值;
N Rk,min ——混凝土破坏受拉承载力标准值,取N Rk,c 、N Rk,sp 和N Rk,p 的最小值;
N h sk ——群锚中拉力最大锚栓的拉力标准值;
N g sk ——群锚受拉区总拉力标准值;
k——地震作用下锚固承载力降低系数。
2 锚栓应具有不小于8d的延性伸长段(图8.2.2)并应采取措施保证不发生屈曲破坏;
3 当锚栓采用非全螺纹螺杆且螺纹部分未采用镦粗等工艺增强时,螺杆极限抗拉强度应大于屈服强度的1.3倍;采用镦粗等工艺增强的螺纹长度不应计入延性伸长段。

图8.2.2 锚栓延性伸长段示意图
1—螺母;2—锚固撑脚;3—砂浆垫层;4—锚板;5—套筒
条文说明
8.2.2 抗震设计的原则应是构件或节点预期发生延性破坏,对于受拉、边缘受剪、拉剪复合受力之结构构件锚固连接抗震设计,应控制为锚栓钢材延性破坏,避免基材混凝土脆性破坏,本条规定是参考国外有关规范从锚固承载力计算及构造要求等方面保证锚固连接仅发生钢材破坏。
8.2.3 后锚固连接控制为连接构件延性破坏时,应满足下式要求:
η b R L ≤kR d /γ RE (8.2.3)
式中:R L ——连接构件承载力设计值,应按实际结构、实际截面、实配钢筋和材料强度设计值计算的承载力设计值;
R d ——锚固承载力设计值;
η b ——增大系数;当抗震设防烈度分别为6、7、8度时,η b 宜分别取1.0,1.1,1.2;
k——地震作用下锚固承载力降低系数。
条文说明
8.2.3 为实现地震区连接构件的延性破坏,参考国家有关规范的要求,根据不同的抗震设防烈度,考虑受力增大系数,保证发生连接构件的延性破坏。
8.3 抗震构造措施
8.3 抗震构造措施
8.3.1 抗震锚固连接锚栓的最小有效锚固相对深度宜满足表8.3.1的规定;当有充分试验依据及可靠工程经验并经国家指定机构认证许可时,可不受其限制。
表8.3.1 锚栓最小有效锚固相对深度h ef,min /d

条文说明
8.3.1 植筋锚固在本规程6.3节已给出明确计算及构造要求,且对地震区进行了明确的规定。本次修订取消了有关植筋最小有效锚固深度的规定。实际工程设计时应根据本规程6.3节计算确定。 对扩底型锚栓、膨胀型锚栓根据有关产品参数及工程应用实践确定最小有效锚固深度。由于普通化学锚栓及特殊倒锥形化学锚栓在建筑工程中已积累工程经验,同时,参考欧洲和美国有关标准及指南,给出不同设防烈度下,最小有效锚固深度与锚栓直径的比值。由于化学锚栓为定型产品,同直径的锚栓长度不会根据构件类型、受力形式和设防烈度不同而调整,因此,在地震区应用时应对锚栓承载力适当降低。
8.3.2 新建工程采用锚栓锚固连接时,可在锚固区预设钢筋网,钢筋直径不应小于8mm。锚固连接根据本规程第4.3.3条判定为重要的锚固时,钢筋间距不应大于100mm;一般的锚固时,钢筋间距不宜大于150mm。
条文说明
8.3.2 试验和工程经验表明,锚固区具有一定量的钢筋,锚固性能可大为改善。与既有建筑工程不同,新建建筑工程在设计及施工时对后锚固区有条件配置钢筋。为提高锚固连接的可靠性,减小基材混凝土破坏的可能性,可在预设的锚固区配置必要的钢筋网,本次修订给出具体钢筋间距的要求,以保证布置必要的构造钢筋。
9 锚固施工与验收
9.1 一般规定
9 锚固施工与验收
9.1 一般规定
9.1.1 后锚固产品进场时,应按合同核对其型号、规格、数量等。锚栓或钢筋及胶粘剂的类别和规格应符合设计要求。锚栓和胶粘剂应有产品制造商提供的产品合格证书、使用说明书、检测报告或认证报告。
条文说明
9.1.1 目前市场上有不同品牌和功能的国内外锚栓和胶粘剂可供选择,生产厂家的产品质量参差不齐,但施工所用的产品质量必须符合相应产品质量检验标准,产品的规格应符合设计要求。目前已经出版的有关锚栓和植筋的规范主要有《混凝土结构加固设计规范》GB 50367-2006、《建筑结构加固工程施工质量验收规范》GB 50550-2010、《混凝土用膨胀型、扩孔型建筑锚栓》JGJ 160-2004、《紧固件机械性能》GB/T 3098-2000、《混凝土结构工程用锚固胶》JG/T 340。植筋钢筋的质量亦应符合相应国家现行规范的要求。
9.1.2 后锚固产品进场后,应按下列规定进行进场检验:
1 外观检查
锚栓:应从每批产品中抽取5%且不应少于10套样品,检查外形尺寸、表面裂纹、锈蚀或其他局部缺陷。外形尺寸应符合产品质保书所示的尺寸范围,且表面不应有裂纹、锈蚀或其他局部缺陷。当有下列情况之一时,本批产品应逐套检查,合格者方可进入后续检验:
1)当有1件不符合要求时,应另取双倍数量的样品重做检查,仍有1件不合格;
2)当有1件表面有裂纹、锈蚀或其他局部缺陷。
胶粘剂:外观质量应无结块、分层或沉淀,胶粘剂应全数检查,合格者方可进入后续检验。
2 力学性能试验
1)锚栓应进行螺杆的受拉性能试验。试验时,同种规格每5000个为一个检验批,不足5000个按一个检验批计算,每批抽检3根。锚栓螺杆受拉性能应满足本规程第3.2.3条、第3.2.4条和第3.2.5条的要求。当试验结果中有一件不合格时,应加倍取样并重新试验,若仍有一件不合格,该批产品应判定为不合格。
2)胶粘剂应进行C30混凝土的约束拉拔条件下带肋钢筋与混凝土的粘结强度试验。试验时,每种规格的产品应抽样一组,并按现行行业标准《混凝土结构工程用锚固胶》JG/T 340的有关要求进行试验。
条文说明
9.1.2 对后锚固产品的进场验收作出了明确的规定。由于相关产品在定型时已经进行了试验验证或认证,在出厂前又进行了有关实测检验,因此在进场验收时,以简化进场验收手续,同时又能确保产品质量为原则确定产品抽样数量及试验项目。
9.1.3 锚固区基材应符合下列规定:
1 基材上的抹灰层、装饰层、附着物、油污应清除干净;
2 基材表面应坚实、平整,不应有蜂窝、麻面等局部缺陷。
条文说明
9.1.3 锚固基材强度和本身的质量直接关系锚固强度及锚固安全性,如混凝土施工质量、锚固区潮湿、基体开裂都在不同程度上影响锚固的强度,降低使用的安全性,故对锚固区基材作出规定。
9.1.4 锚栓或植筋施工前,宜检测基材原钢筋的位置,钻孔不得损伤原钢筋。当设计孔位与钢筋相碰或锚栓完全处于混凝土保护层内时,应通知设计单位,采取相应的措施。
条文说明
9.1.4 检测钢筋的位置是为了在钻孔时避开钢筋,以免影响锚固基材的原有强度及安全性;保护层过厚将导致锚栓或植筋未锚入保护层以下,达不到后锚固的构造要求。
9.1.5 锚栓或植筋的锚孔可采用压缩空气、吸尘器、手动气筒及专用毛刷等工具,清理孔内粉尘。锚孔清孔完成后,若未立即安装锚栓或植筋,应暂时封闭其孔口。临近锚固区的废弃锚孔应采用高强度无收缩砂浆填充密实。
条文说明
9.1.5 锚栓锚孔的清理是否到位对后锚固的承载力影响很大,所以本条对清孔方法、临时封闭等关键环节作了具体要求。
9.1.6 锚板制作时,宜根据实际锚栓位置钻孔,锚板孔径应符合本规程第7.1.6条的要求。锚板孔径大于本规程表7.1.6的允许值,且最大间隙不大于本规程表7.1.6中最大间隙的2倍时,应采用胶粘剂将空隙处填充密实。
9.1.7 锚栓的安装工艺及工具应符合产品说明书的要求,操作人员应经过专门的技能培训和安全技术交底。
条文说明
9.1.7 不同厂家的锚栓产品特点、工艺和安装方法是不同的,只有按照各自产品安装说明书,使用配套的专用工具才能完成锚栓的安装。本条规定是为了确保锚栓安装的质量,达到锚固的要求。
9.1.8 施工单位应对锚固材料的运输、储存与使用进行专门管理。
条文说明
9.1.8 为保证施工安全,根据国务院令第591号《危险化学品安全管理条例》的规定,用于化学锚栓或植筋施工的锚固胶、丙酮属于危险化学用品,所以要求施工单位对这些物品的运输、存放和使用都必须进行严格的管理,以确保施工安全。
9.1.9 施工人员应加强劳动保护,配备安全帽、工作服、胶皮手套、护目镜、口罩等劳保用品。
条文说明
9.1.9 为保证后锚固施工人员的安全,对施工应配备的劳动保护用具作具体的说明。
9.2 膨胀型锚栓施工
9.2 膨胀型锚栓施工
9.2.1 膨胀型锚栓,应根据设计选型和后锚固连接构造的不同,分别采用预插式安装(图9.2.1a)、贯穿式安装(图9.2.1b)或离开基面的安装(图9.2.1c)。
条文说明
9.2.1 预插式安装(图9.2.1a)是先安装锚栓后装被连接件,锚板与基材钻孔要求同心,但孔径不一定相同;穿透式安装(图9.2.1b),锚板与基材一起钻孔(配钻),孔径相同,整个锚栓从外面穿过锚板插入基材锚孔,锚板钻孔与锚栓套筒紧密接触,多用于抗剪能力要求较高的锚固;离开基面的安装(图9.2.1c),主要是指具有保温层或空气层的外饰面板安装,该安装所用锚栓杆头较长,采用三个螺母,先装锚栓,以第一道螺母紧固于基材,铺贴保温层,以第二道螺母调平,装饰面板,以第三道螺母拧紧固定。
9.2.2 膨胀型锚栓的施工工序应符合下列规定:
1 基材表面清理、原结构或构件修整、放样定位;

图9.2.1 锚栓安装方式示意
2 锚栓钻孔、清孔和安装;
3 锚固质量检验。
条文说明
9.2.2 锚栓施工工序正确与否,对施工质量影响比较大。如果工程技术人员不掌握施工工序和施工方法,容易出现差错,因此,必须加以明确。 膨胀型锚栓施工可参考如图2的工序进行: 
9.2.3 锚孔应按照设计位置进行定位,不满足设计要求时,应及时通知设计单位修改设计。
条文说明
9.2.3 锚孔放样定位对后锚固和锚孔质量影响较大,对锚孔的定位提出要求。
9.2.4 膨胀型锚栓钻孔质量及其直径允许偏差应满足表9.2.4-1、表9.2.4-2的要求。
表9.2.4-1 锚栓钻孔质量要求

表9.2.4-2 锚栓钻孔直径允许偏差(mm)

条文说明
9.2.4 主要规定锚栓钻孔质量要求和钻孔直径允许偏差。 钻孔垂直度允许偏差由原规程要求5°提高到现规程的2%。原规程所要求的垂直度允许偏差5°偏低,换算成百分比为8.7%,若锚栓的长度按照120mm计算,锚孔底部偏位将达到10.44mm,偏位远远大于5mm的规定。而且现行《建筑结构加固工程施工质量验收规范》GB 50550-2010第20.2.6条也规定了锚栓钻孔垂直度偏差不应超过2%。
9.2.5 膨胀型锚栓应按照设计和产品说明书的规定进行安装,并应符合下列规定:
1 扭矩控制式膨胀型锚栓应采用扭矩扳手施加扭矩;
2 贯穿式安装的锚栓,在锚栓安装前,应先将锚板定位且对准锚栓孔后再进行锚栓的安装;
3 膨胀型锚栓的控制扭矩、锚固深度和控制位移允许偏差应符合设计和产品说明书的规定,当无具体要求时,应满足表9.2.5的要求。
表9.2.5 锚固质量要求

条文说明
9.2.5 锚栓安装是后锚固施工的关键环节,本条对膨胀型锚栓的具体安装要求作了如下几个方面的规定:
1 扭矩控制式膨胀锚栓应通过控制螺杆的扭矩大小来完成锚栓安装,位移控制式膨胀锚栓应通过控制套筒与锥头的相对位移来完成锚栓安装,其中位移控制式又叫敲击式锚栓。
2 根据产品的种类和厂家不同,按照使用说明进行安装。
3 扭矩控制式膨胀型锚栓的控制扭矩允许偏差由原规程的±15%调整为±10%。根据对现有扭矩扳手的市场调查,现有的扭矩扳手产品的控制扭矩误差为±3%,原规程的允许偏差范围偏大,同时考虑施工因素的影响,因此将控制扭矩允许偏差调整为±10%。
9.3 扩底型锚栓施工
9.3 扩底型锚栓施工
9.3.1 扩底型锚栓,应根据设计选型和后锚固连接构造的不同,分别采用预插式安装(图9.2.1a)、贯穿式安装(图9.2.1b)或离开基面的安装(图9.2.1c)。
条文说明
9.3.1 扩底型锚栓的安装方法基本与膨胀型锚栓相同。
9.3.2 模扩底型锚栓成孔和安装应采用专用工具,并应符合下列规定:
1 模扩底型锚栓应采用专用设备钻孔、扩孔、清孔后,应量测锚孔孔深、孔径及扩孔直径,合格后方可安装锚栓;
2 锚栓放入锚孔之后,应量测锚栓的钢筒和螺杆相对于基面的外露长度,满足要求后将锚栓钢筒击打到位。锚栓钢筒安装到位后,应复测钢筒与基面的距离,满足要求后再安装锚固件。
条文说明
9.3.2 模扩底型锚栓以专用钻具预先切槽形成扩底。要进行扩底型锚栓的施工,必须先掌握扩底型锚栓安装方法和工作原理,本条对模扩底型锚栓的成孔和安装作具体的规定。模扩底型锚栓施工程序可参考如图3的工序进行,钻孔和扩孔也可采用专用设备一次成型。 
9.3.3 自扩底型锚栓钻孔和安装应符合下列规定:
1 自扩底型锚栓钻孔、清孔完成后,可用游标卡尺或钢尺量测锚孔孔深,满足产品的使用说明书要求后方可安装自扩底锚栓;
2 自扩底型锚栓实施扩孔施工时,应使用专用工具;
3 自扩底型锚栓扩底的控制应以专用工具上的控制线为依据。
条文说明
9.3.3 自扩底锚栓是以钻具预先钻孔,安装锚栓后用锚栓自带刀具二次切槽形成扩底,二次扩孔和安装一次完成。本条对自扩底型锚栓的成孔和安装作了具体的规定。自扩底型锚栓施工程序可参考如图4的工序进行。 
9.3.4 扩底型锚栓的锚孔质量、直径允许偏差,应满足本规程表9.2.4-1、表9.2.4-2的要求。
条文说明
9.3.4 对扩底型锚栓的锚孔、直径偏差等项目进行了要求。
9.3.5 扩底型锚栓的锚固深度允许偏差应符合设计和产品说明书的规定,当无具体要求时,应满足本规程表9.2.5的要求。
条文说明
9.3.5 对扩底型锚栓的锚固深度进行了要求。
9.4 化学锚栓施工
9.4 化学锚栓施工
9.4.1 化学锚栓应按照设计和产品说明书规定的工序进行施工。在产品说明书规定的安装方向下安装时,锚栓和钻孔之间的空隙应填充密实,锚栓安装后不应产生锚固胶的流失,固化时间内螺杆不应有明显位移。
条文说明
9.4.1 化学锚栓的施工工艺应严格按照产品说明书要求的工艺顺序执行,以确保施工过程中各个工序的质量控制,从而保证化学锚栓的后锚固施工质量。化学锚栓的施工可参考如图5的工序进行。 
9.4.2 化学锚栓安装时,基材等效养护龄期应超过600℃·d;表面温度和孔内表层含水率应符合设计和锚固胶使用说明书要求,无明确要求时,基材表面温度不应低于15℃;化学锚栓的施工严禁在大风、雨雪天气露天进行。
条文说明
9.4.2 化学锚栓对施工环境的要求是参照《建筑结构加固工程施工质量验收规范》GB 50550-2010第19.1.3条对植筋工程施工环境的要求,因为化学锚栓的荷载传递原理与植筋相似,同样是利用锚固胶与锚杆之间、锚固胶与混凝土之间粘结强度传递荷载,所以对植筋施工环境的要求同样适用于化学锚栓。其中未标明适用温度的锚固胶,之所以规定应按不低于15℃的要求进行控制,是因为一般的锚固胶在未改性的情况下,其基材表面温度必须在15℃以上才能正常固化。
9.4.3 化学锚栓钻孔应符合下列规定:
1 锚栓规格和对应的钻孔孔径应符合设计和产品说明书的规定;无具体要求时,应满足表9.4.3的要求。
表9.4.3 化学锚栓规格和钻孔孔径

2 钻孔深度允许偏差应为 
mm,锚孔垂直度、位置、直径允许偏差,应满足本规程表9.2.4-1、表9.2.4-2的要求。
条文说明
9.4.3 化学锚栓首先应满足产品使用说明的要求,对化学锚栓的钻孔提出具体要求:
1 规定了不同规格的化学锚栓在设计和产品说明书无要求的情况下,所对应的钻孔孔径要求;
2 规定了对化学锚栓钻孔的深度、倾斜度、锚孔位置和直径允许偏差。其中锚孔倾斜度、位置和直径的允许偏差,同本规程膨胀锚栓的锚孔质量要求。关于锚孔的深度允许偏差,原规程规定的化学植筋为
mm,考虑到化学锚栓如果锚固深度偏差过多,有可能导致化学锚栓外露螺杆不够长,影响对锚垫板等锚固物的锚固,所以将化学锚栓锚孔深度的允许偏差调整为
mm。
9.4.4 锚固胶应符合下列规定:
1 锚固胶应采用锚栓配套产品,锚固胶的质量应满足本规程第3章的有关要求。
2 采用现场调制的锚固胶时,应在无尘土的室内进行,并应按照产品说明书规定的配合比和工艺要求执行,且应有专人负责。
3 调胶时应根据现场温度和化学锚栓数量确定每次拌合量;拌合好的胶液应色泽均匀、无结块和气泡;在锚固胶调制和使用过程中,应防止灰尘、油、水等杂质混入,并应按规定的操作时间完成化学锚栓的安装。
条文说明
9.4.4 主要规定了锚固胶选择和现场调制的要求:
1 化学锚栓的锚固胶主要分为三种:产品配套一对一锚固胶、厂家生产自动混合包装的锚固胶和AB组分锚固胶三种。在三种锚固胶中,以“产品配套的一对一锚固胶”的质量最好,其中又分为塑料软包装和玻璃管硬包装两种方式,这些成套的锚固胶中除了有胶体、固化剂以外,还掺加了石英砂等粒料成分,有利于提高锚固效果,且胶体填料的掺配是由锚栓制作厂家在工厂化的施工环境添加的,质量容易得到保证。同时使用配套的锚栓和锚固胶,在工程出现质量问题时也便于分清责任。
2 三种锚固胶中,其中最难控制的是现场调制的AB组分锚固胶,所以本规程对锚固胶的现场调制进行了详细规定。
9.4.5 化学锚栓清孔应满足本规程第9.1.5条的要求,且应符合下列规定:
1 锚孔内应无浮动灰尘、碎屑,产品有要求时尚应用工业丙酮清洗孔壁;
2 除产品试验报告及产品说明书有规定外,锚孔应保持干燥;
3 锚孔内干燥度不满足锚固胶的使用要求时,应对锚孔进行干燥处理。
条文说明
9.4.5 主要对化学锚栓锚孔清理作了详细的规定。其中特别强调了清孔后锚孔干燥度应满足产品说明书的要求,主要的原因是不同的干燥度可能会影响锚固胶的粘结强度。
9.4.6 注胶施工应符合下列规定:
1 应采用专用的注胶桶或送胶棒,注胶前,应先将注射筒内胶体挤出一部分,待出胶均匀后方可入孔;
2 采用自动搅拌注射混合包装的锚固胶时,应按产品说明书规定的工艺进行操作,注胶前应经过试操作,若试操作结果表明该自动搅拌器搅拌的胶体不均匀,应予以弃用;
3 锚孔深度大于200mm时,可采用混合管延长器注胶;
4 注胶应从孔底向外均匀、缓慢地进行,应注意排除孔内的空气,注胶量应以植入锚栓后略有胶液被挤出为宜;
5 不应采用将螺杆从胶桶中粘胶直接塞进孔洞的施工方法。
条文说明
9.4.6 主要是针对采用自动搅拌注射筒混合包装或AB组分现场调制的锚固胶时,对注胶方法、操作要点、注胶量及注胶孔的临时保护等工序进行了详细的规定。 近年来发现国内外大多数厂家生产的双组分自动搅拌注射装置的搅拌效果不是太好,显著地影响了胶液的正常固化和粘结质量,因此注胶前应对所使用的注射装置进行试操作,搅拌效果不好的应予以弃用。
9.4.7 化学锚栓安装施工应符合下列规定:
1 采用厂家定型锚固胶管时,应采用与产品配套的安装工具配合安装,安装时应严格按产品要求控制锚栓的安装深度,旋插到规定深度后应立即停止;
2 采用组合式锚固胶或AB组分的锚固胶时,锚栓应按照单一方向旋入锚孔,达到规定的深度;
3 从注胶到化学锚栓安装完成的时间,不应超过产品说明书规定的适用期,否则应清除锚固胶,按照原工序重新安装;
4 植入的锚栓应立即校正方向,并应保证植入的锚栓处于孔洞的中心位置;
5 锚栓安装完成,在满足产品规定的固化温度和对应的静置固化时间后,方可进行下道工序施工。
条文说明
9.4.7 对锚栓的安装方法和具体要求进行了具体的规定。
1 当采用厂家配套的一对一锚固胶时,锚栓安装时应采用与产品配套的专用工具,按照安装说明书进行安装。特别强调了“化学锚杆旋入锚孔时,应严格按照产品要求控制锚栓的安装位置,锚栓旋入到指定位置后应立即停止”。之所以制定这条,主要原因是化学锚栓用电钻和专用连接头旋进锚孔内,在锚栓旋转进入的同时,内置的玻璃包装或塑料包装锚固剂将会均匀地分布在锚杆两侧,若化学锚杆旋到底以后不立即停止,将会使锚杆底部锚固剂和填料被旋出来,导致锚杆底部锚固剂分布不均,直接影响到化学锚栓的锚固承载力。
2 当采用自动混合组合锚固胶和现场调制的AB组分的锚固胶时,将锚栓按照单一的方向旋入孔内,有利于胶体与锚栓、胶体与孔壁的粘合,同时可以将孔壁可能残留的粉尘搅和到胶体中,防止在胶体和孔壁之间形成粉尘隔层影响锚栓的抗拔力。
3 因为锚固胶的固化速度较快,若锚栓的位置稍有偏差,应及早调整,否则胶体固化以后就无法调整了。
4 对锚栓安装完成后的静置固化重点提出了要求。
9.4.8 化学锚栓锚固深度允许偏差应为 
mm。
9.5 植筋施工
9.5 植筋施工
9.5.1 植筋施工时,基材表面温度和孔内表层含水率应符合设计和胶粘剂使用说明书要求,无明确要求时,基材表面温度不应低于15℃;植筋施工严禁在大风、雨雪天气露天进行。
条文说明
9.5.1 规定了植筋工艺对施工环境的要求。
9.5.2 植筋钻孔应符合下列规定:
1 植筋钻孔前,应认真进行孔位的放样和定位,经核对无误后方可进行钻孔作业;
2 植筋钻孔孔径允许偏差应满足表9.5.2-1的要求;钻孔深度、垂直度和位置允许偏差应满足表9.5.2-2的要求。
表9.5.2-1 植筋钻孔孔径允许偏差(mm)

表9.5.2-2 植筋钻孔深度、垂直度和位置允许偏差

条文说明
9.5.2 主要对规定植筋钻孔孔径偏差,以及钻孔深度、垂直度和位置允许偏差,是参照《建筑结构加固工程施工质量验收规范》GB 50550-2010的有关规定制定的,将其中的钻孔垂直度允许偏差由“mm/m”的表达方式调整成百分比的形式。
9.5.3 植筋钻孔的清孔、胶粘剂配制和植筋应符合本规程第9.4.4条~第9.4.7条的规定。
条文说明
9.5.3 规定了植筋钻孔的清理、胶粘剂配制和注胶工序控制要点。内容同本规程的化学锚栓施工所对应章节的规定。植筋的施工可参考如下工序进行。 
9.5.4 植筋钢筋在使用前,应清除表面的浮锈和污渍。
9.5.5 植筋的锚固深度允许偏差应满足表9.5.2-2钻孔深度允许偏差的要求。
9.5.6 植筋钢筋宜采用机械连接接头,也可采用焊接连接,连接接头的性能应符合国家现行相关标准的规定。采用焊接接头时,应符合下列规定:
1 焊接宜在注胶前进行,确需后焊接时,应进行同条件焊接后现场破坏性检验;
2 焊接施工时,应断续施焊,施焊部位距离注胶孔顶面的距离不应小于20d,且不应小于200mm,同时应用水浸渍多层湿巾包裹植筋外露部分,钢筋根部的温度不应超过胶粘剂产品说明书规定的最高短期温度;
3 焊接时,不应将焊接的接地线连接到植筋的根部。
条文说明
9.5.6 对植筋钢筋连接接头的处理要求进行了详细的规定:
1 若采用机械连接接头,可以在植筋以后进行。
2 当采用焊接接头时,不管是采用电渣压力焊还是电弧焊,都或多或少地会引起钢筋温度的升高,直接影响到胶粘剂的粘结强度和耐久性,针对这个问题,参照原《混凝土结构后锚固技术规程》JGJ 145-2004和《建筑结构加固工程施工质量验收规范》GB 50550-2010的有关规定,制定施焊部位距离注胶孔顶面的距离不少于20d,且不小于200mm的规定。
3 植筋钢筋连接采用后焊接时,将电焊机的接地线放到植筋钢筋的根部,容易引起胶粘剂局部温度升高、碳化,影响其粘结强度,施工时应避免。
9.6 质量检查与验收
9.6 质量检查与验收
9.6.1 后锚固质量检查应包括下列内容:
1 文件资料;
2 锚栓、胶粘剂的类别和规格;
3 基材混凝土;
4 锚孔或植筋孔质量和数量;
5 锚固质量。
条文说明
9.6.1 规定了后锚固质量检查的主要内容,包括文件资料、原材料、基材混凝土、锚孔和锚固质量检查等。
9.6.2 文件资料检查应包括下列内容:
1 设计图纸及相关文件;
2 锚栓或钢筋的质量证明书、出厂合格证、产品说明书及检测报告或认证报告等;
3 胶粘剂的质量证明书、检测报告出厂合格证和使用说明书等,其中应有主要组成及性能指标、生产日期、产品标准号等;
4 后锚固施工记录,以及相关检查结果文件;
5 进场复试报告等。
9.6.3 锚孔质量检查应包括下列内容:
1 锚孔的位置、直径、孔深和垂直度。模扩底锚栓还应检查扩孔部分的直径和深度;自扩底锚栓还应检查钢筒位置控制线。
2 锚孔的清孔质量。
3 锚孔周围混凝土是否存在缺陷,是否已基本干燥,环境温度是否符合要求。
条文说明
9.6.2、9.6.3 参照原规程《混凝土结构后锚固技术规程》JGJ 145-2004,规定了文件资料和锚孔质量检查的主要内容。
9.6.4 后锚固质量检验应符合下列规定:
1 基本要求
1)锚栓、胶粘剂的类别和规格应满足设计要求;
2)基材混凝土强度、表面清理和缺陷修复应满足本规程第9.1.3条的要求;
3)膨胀型锚栓、扩底型锚栓、化学锚栓的施工工艺应符合产品说明书和相关规范要求;
4)膨胀型锚栓和扩底型锚栓的位置、锚固深度、控制扭矩或控制位移等应满足设计和产品说明书的要求;
5)化学锚栓和植筋的位置、尺寸及垂直度应满足设计和产品说明书的要求。
2 外观检查
1)基材表面应坚实、平整,锚固部位的原构件混凝土不应有局部缺陷;
2)基材上不应有结构抹灰层、装饰层和严重的裂缝;
3)在锚固深度的范围内,锚孔干燥度应满足产品说明书的要求;
4)锚栓或植筋钢筋安装前,应彻底清理锚栓或钢筋表面的附着物或污渍;
5)锚孔清孔后,锚孔和基面内应无残留的粉尘和碎屑;
6)安装后的锚栓或植筋的外观应整齐洁净。
3 实测项目
实测项目的规定值或允许偏差、检验方法和检查数量,应满足表9.6.4的要求。
表9.6.4 后锚固实测项目

条文说明
9.6.4 为了方便后锚固结构的检查验收,规定了后锚固质量检验标准、检验方法和检查数量,主要包括基本要求、外观检查和实测项目等内容。
9.6.5 后锚固工程验收应提供下列文件:
1 设计文件;
2 胶粘剂和锚栓的产品质量证明书或出厂合格证、产品说明书及检测报告或认证报告,产品的进场见证复验报告;
3 锚固安装工程施工记录;
4 后锚固工程质量检查记录表,可按本规程附录D采用;
5 锚固承载力现场检验报告;
6 后锚固分项工程质量验收记录;
7 工程重大问题处理记录;
8 其他有关文件记录。
条文说明
9.6.5 参照《建筑结构加固工程施工质量验收规范》GB 50550-2010的有关规定,对后锚固工程验收应提供的文件和施工记录提出了要求。
9.6.6 后锚固工程施工质量不合格时,应由施工单位制定补救措施,经设计单位确认后实施,并应重新检查、验收。
条文说明
9.6.6 规定了对后锚固工程施工质量不合格的处理意见。
附录A常用锚栓类型及破坏模式
A.1常用锚栓类型
附录A 常用锚栓类型及破坏模式
A.1 常用锚栓类型
A.1.1 机械锚栓是指利用锚栓与锚孔之间的摩擦作用或锁键作用形成锚固的锚栓。机械锚栓按照其适用范围可分为两种:适用于开裂混凝土和不开裂混凝土的机械锚栓及适用于不开裂混凝土的机械锚栓;按照其工作原理可分为两类:膨胀型锚栓和扩底型锚栓。
A.1.2 膨胀型锚栓是指利用膨胀件挤压锚孔孔壁形成锚固作用的锚栓(图A.1.2-1、图A.1.2-2)。

图A.1.2-1 扭矩控制式膨胀型锚栓示意
1—套筒;2—膨胀片;3—螺杆;4—内螺纹活动锥;5—膨胀锥头

图A.1.2-2 位移控制式膨胀型锚栓示意
1—膨胀锥;2—内螺纹膨胀套筒;3—外螺纹膨胀套筒;4—膨胀杆
A.1.3 扩底型锚栓是指通过锚孔底部扩孔与锚栓膨胀件之间的锁键形成锚固作用的锚栓。根据扩孔工序的先后,扩底型锚栓可分为模扩底普通锚栓和自扩底专用锚栓(图A.1.3)。

图A.1.3 扩底型锚栓示意
1—螺杆;2—膨胀套筒;3—膨胀锥头;4—直孔;5—扩孔;6—刀头
A.1.4 化学锚栓是指由金属螺杆和锚固胶组成,通过锚固胶形成锚固作用的锚栓。化学锚栓按照其适用范围可分为两种:适用于开裂混凝土和不开裂混凝土的化学锚栓及适用于不开裂混凝土的化学锚栓。按照受力机理可分为两种:普通化学锚栓和特殊倒锥形化学锚栓(图A.1.4)。特殊倒锥形化学锚栓,在安装时通过锚固胶与倒锥形螺杆之间滑移可形成类似于机械锚栓的膨胀力。

图A.1.4 化学锚栓示意
1—锚固胶;2—标准螺纹全牙螺杆;3—倒锥形螺杆
A.1.5 植筋是指以专用的有机或无机胶粘剂将带肋钢筋或全螺纹螺杆种植于混凝土基材中的一种后锚固连接方法(图A.1.5)。

A.2后锚固连接破坏模式
A.2 后锚固连接破坏模式
A.2.1 锚栓钢材破坏是指锚栓或植筋钢材被拉断、剪坏或复合受力破坏形式(图A.2.1)。

图A.2.1 锚固钢材破坏示意
A.2.2 混凝土锥体破坏是指锚栓受拉时混凝土基材形成以锚栓为中心的倒锥体破坏形式(图A.2.2)。

图A.2.2 混凝土锥体受拉破坏示意
A.2.3 混合型破坏是指普通化学锚栓受拉时形成以基材表面混凝土锥体及深部粘结拔出的组合破坏形式(图A.2.3)。

图A.2.3 混合型受拉破坏示意
A.2.4 混凝土边缘破坏是指基材边缘受剪时形成以锚栓轴为顶点的混凝土楔形体破坏形式(图A.2.4)。

图A.2.4 混凝土边缘楔形体受剪破坏示意
1—混凝土破坏区
A.2.5 剪撬破坏是指中心受剪时基材混凝土沿反方向被锚栓撬坏(图A.2.5)。

图A.2.5 基材剪撬破坏示意
A.2.6 劈裂破坏是指基材混凝土因锚栓膨胀挤压力而沿锚栓轴线或若干锚栓轴线连线的开裂破坏形式(图A.2.6)。

图A.2.6 基材劈裂破坏示意
A.2.7 拔出破坏是指拉力作用下锚栓整体从锚孔中被拉出的破坏形式(图A.2.7)。
A.2.8 穿出破坏是指拉力作用下锚栓膨胀锥从套筒中被拉出而膨胀套筒仍留在锚孔中的破坏形式(图A.2.8)。
A.2.9 胶筋界面破坏是指普通化学锚栓受拉时,沿锚固胶与螺杆界面的拔出破坏形式(图A.2.9)。
A.2.10 胶混界面破坏是指普通化学锚栓受拉时,沿锚固胶与混凝土孔壁界面的拔出破坏形式(图A.2.10)。

附录B混凝土用化学锚栓检验方法
B.1试验方法
附录B 混凝土用化学锚栓检验方法
B.1 试验方法
B.1.1 螺杆材料的试验方法应符合现行行业标准《混凝土用膨胀型、扩孔型建筑锚栓》JG 160的规定。
B.1.2 化学锚栓抗拉锚固性能试验可采用非约束抗拉试验和约束抗拉试验。非约束抗拉试验的试验方法应符合现行行业标准《混凝土用膨胀型、扩孔型建筑锚栓》JG 160的规定;约束抗拉试验时应符合下列规定:
1 约束抗拉试验可采用图B.1.2的试验装置;

图B.1.2 约束抗拉试验装置示意
1—压力传感器;2—千斤顶;3—位移传感器;4—支撑;5—转接头;6—钢板;7—混凝土试件;8—化学锚栓
2 支撑钢板应具有足够的刚度,钢板下的混凝土压应力应小于混凝土抗压强度的0.7倍。
条文说明
B.1.2 化学锚栓的应用越来越广泛,但国内尚没有相关产品标准,本次规程修订时,结合国外化学锚栓产品的相关认证标准,补充了本附录,对化学锚栓检验方法等给出明确的规定,作为对产品标准缺失的补充。 在约束抗拉试验中,通过将锚栓附近的反力传递到混凝土中避免混凝土锥体破坏的产生。支撑钢板应具有足够的刚度,支撑的承压面积应足够大,避免对混凝土产生过大的压应力。
B.1.3 化学锚栓抗拉锚固性能试验时,试件混凝土强度等级、裂缝宽度、试验型式及锚栓埋深等参数应符合本规程第3.3.5条、第3.3.7条的规定。
B.1.4 化学锚栓抗拉锚固性能试验时,混凝土试件制作、钻头和锚孔、锚栓安装及试验用仪器设备应符合现行行业标准《混凝土用膨胀型、扩孔型建筑锚栓》JG 160的规定,尚应符合下列规定:
1 试验中的钻头直径应取现行行业标准《混凝土用膨胀型、扩孔型建筑锚栓》JG 160规定的中等磨损钻头直径d m ;
2 锚栓的埋深应按照产品说明书的规定取用;当产品说明书规定多个埋深时,应符合本规程第3.3.5条、第3.3.7条的规定。
B.1.5 化学锚栓抗拉锚固性能试验的试件数量应按表B.1.5-1和表B.1.5-2的规定取值。立方体抗压强度标准值为25N/mm 2 的不开裂混凝土中的基本抗拉性能试验应保证所测试规格的粘结强度是连续的。
表B.1.5-1 普通化学锚栓的试验数量


表B.1.5-2 特殊倒锥形化学锚栓的试验数量

B.1.6 基本抗拉性能试验应符合现行行业标准《混凝土用膨胀型、扩孔型建筑锚栓》JG 160的规定,试验时尚应符合下列规定:
1 试验应在干燥混凝土上进行;
2 试验时的环境温度应为(21±3)℃;
3 锚栓应按照产品说明书进行安装。
B.1.7 抗拉临界边距试验应符合现行行业标准《混凝土用膨胀型、扩孔型建筑锚栓》JG 160的规定。
B.1.8 最小边、间距试验应符合现行行业标准《混凝土用膨胀型、扩孔型建筑锚栓》JG 160的规定。
B.1.9 安装性能应采用C25混凝土进行抗拉试验,试验应符合下列规定:
1 钻孔深度应符合产品说明书的规定。
2 清孔时,应使用厂商提供的手动气筒和刷子并按产品说明书规定的顺序清孔,吹和刷的次数应取产品说明书规定数量的50%并向下取整。
3 验证干燥混凝土中清孔的影响时,应保持混凝土基材干燥;验证潮湿混凝土中清孔的影响时,钻孔、清孔和安装锚栓操作时锚固区域的混凝土应为水饱和状态;验证有明水时清孔的影响时,锚固区域的混凝土应为水饱和状态,锚孔中还应注满水并应在不清除孔中明水的条件下按照产品说明书的要求安装锚栓。
4 满足以下要求时,可认为锚固区域的混凝土为水饱和状态:
1)应在混凝土基材中钻孔到规定的深度,钻孔直径可为0.5d 0 ;
2)应在孔中注满水并保持8d,应保证水渗透到距孔中心线1.5d~2d范围内的混凝土中;
3)应将水从孔中抽出,并应按照锚栓的钻孔直径d 0 进行钻孔。
条文说明
B.1.9 在安装性能试验中,当产品说明书规定至少吹4次和刷2次时,试验中应吹2次和刷1次,顺序按照产品说明书规定;当产品说明书中的规定少于以上数量,试验中的要求(吹2次和刷1次)应按比例降低,吹和刷的次数应向下取整;当产品说明书规定吹2次和刷1次时,试验中应不进行刷孔;当产品说明书中没有关于清孔的具体要求,试验中不进行清孔。
B.1.10 裂缝反复开合试验应符合现行行业标准《混凝土用膨胀型、扩孔型建筑锚栓》JG 160的规定,试验时的恒定拉力荷载应取0.42N r Rk,p ,N r Rk,p 为C25开裂混凝土下基本抗拉性能试验的拔出破坏承载力标准值,当普通化学锚栓的基本抗拉性能试验为约束抗拉时,应将试验结果乘以0.7的降低系数。
B.1.11 长期荷载试验应符合现行行业标准《混凝土用膨胀型、扩孔型建筑锚栓》JG 160的规定,试验参数应符合下列规定:
1 当产品说明书规定的最高短期温度为40℃、最高长期温度为24℃时,试验时基材温度应为(21±3)℃,恒定拉力荷载应取0.60N r Rk,p ,N r Rk,p 为C25不开裂混凝土下基本抗拉性能试验的拔出破坏承载力标准值,当普通化学锚栓的基本抗拉性能试验为约束抗拉时,应将试验结果乘以0.7的降低系数;
2 当产品说明书规定了更高的温度范围时,应在产品说明书规定的最高长期温度下进行长期荷载试验,恒定拉力荷载应取0.60N r Rk,ph ,N r Rk,ph 为考虑最高温度折减后,未开裂混凝土下基本抗拉性能试验的拔出破坏承载力标准值。
B.1.12 冻融试验应采用C60不开裂抗冻融混凝土进行约束抗拉试验,试验应符合下列规定:
1 试验试块应为边长200mm~300mm或15d~25d的立方体,应采取措施避免混凝土劈裂;
2 试块上表面的水深不应小于12mm,其他暴露的表面应密封;
3 对锚栓施加的恒定荷载应取0.44N r Rk,p ,N r Rk,p 为C60不开裂混凝土下基本抗拉性能试验的拔出破坏承载力标准值,当普通化学锚栓的基本抗拉性能试验为约束抗拉时,应将试验结果乘以0.7的降低系数;
4 试件应进行50次冻融循环,循环结束后,应在(21±3)℃温度下进行约束拉拔试验。冻融循环程序应满足下列要求:
1)应在1h内将试验箱的温度升至(20±2)℃并应保持该温度7h;
2)应在2h内将试验箱的温度降至(-20±2)℃并应保持该温度14h;
3)冻融循环中断时,试块应储存在(-20±2)℃温度下。
B.1.13 最高温度测试应采用C25不开裂混凝土进行抗拉试验,试验应符合下列规定:
1 锚栓应按照产品说明书的要求在常温下安装;
2 应将试件按照20℃/h的升温速度升至所需温度并应保持24h;
3 试验时,混凝土表面下1d处的锚固区域基材温度与要求温度误差不应超过2℃。
B.1.14 化学锚栓基本抗剪性能试验应符合现行行业标准《混凝土用膨胀型、扩孔型建筑锚栓》JG 160的规定,试验时尚应符合下列规定:
1 试验试件混凝土强度等级宜为C25;
2 锚栓埋深应按照产品说明书的规定取用,当产品说明书规定有多个埋深时,应选用最小埋深。
B.1.15 化学锚栓抗震性能试验应符合现行行业标准《混凝土用膨胀型、扩孔型建筑锚栓》JG 160的规定,试验参数应符合以下规定:
1 低周反复拉力试验和低周反复剪力试验中,混凝土强度等级宜为C25;
2 锚栓埋深应按照产品说明书的规定取用,当产品说明书规定有多个埋深时,抗震性能拉力试验应分别按照最大埋深和最小埋深进行,抗震性能剪力试验应按照最小埋深进行;
3 确定低周反复拉力试验的循环拉力幅度时,N r Ru,m 应取C25开裂混凝土下基本抗拉性能试验的抗拉承载力平均值,当普通化学锚栓的基本抗拉性能试验为约束抗拉时,应将试验结果乘以0.7的降低系数;
4 确定低周反复剪力试验的循环剪力幅度时,V r Ru,m 应取C25不开裂混凝土下基本抗剪性能试验的抗剪承载力平均值。
B.1.16 化学锚栓安装方向测试应符合下列规定:
1 应在产品说明书规定的安装方向下进行安装。
2 仰面安装,应进行承载力测试,测试结果应满足本规程表3.3.5和表3.3.7中第10项的要求。
3 满足以下条件时,非仰面安装可不做承载力测试。
1)螺杆和钻孔之间的空隙能够被锚固胶填充密实;
2)锚栓安装后锚固胶不流失;
3)固化时间内螺杆没有明显位移。
条文说明
B.1.16 耐久性试验是用来评估锚固胶对腐蚀性环境的反应。本规程采用的切片冲压测试,是指将已安装锚栓的薄切片暴露于特定的环境条件,然后在冲压测试设备上进行测试得到残余粘结强度的方法。这种方法能够保证整个粘结层受到腐蚀性化合物的影响,提供了一种关于环境条件的相对一致和保守的评估。在准备切片和冲压测试时必须小心谨慎,以保证得出可靠的结果。制作切片时,可在成段的钢管或者塑料管中浇筑混凝土试件,这些钢管或者塑料管有所需的壁厚可防止在冲压测试中切片劈裂,所有的混凝土试件应来自于同一个混凝土批次。冲压试验设备应能够约束切片中的混凝土,并将金属部分(切片中的锚栓)从切片中冲压出来。
在耐久性试验中,可通过将氢氧化钾粉末或片剂和水混合直到pH值达到13.2来制作碱性液体,在切片存储期间要保持平均碱度为pH=13.2。如果测得的碱度在13.0以下,应延长测试时间,延长的时间等于pH值低于13.0的总时间。碱度小于13.0的时间不应计入平均碱度值的计算中。每天监测一次pH值。切片从存储容器中取出后应尽快进行测试以避免试件失水干燥对粘结强度测量造成的潜在影响。
B.1.17 化学锚栓耐久性试验可采用C25不开裂混凝土进行冲压试验(图B.1.17),试验应符合下列规定:
1 混凝土试件应采用直径不小于150mm的圆柱体混凝土试件。
2 锚栓应采用M12的全螺纹锚栓并按照产品说明书的要求在混凝土试件中心轴线位置安装。当最小标称直径大于M12时,应采用最小标称直径的锚栓。安装时钻头直径应取现行行业标准《混凝土用膨胀型、扩孔型建筑锚栓》JG 160规定的中等磨损钻头直径d m 。
3 冲压试验时切片厚度应为(30±3)mm,切片应垂直于锚栓轴线并由混凝土、锚固胶和螺杆组成。
4 冲压试验前,应分别将不少于10个切片暴露在温度为(21±3)℃、相对湿度为(50±5)%的正常气候条件下和pH值为(13.2±0.2)的碱性液体中,暴露时间应为2000h。
5 试验应在切片从存储容器中取出后的24h内进行,试验时加载设备应作用在金属部分的中心,冲压试验中切片应保持完整。

图B.1.17 冲压测试示意
1—冲压头;2—钢管或组合夹具;3—承压板;4—锚栓螺杆和锚固胶;5—混凝土
B.2试验数据处理
B.2 试验数据处理
B.2.1 试件破坏状态为混凝土锥体破坏或劈裂破坏时,应按公式(B.2.1)将实测混凝土抗压强度下的承载力试验值换算为混凝土强度等级为C25时的承载力值;试件破坏状态为拔出破坏或混合破坏时,应按低强度和高强度混凝土对应的破坏荷载之间为线性关系换算为混凝土强度等级为C25的承载力值。

式中:N Ru ——混凝土强度等级为C25的承载力换算值(N);
N t Ru ——实测混凝土抗压强度下的承载力试验值(N);
? cu,t ——实测混凝土抗压强度(N/mm 2 )。
B.2.2 对于普通化学锚栓,应采用粘结强度进行锚固性能检验。基本抗拉性能试验第i个试件的粘结强度应按照公式(B.2.2-1)计算,其他试验第i个试件的粘结强度应按照公式(B.2.2-2)计算。

B.2.3 抗拉和抗剪承载力平均值、变异系数和标准值应按现行行业标准《混凝土用膨胀型、扩孔型建筑锚栓》JG 160的规定计算;粘结强度的平均值、变异系数和标准值可根据现行行业标准《混凝土用膨胀型、扩孔型建筑锚栓》JG 160的规定计算。
B.2.4 特殊倒锥形化学锚栓的滑移系数可按现行行业标准《混凝土用膨胀型、扩孔型建筑锚栓》JG 160的规定计算,对于本规程表3.3.7的7、8两项试验,滑移系数应按本规程第B.2.5条计算。
条文说明
B.2.4 在开裂混凝土中,特殊倒锥形化学锚栓的荷载—位移曲线可能会出现最大长度约0.5mm的滑移段,这表明此时螺杆与锚固胶的粘结发生破坏,该点对应的荷载不能视为滑移荷载。
B.2.5 普通化学锚栓的滑移系数γ应按下式计算:

式中:N u,adh ——普通化学锚栓抗拉性能试验时的滑移荷载(N),按本规程第B.2.6条取用;
N r Rk,p ——基本抗拉性能试验的拔出破坏承载力标准值(N),当普通化学锚栓的基本抗拉性能试验为约束抗拉时,应将试验结果乘以0.7的降低系数。
B.2.6 普通化学锚栓的滑移荷载N u,adh 应取对应于荷载-位移曲线上的斜率显著变化处的荷载值(图B.2.6a);荷载-位移曲线上的斜率变化不明显时,应按照下列规定取用:
1 应在荷载-位移曲线图上绘制一条通过(0,0)且斜率为0.3N u /1.5δ 0.3 的直线,该直线和荷载-位移曲线的交点对应的荷载即为N u,adh (图B.2.6b),N u 为试验中的峰值荷载,δ 0.3 为荷载-位移曲线上对应于0.3N u 处的位移。
2 δ 0.3 不大于0. 05mm时,应在荷载-位移曲线图上绘制一条通过(0.3N u ,δ 0.3 )且斜率为0.3N u /1.5(δ 0.6 -δ 0.3 )的直线,该直线和荷载-位移曲线的交点对应的荷载即为N u,adh (图B.2.6c);
3 荷载-位移曲线的峰值出现在该直线的左侧且峰值荷载高于交点处荷载时,N u,adh 取为N u (图B.2.6d)。

图B.2.6 滑移荷载N u,adh 示意
B.2.7 抗拉锚固系数α应按下式计算。
α=N o Ru,m /N r Ru,m (B.2.7)
式中:N o Ru,m ——抗拉承载力平均值(N);
N r Ru,m ——相同条件下基本抗拉性能试验的抗拉承载力平均值(N)。对于本规程表3.3.7的7、8两项试验,N r Ru,m 为参照试验的承载力平均值,参照试验的混凝土强度、裂缝宽度、安装扭矩和试验型式应分别与这两项试验相同;对于抗震性能试验,N r Ru,m 为C25开裂混凝土下基本抗拉性能试验的抗拉承载力平均值,当普通化学锚栓的基本抗拉性能试验为约束抗拉时,应将试验结果乘以0.7的降低系数。
条文说明
B.2.7 基本抗拉性能试验的混凝土强度和状态(开裂或非开裂)应与实际测试条件一致。当N
o Ru,m 为某混凝土强度、混凝土状态(非开裂或开裂)和试验形式(约束抗拉或非约束抗拉)的抗拉承载力平均值时,N r Ru,m 也应当为相同混凝土强度、相同试验形式和混凝土状态的基本抗拉性能试验的抗拉承载力平均值。
B.2.8 化学锚栓耐久性试验时,应分别计算正常条件及腐蚀环境下的锚固胶粘结强度平均值。锚固胶的粘结强度应按下式计算:

式中:h sl ——实测的切片厚度(mm);
d——锚栓直径(mm);
N u,i ——切片i破坏时的实测轴向荷载(N)。
附录C锚固承载力现场检验方法及评定标准
C.1适用范围及应用条件
附录C 锚固承载力现场检验方法及评定标准
C.1 适用范围及应用条件
C.1.1 本方法适用于混凝土结构后锚固工程质量的现场检验。
C.1.2 后锚固工程质量应按锚固件抗拔承载力的现场抽样检验结果进行评定。
条文说明
C.1.1、C.1.2 规定了锚固承载力现场检验方法的适用范围。锚固承载力现场检验涉及锚固件种植和安装的质量,以及锚固件投入使用后承载的安全,受到设计、施工、监理和业主等各方的共同关注,施工质量经过检验后,才能确保锚固工程完工后具有国家标准所要求的施工质量和锚固承载的安全可靠性。 本标准同样适用于进口的产品,不论其在原产地是否经过技术认证,一旦进入我国市场,且用于后锚固结构上,均应执行我国设计、施工规范的规定。
C.1.3 后锚固件应进行抗拔承载力现场非破损检验,满足下列条件之一时,还应进行破坏性检验:
1 安全等级为一级的后锚固构件;
2 悬挑结构和构件;
3 对后锚固设计参数有疑问;
4 对该工程锚固质量有怀疑。
条文说明
C.1.3 规定了后锚固承载力现场检验方法的分类和选择要求。
C.1.4 受现场条件限制无法进行原位破坏性检验时,可在工程施工的同时,现场浇筑同条件的混凝土块体作为基材安装锚固件,并应按规定的时间进行破坏性检验,且应事先征得设计和监理单位的书面同意,并在现场见证试验。
条文说明
C.1.4 根据调查发现,有些锚固工程,本应采用破坏性检验,但因限于现场条件或结构构造条件,无法进行原位破坏性检验的操作。对于这种情况,如果能在事前考虑到,则允许以专门浇注的混凝土块材,种植同品种、同规格的锚固件,作同条件下的破坏性检验,但应强调的是:这项检验必须事先征得设计和监理负责人书面同意,并始终在场见证、签字,才能被认定有效。
C.2抽样规则
C.2 抽样规则
C.2.1 锚固质量现场检验抽样时,应以同品种、同规格、同强度等级的锚固件安装于锚固部位基本相同的同类构件为一检验批,并应从每一检验批所含的锚固件中进行抽样。
C.2.2 现场破坏性检验宜选择锚固区以外的同条件位置,应取每一检验批锚固件总数的0.1%且不少于5件进行检验。锚固件为植筋且数量不超过100件时,可取3件进行检验。
C.2.3 现场非破损检验的抽样数量,应符合下列规定:
1 锚栓锚固质量的非破损检验
1)对重要结构构件及生命线工程的非结构构件,应按表C.2.3规定的抽样数量对该检验批的锚栓进行检验;
表C.2.3 重要结构构件及生命线工程的非结构构件锚栓锚固质量非破损检验抽样表

注:当锚栓总数介于两栏数量之间时,可按线性内插法确定抽样数量。
2)对一般结构构件,应取重要结构构件抽样量的50%且不少于5件进行检验;
3)对非生命线工程的非结构构件,应取每一检验批锚固件总数的0.1%且不少于5件进行检验。
2 植筋锚固质量的非破损检验
1)对重要结构构件及生命线工程的非结构构件,应取每一检验批植筋总数的3%且不少于5件进行检验;
2)对一般结构构件,应取每一检验批植筋总数的1%且不少于3件进行检验;
3)对非生命线工程的非结构构件,应取每一检验批锚固件总数的0.1%且不少于3件进行检验。
条文说明
C.2.1~C.2.3 较完整地给出了抽样规则。这里应指出的是:结构构件锚栓锚固质量的非破损检验之所以需要很大的样本量,是因为锚栓破坏状态多种多样,承载力变异系数较大,倘若抽检的锚栓数量只有0.1%,则很难在设计荷载的持荷时间内,以足够大的概率查出锚固质量问题。在这种情况下,为了降低潜在的风险,只有加大非破损检验的抽样频率。
C.2.4 胶粘的锚固件,其检验宜在锚固胶达到其产品说明书标示的固化时间的当天进行。若因故需推迟抽样与检验日期,除应征得监理单位同意外,推迟不应超过3d。
条文说明
C.2.4 国内外标准在制定检验合格指标时,均是以胶粘剂产品说明书标示的固化期为准所取得的试验结果为依据确定的;因此,对实际工程中胶粘的锚固件,其检验日期也应以此为准,才能如实反映其胶粘质量状况。倘若时间拖久了,将会使本来固化不良的胶粘剂,其强度有所增长,甚至能达到合格要求,但并不能改善其安全性和耐久性能。
C.3仪器设备要求
C.3 仪器设备要求
C.3.1 现场检测用的加荷设备,可采用专门的拉拔仪,应符合下列规定:
1 设备的加荷能力应比预计的检验荷载值至少大20%,且不大于检验荷载的2.5倍,应能连续、平稳、速度可控地运行;
2 加载设备应能够按照规定的速度加载,测力系统整机允许偏差为全量程的±2%;
3 设备的液压加荷系统持荷时间不超过5min时,其降荷值不应大于5%;
4 加载设备应能够保证所施加的拉伸荷载始终与后锚固构件的轴线一致;
5 加载设备支撑环内径D 0 应符合下列规定:
1)植筋:D 0 不应小于12d和250mm的较大值;
2)膨胀型锚栓和扩底型锚栓:D 0 不应小于4h ef ;
3)化学锚栓发生混合破坏及钢材破坏时:D 0 不应小于12d和250mm的较大值;
4)化学锚栓发生混凝土锥体破坏时:D 0 不应小于4h ef 。
条文说明
C.3.1 现场检测设备较为简单。配置时,应注意的是加荷设备的支承点与锚栓之间的净间距,应能保证基材混凝土的破坏不受约束,以避免影响检测的结果。 关于加载设备支撑环的要求是引用原规程条文的要求。
C.3.2 当委托方要求检测重要结构锚固件连接的荷载-位移曲线时,现场测量位移的装置应符合下列规定:
1 仪表的量程不应小于50mm;其测量的允许偏差应为±0.02mm;
2 测量位移装置应能与测力系统同步工作,连续记录,测出锚固件相对于混凝土表面的垂直位移,并绘制荷载-位移的全程曲线。
C.3.3 现场检验用的仪器设备应定期由法定计量检定机构进行检定。遇到下列情况之一时,还应重新检定:
1 读数出现异常;
2 拆卸检查或更换零部件后。
条文说明
C.3.2、C.3.3 对现场测量位移的装置提出了具体要求,并且对现场检测设备用的仪器设备的检定进行了强调。现场测量位移受条件限制时,允许采用百分表,以手工操作进行分段记录,此时,在试样到达荷载峰值前,其位移记录点应在12点以上。
C.4加载方式
C.4 加载方式
C.4.1 检验锚固拉拔承载力的加载方式可为连续加载或分级加载,可根据实际条件选用。
条文说明
C.4.1
非破损检验采用的荷载检验值取0.9? yk A s ,主要考虑的是防止钢材屈服;而取0.8N Rk,c ,主要在于检验锚栓或植筋滑移及混凝土基材破坏前的状态。
C.4.2 进行非破损检验时,施加荷载应符合下列规定:
1 连续加载时,应以均匀速率在2min~3min时间内加载至设定的检验荷载,并持荷2min;
2 分级加载时,应将设定的检验荷载均分为10级,每级持荷1min,直至设定的检验荷载,并持荷2min;
3 荷载检验值应取0.9? yk A s 和0.8N Rk,* 的较小值。N Rk,* 为非钢材破坏承载力标准值,可按本规程第6章有关规定计算。
C.4.3 进行破坏性检验时,施加荷载应符合下列规定:
1 连续加载时,对锚栓应以均匀速率在2min~3min时间内加荷至锚固破坏,对植筋应以均匀速率在2min~7min时间内加荷至锚固破坏;
2 分级加载时,前8级,每级荷载增量应取为0.1N u ,且每级持荷1min~1.5min;自第9级起,每级荷载增量应取为0.05N u ,且每级持荷30s,直至锚固破坏。N u 为计算的破坏荷载值。
C.5检验结果评定
C.5 检验结果评定
条文说明
检验结果的评定,是参考《建筑结构加固工程施工质量验收规范》GB 50550-2010和原规程的有关规定制定的。 非破损检验结果评定时,一个检验批中不合格的试样不超过5%时,应另抽3根试样进行破坏性检验,若检验结果全部合格,该检验批仍可评定为合格检验批。计算限值5%时,不足一根,按一根计。
C.5.1 非破损检验的评定,应按下列规定进行:
1 试样在持荷期间,锚固件无滑移、基材混凝土无裂纹或其他局部损坏迹象出现,且加载装置的荷载示值在2min内无下降或下降幅度不超过5%的检验荷载时,应评定为合格;
2 一个检验批所抽取的试样全部合格时,该检验批应评定为合格检验批;
3 一个检验批中不合格的试样不超过5%时,应另抽3根试样进行破坏性检验,若检验结果全部合格,该检验批仍可评定为合格检验批;
4 一个检验批中不合格的试样超过5%时,该检验批应评定为不合格,且不应重做检验。
C.5.2 锚栓破坏性检验发生混凝土破坏,检验结果满足下列要求时,其锚固质量应评定为合格:
N c Rm ≥γ u,lim N Rk,* (C.5.2-1)
N c Rmin ≥N Rk,* (C.5.2-2)
式中:N c Rm ——受检验锚固件极限抗拔力实测平均值(N);
N c Rmin ——受检验锚固件极限抗拔力实测最小值(N);
N Rk,* ——混凝土破坏受检验锚固件极限抗拔力标准值(N),按本规程第6章有关规定计算;
γ u,lim ——锚固承载力检验系数允许值,γ u,lim 取为1.1。
C.5.3 锚栓破坏性检验发生钢材破坏,检验结果满足下列要求时,其锚固质量应评定为合格。

式中:N c Rmin ——受检验锚固件极限抗拔力实测最小值(N);
N Rk,s ——锚栓钢材破坏受拉承载力标准值(N),按本规程第6章有关规定计算。
C.5.4 植筋破坏性检验结果满足下列要求时,其锚固质量应评定为合格:
N c Rm ≥1.45? y A s (C.5.4-1)
N c Rmin ≥1.25? y A s (C.5.4-2)
式中:N c Rm ——受检验锚固件极限抗拔力实测平均值(N);
N c Rmin ——受检验锚固件极限抗拔力实测最小值(N);
? y ——植筋用钢筋的抗拉强度设计值(N/mm 2 );
A s ——钢筋截面面积(mm 2 )。
C.5.5 当检验结果不满足第C.5.1条、第C.5.2条、第C.5.3条及第C.5.4条的规定时,应判定该检验批后锚固连接不合格,并应会同有关部门根据检验结果,研究采取专门措施处理。
附录D后锚固工程质量检查记录表
附录D 后锚固工程质量检查记录表



本规程用词说明
本规程用词说明
1 为便于在执行本规程条文时区别对待,对执行规程严格程度的用词说明如下:
1)表示很严格,非这样做不可的用词:
正面词采用“必须”,反面词采用“严禁”;
2)表示严格,在正常情况下均应这样做的用词:
正面词采用“应”,反面词采用“不应”或“不得”;
3)表示允许稍有选择,在条件许可时首先应这样做的用词:
正面词采用“宜”,反面词采用“不宜”;
4)表示有选择,在一定条件下可以这样做的,采用“可”。
2 条文中指明应按其他有关标准执行的写法为:“应符合……的规定”或“应按……执行”。
引用标准名录
引用标准名录
1 《混凝土结构设计规范》GB 50010
2 《建筑抗震设计规范》GB 50011
3 《钢结构设计规范》GB 50017
4 《碳素结构钢》GB/T 700
5 《钢筋混凝土用钢 第2部分:热轧带肋钢筋》GB 1499.2
6 《低合金高强度结构钢》GB/T 1591
7 《混凝土用膨胀型、扩孔型建筑锚栓》JG 160
8 《混凝土结构工程用锚固胶》JG/T 340
自2022年4月1日起废止的条文

