Appearance
《木结构设计标准[附条文说明]》GB 50005-2017
🗓️ 住房和城乡建设部 实施时间:2018-08-01
前言
中华人民共和国国家标准
木结构设计标准
Standard for design of timber structures
GB 50005-2017
发布日期:2017年11月20日
实施日期:2018年08月01日
发布部门:中华人民共和国住房和城乡建设部
中华人民共和国国家质量监督检验检疫总局
中华人民共和国住房和城乡建设部公告
第1745号
住房城乡建设部关于发布国家标准《木结构设计标准》的公告
现批准《木结构设计标准》为国家标准,编号为GB 50005-2017,自2018年8月1日起实施。其中,第3.1.3、3.1.12、4.1.6、4.1.14、4.3.1、4.3.4、4.3.6、7.4.11、7.7.1、11.2.9条为强制性条文,必须严格执行。原国家标准《木结构设计规范》GB 50005-2003同时废止。
本标准在住房城乡建设部门户网站(www.mohurd.gov.cn)公开,并由我部标准定额研究所组织中国建筑工业出版社出版发行。
中华人民共和国住房和城乡建设部
2017年11月20日
前 言
根住房和城乡建设部《关于印发<2009年工程建设标准规范制订、修订计划>的通知》(建标[2009]88号)的要求,标准编制组经广泛的调查研究,认真总结实践经验,参考有关国际标准和国外先进标准,并在广泛征求意见的基础上,修订了本标准。
本标准的主要技术内容是:1 总则;2 术语与符号;3 材料;4 基本规定;5 构件计算;6 连接设计;7 方木原木结构;8 胶合木结构;9 轻型木结构;10 防火设计;11 木结构防护。
本标准修订的主要内容是:
1 完善了木材材质分级及强度等级的规定,扩大了国产树种和进口木材树种的利用范围;
2 对进口木材及木材产品的强度设计值进行了可靠度分析研究,确定了在本标准中的强度设计指标;
3 补充了方木原木结构和组合木结构的相关设计规定;
4 协调完善了胶合木结构、轻型木结构的设计规定;
5 完善了木结构构件稳定计算和连接设计的规定;
6 补充完善了抗震设计、防火设计和耐久性设计的规定。
本标准中以黑体字标志的条文为强制性条文,必须严格执行。
本标准由住房和城乡建设部负责管理和对强制性条文的解释,由中国建筑西南设计研究院有限公司负责具体技术内容的解释。本标准执行过程中如有意见或建议,请寄送中国建筑西南设计研究院有限公司(地址:四川省成都市天府大道北段866号,邮编:610042)。
本标准主编单位:中国建筑西南设计研究院有限公司
四川省建筑科学研究院
本标准参编单位:哈尔滨工业大学
同济大学
重庆大学
四川大学
中国林业科学研究院
公安部四川消防研究所
公安部天津消防研究所
北京林业大学
上海现代建筑设计(集团)有限公司
美国林业与纸业协会——APA工程木协会
中国欧盟商会——欧洲木业协会
加拿大木业协会
日本贸易振兴机构——日本木材出口协会
汉高(中国)投资有限公司瑞士普邦公司
四川省明迪木构建设工程有限公司
苏州昆仑绿建木结构科技股份有限公司
赫英木结构制造(天津)有限公司
优沃德(北京)粘合剂有限公司
大连双华木业有限公司
大兴安岭神州北极木业有限公司
中国森林控股——满洲里三发木业有限公司
四川林合益竹木新材料有限公司
本标准主要起草人员:龙卫国 王永维 杨学兵 祝恩淳 倪春 何敏娟 许方 周淑容 蒋明亮 张新培 殷亚方 邱培芳 凌程建 黄德祥 任海青 申世杰 高承勇 张家华 赵川 张绍明 张海燕 张华君 倪竣 李国昌 李俊明 范永华 张东彪 陈子琦 石梽勇 白伟东 密宏勇 李和麟 欧加加
本标准主要审查人员:沈世钊 徐厚军 黄小坤 宋晓勇 赵克伟 王戈 王林安 熊海贝 章一萍 陆伟东 杨军 许清风 田福弟 戚建祥 阙泽利
1 总则
1 总 则
1.0.1 为使木结构设计中贯彻执行国家的技术经济政策,做到技术先进、安全适用、经济合理、确保质量和保护环境,制定本标准。
条文说明
1.0.1 本条主要阐明编制本标准的目的。 就木结构建筑而言,除应做到保证安全和人体健康、保护环境及维护公共利益外,还应大力发展人工林,合理使用木结构,充分发挥木结构在建筑工程中的作用,改变过去由于对生态保护重视不够,我国森林资源破坏严重,导致被动地限制木结构在建筑工程中正常使用的状态,做到合理地使用木材(天然林材、速生林材),以促进我国木结构建筑的发展。近几年来,人们对绿色低碳建筑的认识不断深入和发展,以及我国经济水平的不断提高,给木结构建筑的应用提供了良好的基本条件。
1.0.2 本标准适用于建筑工程中方木原木结构、胶合木结构和轻型木结构的设计。
条文说明
1.0.2 关于本标准的适用范围:
1 根据修编任务提出的“积极总结和吸收国内外设计和应用木结构的成熟经验,特别是现代木结构的先进技术,使修订后的标准满足和适应当前经济和社会发展的需要”的要求,本标准在建筑中的适用范围应为民用建筑、单层工业建筑和多种使用功能的大中型公共建筑;随着建筑结构技术的发展,本标准也适用于木混合结构中承重木结构的设计。
2 按木结构承重构件采用的木材划分,适用于方木原木结构、胶合木结构和轻型木结构的设计。
3 由于本标准未考虑木材在临时性工程和工具结构中的应用问题,因此,本标准不适用于临时性建筑设施以及施工用支架、模板和把杆等工具结构的设计。 本标准依据现行国家标准《工程结构可靠性设计统一标准》GB 50153及《建筑结构可靠性设计统一标准》GB 50068的原则制定。由于《建筑结构可靠性设计统一标准》GB 50068(以下简称《统一标准》)对建筑结构设计的基本原则(结构可靠度和极限状态设计原则)作出了统一规定,并明确要求各类材料结构的设计规范必须予以遵守。因此,本标准以《统一标准》为依据,对木结构的设计原则作出相应的具体规定。
1.0.3 木结构的设计除应符合本标准外,尚应符合国家现行有关标准的规定。
条文说明
1.0.3 主要明确规范应配套使用。由于与木结构设计相关的国家标准和行业标准较多,因此在实际使用时,其他强制性标准规范的相关规定也应参照执行。
2 术语和符号
2.1 术语
2 术语和符号
2.1 术 语
条文说明
本次修订时,在我国惯用的木结构术语基础上,列出了新术语,主要是根据《木材科技词典》、《木材性质术语》LY/T 1788及参照国际上木结构技术常用术语进行编写。例如,结构复合材、木基结构板剪力墙等。对于一些新材料和新的结构形式也列出了部分新术语,如胶合原木、正交胶合木、木框架剪力墙结构等。 对于国际上木结构建筑行业通常采用的“第三方认证机构”的术语,在本次修订时,考虑到我国实际情况并未在本标准中列出。考虑到我国主要进口的木材及木制品多是经过第三方认证机构认证的,因此,对于“第三方认证机构”需要作出下列说明:
1 第三方认证机构应由木结构构件或材料的生产商专门聘用。
2 第三方认证机构在不事先通知或尽可能不事先通知生产商的情况下,对生产商的产品质量保证体系进行审核,对工厂生产过程进行检测;审核应包括对工厂的质量保证体系进行评审与批准,检测应包括对随机抽检的产品的质量以及质量保证数据进行检验。
3 国际上通常要求合格的第三方认证机构应具备下列资格条件:
1)经由国际认证论坛(IAF)认可,应符合国际标准ISO/IEC 17020《合格评定——各类检查机构能力的通用要求》以及国际标准ISO/IEC 17065《合格评定——对认证产品、过程和服务机构的要求》的有关规定,或应符合国家认可的产品认证体系。
2)拥有经过培训的符合国际标准或符合国家认可的产品认证体系要求的技术人员。
3)技术人员进行检验和试验时,应根据相关标准对检验、取样以及试验的要求,对木结构产品的分级标准、尺寸规定、树种分类、施工要求、加工成型工艺、胶合工艺、制作工艺等特性进行验证。
4)第三方认证机构与被检验或试验产品的制造公司之间无任何经济利益关系,并且,不被任何这类公司所拥有、运营或控制。
2.1.1 木结构 timber structure
采用以木材为主制作的构件承重的结构。
2.1.2 原木 log
伐倒的树干经打枝和造材加工而成的木段。
2.1.3 锯材 sawn timber
原木经制材加工而成的成品材或半成品材,分为板材与方材。
2.1.4 方木 square timber
直角锯切且宽厚比小于3的锯材。又称方材。
2.1.5 板材 plank
直角锯切且宽厚比大于或等于3的锯材。
2.1.6 规格材 dimension lumber
木材截面的宽度和高度按规定尺寸加工的规格化木材。
2.1.7 结构复合木材 structural composite lumber
采用木质的单板、单板条或木片等,沿构件长度方向排列组坯,并采用结构用胶粘剂叠层胶合而成,专门用于承重结构的复合材料。包括旋切板胶合木、平行木片胶合木、层叠木片胶合木和定向木片胶合木,以及其他具有类似特征的复合木产品。
条文说明
2.1.7 结构复合木材是现代木结构经常采用的结构材料之一,它包括旋切板胶合木(单板层积材,LVL——Laminated Veneer Lumber)、平行木片胶合木 (单板条层积材,PSL——Parallel Strand Lumber)、层叠木片胶合木(定向木片层积材,LSL-—Laminated Strand Lumber)和定向木片胶合木(OSL——Oriented Strand Lumber),以及其他具有类似特征的复合木产品。随着木材加工业的发展,将出现更多新的结构复合木产品。
2.1.8 胶合木层板 glued lamina
用于制作层板胶合木的板材,接长时采用胶合指形接头。
2.1.9 木材含水率 moisture content of wood
木材内所含水分的质量占木材绝干质量的百分比。
2.1.10 顺纹 parallel to graln
木构件木纹方向与构件长度方向一致。
2.1.11 横纹 perpendicular to grain
木构件木纹方向与构件长度方向垂直。
2.1.12 斜纹 an angle to grain
木构件木纹方向与构件长度方向形成某一角度。
2.1.13 层板胶合木 glued laminated timber
以厚度不大于45mm的胶合木层板沿顺纹方向叠层胶合而成的木制品。也称胶合木或结构用集成材。
2.1.14 正交层板胶合木 cross laminated timber
以厚度为15mm~45mm的层板相互叠层正交组坯后胶合而成的木制品。也称正交胶合木。
2.1.15 胶合原木 laminated log
以厚度大于30mm、层数不大于4层的锯材沿顺纹方向胶合而成的木制品。常用于井干式木结构或梁柱式木结构。
2.1.16 工字形木搁栅 wood I-joist
采用规格材或结构用复合材作翼缘,木基结构板材作腹板,并采用结构胶粘剂胶结而组成的工字形截面的受弯构件。
2.1.17 墙骨 stud
轻型木结构的墙体中按一定间隔布置的竖向承重骨架构件。
2.1.18 目测分级木材 visually stress-graded lumber
采用肉眼观测方式来确定木材材质等级的木材。
2.1.19 机械应力分级木材 machine stress-rated lumber
采用机械应力测定设备对木材进行非破坏性试验,按测定的木材弯曲强度和弹性模量确定强度等级的木材。
2.1.20 齿板 truss plate
经表面镀锌处理的钢板冲压成多齿的连接件,用于轻型木桁架节点的连接或受拉杆件的接长。
2.1.21 木基结构板 wood-based structural panels
以木质单板或木片为原料,采用结构胶粘剂热压制成的承重板材,包括结构胶合板和定向木片板。
2.1.22 木基结构板剪力墙 shear wall of wood-based structural panels
面层采用木基结构板,墙骨柱或间柱采用规格材、方木或胶合木而构成的,用于承受竖向和水平作用的墙体。
条文说明
2.1.22 木基结构板剪力墙主要用于梁柱式木结构或轻型木结构中的墙体。
2.1.23 指接节点 finger joint
在连接点处,采用胶粘剂连接的锯齿状的对接节点,简称指接。指接分为胶合木层板的指接和胶合木构件的指接。
2.1.24 速生材 fast-growing wood
生长快、成材早、轮伐期短的木材。
2.1.25 方木原木结构 sawn and log timber structures
承重构件主要采用方木或原木制作的建筑结构。
条文说明
2.1.25 方木原木结构在国家标准《木结构设计规范》GB 50005-2003(2005年版)(以下简称“原2003版规范”)中称为普通木结构。在本次修订时,考虑以木结构承重构件采用的主要木材材料来划分木结构建筑,因而,将普通木结构的名称改为方木原木结构。其结构形式包括梁柱式结构、木框架剪力墙结构、井干式结构、穿斗式结构、抬梁式结构以及方木原木屋盖体系等。
2.1.26 轻型木结构 light wood frame constructlon
用规格材、木基结构板或石膏板制作的木构架墙体、楼板和屋盖系统构成的建筑结构。
2.1.27 胶合木结构 glued lamlnated timber structures
承重构件主要采用胶合木制作的建筑结构。也称层板胶合木结构。
条文说明
2.1.27 胶合木结构主要包括梁柱式结构、空间桁架、拱、门架和空间薄壳等结构形式,以及包括直线梁、变截面梁和曲线梁。
2.1.28 井干式木结构 log cabins;log house
采用截面经适当加工后的原木、方木和胶合原木作为基本构件,将构件水平向上层层叠加,并在构件相交的端部采用层层交叉咬合连接,以此组成的井字形木墙体作为主要承重体系的木结构。
2.1.29 穿斗式木结构 CHUANDOU-style timber structure
按屋面檩条间距,沿房屋进深方向竖立一排木柱,檩条直接由木柱支承,柱子之间不用梁,仅用穿透柱身的穿枋横向拉结起来,形成一榀木构架。每两榀木构架之间使用斗枋和纤子连接组成承重的空间木构架。
2.1.30 抬梁式木结构 TAILIANG-style timber structure
沿房屋进深方向,在木柱上支承木梁,木梁上再通过短柱支承上层减短的木梁,按此方法叠放数层逐层减短的梁组成一榀木构架。屋面檩条放置于各层梁端。
2.1.31 木框架剪力墙结构 post and beam with shear wall construction
在方木原木结构中,主要由地梁、梁、横架梁与柱构成木框架,并在间柱上铺设木基结构板,以承受水平作用的木结构体系。
条文说明
2.1.31 木框架剪力墙结构是方木原木结构中的主要结构形式之一,该结构形式在现代木结构建筑中受到广泛应用,其具体的形式可参考第7.1.1条的条文说明。
2.1.32 正交胶合木结构 cross laminated timber structure
墙体、楼面板和屋面板等承重构件采用正交胶合木制作的建筑结构。其结构形式主要为箱形结构或板式结构。
条文说明
2.1.32 正交胶合木结构是近年来国际上研究较多的一种木结构,大多数研究的目的是为了将其应用于高层木结构建筑中。本标准对正交胶合木结构作出了基本规定。
2.1.33 销连接 dowel-type fasteners
是采用销轴类紧固件将被连接的构件连成一体的连接方式。销连接也称为销轴类连接。销轴类紧固件包括螺栓、销、六角头木螺钉、圆钉和螺纹钉。
2.2 符号
2.2 符 号
条文说明
在“原2003
版规范”的符号基础上,根据本次修订内容的需要,增加了若干新的符号。例如,销轴类紧固件每个剪面的受剪承载力设计值 Z d 、根据耐火极限t的要求确定的有效炭化层厚度 d ef 等有关符号。
2.2.1 作用和作用效应
C——设计对变形、裂缝等规定的相应限值;
C r ——齿板剪-拉复合承载力设计值;
M——弯矩设计值;
M x 、M y ——构件截面x轴和y轴的弯矩设计值;
M 0 ——横向荷载作用下跨中最大初始弯矩设计值;
M r ——齿板受弯承载力设计值;
N——轴向力设计值;
N b ——保险螺栓所承受的拉力设计值;
N r ——板齿承载力设计值;
N s ——板齿抗滑移承载力设计值;
R d ——结构或结构构件的抗力设计值;
R f ——按耐火极限燃烧后残余木构件的承载力设计值;
S d ——作用组合的效应设计值;
S k ——火灾发生后验算受损木构件的荷载偶然组合的效应设计值;
T r ——齿板受拉承载力设计值;
V——剪力设计值;
V d ——剪力墙、楼盖和屋盖受剪承载力设计值;
V r ——齿板受剪承载力设计值;
W d ——六角头木螺钉的抗拔承载力设计值;
Z d ——销轴类紧固件每个剪面的受剪承载力设计值;
Z——受剪承载力参考设计值;
ω——构件按荷载效应的标准组合计算的挠度;
ω x 、ω y ——荷载效应的标准组合计算的沿构件截面x轴和y轴方向的挠度。
2.2.2 材料性能或结构的设计指标
C r1 、C r2 ——沿l 1 、l 2 方向齿板剪-拉复合强度设计值;
E——木质材料弹性模量平均值;
E k ——木质材料弹性模量标准值;
f ck 、f c ——木质材料顺纹抗压及承压强度标准值、设计值;
f cα ——木质材料斜纹承压强度设计值;
f c,90 ——木材的横纹承压强度设计值;
f mk 、f m ——木质材料抗弯强度标准值、设计值;
f tk 、f t ——木质材料顺纹抗拉强度标准值、设计值;
f vk 、f v ——木质材料顺纹抗剪强度标准值、设计值;
f vd ——采用木基结构板材作面板的剪力墙、楼盖和屋盖的抗剪强度设计值;
f em ——主构件销槽承压强度标准值;
f es ——次构件销槽承压强度标准值;
f yb ——销轴类紧固件抗弯强度标准值;
f t,j,k 、f m,j,k ——指接节点的抗拉强度标准值、宽度方向的抗弯强度标准值;
G——木构件材料的全干相对密度;
K w ——剪力墙的抗剪刚度;
n r ——板齿强度设计值;
n s ——板齿抗滑移强度设计值;
t r ——齿板抗拉强度设计值;
υ r ——齿板抗剪强度设计值;
β n ——木材燃烧1.00h的名义线性炭化速率;
[ω]——受弯构件的挠度限值;
[λ]——受压构件的长细比限值。
2.2.3 几何参数
A——构件全截面面积,或齿板表面净面积;
A n ——构件净截面面积;
A 0 ——受压构件截面的计算面积;
A c ——承压面面积;
B e ——楼盖、屋盖平行于荷载方向的有效宽度;
b——构件的截面宽度;
b n ——变截面受压构件截面的有效边长;
b t ——垂直于拉力方向的齿板截面计算宽度;
b v ——剪面宽度,或平行于剪力方向的齿板受剪截面宽度;
d——原木或销轴类紧固件的直径;
d ef ——有效炭化层厚度;
e 0 ——构件的初始偏心距;
h——构件的截面高度;
h d ——六角头木螺钉有螺纹部分打入主构件的有效长度;
h n ——受弯构件在切口处净截面高度;
h w ——剪力墙的高度;
I——构件的全截面惯性矩;
i——构件截面的回转半径;
l——构件长度;
l 0 ——受压构件的计算长度;
l e ——受弯构件计算长度;
l v ——剪面计算长度;
S——剪切面以上的截面面积对中性轴的面积矩;
t m ——单剪连接或双剪连接时,较厚构件或中部构件的厚度;
t s ——单剪连接或双剪连接时,较薄构件或边部构件的厚度;
W——构件的全截面抵抗矩;
W n ——构件的净截面抵抗矩;
W nx 、W ny ——构件截面沿x轴和y轴的净截面抵抗矩;
α——上弦与下弦的夹角,或作用力方向与构件木纹方向的夹角;
λ——受压构件的长细比;
λ B ——受弯构件的长细比。
2.2.4 计算系数及其他
a——支座条件计算系数;
C m ——含水率调整系数;
C t ——温度环境调整系数;
K B ——局部受压长度调整系数;
K Zcp ——局部受压尺寸调整系数;
k d ——永久荷载效应控制时,木质材料强度设计值调整系数;
k h ——桁架端节点弯矩影响系数;
k g ——销轴类紧固件受剪承载力的群栓组合作用系数;
k l ——长度计算系数;
k min ——销槽承压最小有效长度系数;
t——耐火极限;
β——材料剪切变形相关系数;
ρ——可变荷载标准值与永久荷载标准值的比率;
φ——轴心受压构件的稳定系数;
φ l ——受弯构件的侧向稳定系数;
φ m ——考虑轴向力和初始弯矩共同作用的折减系数;
φ y ——轴心压杆在垂直于弯矩作用平面y-y方向按长细比λ y 确定的稳定系数;
ψ v ——考虑沿剪面长度剪应力分布不均匀的强度折减系数;
γ 0 ——结构重要性系数;
γ RE ——构件承载力抗震调整系数。
3 材料
3.1 木材
3 材 料
3.1 木 材
3.1.1 承重结构用材可采用原木、方木、板材、规格材、层板胶合木、结构复合木材和木基结构板。
条文说明
3.1.1 本次修订时,承重结构用木材首次增加了“结构复合材”等现代工业化生产的木结构用材。
3.1.2 方木、原木和板材可采用目测分级,选材标准应符合本标准附录A第A.1节的规定。在工厂目测分级并加工的方木构件的材质等级应符合表3.1.2的规定,选材标准应符合本标准附录A第A.1.4条的规定。不应采用商品材的等级标准替代本标准规定的材质等级。

条文说明
3.1.2 我国对方木原木承重结构所用木材的分级,历来按其材质分为三级,这次修订未对该材质标准进行修改。本次修订增加了在工厂大批量、工业化生产的目测分级方木的材质等级。 工厂目测分级是指木材在工业化加工流程中,通过具有相应资质的目测分级专业技术人员对木材进行分等分级。为了便于使用材质标准,现就板、方材的材质标准中,如何考虑木材缺陷的限值问题作如下简介: 1 木节 由图1可见,外观相同的木节对板材和方材的削弱是不同的。同一大小的木节,在板材中为贯通节,在方木中则为锥形节。显然,木节对方木的削弱要比板材小,方木所保留的未割断的木纹也比板材多,因此,若将板、方材的材质标准分开,则方木木节的限值,便可在不降低构件设计承载力的前提下予以适当放宽。为了确定具体放宽尺度,编制组曾以云南松、杉木、冷杉和马尾松为试件,进行了158根构件试验,并根据其结果制定了材质标准中方木木节限值的规定。 
2 斜纹 我国材质标准中斜纹的限值,早期一直沿用苏联的规定。过去修订规范时曾对其使用效果进行了调查。结果表明:
1)有不少树种木材,其内外纹理的斜度不一致,往往当表层纹理接近限值时,其内层纹理的斜度已略嫌大;
2)如木材纹理较斜、木构件含水率偏高,在干燥过程中就会产生扭翘变形和斜裂缝,而对构件受力不利。因此,有必要适当加严木材表面斜纹的限值。 为了评估标准中斜纹限值加严后对成批木材合格率的影响,本标准1973年版编制组曾对斜纹材较多的落叶松和云南松进行抽样调查。其结果表明,按现行标准的斜纹限值选材并不显著影响合格率(表1)。 
3 髓心 现行材质标准对方木有髓心应避开受剪面的规定。这是根据以前北京市建筑设计院和原西南建筑科学研究所对木材裂缝所作的调查,以及该所对近百根木材所作的观测的结果制定的。因为在有髓心的方木上最大裂缝(以下简称主裂缝)一般生在较宽的面上,并位于离髓心最近的位置,逐渐向着髓心发展(见表2)。一般从髓心所在位置,即可判定最大裂缝将发生在哪个面的哪个部位。若避开髓心即意味着在剪面上避开了危险的主裂缝。因此,这也是防止裂缝危害的一项很有效的措施。 另外,在板材截面上,若有髓心,不仅将显著降低木板的承载能力,而且可能产生危险的裂缝和过大的截面变形,对构件及其连接的受力均很不利。因此,在板材的材质标准中,作了不允许有髓心规定。多年来的实践证明,这对板材的选料不会造成很大的损耗。 
4 裂缝 裂缝是影响结构安全的一个重要因素,材质标准中应当规定其限值。试验结果表明,裂缝对木结构承载能力的影响程度,随着裂缝所在部位的不同以及木材纹理方向的变化,相差悬殊。一般说来,在连接的受剪面上,裂缝将直接降低其承载能力,而位于受剪面附近的裂缝,是否对连接的受力有影响,以及影响的大小,则在很大程度上取决于木材纹理是否正常。至于裂缝对受拉、受弯以及受压构件的影响,在木纹顺直的情况下,是不明显的。但若木纹的斜度很大,则其影响将显得十分突出,几乎随着斜纹的斜度增大,而使构件的承载力呈直线下降;这以受拉构件最为严重,受弯构件次之,受压构件较轻。 综上所述,本标准以加严对木材斜纹的限制为前提,作出了对裂缝的规定:一是不容许连接的受剪面上有裂缝;二是对连接受剪面附近的裂缝深度加以限制。至于“受剪面附近”的含义,一般可理解为:在受剪面上下各30mm的范围内。
3.1.3 方木原木结构的构件设计时,应根据构件的主要用途选用相应的材质等级。当采用目测分级木材时,不应低于表3.1.3-1的要求;当采用工厂加工的方木用于梁柱构件时,不应低于表3.1.3-2的要求。 ( 自2022年1月1日起废止该条,详见新规 《木结构通用规范》GB55005-2021)

条文说明
3.1.3 本条为强制性条文。方木原木材料按强度分为8个等级,按材质分为3个级别,因此,采用方木原木构件时,确定了采用树种也就明确了材料强度等级。但是,相同强度等级的方木原木构件更重要的是,应根据构件主要用途来确定选用的材质等级,以保证结构安全。
3.1.4 方木和原木应从本标准表4.3.1-1和表4.3.1-2所列的树种中选用。主要的承重构件应采用针叶材;重要的木制连接件应采用细密、直纹、无节和无其他缺陷的耐腐硬质阔叶材。
条文说明
3.1.4 近几年来,我国每年从国外进口相当数量的木材,其中部分用于工程建设。考虑到今后一段时期,建筑工程采用的木材大量还是依靠进口木材,故在本条中增加了进口木材树种。考虑到这方面的用途,对材料的质量与耐久性的要求较高,而目前木材的进口渠道多,质量相差悬殊,若不加强技术管理,容易使工程遭受不应有的经济损失,甚至发生质量、安全事故。因此,有必要对进口木材的选材及设计指标的确定,作出统一的规定,以确保工程的安全、质量与经济效益。
3.1.5 在木结构工程中使用进口木材应符合下列规定:
1 应选择天然缺陷和干燥缺陷少、耐腐性较好的树种;
2 应有经过认可的认证标识,并应附有相关技术文件;
3 应符合国家对木材进口的动物植物检疫的相关规定;
4 应有中文标识,并应按国别、等级、规格分批堆放,不应混淆;储存期间应防止霉变、腐朽和虫蛀;
5 首次在我国使用的树种应经试验确定物理力学性能后按本标准要求使用。
条文说明
3.1.5 一段时期来,工程建设所需的进口木材,在其订货、商检、保存和使用等方面,均因缺乏专门的技术标准,无法正常管理,而存在不少问题。例如:有的进口木材,由于订货时随意选择木材的树种与等级,致使应用时增加了处理工作量与损耗;有的进口木材,不附质量证书或商检报告,使接收工作增加很多麻烦;有的进口木材,由于管理混乱,木材的名称与产地不详,给使用造成困难。此外,有些单位对不熟悉的树种木材,不经试验便盲目使用,造成了一些不应有的工程事故。鉴于以上情况,提出了这些基本规定,要求工程结构的设计、施工与管理人员执行。
3.1.6 轻型木结构用规格材可分为目测分级规格材和机械应力分级规格材。目测分级规格材的材质等级分为七级;机械分级规格材按强度等级分为八级,其等级应符合表3.1.6的规定。

3.1.7 轻型木结构用规格材截面尺寸应符合本标准附录B第B.1.1条的规定。对于速生树种的结构用规格材截面尺寸应符合本标准附录B第B.1.2条的规定。
3.1.8 当规格材采用目测分级时,分级的选材标准应符合本标准附录A第A.3节的规定。当采用目测分级规格材设计轻型木结构构件时,应根据构件的用途按表3.1.8的规定选用相应的材质等级。

条文说明
3.1.6~3.1.8 轻型木结构用规格材主要根据用途分类。分类越细越经济,但过细又给生产和施工带来不便。我国规格材材质等级定为三类七个等级,规定了每等的材质标准。规格材材质等级分为三类主要是用途各不相同。 与我国传统方法一样,采用目测法分级时,与之相关的设计值应通过对不同树种、不同等级规格材的足尺试验确定。本标准给出的规格材基本截面尺寸是为了使轻型木结构的设计和施工标准化。但是,目前大部分进口规格材的尺寸是按英制生产的,所以本标准允许在采用进口规格材时,其截面尺寸只要与本标准表8.1.1和表8.1.2所列规格材尺寸相差不大于2mm,在工程中视作等同。为避免对构件的安装和工程维修造成影响,在一栋建筑中不应将不同宽度规格系列的规格材混用,即不能将按英制生产的规格材与本标准规定的尺寸系列的规格材在同一栋建筑中混合使用。 考虑到我国木材加工业的状况,对于机械分级规格材定为8个等级,并规定了分级的基本强度指标。
3.1.9 在木结构中使用木基结构板、结构复合木材和工字形木搁栅,应符合下列规定:
1 用作屋面板、楼面板和墙面板的木基结构板应符合国家现行标准《木结构覆板用胶合板》GB/T 22349、《定向刨花板》LY/T 1580的相关规定。进口木基结构板应有认证标识、板材厚度以及板材的使用条件等说明。
2 用作梁或柱的结构复合木材的强度应满足设计要求。进口结构复合木材应有认证标识以及其他相关的说明文件。
3 对于用作楼盖和屋盖的工字形木搁栅应符合现行国家标准《建筑结构用木工字梁》GB/T 28985的相关规定。进口工字形木搁栅应有认证标识以及其他相关的说明文件。
条文说明
3.1.9 本条对木结构中使用的木基结构板材、结构复合材和工字形木搁栅等材料作了规定。 1 木基结构板材应满足集中荷载、冲击荷载以及均布荷载试验要求。同时,考虑到施工过程中,会因天气、工期耽误等因素,板材可能受潮,这就要求木基结构板材应有相应的耐潮湿能力、搁栅的中心间距以及板厚等要求,均应清楚地表明在板材上。 2 考虑到我国木结构建筑材料的现状,许多结构复合材构件及工字形木搁栅等产品需要进口,因此,对于这些进口工程木产品,当国内尚无国家标准时,可参考有关的国际标准或其他相关标准来执行,具体的有下列相关标准: 1)《建筑用木基板特性、合格评定和标记》,EN 13986,Wood based panels for use in construction-characteristics, evaluation of conformity and marking 2)《木基板——楼屋盖、墙体承重板性能规定和要求》,EN 12871, Wood-based panels-Performance specifications and requirements for load bearing boards for use in floors, walls and roofs 3)《木结构——结构用单板层积材——要求》,EN 14374 , Timber structures-Structural laminated veneer lumber-Requirements 4)《木结构——单板层积材——结构属性》,ISO 22390,Timber structures-Laminated veneer lumber-Structural properties 5)《结构复合材评定标准》,ASTM D 5456,Standard specification for evaluation of structural composite lumber products 6)《预制工字梁结构承载力能力确定和监测的标准》,ASTM D5055, Standard specification for establishing and monitoring structural capacities of prefabricated Wood i-joists
3.1.10 胶合木层板应采用目测分级或机械分级,并宜采用针叶材树种制作。除普通胶合木层板的材质等级标准应符合本标准附录A第A.2节的规定外,其他胶合木层板分级的选材标准应符合现行国家标准《胶合木结构技术规范》GB/T 50708及《结构用集成材》GB/T 26899的相关规定。
条文说明
3.1.10 关于层板胶合木用材等级及其材质标准对于普通层板胶合木用材材质标准的可靠性,曾经委托原哈尔滨建筑工程学院按随机取样的原则,做了30根受弯构件破坏试验,其结果表明,按现行材质标准选材所制成的胶合构件,能够满足承重结构可靠度的要求。同时较为符合我国木材的材质状况,可以提高低等级木材在承重结构中的利用率。 近几年,随着我国胶合木结构的不断发展,主要是采用目测分级层板和机械分级层板来制作胶合木。目测分级层板和机械分级层板的材质标准已在现行国家标准《胶合木结构技术规范》GB/T 50708和《结构用集成材》GB/T 26899中作出了具体规定。
3.1.11 正交胶合木采用的层板应符合下列规定:
1 层板应采用针叶材树种制作,并应采用目测分级或机械分级的板材;
2 层板材质的等级标准应符合本标准第3.1.10条的规定,当层板直接采用规格材制作时,材质的等级标准应符合本标准附录A第A.3节的相关规定;
3 横向层板可采用由针叶材树种制作的结构复合材;
4 同一层层板应采用相同的强度等级和相同的树种木材(图3.1.11)。

条文说明
3.1.11 正交胶合木作为现代木结构建筑的木材产品,被大量应用于木结构工程中,包括居住建筑和商业建筑。正交胶合木构件作为板式构件适用于楼面、屋面或墙体。目前,制作正交胶合木的顺向层板均采用针叶材,而横向层板除采用针叶材外也可采用由针叶材树种制作的结构复合材。由于在设计时不考虑横向层板的强度作用,因此,对于横向层板的材质要求可适当放松。 另外,正交胶合木的每层板可采用不同的强度等级进行组合。考虑到正交胶合木同一层层板的胶合性能应相同,本标准要求同一层层板应采用相同的强度等级和相同的树种木材。当设计允许时,同一层层板中大于90%的木板强度等级应符合该层规定的强度等级,不符合该层强度等级的木板,其强度设计值不应低于该层规定强度的35%。
3.1.12 制作构件时,木材含水率应符合下列规定:
1 板材、规格材和工厂加工的方木不应大于19%。
2 方木、原木受拉构件的连接板不应大于18%。
3 作为连接件,不应大于15%。
4 胶合木层板和正交胶合木层板应为8%~15%,且同一构件各层木板间的含水率差别不应大于5%。
5 井干式木结构构件采用原木制作时不应大于25%;采用方木制作时不应大于20%;采用胶合原木木材制作时不应大于18%。 ( 自2022年1月1日起废止该条,详见新规 《木结构通用规范》 GB55005-2021)
条文说明
3.1.12 本条为强制性条文。木材含水率是指木材中所含水分的质量占其烘干质量的百分比。规定木材含水率的理由和依据如下: 1 木结构若采用较干的木材制作,在相当程度上减小了因木材干缩造成的松弛变形和裂缝的危害,对保证工程质量作用很大。因此,原则上应要求木材经过干燥。考虑到结构用材的截面尺寸较大,只有气干法较为切实可行,故只能要求尽量提前备料,使木材在合理堆放和不受曝晒的条件下逐渐风干。根据调查,这一工序即使时间很短,也能收到一定的效果。 2 原木和方木的含水率沿截面内外分布很不均匀。原西南建筑科学研究所对30余根云南松木材的实测表明,在料棚气干的条件下,当木材表层20mm深处的含水率降到16.2%~19.6%时,其截面平均含水率为24.7%~27.3%。基于现场对含水率的检验只需一个大致的估计,引用了这一关系作为检验的依据。但是,上述试验是以120mm×160mm中等规格的方木进行测定的。若木材截面很大,按上述关系估计其平均含水率就会偏低很多,这是因为大截面的木材内部水分很难蒸发之故。例如,中国林业科学研究院曾经测得:当大截面原木的表层含水率已降低到12%以下,其内部含水率仍高达40%以上。但这个问题并不影响使用这条补充规定,因为对大截面木材来说,内部干燥总归很慢,关键是只要表层干到一定程度,便能收到控制含水率的效果。 3 当前结构用材的干燥过程完全采用工业化手段,对于各种不同木材都能使其满足规定的含水率要求。本标准规定的含水率是最基本的要求。 条文中,方木、原木受拉构件的连接板是指利用方木原木制作的木制夹板。连接件是指在构件节点中起主要作用的木制连接件,例如,在不采用金属齿板连接的轻型木桁架中,采用定向刨花板(OSB)作为构件节点连接的连接板。
3.1.13 现场制作的方木或原木构件的木材含水率不应大于25%。当受条件限制,使用含水率大于25%的木材制作原木或方木结构时,应符合下列规定:
1 计算和构造应符合本标准有关湿材的规定;
2 桁架受拉腹杆宜采用可进行长短调整的圆钢;
3 桁架下弦宜选用型钢或圆钢;当采用木下弦时,宜采用原木或破心下料(图3.1.13)的方木;
4 不应使用湿材制作板材结构及受拉构件的连接板;
5 在房屋或构筑物建成后,应加强结构的检查和维护,结构的检查和维护可按本标准附录C的规定进行。

条文说明
3.1.13 本标准根据各地历年来使用湿材总结的经验教训,以及有关科研成果,作了湿材只能用于原木和方木构件的规定(其接头的连接板不允许用湿材)。因为这两类构件受木材干裂的危害不如板材构件严重。 湿材是指含水率大于25%的木材,湿材对结构的危害主要是:在结构的关键部位可能引起危险性的裂缝;促使木材腐朽易遭虫蛀;使节点松动,结构变形增大等。针对这些问题,本标准采取了下列措施: 1 防止裂缝的危害方面:除首先推荐采用钢木结构外,在选材上加严了斜纹的限值,以减少斜裂缝的危害;要求受剪面避开髓心,以免裂缝与受剪面重合;在制材上,要求尽可能采用“破心下料”的方法,以保证方木的重要受力部位不受干缩裂缝的危害;在构造上,对齿连接的受剪面长度和螺栓连接的端距均予以适当加大,以减小木材开裂的影响等。 2 减小构件变形和节点松动方面,将木材的弹性模量和横纹承压的计算指标予以适当降低,以减小湿材干缩变形的影响,并要求桁架受拉腹杆采用圆钢,以便于调整。此外,还根据湿材在使用过程中容易出现的问题,在检查和维护方面作了具体的规定。 3 防腐防虫方面,给出防潮、通风构造示意图。 “破心下料”的制作方法作如下说明: 因为含髓心的方木,其截面上的年层大部分完整,内外含水率梯度又很大,以致干缩时,弦向变形受到径向约束,边材的变形受到心材约束,从而使内应力过大,造成木材严重开裂。为了解除这种约束,可沿髓心剖开原木,然后再锯成方材,就能使木材干缩时变形较为自由,显著减小了开裂程度。原西南建筑科学研究院进行的近百根木材的试验和三个试点工程,完全证明了其防裂效果。但“破心下料”也有其局限性,即要求原木的径级至少在320mm以上,才能锯出屋架料规格的方木,同时制材要在髓心位置下锯,对制材速度稍有影响。因此本标准建议仅用于受裂缝危害最大的桁架受拉下弦,尽量减小采用“破心下料 ”构件的数量,以便于推广。
3.2 钢材与金属连接件
3.2 钢材与金属连接件
3.2.1 承重木结构中使用的钢材宜采用Q235钢、Q345钢、Q390钢和Q420钢,并应分别符合现行国家标准《碳素结构钢》GB/T 700和《低合金高强度结构钢》GB/T 1591的有关规定。
条文说明
3.2.1 本标准在钢结构设计规范有关规定的基础上,进一步明确承重木结构用钢宜以我国常用的钢材为主。这些钢材有长期生产和使用经验,具有材质稳定、性能可靠、经济指标较好、供应也较有保证等优点。
3.2.2 对于承重木结构中的钢材,当采用国外进口金属连接件时,应提供产品质量合格证书,并应符合设计要求且应对其材料进行复验。
条文说明
3.2.2 考虑到目前我国木结构工程中大量使用进口的金属连接件,对此本标准作了原则性的规定。要求国外进口金属连接件其质量应符合相关的产品要求或应符合工程设计的要求,且应对其材料进行复验。
3.2.3 下列情况的承重构件或连接材料宜采用D级碳素结构钢或D级、E级低合金高强度结构钢:
1 直接承受动力荷载或振动荷载的焊接构件或连接件;
2 工作温度等于或低于-30℃的构件或连接件。
3.2.4 用于承重木结构中的钢材应具有抗拉强度、伸长率、屈服强度和硫、磷含量的合格保证,对焊接构件或连接件尚应有含碳量的合格保证。钢木桁架的圆钢下弦直径d大于20mm的拉杆,以及焊接承重结构或是重要的非焊接承重结构采用的钢材,还应具有冷弯试验的合格保证。
条文说明
3.2.4 主要明确在钢材质量合格保证的问题上,不能因用于木结构而放松了要求。 另外,考虑到钢木桁架的圆钢下弦、直径d≥20mm的钢拉杆(包括连接件)为结构中的重要构件,若其材质有问题,易造成重大工程安全事故,因此,有必要对这些钢构件作出“还应具有冷弯试验合格保证”的补充规定。
3.2.5 选用的普通螺栓应符合现行国家标准《六角头螺栓》GB/T 5782和《六角头螺栓 C级》GB/T 5780的规定。
3.2.6 高强度螺栓应符合现行国家标准《钢结构用高强度大六角头螺栓》GB/T 1228、《钢结构用高强度大六角螺母》GB/T 1229、《钢结构用高强度垫圈》GB/T 1230、《钢结构用高强度大六角头螺栓、大六角螺母、垫圈技术条件》GB/T 1231、《钢结构用扭剪型高强度螺栓连接副》GB/T 3632的有关规定。
3.2.7 锚栓可采用现行国家标准《碳素结构钢》GB/T 700中规定的Q235钢或《低合金高强度结构钢》GB/T 1591中规定的Q345钢制成。
3.2.8 钉应符合现行国家标准《钢钉》GB 27704的规定。
3.2.9 钢构件焊接用的焊条,应符合现行国家标准《非合金钢及细晶粒钢焊条》GB/T 5117及《热强钢焊条》GB/T 5118的规定。焊条的型号应与主体金属的力学性能相适应。
条文说明
3.2.9 工地乱用焊条的情况时有发生,容易导致工程安全事故的发生,因而有必要加以明确。
3.2.10 金属连接件及螺钉等应进行防腐蚀处理或采用不锈钢产品。与防腐木材直接接触的金属连接件及螺钉等应避免防腐剂引起的腐蚀。
3.2.11 对处于外露环境,且对耐腐蚀有特殊要求的或在腐蚀性气态和固态介质作用下的承重钢构件,宜采用耐候钢,并应符合现行国家标准《耐候结构钢》GB/T 4171的规定。
3.2.12 对于完全外露的金属连接件可采取涂刷防火涂料等防火措施,防火涂料的涂刷工艺应满足设计要求,以及国家现行相关标准的规定。
3.2.13 钢木混合结构中使用的钢材,应符合现行国家标准《钢结构设计标准》GB 50017和《建筑抗震设计规范》GB 50011中对钢材的有关规定。
4 基本规定
4.1 设计原则
4 基本规定
4.1 设计原则
4.1.1 本标准应采用以概率理论为基础的极限状态设计法。
条文说明
4.1.1 根据《统一标准》规定,本标准仍采用以概率理论为基础的极限状态设计方法。
在本标准1988版的修订过程中,重新对目标可靠指标β0
进行了核准。校准所需要的荷载统计参数(表3) 及影响木结构抗力的主要因素的统计参数(表4), 分别由建筑结构荷载规范管理组和木结构设计规范管理组提供。这些参数的数据是通过调查、实测和试验取得的。在统计分析中,还参考了国内外有关文献推荐的经过实践检验的方法。因而,不论从数据来源或处理上均较可靠,可以用于木结构可靠度的计算。


假定主要的随机变量服从下列分布:
恒荷载:正态分布;
楼面活荷载、风荷载、雪荷载:极值Ⅰ型分布;
抗力:对数正态分布。
根据上述计算条件,反演得到按“原2003版规范”设计的各类构件,其可靠指标如下:
受弯 3.8
顺纹受压 3.8
顺纹受拉 4.3
顺纹受剪 3.9
按照《统一标准》的规定,一般工业与民用建筑的木结构,其安全等级应取二级,其可靠指标不应小于下列规定值。
对于延性破坏的构件 3.2
对于脆性破坏的构件 3.7
由此可见,均符合《统一标准》要求。
4.1.2 本标准所采用的设计基准期应为50年。
4.1.3 木结构设计使用年限应符合表4.1.3的规定。

4.1.4 根据建筑结构破坏后果的严重程度,建筑结构划分为三个安全等级。设计时应根据具体情况,按表4.1.4规定选用相应的安全等级。

注:对有特殊要求的建筑物、文物建筑和优秀历史建筑,其安全等级可根据具体情况另行确定。
4.1.5 建筑物中各类结构构件的安全等级,宜与整个结构的安全等级相同,对其中部分结构构件的安全等级,可根据其重要程度适当调整,但不应低于三级。
条文说明
4.1.2~4.1.5 根据《统一标准》作出的规定。
4.1.6 当确定承重结构用材的强度设计值时,应计入荷载持续作用时间对木材强度的影响。 ( 自2022年1月1日起废止该条,详见新规 《木结构通用规范》 GB55005-2021)
条文说明
4.1.6 本条为强制性条文。木材具有的一个显著特点就是在荷载的长期作用下强度会降低,因此,荷载持续作用时间对木材强度的影响较大,在确定木材强度时必须考虑荷载持续时间影响系数KQ3。另外,在确定木材强度时也要满足《统一标准》对可靠度的相关规定。具体方法可见本标准第4.3.7条的条文说明。
4.1.7 对于承载能力极限状态,结构构件应按荷载效应的基本组合,采用下列极限状态设计表达式:
γ 0 S d ≤R d (4.1.7)
式中: γ 0 ——结构重要性系数,应按现行国家标准《建筑结构可靠性设计统一标准》GB 50068的相关规定选用;
S d ——承载能力极限状态下作用组合的效应设计值,应按现行国家标准《建筑结构荷载规范》GB 50009进行计算;
R d ——结构或结构构件的抗力设计值。
条文说明
4.1.7 承载能力极限状态可理解为结构或结构构件发挥允许的最大承载功能的状态。结构构件由于塑性变形而使其几何形状发生显著改变,虽未达到最大承载能力,但已彻底不能使用,也属于达到或超过这种极限状态。因此,当结构或结构构件出现下列状态之一时,即认为达到或超过承载能力极限状态:
1 整个结构或结构的一部分作为刚体失去平衡(如倾覆等);
2 结构构件或连接因材料强度被超过而破坏(包括疲劳破坏),或因过度的塑性变形而不适于继续承载;
3 结构转变为机动体系;
4 结构或结构构件丧失稳定(如压屈等)。 正常使用极限状态可理解为结构或结构构件达到或超过使用功能上允许的某个限值的状态。例如:某些构件必须控制变形、裂缝才能满足使用要求,因过大的变形会造成房屋内粉刷层剥落,填充墙和隔墙开裂及屋面漏水等后果。过大的裂缝会影响结构的耐久性,过大的变形、裂缝也会造成用户心理上的不安全感。因此,当结构或结构构件出现下列状态之一时,即认为达到或超过了正常使用极限状态:
1 影响正常使用或外观的变形;
2 影响正常使用或耐久性能的局部损坏,包括裂缝;
3 影响正常使用的振动;
4 影响正常使用的其他特定状态。 根据协调,有关结构荷载的规定,一律由现行国家标准《建筑结构荷载规范》GB 50009(以下简称《荷载规范》)制定。本条文仅为规范间衔接的需要作些原则规定,其中需要说明的是:
1 荷载按现行《荷载规范》施行,应理解为:除荷载标准值外,还包括荷载分项系数和荷载组合系数在内,均应按该规范所确定的数值采用,不应擅自改变。
2 对于正常使用极限状态的计算,由于资料不足,研究不够充分,仍沿用多年以来使用的方法,即仅考虑按荷载标准组合进行计算。并只考虑荷载的短期效应组合,而不考虑长期效应的组合。 建筑结构的安全等级主要按建筑结构破坏后果的严重性划分。根据《统一标准》的规定分类三级。大量的一般工业与民用建筑定为二级。从过去修订规范所作的调查分析可知,这一规定是符合木结构实际情况的,因此,本标准作了相应的规定。但应注意的是,对于人员密集的影剧院和体育馆等建筑应按重要建筑物考虑,对于临时性的建筑则可按次要建筑物考虑。至于纪念性建筑和其他有特殊要求的建筑物,其安全等级可按具体情况另行确定,不受《统一标准》约束。结构重要性系数综合《建筑结构可靠度设计统一标准》GB 50068-2001第1.0.5条和第1.0.8条因素来确定。
4.1.8 结构构件的截面抗震验算应采用下列设计表达式:
S≤R/ γ RE (4.1.8)
式中: γ RE ——承载力抗震调整系数;
S——地震作用效应与其他作用效应的基本组合;按现行国家标准《建筑抗震设计规范》GB 50011进行计算;
R——结构构件的承载力设计值。
4.1.9 对正常使用极限状态,结构构件应按荷载效应的标准组合,采用下列极限状态设计表达式:
S d ≤C (4.1.9)
式中: S d ——正常使用极限状态下作用组合的效应设计值;
C——设计对变形、裂缝等规定的相应限值。
4.1.10 风荷载和多遇地震作用时,木结构建筑的水平层间位移不宜超过结构层高的1/250 。
条文说明
4.1.10 根据同济大学对两层轻型木结构足尺房屋模型振动台试验研究表明,木结构建筑的弹性和弹塑性层间位移角限制值可以达到1/250和1/30。考虑到木结构整体抗变形能力较强的特点,故建议木结构建筑的水平层间位移不应超过结构层高的1/250。
4.1.11 木结构建筑的楼层水平作用力宜按抗侧力构件的从属面积或从属面积上重力荷载代表值的比例进行分配。此时水平作用力的分配可不考虑扭转影响,但是对较长的墙体宜乘以1.05~1.10的放大系数。
4.1.12 风荷载作用下,轻型木结构的边缘墙体所分配到的水平剪力宜乘以1.2的调整系数。
4.1.13 木结构应采取可靠措施,防止木构件腐朽或被虫蛀,应确保达到设计使用年限。
条文说明
4.1.13 木构件腐朽或被虫蛀将严重影响木结构建筑的使用年限,因而,要求必须采取相应的防腐和防虫措施,以确保木结构建筑达到设计使用年限。确保木结构耐久性的基本原则应采用整体防护原则,从设计、施工、材料选择、维护维修出发,针对不同区域、具体位置的气候、腐朽和白蚁危害程度,延长使用寿命,提高耐久性。在所有这些措施中,合理设计和施工应该是最为根本的措施,可以最为有效地提高整个建筑的性能和使用寿命。
4.1.14 承重结构用胶必须满足结合部位的强度和耐久性的要求,应保证其胶合强度不低于木材顺纹抗剪和横纹抗拉的强度,并应符合环境保护的要求。 ( 自2022年1月1日起废止该条,详见新规 《木结构通用规范》 GB55005-2021)
条文说明
4.1.14 本条为强制性条文。胶合结构的承载能力首先取决于胶的强度及其耐久性。因此,对胶的质量要有严格的要求:
1 应保证胶缝的强度不低于木材顺纹抗剪和横纹抗拉的强度。 因为不论在荷载作用下或由于木材胀缩引起的内力,胶缝主要是受剪应力和垂直于胶缝方向的正应力作用。一般说来,胶缝对压应力的作用总是能够胜任的。因此,关键在于保证胶缝的抗剪和抗拉强度。当胶缝的强度不低于木材顺纹抗剪和横纹抗拉强度时,就意味着胶连接的破坏基本上沿着木材部分发生,这也就保证了胶连接的可靠性。
2 应保证胶缝工作的耐久性。 胶缝的耐久性取决于它的抗老化能力和抗生物侵蚀能力。因此,主要要求胶的抗老化能力应与结构的用途和使用年限相适应。但为了防止使用变质的胶,故提出对每批胶均应经过胶结能力的检验,合格后方可使用。 所有胶种必须符合有关环境保护的规定。对于新的胶种,在使用前必须提出经过主管机关鉴定合格的试验研究报告为依据,通过试点工程验证后,方可逐步推广应用。
4.1.15 木结构中的钢构件设计,应符合现行国家标准《钢结构设计标准》GB 50017的规定。
4.2 抗震设计规定
4.2 抗震设计规定
4.2.1 木结构建筑抗震设计应符合现行国家标准《建筑抗震设计规范》GB 50011的相关规定。
4.2.2 木结构建筑应按现行国家标准《建筑抗震设防分类标准》GB 50223的规定确定其抗震设防类别和相应的抗震设防标准。
4.2.3 木结构建筑的结构体系应符合下列规定:
1 平面布置宜简单、规则,减少偏心。楼层平面宜连续,不宜有较大凹凸或开洞。
2 竖向布置宜规则、均匀,不宜有过大的外挑和内收。结构的侧向刚度沿竖向自下而上宜均匀变化,竖向抗侧力构件宜上下对齐,并应可靠连接。
3 结构薄弱部位应采取措施提高抗震能力。当建筑物平面形状复杂、各部分高度差异大或楼层荷载相差较大时,可设置防震缝;防震缝两侧的上部结构应完全分离,防震缝的最小宽度不应小于100mm。
4 当有挑檐时,挑檐与主体结构应具有良好的连接。
条文说明
4.2.3 参考抗震规范中对“8、9度框架结构房屋防震缝两侧结构层高相差较大时,可根据需要在防震缝两侧沿房屋全高各设置不少于两道垂直于防震缝的抗撞墙”的规定,对木结构建筑设置抗震缝作出类似的规定。“防震缝两侧均应设置墙体”不仅仅是针对轻型木结构,对于梁柱式木结构也适用。
4.2.4 除木结构混合建筑外,木结构建筑中不宜出现表4.2.4中规定的一种或多种不规则类型。

4.2.5 当木结构建筑的结构不规则时,应进行地震作用计算和内力调整,并应对薄弱部位采取有效的抗震构造措施。
4.2.6 当轻型木结构建筑进行抗震验算时,水平地震作用可采用底部剪力法计算。相应于结构基本自振周期的水平地震影响系数α 1 可取水平地震影响系数最大值。
条文说明
4.2.6 “结构基本周期的水平地震影响系数α1应取水平地震影响系数最大值”是根据同济大学对8个足尺轻型木结构房屋模型的基本自振周期的实测数据及试验结果分析确定。在同济大学的试验中可知,房屋基本自振周期与剪力墙刚度、激振程度及扭转等因素密切相关,仅考虑房屋的高度是不够的;采用“原2003版规范”第9.2.2条的规定所得周期小于结构的实测基本自振周期,且随着抗侧剪力墙长度的减小、激振程度的增大、结构不对称性的增强等两者差值不断增大。因此,本标准建议对于3层及以下轻型木结构房屋的地震影响系数直接取最大值。
4.2.7 以剪切变形为主,且质量和刚度沿高度分布比较均匀的胶合木结构或其他方木原木结构的抗震验算可采用底部剪力法。其结构基本自振周期特性应按空间结构模型计算。
条文说明
4.2.7 以剪切变形为主,且质量和刚度沿高度分布比较均匀的胶合木结构或其他梁柱式木结构建筑的结构基本自振周期,目前无法给出具体的计算公式,因此本标准建议由计算机整体分析模型进行计算。对于抬梁式、穿斗式等传统木结构,其基本自振周期大约在0.4s~0.7s之间。对于抬梁式和穿斗式的基本自振周期,可以考虑按照其自振周期的范围、计算机整体分析模型互相参照进行确定。
4.2.8 对于扭转不规则或楼层抗侧力突变的轻型木结构,以及质量和刚度沿高度分布不均匀的胶合木结构或方木原木结构的抗震验算,应采用振型分解反应谱法。
条文说明
4.2.8 对于不规则的木结构建筑的抗震验算参照现行国家标准《建筑抗震设计规范》GB 50011的相关规定,宜采用振型分解反应谱法计算。
4.2.9 木结构建筑的地震影响系数应根据烈度、场地类别、设计地震分组和结构自振周期以及阻尼比按现行国家标准《建筑抗震设计规范》GB 50011的相关规定确定。木结构建筑地震作用计算阻尼比可取0.05。
4.2.10 木结构建筑进行构件抗震验算时,承载力抗震调整系数 γ RE 应符合表4.2.10的规定。当仅计算竖向地震作用时,各类构件的承载力抗震调整系数 γ RE 均应取为1.0。

4.2.11 当木结构建筑为本标准表4.2.4中规定的结构不规则建筑时,楼层水平力应按抗侧力构件层间等效抗侧刚度的比例分配,并应同时计入扭转效应对各抗侧力构件的附加作用。
条文说明
4.2.11 木结构建筑的楼层水平地震力按抗侧力构件的从属面积上重力荷载代表值的比例进行分配时,由于木结构建筑楼面多为单向板,在荷载分配时应特别注意。
4.2.12 对于抗震设防烈度为8度、9度时的大跨度及长悬臂胶合木结构,应按现行国家标准《建筑抗震设计规范》GB 50011的规定进行竖向地震作用下的验算。
4.2.13 木结构建筑进行构件抗震验算时,应符合下列规定:
1 对于支撑上下楼层不连续抗侧力单元的梁、柱或楼盖,其地震组合作用效应应乘以不小于1.15的增大系数;
2 对于具有薄弱层的木结构,薄弱层剪力应乘以不小于1.15的增大系数;
3 轻型木结构在验算屋盖与下部结构连接部位的连接强度及局部承压时,应对地震作用引起的侧向力乘以1.2倍的放大系数。
4.2.14 对于楼、屋面结构上设置的围护墙、隔墙、幕墙、装饰贴面和附属机电设备系统等非结构构件,及其与结构主体的连接,应进行抗震设计。非结构构件抗震验算时,连接件的承载力抗震调整系数γ RE 可取1.0。
4.2.15 抗震设防烈度为8度和9度地区设计木结构建筑,可采用隔震、消能设计。
4.3 强度设计指标和变形值
4.3 强度设计指标和变形值
4.3.1 方木、原木、普通层板胶合木和胶合原木等木材的设计指标应按下列规定确定:
1 木材的强度等级应根据选用的树种按表4.3.1-1和表4.3.1-2 的规定采用;


2 木材的强度设计值及弹性模量应按表4.3.1-3 的规定采用。

注:计算木构件端部的拉力螺栓垫板时,木材横纹承压强度设计值应按“局部表面和齿面”一栏的数值采用。 ( 自2022年1月1日起废止该条,详见新规 《木结构通用规范》 GB55005-2021)
条文说明
4.3.1 本条为强制性条文。本标准和原规范一样只保留荷载分项系数,而将抗力分项系数隐含在强度设计值内。因此,本章所给出的木材强度设计值,应等于木材的强度标准值除以抗力分项系数。但对不同树种的木材,尚需按本标准所划分的强度等级,并参照长期工程实践经验,进行合理的归类,故实际给出的木材强度设计值是经过调整后的,与直接按上述方法算得的数值略有不同。现将本标准在木材分级及其设计指标的确定上所作的考虑扼要介绍如下:
1 木材的强度设计值 主要考虑下列几点:
1)原规范的考虑是:应使归入每一强度等级的树种木材,其各项受力性质的可靠指标β等于或接近于本标准采用的目标可靠性指标β0。所谓“接近”含义,是指该树种木材的可靠性指标β应满足下列界限值的要求:
β0-0.25≤β≤β0+0.25 (1) 《统一标准》取消了不超过±0.25的规定,取β≥β0。
2)对自然缺陷较多的树种木材,如落叶松、云南松和马尾松等,不能单纯按其可靠性指标进行分级,需根据主要使用地区的意见进行调整,以使其设计指标的取值,与工程实践经验相符。
3)对同一树种有多个产地试验数据的情况,其设计指标的确定,系采用加权平均值作为该树种的代表值。其“权”数按每个产地的木材蓄积量确定。 根据上述原则确定的强度设计值,可在材料总用量基本不变的前提下,使木构件可靠指标的一致性得到显著改善。
2 木材的弹性模量 “原2003版规范”通过调查研究,曾总结了下列情况:
1)178种国产木材的试验数据表明,木材的E值不仅与树种有关,而且差异之大不容忽视,以东北落叶松与杨木为例,前者高达12800N/mm2,而后者仅为7500N/mm2。
2)英、美、澳、北欧等国的设计规范,对于木材的E值均按不同树种分别给出。
3)我国南方地区从长期使用原木檩条的观察中发现,其实际挠度比方木和半圆木为小。原建筑工程部建筑科学研究院的试验数据和湖南省建筑设计院的实测结果证实了这一观察结果。初步分析认为是由于原木的纤维基本完整,在相同的受力条件下,其变形较小的缘故。
4)原建筑工程部建筑科学研究院对10根木梁在荷载作用下,其木材含水率由饱和变至气干状态所作的挠度实测表明,湿材构件因其初始含水率高、弹性模量低而增大的变形部分,在木材干燥后不能得到恢复。因此,在确定使用湿材作构件的弹性模量时,应考虑含水率的影响,才能保证木构件在使用中的正常工作,这一结论已为四川、云南、新疆等地的调查数据所证实。 根据以上情况,对弹性模量的取值仍按原规范作了如下规定:
1)区别树种确定其设计值;
2)原木的弹性模量允许比方木提高15%;
3)考虑到湿材的变形较大,其弹性模量宜比正常取值降低10%。 本次修订时,结合木结构可靠度课题的调研工作,重新考核了上述规定,认为是符合实际的,因此予以保留。但对木材弹性模量的基本取值,则根据受弯木构件在正常使用极限状态设计条件下可靠度的校准结果作了一些调整。表4.3.1-1中的弹性模量设计值就是根据调整结果给出的。
3 木材横纹承压设计指标f c,90
《木结构设计规范》GBJ 5-73版规范修订组根据各地反映,按我国早期规范设计的垫木和垫板的尺寸偏小,往往在使用中出现变形过大的迹象。为此,原规范修订组曾在四川、福建、湖南、广东、新疆、云南等地进行过调查实测。其结果基本上可以归纳为两种情况:一是因设计不合理所造成的;二是因使用湿材变形增大所导致的。为了验证后一种情况,原西南建筑科学研究院曾以云南松和冷杉做了6组试验。其结果表明,湿材的横纹承压变形不仅较大,而且不能随着木材的干燥和强度的提高而得到恢复。
基于以上结论,对前一种情况,采取了给出合理的计算公式予以解决,见本标准式(7.1.8);对后一种情况,根据试验结果和四川、内蒙古、云南等地的设计经验,取用一个降低系数(0.9)以考虑湿材对构件变形的影响。
4 增加了进口材的树种和设计指标
目前我国结构用木材主要依靠进口,按照进口木材在工程上应用的相关规定,并由原2003版规范修订组根据新的资料,按我国分级原则,进行了局部调整。本次修订时,增加了日本木材树种和设计指标,以及进口北美地区目测分级方木的强度指标。
4.3.2 对于下列情况,本标准表4.3.1-3中的设计指标,尚应按下列规定进行调整:
1 当采用原木,验算部位未经切削时,其顺纹抗压、抗弯强度设计值和弹性模量可提高15%;
2 当构件矩形截面的短边尺寸不小于150mm时,其强度设计值可提高10%;
3 当采用含水率大于25%的湿材时,各种木材的横纹承压强度设计值和弹性模量以及落叶松木材的抗弯强度设计值宜降低10% 。
条文说明
4.3.2 有关本条的规定说明以下几点:
1 由于本标准已考虑了干燥缺陷对木材强度的影响,因而本标准表4.3.1-3所给出的设计指标,除横纹承压强度设计值和弹性模量需按木构件制作时的含水率予以区别对待外,其他各项指标对气干材和湿材同样适用,而不必另乘其他折减系数。但应指出的是,本标准作出这一规定还有一个基本假设,即湿材做的构件能在结构未受到全部设计荷载作用之前就已达到气干状态。对于这一假设,只要设计能满足结构的通风要求,是不难实现的。
2 对于截面短边尺寸b≥150mm方木的受弯,以及直接使用原木的受弯和顺纹受压,曾根据有关地区的实践经验和当时设计指标取值的基准,作出了其容许应力可提高15%的规定。“原2003版规范”修订时,对强度设计值的取值,改以目标可靠指标为依据,其基准也作了相应的变动。根据重新核算结果,b≥150mm的方木以提高10%较恰当。
4.3.3 木材斜纹承压的强度设计值,可按下列公式确定:
当α<10°时
f cα =f c (4.3.3-1)
当10°<α<90°时

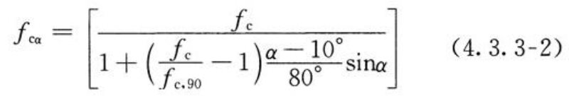
式中: f cα ——木材斜纹承压的强度设计值(N/mm 2 );
α——作用力方向与木纹方向的夹角(°) ;
f c ——木材的顺纹抗压强度设计值( N/mm 2 );
f c,90 ——木材的横纹承压强度设计值( N/mm 2 ) 。
条文说明
4.3.3 考虑到目前的计算技术和计算机(计算器)设备的应用,取消了原条文中的木材斜纹承压强度设计值手工查值图。
4.3.4 已经确定的国产树种目测分级规格材的强度设计值和弹性模量应按表4.3.4 的规定取值。 ( 自2022年1月1日起废止该条,详见新规 《木结构通用规范》 GB55005-2021)

条文说明
4.3.4 本条为强制性条文。本次修订时,根据中国林业科学研究木材工业研究所提供的数据文件“国产杉木与落叶松规格材强度性质”为依据,首次确定了国产规格材强度设计值。国产目测分级规格材强度设计值是采用按可靠度分析结果进行确定。本次主要对国产杉木、兴安岭落叶松规格材的强度设计指标进行了确定。按可靠度分析的具体方法可见本标准第4.3.7条说明。 对于国产树种的机械分级规格材强度设计指标,本次修订时缺少相关实测数据,因此,仍然保留2003版规范的相关规定。
4.3.5 制作胶合木采用的木材树种级别、适用树种及树种组合应符合表4.3.5的规定。

注:表中花旗松-落叶松、铁-冷杉产地为北美地区。南方松产地为美国。
4.3.6 采用目测分级和机械弹性模量分级层板制作的胶合木的强度设计指标值应按下列规定采用:
1 胶合木应分为异等组合与同等组合二类,异等组合应分为对称异等组合与非对称异等组合。
2 胶合木强度设计值及弹性模量应按表4.3.6-1、表4.3.6-2和表4.3.6-3的规定取值。 ( 自2022年1月1日起废止该条,详见新规 《木结构通用规范》 GB55005-2021)

注:当荷载的作用方向与层板窄边垂直时,抗弯强度设计值f m 应乘以0.7的系数,弹性模量E应乘以0.9的系数。

注:当荷载的作用方向与层板窄边垂直时,抗弯强度设计值f m 应乘以0.7的系数,弹性模量E应乘以0.9的系数。

3 胶合木构件顺纹抗剪强度设计值应按表4.3.6-4的规定取值。

4 胶合木构件横纹承压强度设计值应按表4.3.6-5的规定取值。

条文说明
4.3.6 本条为强制性条文。本规定仅适用于层板组合不低于4层的胶合木。 这次修订时,对胶合木构件的强度设计值也按可靠度分析结果进行了确定,胶合木的强度标准值f k
和强度变异系数δ f 是采用国家标准《胶合木结构技术规范》GB/T 50708-2012(以下简称《胶规》)的相关规定。由于本标准按可靠度分析结果确定的胶合木各等级强度设计值与《胶规》有所不同,因此,强度等级用弯曲强度设计值表示就产生了不协调。如《胶规》中同等组合TC T 30等级的抗弯强度设计值,本标准修正为27.7N/mm 2 ,与30N/mm2不符合。虑到今后胶合木的发展需要,本标准将胶合木各强度等级符号修改为按抗弯强度标准值表示,如《胶规》中同等组合TCT30现改为TCT40,40为该等级的抗弯强度标准值40N/mm2。
4.3.7 进口北美地区目测分级方木、规格材和结构材的强度设计值及弹性模量,应按本标准附录D的规定采用。
条文说明
4.3.7 根据现行《统一标准》的规定,对进口木材的强度设计值按可靠度分析结果重新进行了修订。
1 可靠度分析原则及方法
根据《统一标准》规定的,一般工业与民用建筑的木结构安全等级为二级,其结构构件承载力极限状态的可靠度指标β0
值不应低于3.2(延性破坏,受弯和受压)或3.7(脆性破坏,受拉)。在规定的目标可靠度β 0 条件下,抗力分项系数γ R 除了与变异系数δ f 有关外,还与荷载组合的种类及其荷载比率ρ(活载/恒载)有关。因此,在可靠度分析时,对荷载组合 及荷载比率采用平均或加权平均的方法,是不能满足可靠度要求的。因为,这样总有部分荷载组合或荷载比率的情况下,构件的实际可靠度将低于目标可靠度β 0 。编制组结合本次可靠度分析结果,多次研究确定了进口木材强度设计值可靠度分析方法和设计值计算方法,并按下列原则进行:
1)根据可靠度分析结果,确定材料强度的变异系数δ f 与抗力分项系数γ R 之间的基准关系曲线。“δ f ~γ R 基准曲线”适用于所有结构木材强度设计值的确定。
2)“δ f ~γ R 基准曲线”根据可靠度计算分析得到(图2)。该曲线是以“恒载+住宅类楼面荷载”组合中,荷载比率(活/恒)ρ=1.5的曲线为基准线,并用于确定木材的强度设计值指标。对于按此基准曲线计算时,不满足可靠度要求的其他工况和荷载比率,采用强度调整系数进行调整,以保证满足可靠度的要求。
3)根据木材出口国提供其出口的木材强度标准值f k 和强度变异系数δ f ,并按“δ f ~γ R 基准曲线”确定该种进口木材的抗力分项系数γ R 。
4)进口木材的强度设计值f d 按下式计算确定,并由本标准主编单位对计算结果作最终核定。
f d =f k K Q3 /γ R (2)
式中:K Q3 一一荷载持续时间对木材强度的影响系数,取0.72。

2 功能函数和基本参数
可靠度分析中,采用一阶二次矩的方法编程计算,功能函数和计算统计参数的确定如下:
1)功能函数


2)可靠度分析计算参数
① 荷载统计参数:按表5确定。

② 构件抗力统计参数:假设构件的抗力和材料强度均服从对数正态分布。构件抗力影响参数按表6确定。

③ 可变荷载与恒荷载的比值ρ:考虑到我国现代木结构建筑的应用范围较广,因此,本次可靠度分析时,P=Qk/Gk的取值为0、0.2、0.3、0.5、1.0、1.5、2.0、3.0、4.0。
④ 荷载组合:根据木结构建筑的适用范围,考虑按单一恒载、恒载+办公楼面荷载组合、恒载+住宅楼面荷载组合、恒载+雪荷载组合、恒载+风荷载组合等进行可靠度分析。
3 本标准进口木材力学性能的确定
对于进口木材的强度标准值fk和强度变异系数δf的具体数据,是由木材出口国或地区提交给本标准编制组,同时提交了相关的背景资料。提交的数据是木材出口国或地区根据各自的实验数据,考虑到实验方法和实验条件等不同对强度标准值和变异系数的影响,经过适当微调后确定的。
4 国产木材力学性能的确定
在本次修订中,根据中国林业科学研究院木材工业研究所提供的规格材足尺试验的测试数据,按可靠度分析结果确定了国产杉木、兴安岭落叶松规格材的强度设计指标。首次增加了国产规格材的设计指标,能够积极推进国产规格材或锯材在木结构工程建设中的应用。
4.3.8 承重结构用材强度标准值及弹性模量标准值,均应按本标准附录E的规定采用。
4.3.9 进行承重结构用材的强度设计值和弹性模量调整应符合下列规定:
1 在不同的使用条件下,强度设计值和弹性模量应乘以表4.3.9-1规定的调整系数。

注: 1 当仅有恒荷载或恒荷载产生的内力超过全部荷载所产生的内力的80%时,应单独以恒荷载进行验算;
2 当若干条件同时出现时,表列各系数应连乘。
2 对于不同的设计使用年限,强度设计值和弹性模量应乘以表4.3.9-2规定的调整系数。

3 对于目测分级规格材,强度设计值和弹性模量应乘以表4.3.9-3规定的尺寸调整系数。

4 当荷载作用方向与规格材宽度方向垂直时,规格材的抗弯强度设计值 f m 应乘以表4.3.9-4规定的平放调整系数。

注:当截面宽度与表中尺寸不同时,可按插值法确定平放调整系数。
5 当规格材作为搁栅,且数量大于3根,并与楼面板、屋面板或其他构件有可靠连接时,其抗弯强度设计值 f m 应乘以1.15 的共同作用系数。
4.3.10 对于规格材、胶合木和进口结构材的强度设计值和弹性模量,除应符合本标准第4.3.9的规定外,尚应按下列规定进行调整:
1 当楼屋面可变荷载标准值与永久荷载标准值的比率(Q k /G k )ρ<1.0时,强度设计值应乘以调整系数 k d , 调整系数k d 应按下式进行计算,且k d 不应大于1.0:
k d =0.83+0.17ρ (4.3.10)
2 当有雪荷载、风荷载作用时,应乘以表4.3.10中规定的调整系数。

条文说明
4.3.10 在对进口木材强度设计值按可靠度分析时,最终采用的“δf
~γ R 基准曲线”是恒载+住宅楼面荷载组合下,ρ=1.5为基本条件。在这种情况下,存在以下情况:
1 对于恒载+住宅楼面荷载、恒载+办公楼面荷载,ρ<1.0时,均偏于不安全,需要对强度设计值按公式(4.3.10)进行调整。
2 “δ f ~ γ R 基准曲线”与恒载+雪荷载、ρ=1.0相比较, γ R住 /γ R雪 =0.8(平均),即不安全-20%,若ρ>1.0更不利。与恒载+风荷载、ρ=1.0相比较, γ R住 /γ R风 =0.83(平均)即不安全-17%,而ρ>1.0时更不利。因此,为了简化,恒载与风或雪荷载组合(当有多种可变荷载与恒荷载组合情况,风荷载或雪荷载作S Q1k )时,强度设计值降低17%,即风荷载或雪荷载起控制作用时强度设计值应乘以0.83的调整系数。由于风荷载为短期荷载作用,这时强度设计值可以适当提高10%;因此,最终风荷载起控制作用时强度设计值调整系数为0.83×1.10 =0.91。
屋面活荷载(或其他活荷载)与雪荷载的作用效应比值应按下列方法判断:
1)荷载比率ρ<1.0时,当
(Q k 为活荷载标准值;Q sk 为雪荷载标准值;G k 为恒荷载标准值),则雪荷载不起控制作用。否则,应按雪荷载作用情况进行计算。
2)荷载比率ρ≥1.0时,当
,则雪荷载不起控制作用。否则,按雪荷载作用情况进行计算。
一般情况下,对于不上人屋面的雪荷载标准值Q sk ≤0.34kN/m 2 时,雪荷载不起控制作用。对于上人屋面的雪荷载标准值Q sk ≤1.4kN/m 2 时,雪荷载不起控制作用。
4.3.11 对本标准尚未列入,并由工厂生产的结构复合木材、国产树种规格材、工字形搁栅的强度标准值和设计指标,应按本标准附录F的规定进行确定。
条文说明
4.3.11 由于在实际使用中,不断有新型的木质结构材或结构构件被研制或生产,为了推广应用这些新材料、新构件,特对其强度值确定方法作出了规定。本条规定主要是针对专业加工企业经过标准化、规模化生产的新材料或新构件。在保证安全可靠的情况下,使其定型合格一批就可在工程中应用一批,并可随着试验数据不断累积,使新材料、新构件的各种力学性能不断完善。
4.3.12 正交胶合木的强度设计值和弹性模量应按本标准附录G的相关规定采用。
4.3.13 对于承重结构用材的横纹抗拉强度设计值可取其顺纹抗剪强度设计值的1/3 。
4.3.14 当使用本标准尚未列入的进口木材时,应由出口国提供该木材的物理力学指标及主要材性,按木结构专门的可靠度分析方法确定其强度设计指标和弹性模量。
4.3.15 受弯构件的挠度限值应按表4.3.15的规定采用。

注:表中l为受弯构件的计算跨度。
条文说明
4.3.15 在木屋盖结构中,木檩条挠度偏大一直是使用单位经常反映的问题之一。早期的研究多认为是我国规范对木材弹性模量设计取值不合理所致,为此,在实测和试验基础上,对木材弹性模量设计值作了较全面的修订。以前修订时,借助于概率法,对GBJ 5-88按正常使用极限状态设计的可靠指标进行校准,校准是在下列工作基础上进行的: 1 用广义的结构构件抗力R和综合荷载效应S这两个相互独立的综合随机变量,对影响正常使用极限状态的各变量进行归纳。 2 假定R、S均服从对数正态分布。 校准采用了下列简化公式: 
1)K为正常使用极限状态下构件的安全系数。“原1988版规范”规定的允许挠度值(如檩条为L/200),实际上是设计时的容许值,并非正常使用极限状态的极限值,调查表明,当L>3.3m的檩条、搁栅和吊顶梁其挠度达L/150时(对L<3.3m的檩条为L/120时),便不能正常使用,故可将L/150视为挠度极限值,而L/150和L/200之差即为正常使用极限状态的安全裕度。或可认为,挠度极限值与挠度限值之比,为正常使用极限状态下的安全系数。各种受弯构件的β值见表7。 
2)RR
为广义构件抗力R的平均值μ R 与其标准值R K 之比,即R R =μ R /R K ,δ R 为R的变异系数。
弹性模量的标准值虽是用小试件弹性模量值为代表,但实际上构件弹性模量与小试件弹性模量有下列不同:小试件弹性模量以短期荷载作用下、高跨比较大的、无疵清材小试件进行试验得来的。而构件则承受长期荷载、高跨比较小且含有木材天然缺陷,以及由于施工制作的误差,其截面惯矩也有较大的变异。这些因素均使构件广义抗力不同于用小试件弹性模量确定的标准抗力。通过试验研究和大量调查计算所确定的各种受弯构件的R R 和δ R 列于表8。
3)R S 为综合荷载效应S的平均值μ S 与其标准值S K 之比,即R S =μ S /S K ,δ S 为S的变异系数。根据表4.3.15的数据和不同的恒、活荷载比值,算得的R S 、δ S 见表8。
从表8的校准结果可知:
1)跨度L≤3.3m的檩条和搁栅的可靠指标符合《统一标准》的要求。
2)吊顶梁的可靠指标较高,这也是合适的,因为吊顶梁是以恒荷载为主的构件,应有较高的可靠指标。
3)跨度L>3.3m的檩条的可靠指标显著偏低,究其原因,主要是相应的挠度容许值定得偏大。
显而易见,对于檩条挠度偏大的问题,以采取局部修订受弯构
件控制值的办法解决最为合理、有效。因此,将檩条挠度限值的规定分为两档:一档(L≤3.3m)为L/200;另一档(L>3.3m)为L/250。
根据挠度限值计算得到跨度L>3.3m的檩条的可靠指标β=1.55,较好地满足了《统一标准》的要求。
墙骨柱的挠度限值规定是防止墙骨柱按两端铰接的受压构件、压弯构件计算时,弯曲变形过大对覆面材料产生不利的影响。
4.3.16 对于轻型木桁架的变形限值应符合现行行业标准《轻型木桁架技术规范》JGJ/T 265 的规定。
条文说明
4.3.16 受压构件长细比限值的规定,主要是为了从构造上采取措施,以避免单纯依靠计算,取值过大而造成刚度不足。对于这个限值,在这几年发布的国外标准中,一般规定都比较宽。例如,美国标准为173(L0/h≤50);北欧五国和ISO的标准均为170(次要构件为200)。由于我国尚缺乏这方面的实践经验,有待今后做工作后再考虑。
4.3.17 受压构件的长细比限值应按表4.3.17的规定采用。

条文说明
4.3.17 我国20世纪50年代的规范曾参照苏联的规定,将原木直径变化率取为每米10mm,但由于没有明确标注原木直径时以大头还是小头为准,以致在执行中出现过一些争议。以前修订规范,通过调查实测了解到:我国常用树种的原木,其直径变化率大致在每米9mm~10mm之间,且习惯上多以小头为准来标注原木的直径。因此,在明确以小头为准的同时,规定了原木直径变化率可按每米9mm采用。这样确定的设计截面的直径,一般偏于安全。
4.3.18 标注原木直径时,应以小头为准。原木构件沿其长度的直径变化率,可按每米9mm或当地经验数值采用。验算挠度和稳定时,可取构件的中央截面;验算抗弯强度时,可取弯矩最大处截面。
4.3.19 本标准采用的木材名称及常用树种木材主要特性应按本标准附录H的规定执行;主要进口木材现场识别要点及其主要材性应按本标准附录J的规定执行。
条文说明
4.3.19 当锯材和规格材采用加压防腐处理时,其强度设计值一般不会改变。如果采用刻痕的方法进行加压防腐处理,由于构件截面受到损伤,因此,构件的强度有一定的降低。本条的强度降低系数值参照美国相关标准确定。 当采用加压防腐处理的锯材和规格材设计木结构建筑时,木构件强度验算和连接设计应符合本标准第5章和第6章的相关规定。
4.3.20 当锯材或规格材采用刻痕加压防腐处理时,其弹性模量应乘以不大于0.9的折减系数,其他强度设计值应乘以不大于0.8的折减系数。
条文说明
4.3.20 有关木结构中的钢材部分应按现行国家标准《钢结构设计标准》GB 50017的规定采用。只有遇到特殊问题时,才由本标准作出补充规定。
5 构件计算
5.1 轴心受拉和轴心受压构件
5 构件计算
5.1 轴心受拉和轴心受压构件
5.1.1 轴心受拉构件的承载能力应按下式验算:
N/ A n ≤f t (5.1.1)
式中: f t ——构件材料的顺纹抗拉强度设计值(N/mm 2 );
N——轴心受拉构件拉力设计值(N);
A n ——受拉构件的净截面面积( mm 2 ),计算A n 时应扣除分布在150mm长度上的缺孔投影面积。
条文说明
5.1.1 考虑到受拉构件在设计时总是验算有螺孔或齿槽的部位,故将考虑孔槽应力集中影响的应力集中系数,直接包含在木材抗拉强度设计值的数值内,这样不但方便,也不至于漏乘。 计算受拉构件的净截面面积An时,考虑有缺孔木材受拉时有“迂回”破坏的特征(图3),故规定应将分布在150mm长度上的缺孔投影在同一截面上扣除,其所以定为150mm,是考虑到与本标准附录表A.1.1中有关木节的规定相一致。 计算受拉下弦支座节点处的净截面面积An时,应将槽齿和保险螺栓的削弱一并扣除(图4)。 
5.1.2 轴心受压构件的承载能力应按下列规定进行验算:
1 按强度验算时,应按下式验算:
N/ A n ≤f c (5.1.2-1)
2 按稳定验算时,应按下式验算:
N/ φA 0 ≤f c (5.1.2-2)
式中: f c ——构件材料的顺纹抗压强度设计值(N/ mm 2 );
N——轴心受压构件压力设计值(N);
A n 一一受压构件的净截面面积( mm 2 );
A 0 ——受压构件截面的计算面积( mm 2 ),应按本标准第5.1.3 条的规定确定;
φ——轴心受压构件稳定系数,应按本标准第5.1.4条的规定确定。
5.1.3 按稳定验算时受压构件截面的计算面积,应按下列规定采用:
1 无缺口时,取A 0 =A,A为受压构件的全截面面积;
2 缺口不在边缘时(图5.1.3a),取 A 0 =0.9A;
3 缺口在边缘且为对称时(图5.1.3b),取 A 0 = A n ;
4 缺口在边缘但不对称时(图5.1.3c),取 A 0 = A n ,且应按偏心受压构件计算;
5 验算稳定时,螺栓孔可不作为缺口考虑;
6 对于原木应取平均直径计算面积。

条文说明
5.1.2、5.1.3 对轴心受压构件的稳定验算,当缺口不在边缘时,构件截面的计算面积An
的取值规定说明如下:
根据建筑力学的分析,局部缺孔对构件的临界荷载的影响甚小。按照建筑力学的一般方法,有缺孔构件的临界力为N h cr ,可按下式计算:

因此,为了计算简便,同时保证结构安全,对于缺孔不在边缘时,一律采用A0=0.9A。

5.1.4 轴心受压构件稳定系数φ的取值应按下列公式确定:

式中: λ——受压构件长细比;
i——构件截面的回转半径(mm);
l 0 ——受压构件的计算长度(mm),应按本标准第5.1.5 条的规定确定;
f ck ——受压构件材料的抗压强度标准值(N/ mm 2 );
E k ——构件材料的弹性模量标准值(N/ mm 2 );
a c 、b c 、c c ——材料相关系数,应按表5.1.4的规定取值;
β——材料剪切变形相关系数,应按表5.1.4的规定取值。

条文说明
5.1.4 本次修订时,考虑到“原2003版规范”规定的轴心受压构件稳定系数φ值计算公式存在下列问题和不足:
1 原公式的稳定系数φ值计算仅适用于方木原木制作的构件,不适用于规格材、胶合木以及其他工程木产品制作的构件。
2 稳定系数的计算与木材抗压强度设计值、弹性模量无关。 因此,需要对计算公式进行修改。此次修订,对各国木结构设计规范中稳定系数的计算方法进行了调研和比较分析,在继承我国传统计算方法和特点的基础上,结合现代木产品的特点提出了适用于各类木产品构件的稳定系数统一计算式,并通过试验研究、随机有限元分析和回归分析确定了计算式所含各系数的值。 轴心受压木构件的稳定承载力应按下式表示: 
轴心受压木构件有强度破坏和失稳破坏两种失效形式,理论上需要两种设计指标,即强度设计值和临界应力设计值。为简化,设计规范实际采用的稳定承载力表达式为: 
各国木结构设计规范对式(10)中有关参数的处理方法不同,使稳定系数的具体表达式也各不相同。我国基于第1类稳定问题,即基于理想压杆稳定理论求解临界力,结果即为欧拉公式表示的临界力(弹塑性阶段用切线模量计算)。认为荷载持续作用时间对木材强度和稳定承载力(本质上是对木材弹性模量的影响)的影响效果相同,即Kcr·DOL=KDOL,且认为轴心受压木构件强度问题和稳定问题具有相同的抗力分项系数,即γcr·R=γR。基于这种认识和处理方法,式(10)简化为: 
公式(13)即为我国木结构设计规范细长木压杆稳定系数计算式的原始形式。早期的《木结构设计规范》GBJ 5-73参考苏联规范,取Ek
/f ck ≈312,故φ=3100/λ 2 。GBJ 5-88将方木、原木按树种木材的强度等级分为两组,E k /f ck 分别取330和300,并考虑了非理想压杆的试验结果,调整为φ=3000/λ 2 和φ=2800/λ 2 。
各国木结构设计规范中,对荷载持续作用时间的影响效果和抗力分项系数的处理方法各有不同,见表8。

此次修订面临的问题是对我国木结构设计规范稳定系数的计算式作出调整和改进,使进口产品构件稳定系数的计算方法和原则与我国的方木、原木一致。另一方面,这种改进与调整,还应体现我国规范的延续性,即沿用我国规范对稳定系数计算中有关参数的处理方法(见表10),但应将弹性模量与抗压强度之比E/fc视为变量。为此,提出了各类木产品受压构件稳定系数的统一计算式,并经回归分析,确定了稳定系数统一计算式中各常数的值,各常数间的关系为
。
轴心受压构件稳定系数的计算精度比较:
1)方木、原木
本标准稳定系数计算结果与“原2003版规范”结果比较,两者完全吻合,几乎没有差别。保持了2003版规范中原木、方木构件的稳定系数计算结果。
2)进口锯材(北美规格材、北美方木、欧洲结构木材)
北美规格材的系数a=0.876,b=2.437,是全部树种和强度等级规格材回归结果的平均值;适用于北美方木的系数a=0.871,b=2.443,是全部树种和强度等级的北美方木回归结果的平均值。同时,欧洲结构木材由C14到C50所有强度等级回归结果的平均值为a=0.877,b=2.433。这表明三类进口木材的系数值是非常接近,完全可以采用相同的系数。最终,将适用于北美规格材、北美方木和欧洲锯材(统称为进口锯材)系数a、b分别取以上数值的平均值,并由此计算系数c的值,列于本标准表5.1.4。
图6是以北美规格材为例进行分析比较结果。美国规范和欧洲规范计算结果的最大偏差为4.4%(λ=132),平均偏差为2.8%。本条公式(5.1.4-3)、公式(5.1.4-4)的计算结果与美国规范相比,最大偏差为11.3%(λ=73),平均偏差为5.6%。随机有限元分析结果与美国规范的最大偏差为11.9%(λ=90),平均偏差为8.0%。试验结果仅代表稳定承载力的平均值,不宜与图中的曲线严格相比,但作为参考,试验结果与美国规范的偏差为28.1%(λ=1 80),略显偏大,但其他各点处偏差不超过19.7%(λ=90),6种长细比处的平均偏差为12.3%(注:哈工大完成了规格材受压构件稳定承载力试验)。

3)层板胶合木(目测分级层板和机械弹性模量分级层板胶合木)
普通层板胶合木的强度设计指标与同树种的方木、原木相同,受压构件稳定系数的计算方法也相同。需要解决的是目测分级层板和机械弹性模量分级层板胶合木构件的稳定系数计算问题。对各强度等级的同等组合胶合木、对称异等组合和非对称异等组合胶合木受压构件的稳定系数进行了拟合计算,获得系数a、b、c的值,然后取全部强度等级所适用系数的平均值,列于本标准表5.1.4。
图7以同等组合胶合木TCT24为例,给出了按本条公式(5.1.4-3)、公式(5.1.4-4)计算的胶合木构件稳定系数与美国规范和欧洲规范计算结果的对比。美国规范和欧洲规范计算结果的最大偏差为2.3%(λ=117),平均偏差为1.6%。本标准公式计算结果与美国规范相比,最大偏差不超过10.1%(λ=6 1),平均偏差为5.2%。

5.1.5 受压构件的计算长度应按下式确定:
l 0 =k l l (5.1.5)
式中: l 0 =计算长度;
l——构件实际长度;
k l ——长度计算系数,应按表5.1.5的规定取值。

5.1.6 变截面受压构件中,回转半径应取构件截面每边的有效边长b n 进行计算。有效边长b n 应按下列规定确定:
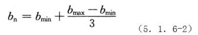
1 变截面矩形构件的有效边长b n 应按下式计算:

式中:b min ——受压构件计算边的最小边长;
b max ——受压构件计算边的最大边长;
a——支座条件计算系数,应按表5.1.6的规定取值。
2 当构件支座条件不符合表5.1.6中的规定时,截面有效边长b n 可按下式计算:


5.2 受弯构件
5.2 受弯构件
5.2.1 受弯构件的受弯承载能力应按下列规定进行验算:
1 按强度验算时,应按下式验算:
M/W n ≤f m (5.2.1-1)
2 按稳定验算时,应按下式验算:
M/φ l W n ≤f m (5.2.1-2)
式中: f m ——构件材料的抗弯强度设计值( N/ mm 2 );
M——受弯构件弯矩设计值(N·mm);
W n ——受弯构件的净截面抵抗矩( mm 3 );
φ l ——受弯构件的侧向稳定系数,应按本标准第5.2.2条和第5.2.3条确定。
5.2.2 受弯构件的侧向稳定系数φ l 应按下列公式计算:

式中: E k ——构件材料的弹性模量标准值(N/ mm 2 );
f mk ——受弯构件材料的抗弯强度标准值(N/ mm 2 );
λ B ——受弯构件的长细比,不应大于50;
b——受弯构件的截面宽度(mm);
h——受弯构件的截面高度(mm);
a m 、b m 、 c m ——材料相关系数,应按表5.2.2-1的规定取值;
l e ——受弯构件计算长度,应按表5.2. 2-2的规定采用;
β——材料剪切变形相关系数,应按表5.2.2-1的规定取值。


注:表中 l u 为受弯构件两个支撑点之间的实际距离。当支座处有侧向支撑而沿构件长度方向无附加支撑时, l u 为支座之间的距离;当受弯构件在构件中间点以及支座处有侧向支撑时, l u 为中间支撑与端支座之间的距离。
条文说明
5.2.2 “原2003版规范”附录L提供了用于计算锯材受弯构件的稳定系数φl,但未给出计算胶合木材和机械分级木材时的稳定系数。本条计算原理与本标准第5.1.4条类似,表9列出了受弯构件侧向稳定系数计算式中各常数针对各类木材的回归分析数值。由于各类木材间回归分析的常数数值差别不大,故取统一的数值,不再区分木材类别。 
最终取值为:a=0.70,b=4.90,C=0.90。 受弯构件侧向稳定系数的计算精度比较:
1 方木、原木(图8):本条公式(5.2.2-3)、公式(5.2.2-4)计算结果与“原2003版规范”计算结果的最大偏差为10.5%(λ=50),平均差别为7.1%。 
2 进口锯材(北美规格材、北美方木、欧洲结构木材): 图9以规格材为例,给出了北美锯材受弯构件侧向稳定系数计算结果比较。美国规范和欧洲规范计算结果的最大差别为5.3%(λB=14),平均差别为1.9%。本条公式(5.2.2-3)、公式(5.2.2-4)计算结果与美国规范相比,最大偏差为7.8%(λB=19),平均差别为3.5%。 
3 层板胶合木(目测分级层板和机械弹性模量分级层板胶合木):图10以同等组合胶合木TCT24为例,给出了本条公式(5.2.2-3)、公式(5.2.2-4)计算结果与美国规范和欧洲规范计算结果的对比。美国规范和欧洲规范计算结果的最大差别为4.9%(λB=19),平均差别为1.5%。本条公式计算结果与美国规范相比,最大偏差不超过7.6%(λB=15),平均差别为4.2%。 
5.2.3 当受弯构件的两个支座处设有防止其侧向位移和侧倾的侧向支承,并且截面的最大高度对其截面宽度之比以及侧向支承满足下列规定时,侧向稳定系数φ l 应取为1:
1 h/b≤4时,中间未设侧向支承;
2 4<h/b≤5时,在受弯构件长度上有类似檩条等构件作为侧向支承;
3 5<h/b≤6.5时,受压边缘直接固定在密铺板上或直接固定在间距不大于610mm的搁栅上;
4 6.5<h/b≤7.5时,受压边缘直接固定在密铺板上或直接固定在间距不大于610mm的搁栅上,并且受弯构件之间安装有横隔板,其间隔不超过受弯构件截面高度的8倍;
5 7.5<h/b≤9时,受弯构件的上下边缘在长度方向上均有限制侧向位移的连续构件。
条文说明
5.2.3 当截面高宽比的限值和锚固要求符合本条的相应规定时,受弯构件已从构造上满足了侧向稳定的要求。
5.2.4 受弯构件的受剪承载能力应按下式验算:
VS/Ib≤f v (5.2.4)
式中: f v ——构件材料的顺纹抗剪强度设计值(N/ mm 2 );
V——受弯构件剪力设计值(N),应符合本标准第5.2.5条规定;
I——构件的全截面惯性矩( mm 4 );
b——构件的截面宽度(mm);
S——剪切面以上的截面面积对中性轴的面积矩( mm 3 )。
条文说明
5.2.4 在一般情况下,受弯木构件的剪切工作对构件强度不起控制作用,设计上往往略去了这方面的验算。由于实际工程情况复杂,且曾发生过因忽略验算木材抗剪强度而导致的事故,因此,还是应当注意对某些受弯构件的抗剪验算,例如:
1 当构件的跨度与截面高度之比很小时;
2 在构件支座附近有大的集中荷载时;
3 当采用胶合工字梁或T形梁时。
5.2.5 当荷载作用在梁的顶面,计算受弯构件的剪力设计值V时,可不考虑梁端处距离支座长度为梁截面高度范围内,梁上所有荷载的作用。
5.2.6 受弯构件上的切口设计应符合下列规定:
1 应尽量减小切口引起的应力集中,宜采用逐渐变化的锥形切口,不宜采用直角形切口;
2 简支梁支座处受拉边的切口深度,锯材不应超过梁截面高度的1/4;层板胶合材不应超过梁截面高度的1/10;
3 可能出现负弯矩的支座处及其附近区域不应设置切口。
5.2.7 矩形截面受弯构件支座处受拉面有切口时,实际的受剪承载能力,应按下式验算:

式中: f v ——构件材料的顺纹抗剪强度设计值(N/ mm 2 );
b——构件的截面宽度(mm);
h——构件的截面高度(mm);
h n ——受弯构件在切口处净截面高度(mm);
V——剪力设计值(N),可按工程力学原理确定,并且不考虑本标准第5.2.5条的规定。
5.2.8 受弯构件局部承压的承载能力应按下式进行验算:
N c /bl b K B K Zcp ≤ f c,90 (5.2.8)
式中: N c ——局部压力设计值(N);
b——局部承压面宽度(mm);
l b ——局部承压面长度(mm);
f c,90 ——构件材料的横纹承压强度设计值(N/ mm 2 ),当承压面长度 l b ≤150mm,且承压面外缘距构件端部不小于75mm时, f c,90 取局部表面横纹承压强度设计值,否则应取全表面横纹承压强度设计值;
K B ——局部受压长度调整系数,应按表5.2.8-1的规定取值,当局部受压区域内有较高弯曲应力时, K B =1;
K Zcp ——局部受压尺寸调整系数,应按表5.2.8-2的规定取值。

注:1 当承压长度为中间值时,可采用插入法求出 K B 值;
2 局部受压的区域离构件端部不应小于75mm。

注:比值在1.0~2.0之间时,可采用插入法求出 K Zcp 值。
条文说明
5.2.8
本条根据加拿大木结构设计规范086的相关条文制定。调整系数K Zcp 考虑了木材纹理对局部受压承载力的影响。调整系数K B 考虑了特殊情况下局部受压承载力的提高。调整系数K B 和K Zcp 的取值是根据加拿大林产品创新研究院(Lum,1994和1995)的科研成果确定。本条仅适用于目测分级或机械分级规格材。对于工程木产品,调整系数K B 和K Zcp 应由试验确定。
5.2.9 受弯构件的挠度应按下式验算:
ω≤[ω] (5.2.9)
式中: [ω]——受弯构件的挠度限值(mm),应按本标准表4.3.15的规定采用;
ω——构件按荷载效应的标准组合计算的挠度(mm)。
条文说明
5.2.9 受弯构件的挠度验算,属于按正常使用极限状态的设计。在这种情况下,采用弹性分析方法确定构件的挠度通常是合适的。因此,条文中没有特别指出挠度的计算方法。
5.2.10 双向受弯构件应按下列规定进行验算:
1 按承载能力验算时,应按下式验算:

2 按挠度验算时,挠度应按下式计算:

式中: M x 、M y ——相对于构件截面x轴和y轴产生的弯矩设计值(N·mm);
f mx 、f my ——构件正向弯曲或侧向弯曲的抗弯强度设计值(N/ mm 2 );
W nx 、W ny ——构件截面沿x轴、y轴的净截面抵抗矩( mm 3 );
ω x 、ω y ——荷载效应的标准组合计算的对构件截面x轴、y轴方向的挠度(mm)。
条文说明
5.2.10 早期规范对双向受弯构件的挠度验算未作明确的规定,因而在实际设计中,往往只验算沿截面高度方向的挠度,这是不正确的,应按构件的总挠度进行验算,以保证双向受弯构件(如斜放檩条)的正常工作。
5.3 拉弯和压弯构件
5.3 拉弯和压弯构件
5.3.1 拉弯构件的承载能力应按下式验算:

式中:N、M——轴向拉力设计值(N)、弯矩设计值(N·mm);
A n 、W n ——按本标准第5.1.1条规定计算的构件净截面面积( mm 2 )、净截面抵抗矩( mm 3 );
f t 、f m ——构件材料的顺纹抗拉强度设计值、抗弯强度设计值( N/ mm 2 )。
条文说明
5.3.1 本条虽给出原木和锯材拉弯构件的承载力验算公式,但应指出的是木构件同时承受拉力和弯矩的作用,对木材的工作十分不利,在设计上应尽量采取措施予以避免。例如,在三角形桁架的木下弦中,就可以采取净截面对中的办法,以防止受拉构件的最薄弱部位——有缺口的截面上产生弯矩。
5.3.2 压弯构件及偏心受压构件的承载能力应按下列规定进行验算:
1 按强度验算时,应按下式验算:

2 按稳定验算时,应按下式验算:
N/φφ m A 0 ≤f c (5.3.2-2)
φ m =(1-k) 2 (1-k 0 ) (5.3.2-2)

式中:φ——轴心受压构件的稳定系数;
A 0 ——计算面积,按本标准第5.1.3条确定;
φ m ——考虑轴向力和初始弯矩共同作用的折减系数;
N——轴向压力设计值(N);
M 0 ——横向荷载作用下跨中最大初始弯矩设计值(N·mm);
e 0 ——构件轴向压力的初始偏心距(mm),当不能确定时,可按0.05倍构件截面高度采用;
f c 、 f m ——考虑调整系数后的构件材料的顺纹抗压强度设计值、抗弯强度设计值(N/ mm 2 );
W——构件全截面抵抗矩( mm 3 )。
条文说明
5.3.2 1973年版规范采用的雅辛斯基公式,虽然避免了边缘应力公式在相对偏心率m较小情况下出现的矛盾,但它本身也存在着一些难以克服的缺陷。例如:
1 未考虑轴向力与弯矩共同作用所产生的附加挠度的影响,不能全面反映压弯构件的工作特性。
2 该公式的准确性,很大程度上取决于稳定系数φ的取值。然而φ值却是根据轴心受压构件的试验结果确定的。因此,很难同时满足轴心受压与偏心受压两方面要求。
3 属于单一参数的经验公式结构,对数据拟合的适应性差。 1988年修订规范,由于对φ值公式和木材抗弯、抗压强度设计值的取值方法都作了较大的变动,致使本已很难调整的雅辛斯基公式变得更难以适应新的情况。试算结果表明,与过去设计值相比,其最大偏差可达+12%和-26%。为此,决定改用根据设计经验与试验结果确定的双φ公式验算压弯构件的承载能力,即: N/φφmAn≤fc (14)
式中:φm——考虑轴心力和横向弯矩共同作用的折减系数;
φ——稳定系数。 由于公式有两个参数进行调整与控制,容易适应各种条件的变化。为了具体考察公式的适用性,曾以不同的相对偏心率m和长细比λ,对不同强度等级的木构件进行了试算,并与相同条件下的边缘应力公式计算值、雅辛斯基公式计算值、国内外试验值以及经验设计值等进行了对比,其结果表明:
1 在常用的相对偏心率m和长细比λ的区段内,所有计算、试验和设计的结果均甚接近。
2 在较小的相对偏心率的区段内,例如当m≤0.1时,公式的部分计算结果虽比边缘应力公式的计算值低很多,但与试验值相比,却较为接近。这也进一步说明了公式的合理性。因为正是在这一区段内,边缘应力公式存在着固有的缺陷,致使所算得的压弯构件的承载能力反而比轴心受压还要高。
3 在相对偏心率和长细比都很大的区段内,例如当m=10、λ=120~150时,公式的计算结果要比边缘应力公式计算值低约14%(个别值可低达17%);比试验值低约8%(个别值可低达12%)。但这样大偏心距与长细比的构件,在工程中实属罕遇。即使遇到,也应在设计上作偏于安全的处理。 综上所述,公式从总体情况来看是合理的、适用的。尽管在局部情况中,可能使木材的用量略有增加,但从木结构可靠度的校准结果来看,是有必要的。 在2002年修订规范时,考虑到压弯构件和偏压构件具有不同的受力性质,偏压构件的承载能力要低一些,苏联规范的压弯构件计算中对偏压构件的情况补充了附加验算公式,此附加验算公式完全是根据压弯和偏压的对比试验求得的。而此试验值又和我国的理论公式相一致,为全面地反映压弯和偏压以及介于其间的构件受力性质,将GBJ 5-88中的φm公式修订为“原2003版规范”公式(5.3.2-4)~公式(5.3.2-6)。
5.3.3 压弯构件或偏心受压构件弯矩作用平面外的侧向稳定性时,应按下式验算:

式中: φ y ——轴心压杆在垂直于弯矩作用平面y-y方向按长细比λ y 确定的轴心压杆稳定系数,按本标准第5.1.4条确定;
φ l ——受弯构件的侧向稳定系数,按本标准第5.2.2条和第5.2.3条确定;
N、M——轴向压力设计值(N)、弯曲平面内的弯矩设计值(N·mm);
W——构件全截面抵抗矩( mm 3 )。
条文说明
5.3.3 本次修订时,保留了“原2003版规范”对拉弯和压弯构件验算公式,作为原木和锯材的计算公式。对于胶合木材的拉弯和压弯构件参照现行国家标准《胶合木结构技术规范》GB/T 50708的规定验算。
6 连接设计
6.1 齿连接
6 连接设计
6.1 齿 连 接
6.1.1 齿连接可采用单齿或双齿的形式(图6.1.1),并应符合下列规定:

1 齿连接的承压面应与所连接的压杆轴线垂直。
2 单齿连接应使压杆轴线通过承压面中心。
3 木桁架支座节点的上弦轴线和支座反力的作用线,当采用方木或板材时,宜与下弦净截面的中心线交汇于一点;当采用原木时,可与下弦毛截面的中心线交汇于一点,此时,刻齿处的截面可按轴心受拉验算。
4 齿连接的齿深,对于方木不应小于20mm;对于原木不应小于30mm。
5 桁架支座节点齿深不应大于h/3,中间节点的齿深不应大于h/4,h为沿齿深方向的构件截面高度。
6 双齿连接中,第二齿的齿深h c 应比第一齿的齿深h c1 至少大20mm。单齿和双齿第一齿的剪面长度不应小于4.5倍齿深。
7 当受条件限制只能采用湿材制作时,木桁架支座节点齿连接的剪面长度应比计算值加长50mm。
条文说明
6.1.1 齿连接的可靠性在很大程度上取决于其构造是否合理。因此,尽管齿连接的形式很多,本标准仅推荐采用正齿构造的单齿连接和双齿连接。所谓正齿,是指齿槽的承压面正对着所抵承的受压构件,使该构件传来的压力明确地作用在承压面上,以保证其垂直分力对齿连接受剪面的横向压紧作用,以改善木材的受剪工作条件。因此,在本条文中规定:
1 齿槽的承压面应与所连接的压杆轴线垂直;
2 单齿连接压杆轴线应通过承压面中心。 与此同时,考虑到正确的齿连接设计还与所采用的齿深和齿长有关,因此,也相应地作了必要的规定,以防止因这方面构造不当,而导致齿连接承载能力的急剧下降。 另外,应指出的是,当采用湿材制作时,齿连接的受剪工作可能受到木材端裂的危害。为此,若干屋架的下弦未采用“破心下料”的方木制作,或直接使用原木时,其受剪面的长度应比计算值加大50mm,以保证实际的受剪面有足够的长度。
6.1.2 单齿连接应按下列规定进行验算:
1 按木材承压时,应按下式验算:
N/A c ≤f cα (6.1.2-1)
式中: f cα ——木材斜纹承压强度设计值(N/mm 2 ),应按本标准第4.3.3条的规定确定;
N——作用于齿面上的轴向压力设计值(N);
A c ——齿的承压面面积(mm 2 )。
2 按木材受剪时,应按下式验算:
V/l v b v ≤ψ v f v (6.1.2-2)
式中: f v ——木材顺纹抗剪强度设计值(N/ mm 2 );
V——作用于剪面上的剪力设计值(N);
l v ——剪面计算长度(mm),其取值不应大于齿深h c 的8倍;
b v ——剪面宽度(mm);
ψ v ——沿剪面长度剪应力分布不匀的强度降低系数,应按表6.1.2的规定采用。

条文说明
6.1.2 1988年规范根据下列关系确定ψv值:
1 单齿连接 由于木材抗剪强度设计值所引用的尺寸影响系数是以lv/hc=4的试件试验结果确定的,在考虑沿剪面长度剪应力分布不均匀的影响时,应将l
v /h c=4的ψv值定为1.0。据此,将试验曲线进行了平移,并得到当 l v /h c≥6的ψv值关系式为:

根据ψv值和有关的抗力统计参数,计算了齿连接的可靠指标,其结果可以满足目标可靠指标的要求(参见表10)。

6.1.3 双齿连接的承压应按本标准公式(6.1.2-1)验算,但其承压面面积应取两个齿承压面面积之和。
双齿连接的受剪,仅考虑第二齿剪面的工作,应按本标准公式(6.1.2-2)计算,并应符合下列规定:
1 计算受剪应力时,全部剪力V应由第二齿的剪面承受;
2 第二齿剪面的计算长度 l v 的取值,不应大于齿深 h c 的10倍;
3 双齿连接沿剪面长度剪应力分布不匀的强度降低系数 ψ v 值应按表6.1.3的规定采用。

6.1.4 桁架支座节点采用齿连接时,应设置保险螺栓,但不考虑保险螺栓与齿的共同工作。木桁架下弦支座应设置附木,并与下弦用钉钉牢。钉子数量可按构造布置确定。附木截面宽度与下弦相同,其截面高度不应小于h/3,h为下弦截面高度。
条文说明
6.1.4 在齿连接中,木材抗剪属于脆性工作,其破坏一般无预兆。为防止意外,应采取保险的措施。长期的工程实践表明,在被连接的构件间用螺栓予以拉结,可以起到保险的作用。因为它可使齿连接在其受剪面万一遭到破坏时,不致引起整个结构的坍塌,从而也就为抢修提供了必要的时间。因此,本标准规定桁架的支座节点采用齿连接时,必须设置保险螺栓。 为了正确设计保险螺栓,本标准对下列问题作了统一规定:
1 构造符合要求的保险螺栓,其承受的拉力设计值可按本标准推荐的简便公式确定。因为保险螺栓的受力情况尽管复杂,但在这种情况下,其计算结果与试验值较为接近,可以满足实用的要求。
2 考虑到木材的剪切破坏是突然发生的,对螺栓有一定的冲击作用,故规定螺栓宜选用延性较好的钢材(例如:Q235钢材)制作。但它的强度设计值仍可乘以1.25的调整系数,以考虑其受力的短暂性。
3 关于螺栓与齿能否共同工作的问题,原建筑工程部建筑科学研究院和原四川省建筑科学研究所的试验结果均证明:在齿未破坏前,保险螺栓几乎是不受力的。故明确规定在设计中不应考虑二者的共同工作。
4 在双齿连接中,保险螺栓一般设置两个。考虑到木材剪切破坏后,节点变形较大,两个螺栓受力较为均匀,故规定不考虑本标准第7.1.14条的调整系数。
6.1.5 保险螺栓的设置和验算应符合下列规定:
1 保险螺栓应与上弦轴线垂直。
2 保险螺栓应按本标准第4.1.15条的规定进行净截面抗拉验算,所承受的轴向拉力应按下式确定:
N b =Ntan(60°-α) (6.1.5)
式中: N b ——保险螺栓所承受的轴向拉力(N);
N——上弦轴向压力的设计值(N);
α——上弦与下弦的夹角(°)。
3 保险螺栓的强度设计值应乘以1.25的调整系数。
4 双齿连接宜选用两个直径相同的保险螺栓,但不考虑本标准第7.1.12条规定的调整系数。
6.2 销连接
6.2 销 连 接
6.2.1 销轴类紧固件的端距、边距、间距和行距最小尺寸应符合表6.2.1的规定。当采用螺栓、销或六角头木螺钉作为紧固件时,其直径不应小于6mm。

注:1 受力端为销槽受力指向端部;非受力端为销槽受力背离端部;受力边为销槽受力指向边部;非受力边为销槽受力背离端部。
2 表中l为紧固件长度,d为紧固件的直径;并且l/d值应取下列两者中的较小值;
1)紧固件在主构件中的贯入深度l m 与直径d的比值 l m /d;
2)紧固件在侧面构件中的总贯入深度 l s 与直径d的比值 l s /d。
3 当钉连接不预钻孔时,其端距、边距、间距和行距应为表中数值的2倍。
6.2.2 交错布置的销轴类紧固件(图6.2.2),其端距、边距、间距和行距的布置应符合下列规定:
1 对于顺纹荷载作用下交错布置的紧固件,当相邻行上的紧固件在顺纹方向的间距不大于4倍紧固件的直径(d)时,则可将相邻行的紧固件确认是位于同一截面上。
2 对于横纹荷载作用下交错布置的紧固件,当相邻行上的紧固件在横纹方向的间距不小于4d时,则紧固件在顺纹方向的间距不受限制;当相邻行上的紧固件在横纹方向的间距小于4d时,则紧固件在顺纹方向的间距应符合本标准表6.2.1的规定。

6.2.3 当六角头木螺钉承受轴向上拔荷载时,端距 e 1 、边距e 2 、间距s以及行距r应满足表6.2.3的规定。

注:表中d为六角头木螺钉的直径。
6.2.4 对于采用单剪或对称双剪的销轴类紧固件的连接(图6.2.4),当剪面承载力设计值按本标准第6.2.5条的规定进行计算时,应符合下列规定:
1 构件连接面应紧密接触;
2 荷载作用方向应与销轴类紧固件轴线方向垂直;
3 紧固件在构件上的边距、端距以及间距应符合本标准表6.2.1或表6.2.3中的规定;
4 六角头木螺钉在单剪连接中的主构件上或双剪连接中侧构件上的最小贯入深度不应包括端尖部分的长度,并且,最小贯入深度不应小于六角头木螺钉直径的4倍。

6.2.5 对于采用单剪或对称双剪连接的销轴类紧固件,每个剪面的承载力设计值 Z d 应按下式进行计算:
Z d =C m C n C t k g Z (6.2.5)
式中: C m ——含水率调整系数,应按表6.2.5中规定采用;
C n ——设计使用年限调整系数,应按本标准表4.3.9-2的规定采用;
C t ——温度调整系数,应按表6.2.5中规定采用;
k g ——群栓组合系数,应按本标准附录K的规定确定;
Z——承载力参考设计值,应按本标准第6.2.6条的规定确定。

6.2.6 对于单剪连接或对称双剪连接,单个销的每个剪面的承载力参考设计值Z应按下式进行计算:
Z=k min t s df es (6.2.6)
式中: k min ——为单剪连接时较薄构件或双剪连接时边部构件的销槽承压最小有效长度系数,应按本标准第6.2.7条的规定确定;
t s ——较薄构件或边部构件的厚度(mm);
d——销轴类紧固件的直径(mm);
f es ——构件销槽承压强度标准值(N/ mm 2 ),应按本标准第6.2.8条的规定确定。
6.2.7 销槽承压最小有效长度系数k min 应按下列4种破坏模式进行计算,并应按下式进行确定:
k min =min[ k Ⅰ , k Ⅱ , k Ⅲ , k Ⅳ ] (6.2.7-1)
1 屈服模式Ⅰ时,应按下列规定计算销槽承压有效长度系数k Ⅰ :
1)销槽承压有效长度系数k Ⅰ 应按下式计算:
k Ⅰ = R e R t /γ Ⅰ (6.2.7-2)
式中: R e ——为 f em / f es ;
R t ——为 t m / t s ;
t m ——厚构件或中部构件的厚度(mm);
f em ——较厚构件或中部构件的销槽承压强度标准值(N/ mm 2 ),应按本标准第6.2.8条的规定确定;
γ Ⅰ ——屈服模式Ⅰ的抗力分项系数,应按表6.2.7的规定取值;
2)对于单剪连接时,应满足 R e R t ≤1.0。
3)对于双剪连接时,应满足 R e R t ≤2.0,且销槽承压有效长度系数k Ⅰ 应按下式计算:
k Ⅰ = R e R t /2γ Ⅰ (6.2.7-3)
2 屈服模式Ⅱ时,应按下列公式计算单剪连接的销槽承压有效长度系数 k Ⅱ :

式中:γ Ⅱ ——屈服模式Ⅱ的抗力分项系数,应按表6.2.7的规定取值。
3 屈服模式Ⅲ时,应按下列规定计算销槽承压有效长度系数 k Ⅲ :
1)销槽承压有效长度系数 k Ⅲ 按下式计算:
k Ⅲ =k sⅢ /γ Ⅲ (6.2.7-6)
式中: γ Ⅲ ——屈服模式Ⅲ的抗力分项系数,应按表6.2.7的规定取值。
2)当单剪连接的屈服模式为Ⅲ m 时:

式中:f yk ——销轴类紧固件屈服强度标准值(N/ mm 2 );
k ep ——弹塑性强化系数。
3)当屈服模式为Ⅲ s 时:

4)当采用Q235钢等具有明显屈服性能的钢材时,取 k ep =1.0;当采用其他钢材时,应按具体的弹塑性强化性能确定,其强化性能无法确定时,仍应取 k ep =1.0;
4 屈服模式Ⅳ时,应按下列公式计算销槽承压有效长度系数 k Ⅳ :

式中: γ Ⅳ ——屈服模式Ⅳ的抗力分项系数,应按表6.2.7的规定取值。

条文说明
6.2.5~6.2.7 “原2003版规范”提供了螺栓连接和钉连接的侧向承载力计算公式。该公式根据销连接的计算原理并考虑螺栓或钉在方木和原木桁架中的常用情况,适当简化而制定的,完全不适用于现代木结构工程的设计。另外,“原2003版规范”是以木材的顺纹抗压强度计算螺栓连接的承载力,而作为现代木产品,由于缺陷的影响,同一树种不同强度等级木材的顺纹抗压强度大不相同,但木材缺陷对其销槽承压强度的影响并不显著。并且,同树种不同强度等级的木材,其销槽承压强度并无很大差别。若仍按木材的顺纹抗压强度计算,结果将与实际情况不符。因此,本次修订时,关于螺栓连接设计需要从计算方法和销槽承压强度取值两个方面加以改进。
1 销连接承载力计算方法的确定
目前,国际上广泛采用的是Johansen销连接承载力计算方法,即欧洲屈服模式(见图11)。该方法以销槽承压和销承弯应力一应变关系为刚塑性模型为基础,并以连接产生0.05d(d销直径)的塑性变形为承载力极限状态的标志。与我国目前采用的理想弹塑性材料本构模型相比,屈服模式Ⅰ m 、Ⅰ s 和Ⅳ对应的极限承载力是相同的。对屈服模式Ⅱ、Ⅲ m 和Ⅲ s ,基于刚塑性本构模型所计算的极限承载力略高于理想弹塑性材料本构模型,但差距基本 在10%以内。为便于不同材质等级的木构件螺栓连接设计计算,修订时采用了基于欧洲屈服模式的销连接承载力计算方法。
以图11所示不同厚度和强度木构件典型的单剪连接和双剪连接为例,销槽承压屈服和销屈服各含三种不同形式:

1)对销槽承压屈服而言,如果单剪连接中较厚构件(厚度c)的销槽承压强度较低,而较薄构件(厚度a)的强度较高(双剪连接中厚度c为中部构件、厚度a为边部构件),且较薄构件对销有足够的钳制力,不使其转动,则较厚构件沿销槽全长c均达到销槽承压强度f hc 而失效,为屈服模式 Ⅰ m 。
2)如果两构件的销槽承压强度相同或较薄构件的强度较低,较厚构件对销有足够的钳制力,不使其转动,则较薄构件沿销槽全长a均达到销槽承压强度f ha 而失效,为屈服模式Ⅰ s 。
3)如果较厚构件的厚度c不足或较薄构件的销槽承压强度较低,两者对销均无足够的钳制力,销刚体转动,导致较薄、较厚构件均有部分长度的销槽达到销槽承压强度f ha 、f hc 而失效,为屈服模式Ⅱ。
销承弯屈服并形成塑性铰导致的销连接失效,也含三种屈服模式:
1)如果较薄构件的销槽承压强度远高于较厚构件并有足够的钳制销转动的能力,则销在较薄构件中出现塑性铰,为屈服模式Ⅲ m 。
2)如果两构件销槽承压强度相同,则销在较厚构件中出现塑性铰,为屈服模式Ⅲ s 。
3)如果两构件的销槽承压强度均较高,或销的直径d较小,则两构件中均出现塑性铰而失效,为屈服模式Ⅳ。
单剪连接共有六种屈服模式。对于双剪连接,由于对称受力,则仅有Ⅰ m 、Ⅰ s 和Ⅲ s 、Ⅳ等四种屈服模式。
公式(6.2.7-2)中,当R e R t <1.0时,对应于屈服模式Ⅰ m ;当R e R t =1.0时,对应模式Ⅰ s 。公式(6.2.7-4)、(6.2.7-6)、(6.2.7-7)、(6.2.7-9)分别对应于屈服模式Ⅱ、Ⅲ s 、Ⅲ m 和Ⅳ。双剪连接不计式(6.2.7-4)、(6.2.7-6)。
本条相关公式中含圆钢销屈服强度的各项是与圆钢销的塑性铰对应的,其处理方法与欧美国家有所不同。例如美国木结构设计规范NDS-2005,考虑圆钢销塑性完全发展,弯矩标 准值取为M yk =πd 3 f yk k w /32=d 3 f yk /6,其中k w ≈1.7。而我国销连接计算中,考虑塑性并不充分发展,取k w ≈1.4。另一不同之处是采用了弹塑性系数k ep ,以体现所用钢销材质特性对连接承载力的影响。对于我国木结构中常用的Q235等钢材,符合理性弹塑性假设,取k ep =1.0;而NDS-2005则考虑钢材的强化性质,取k ep =1.3。目前,哈尔滨工业大学完成的螺栓连接承载力试验,证明我国采用k w ≈1.4、k ep =1.0的传统方法,更符合实际情况。
2 屈服模式的抗力分项系数γ的确定
屈服模式的抗力分项系数γ的确定是统计分析了东北落叶松等8种已知全干密度树种木材,在各种失效模式下对应的螺栓连接的承载力比较结果。其结果列于表11。抗力分项系数按下式确定:
γ i =R ki /R di (17)
式中:γ i ——各种屈服模式的抗力分项系数;
R ki ——各种屈服模式下,按本条公式计算的不计抗力分项系数的承载力标准值;
R di ——各种屈服模式下,按“原2003版规范”计算的承载力设计值。

钉连接的抗力分项系数,可按上述类似过程得出。
6.2.8 销槽承压强度标准值应按下列规定取值:
1 当6mm≤d≤25mm时,销轴类紧固件销槽顺纹承压强度f e,0 应按下式确定:
f e,0 =77G (6.2.8-1)
式中:G——主构件材料的全干相对密度;常用树种木材的全干相对密度按本标准附录L的规定确定。
2 当6mm≤d≤25mm时,销轴类紧固件销槽横纹承压强度f e,90 应按下式确定:

式中:d——销轴类紧固件直径(mm)。
3 当作用在构件上的荷载与木纹呈夹角α时,销槽承压强度 f e,α 应按下式确定:

式中:α——荷载与木纹方向的夹角。
4 当d<6mm时,销槽承压强度 f e 应按下式确定:
f e =115G 1.84 (6.2.8-4)
5 当销轴类紧固件插入主构件端部并且与主构件木纹方向平行时,主构件上的销槽承压强度取 f e,90 。
6 紧固件在钢材上的销槽承压强度 f es 应按现行国家标准《钢结构设计标准》GB 50017规定的螺栓连接的构件销槽承压强度设计值的1.1倍计算。
7 紧固件在混凝土构件上的销槽承压强度按混凝土立方体抗压强度标准值的1.57倍计算。
6.2.9 当销轴类紧固件的贯入深度小于10倍销轴直径时,承压面的长度不应包括销轴尖端部分的长度。
6.2.10 互相不对称的三个构件连接时,剪面承载力设计值Z d 应按两个侧构件中销槽承压长度最小的侧构件作为计算标准,按对称连接计算得到的最小剪面承载力设计值作为连接的剪面承载力设计值。
6.2.11 当四个或四个以上构件连接时,每一剪面应按单剪连接计算。连接的承载力设计值应取最小的剪面承载力设计值乘以剪面个数和销的个数。
6.2.12 当单剪连接中的荷载与紧固件轴线呈除90°外的一定角度时,垂直于紧固件轴线方向作用的荷载分量不应超过紧固件剪面承载力设计值。平行于紧固件轴线方向的荷载分量,应采取可靠的措施,满足局部承压要求。
6.2.13 当六角头木螺钉承受侧向荷载和外拔荷载共同作用时(图6.2.13),其承载力设计值应按下式确定:

式中:α——木构件表面与荷载作用方向的夹角;
h d ——六角头木螺钉有螺纹部分打入主构件的有效长度(mm);
W d ——六角头木螺钉的抗拔承载力设计值(N/mm),应按本标准第6.2.14条的规定确定;
Z d ——六角头木螺钉的剪面受剪承载力设计值(kN)。

6.2.14 六角头木螺钉的抗拔承载力设计值 W d 应按下式计算:
W d =C m C t k g C eg W (6.2.14)
式中: C m ——含水率调整系数,应按本标准表6.2.5中规定采用;
C t ——温度环境调整系数,应按本标准表6.2.5中规定采用;
k g ——组合系数,应按本标准附录K的规定确定;
C eg ——端部木纹调整系数,应按表6.2.14的规定采用;
W——抗拔承载力参考设计值(N/mm);按本标准第6.2.15条确定。

6.2.15 当六角头木螺钉的轴线与木纹垂直时,六角头木螺钉的抗拔承载力参考设计值应按下式确定:
W=43.2G 3/2 d 3/4 (6.2.15)
式中:W——抗拔承载力参考设计值(N/mm);
G——主构件材料的全干相对密度,按本标准附录L的规定确定;
d——木螺钉直径(mm)。
6.3 齿板连接
6.3 齿板连接
6.3.1 齿板连接适用于轻型木结构建筑中规格材桁架的节点连接及受拉杆件的接长。齿板不应用于传递压力。下列条件,不宜采用齿板连接:
1 处于腐蚀环境;
2 在潮湿的使用环境或易产生冷凝水的部位,使用经阻燃剂处理过的规格材。
条文说明
6.3.1 齿板为薄钢板制成(图12),受压承载力极低,故不能将齿板用于传递压力。为保证齿板质量,所用钢材应满足条文规定的国家标准要求。由于齿板较薄,生锈会降低其承载力以及耐久性。为防止生锈,齿板应由镀锌钢板制成且对镀锌层质量应有所规定。考虑到条文规定的镀锌要求在腐蚀与潮湿环境仍然是不够的,故不能将齿板用于腐蚀以及潮湿环境。 
6.3.2 齿板应由镀锌薄钢板制作。镀锌应在齿板制造前进行,镀锌层重量不应低于275g/m 2 。钢板可采用Q235碳素结构钢和Q345低合金高强度结构钢。齿板采用的钢材性能应满足表 6.3.2的要求。对于进口齿板,当有可靠依据时,也可采用其他型号的钢材。

条文说明
6.3.2 目前木结构建筑工程中采用的基本是进口齿板,由于国内外钢材的性能各不相同,因此,本标准给出了齿板采用钢材的性能要求,以方便进口齿板的检测和使用。
6.3.3 齿板连接应按下列规定进行验算:
1 应按承载能力极限状态荷载效应的基本组合,验算齿板连接的板齿承载力、齿板受拉承载力、齿板受剪承载力和剪-拉复合承载力;
2 应按正常使用极限状态标准组合,验算板齿的抗滑移承载力。
条文说明
6.3.3 齿板存在三种基本破坏模式。其一为板齿屈服并从木材中拔出;其二为齿板净截面受拉破坏;其三为齿板剪切破坏。故设计齿板时,应对板齿承载力、齿板受拉承载力与受剪承载力进行验算。另外,在木桁架节点中,齿板常处于-拉复合受力状态,故尚应对剪-拉复合承载力进行验算。 板齿滑移过大将导致木桁架产生影响其正常使用的变形,故应对板齿抗滑移承载力进行验算。
6.3.4 在节点处,应按轴心受压或轴心受拉构件进行构件净截面强度验算,构件净截面高度h n 应按下列规定取值:
1 在支座端节点处,下弦杆件的净截面高度h n 应为杆件截面底边到齿板上边缘的尺寸,上弦杆件的h n 应为齿板在杆件截面高度方向的垂直距离(图6.3.4a);
2 在腹杆节点和屋脊节点处,杆件的净截面高度hn应为齿板在杆件截面高度方向的垂直距离(图6.3.4b、c)。

条文说明
6.3.4 在节点处,应采用构件的净截面验算构件的抗拉和抗压强度。构件抗拉或抗压计算时的hn是指抗拉或抗压构件在节点中实际受力处的有效高度。当抗拉或抗压构件中的轴力除以有效截面面积后得到的应力超过木材抗拉或抗压承载能力时,在削弱的净截面处有可能发生抗拉或抗压的破坏。
6.3.5 齿板的板齿承载力设计值N r 应按下列公式计算:
N r =n r k h A (6.3.5-1)
k h =0.85-0.05(12tanα-2.0) (6.3.5-2)
式中: N r ———板齿承载力设计值(N);
n r ——板齿强度设计值(N/m m 2 ),按本标准附录M的规定取值;
A——齿板表面净面积(m m 2 ),是指用齿板覆盖的构件面积减去相应端距a及边距e内的面积(图6.3.5),端距a应平行于木纹量测,并不大于12mm或1/2齿长的较大者,边距e应垂直于木纹量测,并取6mm或1/4齿长的较大者;
k h ——桁架端节点弯矩影响系数,应符合0.65≤k h ≤0.85的规定;
α——桁架端节点处上、下弦间的夹角(°)。

6.3.6 齿板受拉承载力设计值应按下式计算:
T r =kt r b t (6.3.6)
式中: T r ——齿板受拉承载力设计值(N);
b t ——垂直于拉力方向的齿板截面计算宽度(mm),应按本标准第6.3.7条的规定取值;
t r —— 板抗拉强度设计值(N/mm),按本标准附录M的规定取值;
k——受拉弦杆对接时齿板抗拉强度调整系数,应按本标准第6.3.7条的规定取值。
6.3.7 受拉弦杆对接时,齿板计算宽度 b t 和抗拉强度调整系数k应按下列规定取值:
1 当齿板宽度小于或等于弦杆截面高度h时,齿板的计算宽度 b t 可取齿板宽度,齿板抗拉强度调整系数应取k=1.0。
2 当齿板宽度大于弦杆截面高度h时,齿板的计算宽度 b t 可取 b t =h+x,x取值应符合下列规定:
1)对接处无填块时,x应取齿板凸出弦杆部分的宽度,但不应大于13mm;
2)对接处有填块时,x应取齿板凸出弦杆部分的宽度,但不应大于89mm。
3 当齿板宽度大于弦杆截面高度h时,抗拉强度调整系数k应按下列规定取值:
1)对接处齿板凸出弦杆部分无填块时,应取k=1.0;
2)对接处齿板凸出弦杆部分有填块且齿板凸出部分的宽度小于等于25mm时,应取k=1.0;
3)对接处齿板凸出弦杆部分有填块且齿板凸出部分的宽度大于25mm时,k应按下式计算:
k=k 1 +βk 2 (6.3.7)
式中:β=x/h; k 1 、 k 2 为计算系数,应按表6.3.7的规定取值。
4 对接处采用的填块截面宽度应与弦杆相同。在桁架节点处进行弦杆对接时,该节点处的腹杆可视为填块。

注:当h值为表中数值之间时,可采用插入法求出 k 1 、 k 2 值。
6.3.8 齿板受剪承载力设计值应按下式计算:
V r =υ r b v (6.3.8)
式中:V r ——齿板受剪承载力设计值(N);
b v ——行于剪力方向的齿板受剪截面宽度(mm);
υ r ——齿板抗剪强度设计值(N/mm),应按本标准附录M的规定取值。
6.3.9 当齿板承受剪-拉复合力时(图6.3.9),齿板剪-拉复合承载力设计值应按下列公式计算:


式中: C r ——齿板剪-拉复合承载力设计值(N);
C r1 ——沿 l 1 方向齿板剪-拉复合强度设计值(N/mm);
C r2 ——沿 l 2 方向齿板剪-拉复合强度设计值(N/mm);
l 1 ——所考虑的杆件沿 l 1 方向的被齿板覆盖的长度(mm);
l 2 ——所考虑的杆件沿 l 2 方向的被齿板覆盖的长度(mm);
V r1 ——沿 l 1 方向齿板抗剪强度设计值(N/mm);
V r2 ——沿 l 2 方向齿板抗剪强度设计值(N/mm);
T r1 ——沿 l 1 方向齿板抗拉强度设计值(N/mm);
T r2 ——沿l 2 方向齿板抗拉强度设计值(N/mm);
θ——杆件轴线间夹角(°)。
6.3.10 板齿抗滑移承载力应按下式计算:
N s =n s A (6.3.10)
式中: N s ——板齿抗滑移承载力(N);
n s ——板齿抗滑移强度设计值(N/ m m 2 ),应按本标准附录M的规定取值;
A——齿板表面净截面( m m 2 )。
条文说明
6.3.5~6.3.10 2002年修订时,鉴于当时我国缺乏齿板连接的研究与工程积累,故齿板承载力计算公式主要参考加拿大木结构设计规范提出。考虑到中、加两国结构设计规范的不同,作了适当调整。随着近年来我国大专院校和科研机构相继开展了金属齿板连接的研究,对金属齿板连接的研究也获得了一些有价值的科研成果。这些成果对本次齿板连接部分的修订也提供了参考。
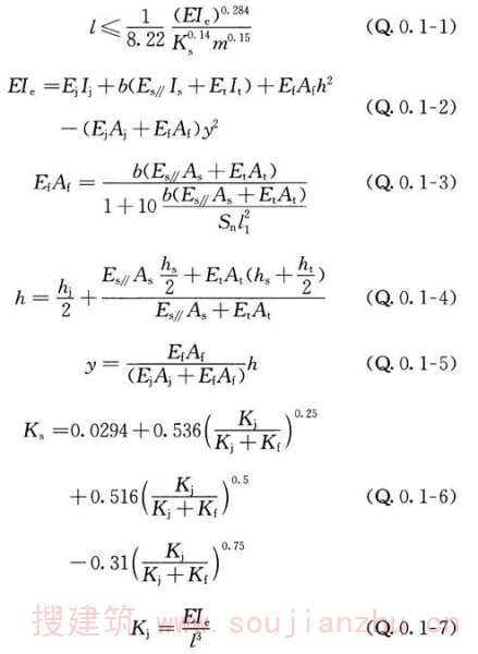
6.3.11 弦杆对接处,当需考虑齿板的受弯承载力时,齿板受弯承载力设计值M r 应按下列公式计算:

对接节点处的弯矩 M f 和拉力T f 应满足下列公式的规定:
M r ≥ M f (6.3.11-4)
t r ·ω b ≥T f (6.3.11-5)
式中: M r ——齿板受弯承载力设计值(N·mm);
t r ——齿板抗拉强度设计值(N/mm);
ω b ——齿板截面计算的有效宽度(mm);
b t ——齿板计算宽度(mm),应按本标准第6.3.7条的规定确定;
k——齿板抗拉强度调整系数,应按本标准第6.3.7条的规定确定;
y——弦杆中心线与木/钢组合中心轴线的距离(mm),可为正数或负数;当y在齿板之外时,弯矩公式(6.3.11-1)失效,不能采用;
b、h——分别为弦杆截面宽度、高度(mm);
T f ——对接节点处的拉力设计值(N),对接节点处受压时取0;
M f ——对接节点处的弯矩设计值(N·mm);
f c ——规格材顺纹抗压强度设计值(N/ m m 2 )。
条文说明
6.3.11 国内外有关的拉弯节点试验表明,所有的节点破坏都发生在齿板净截面处,因此,金属齿板的受弯承载力也需要进行验算。本条中各公式是参照《美国轻型木桁架国家设计规范》(ANSI/TPI 1-National Design Standard for Metal Plate Connect-ed Wood Truss Construction)和《加拿大轻型木桁架设计规程》(TPIC-Truss Design Procedures
and Specifications for Light Metal Plate Connected Wood Trusses)。这些公式基于试验和理论的结合,并在行业标准《轻型木桁架技术规范》JGJ/T 265中已采用。
6.3.12 齿板连接的构造应符合下列规定:
1 齿板应成对的对称设置于构件连接节点的两侧;
2 采用齿板连接的构件厚度不应小于齿嵌入构件深度的两倍;
3 在与桁架弦杆平行及垂直方向,齿板与弦杆的最小连接尺寸,在腹杆轴线方向齿板与腹杆的最小连接尺寸均应符合表6.3.12的规定;
4 弦杆对接所用齿板宽度不应小于弦杆相应宽度的65%。

条文说明
6.3.12 齿板为成对对称设置,故被连接构件厚度不能小于齿嵌入深度的两倍。齿板与弦杆、腹杆连接尺寸过小易导致木桁架在搬运、安装过程中损坏。
6.3.13 受压弦杆对接时,应符合下列规定:
1 对接各杆件的齿板板齿承载力设计值不应小于该杆轴向压力设计值的65%;
2 对竖切受压节点(图6.3.13),对接各杆的齿板板齿承载力设计值不应小于垂直于受压弦杆对接面的荷载分量设计值的65%与平行于受压弦杆对接面的荷载分量设计值之矢量和。

条文说明
6.3.13 齿板安装不正确则不能保证齿板连接承载力达到设计要求。
7 方木原木结构
7.1 一般规定
7 方木原木结构
7.1 一般规定
7.1.1 方木原木结构可采用下列结构类型:
1 穿斗式木结构;
2 抬梁式木结构;
3 井干式木结构;
4 木框架剪力墙结构;
5 梁柱式木结构;
6 作为楼盖或屋盖在混凝土结构、砌体结构、钢结构中组合使用的混合木结构。
条文说明
7.1.1 方木原木结构中包括了多种结构形式,本条所列的结构形式为我国目前主要采用的结构形式,许多是按我国传统结构方式进行建造的。在本次修订时,对方木原木结构的结构形式作出了具体规定,是为了在实际工程中更好地应用方木原木结构。 木框架剪力墙结构是方木原木结构的主要结构形式之一,在现代木结构建筑中得到广泛应用。它是在中国的传统木结构技术基础上发展形成的现代木结构方法。随着木结构的发展,传统的梁柱式木结构在多地震、多台风地区已经发展演化成为在柱上铺设结构木基结构板材而构成剪力墙,在楼面梁或屋架上铺设木基结构板材而构成水平构件的木框架剪力墙结构形式。即木框架剪力墙结构是以木框架承受轴向荷载,以剪力墙、楼盖、屋盖构件抵抗地震、台风等剪力的结构形式(图13)。 
对于木框架剪力墙结构中部分术语作下列说明: 1 间柱(mabashira):为了支承墙体及防止剪力墙面板向面外翘曲凸出,在柱与柱之间设置的截面较小的柱子。间柱自身不承受垂直荷载,而是与石膏板、墙面板或面板内的横向水平支撑等构成剪力墙,承受垂直荷载和水平荷载的作用。 2 横架梁(collar tie beam/ring beam):二层及二层以上楼面板下与柱子连接形成整体的横向构件。也称为柱间系梁。 3 地板梁(ground floor beam/sleeper):支承一楼地面板和地面搁栅的水平梁。是构成一楼地面楼盖的主要构件,一般由地板短柱支撑(地板短柱可采用木制、钢制或塑料制作)。 4 角撑(horizontal angle brace):固定在地梁、横架梁、桁架等构件平面相交处的加固辅助构件。有木制、钢制角撑。 5 金檩(intermediate purlin):在屋盖构造中,位于屋脊檩条与檐口檩条之间,支承椽条的水平构件。 6 斜撑梁(cant beam in roof):在斜撑梁式屋盖构造中垂直安放在屋脊檩、檐口檩上以支承望板的构件。与椽条式屋盖构造中的椽条的功能相似的这一屋架主要构件由于从房屋剖面上呈倾斜状故称为斜撑梁,也简称斜梁。
7.1.2 方木原木结构构件应采用经施工现场分级或工厂分等分级的方木、原木制作,亦可采用结构复合木材和胶合原木制作。
条文说明
7.1.2 方木原木结构的承重构件一般由原木或锯材制作,随着木材工业的发展,一些承重构件也可采用结构复合材和胶合原木制作。特别是木框架剪力墙结构的构件制作时可使用锯材,也可使用符合强度和耐久性能要求的胶合木材、单板层积材(LVL)、胶合板等材料制作。
7.1.3 由地震作用或风荷载产生的水平力应由柱、剪力墙、楼盖和屋盖共同承受。木框架剪力墙结构的基本构造要求可按本标准第9.1节的相关规定执行。
条文说明
7.1.3 木框架剪力墙结构的抗侧力构造可按本标准第9.1节进行设计。但是,本标准表9.1.7-1、表9.1.7-2规定的轻型木结构剪力墙最小长度的具体数值,不能直接适用于木框架剪力墙结构的剪力墙设计,需要按表注3重新进行设计。对木框架剪力墙结构而言,最小抗剪强度设计值为4.9kN(本标准附录N表N.0.1),因此,设计时剪力墙的最小长度应为本标准表9.1.7-1和表9.1.7-2中各数值的0.72倍(3.5kN/4.9kN)。
7.1.4 方木原木结构设计应符合下列要求:
1 木材宜用于结构的受压或受弯构件;
2 在受弯构件的受拉边,不应打孔或开设缺口;
3 对于在干燥过程中容易翘裂的树种木材,用于制作桁架时,宜采用钢下弦;当采用木下弦,对于原木其跨度不宜大于15m,对于方木其跨度不应大于12m,且应采取防止裂缝的有效措施;
4 木屋盖宜采用外排水,采用内排水时,不应采用木制天沟;
5 应保证木构件,特别是钢木桁架,在运输和安装过程中的强度、刚度和稳定性,宜在施工图中提出注意事项;
6 木结构的钢材部分应有防锈措施。
条文说明
7.1.4 选用合理的结构形式和构造方法,可以保证木结构的正常工作和延长结构的使用年限,能够收到良好的技术经济效果。 因此,对木结构选型和构造作了如下考虑: 1 推荐采用以木材为受压或受弯构件的结构形式。虽然工程实践表明,只要选材符合标准,构造处理得当,即使在跨度很大的桁架中,采用木材制作的受拉构件,也能安全可靠地工作,但问题在于木材的天然缺陷对构件受拉性能影响很大,必须选用优质并经过干燥的材料才能胜任。从方木原木的材料供应情况来看,几乎很难办到。因此,方木原木结构推荐采用钢木桁架或撑托式结构。在这类结构中,木材仅作为受压或压弯构件,它们对木材材质和含水率的要求均较受拉构件为低,可收到既充分利用材料,又确保工程质量的效果。 2 方木原木结构中,在受弯构件的受拉边打孔或开设缺口将严重破坏锯材或原木自身的木纤维构造,特别是受力时产生应力集中,对受弯构件带来不利的影响。 3 为合理利用缺陷较多、干燥中容易翘裂的树种木材(如落叶松、云南松等),由于这类木材的翘裂变形,过去在跨度较大的房屋中使用,问题比较多。其原因虽是多方面的,但关键在于使用湿材,而又未采取防止裂缝的措施。针对这一情况,并根据有关科研成果和工程使用经验,规定了屋架跨度的限值,并强调应采取有效的防止裂缝危害的措施。 4 多跨木屋盖房屋的内排水,常由于天沟构造处理不当或检修不及时产生堵水渗透,致使木屋架支座节点受潮腐朽,影响屋盖承重木结构的安全,因此推荐采取外排水的结构形式。 木制天沟经常由于天沟刚度不够,变形过大,或因油毡防水层局部损坏,致使天沟腐朽、漏水,直接危害屋架支座节点。有些工程曾出过这样的质量事故,因此在本标准中规定“不应采用木制天沟”。 5 在设计时,应合理地减少构件截面的规格,以符合工业化生产的要求。
7.1.5 在可能造成灾害的台风地区和山区风口地段,方木原木结构的设计应采取提高建筑物抗风能力的有效措施,并应符合下列规定:
1 应尽量减小天窗的高度和跨度;
2 应采用短出檐或封闭出檐,除檐口的瓦面应加压砖或座灰外,其余部位的瓦面也宜加压砖或座灰;
3 山墙宜采用硬山墙;
4 檩条与桁架或山墙、桁架与墙或柱、门窗框与墙体等的连接均应采取可靠锚固措施。
条文说明
7.1.5 为了减少风灾对木结构的破坏影响,在总结沿海地区经验的基础上,本标准提出一些构造要求,以加强木结构房屋的抗风能力。 造成风灾危害除因设计计算考虑不周外,一般均由于构造处理不当所引起,根据浙江、福建、广东等地调查,砖木结构建筑物因台风造成的破坏过程一般是:迎风面的大部分门窗框先被破坏或屋盖的山墙出檐部分先被掀开缺口,接着大风直贯室内,瓦、屋面板、檩条等相继被刮掉,最后造成山墙和屋架呈悬臂孤立状态而倒塌。 构造措施方面应注意下列几点: 1 为防止瞬间风吸力超过屋盖各个部件的自重,避免屋瓦等被掀揭,宜采用增加屋面自重和加强瓦材与屋盖木基层整体性的办法(如压砖、坐灰、瓦材加以固定等)。 2 应防止门窗扇和门窗框被刮掉。因为这将使原来封闭的建筑变为局部开敞式,改变了整个建筑的风载体型系数,这是造成房屋倒塌的重要因素。因此,除使用应注意经常维修外,强调门窗应予锚固。 3 应注意局部构造处理以减少风力的作用。例如,檐口处出檐与不出檐,檐口封闭与不封闭,其局部表面的风载体型系数相差甚大。因此,出檐要短或做成封闭出檐,山墙宜做成硬山,以及在满足采光和通风要求下尽量减少天窗的高度和跨度等,都是减少风害的有效措施。 4 应加强房屋的整体性和锚固措施,锚固可采用不同的构造方式,但其做法应足以抵抗风力。
7.1.6 在结构的同一节点或接头中有两种或多种不同的连接方式时,计算时应只考虑一种连接传递内力,不应考虑几种连接的共同工作。
条文说明
7.1.6 这是根据工程教训与试验结论而作出的规定。在我国木结构工程中,曾发生过数起因采用齿连接与螺栓连接共同受力而导致齿连接超载破坏的事故,值得引起注意。
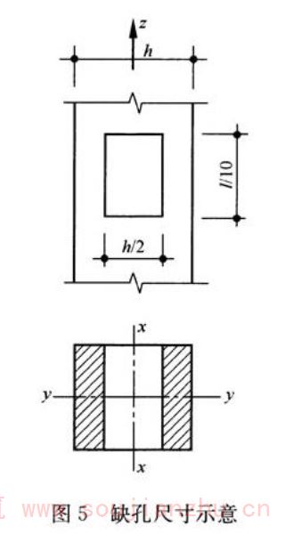
7.1.7 杆系结构中的木构件,当有对称削弱时,其净截面面积不应小于构件毛截面面积的50%;当有不对称削弱时,其净截面面积不应小于构件毛截面面积的60%。
7.1.8 圆钢拉杆和拉力螺栓的直径,应按计算确定,但不宜小于12mm。圆钢拉杆和拉力螺栓的方形钢垫板尺寸,可按下列公式计算:
1 垫板面积(mm 2 )
A=N/f cα (7.1.8-1)
2 垫板厚度(mm)

式中:N——轴心拉力设计值(N);
f cα ——木材斜纹承压强度设计值(N/ mm 2 ),应根据轴心拉力N与垫板下木构件木纹方向的夹角,按本标准第4.3.3条的规定确定;
f——钢材抗弯强度设计值(N/ mm 2 )。
7.1.9 系紧螺栓的钢垫板尺寸可按构造要求确定,其厚度不宜小于0.3倍螺栓直径,其边长不应小于3.5倍螺栓直径。当为圆形垫板时,其直径不应小于4倍螺栓直径。
条文说明
7.1.8、7.1.9 调查发现,一些工程中有拉力螺栓钢垫板陷入木材的情况。其主要原因之一是钢垫板未经计算,选用的尺寸偏小所致。因此本标准提出了钢垫板应经计算的要求。为了设计方便,本标准列入了方形钢垫板的计算公式。 假定N/4产生的弯矩,由A-A截面承受(图14),并忽略螺栓孔的影响,则钢垫板面积A为:A=拉杆轴向拉力设计值/垫板下木材横纹承压强度设计值=N/fc,90 (18) 而由b/3×N/4=1/6bt2f,可得垫板厚度t为: 
式中:f——钢垫板的抗弯强度设计值。 
计算垫板尺寸时注意下列两点: 1 若钢垫板不是方形,则不能套用此公式,应根据具体情况另行计算。 2 当计算支座节点或脊节点的钢垫板时,考虑到这些部位的木纹不连续,垫板下木材横纹承压强度设计值应按本标准表4.3.1-3中局部表面和齿面一栏的数值确定。
7.1.10 桁架的圆钢下弦、三角形桁架跨中竖向钢拉杆、受振动荷载影响的钢拉杆以及直径等于或大于20mm的钢拉杆和拉力螺栓,应采用双螺帽。
条文说明
7.1.10 根据工程实践经验,对较重要的圆钢构件采用双螺帽,拧紧后能防止意外的螺帽松脱事故,在有振动的场所,其作用尤为显著。
7.1.11 在房屋或构筑物建成后,应按本标准附录C对木结构进行检查和维护。对于用湿材制作的木结构,应加强使用前和使用后的第1~2年内的检查和维护工作。
条文说明
7.1.11 由于木材固有的缺陷,即使设计和施工都很良好的木结构,也会因使用不当、维护不善而导致木材受潮腐朽、连接松弛、结构变形过大等问题发生,直接影响结构的安全和寿命。因此,为了保证木结构的安全工作并延长使用寿命,必须加强对木结构在使用过程中的检查与维护工作。 本标准附录C的检查和维护要点,是根据各地木结构使用经验以及工程结构检查和调查中发生的问题总结出来的。
7.1.12 当采用两根圆钢共同受拉时,钢材的强度设计值宜乘以0.85的调整系数。对圆钢拉杆验算螺纹部分的净截面受拉,其强度设计值应按现行国家标准《钢结构设计标准》GB 50017采用。
条文说明
7.1.12 两根圆钢共同受拉是钢木桁架常见的构造。考虑到其受力不均的影响,本标准根据有关单位的实测数据和长期的设计经验,作出了钢材的强度设计值应乘以0.85调整系数的补充规定。
7.1.13 当剪力墙或木屋盖与砌体结构、钢筋混凝土结构或钢结构等下部结构连接时,应将作用在连接点的水平力和上拔力乘以1.2倍的放大系数。
条文说明
7.1.13 对于方木原木结构与砌体结构、钢筋混凝土结构或钢结构组成的混合结构,在两种不同材料的结构连接处,连接点的设计是十分关键的,需要提高连接点处的作用力,保证连接的可靠性。
7.2 梁和柱
7.2 梁和柱
7.2.1 当木梁的两端由墙或梁支承时,应按两端简支的受弯构件计算,柱应按两端铰接计算。
条文说明
7.2.1 方木原木结构中的柱一般按两端铰连接的受压构件设计,梁一般按单跨简支受弯构件设计。对于木框架剪力墙结构,虽然梁柱的连接基本采用特殊的金属连接件,但是,柱还是按两端铰连接的受压构件设计,梁还是按单跨简支梁设计。
7.2.2 矩形木柱截面尺寸不宜小于100mm×100mm,且不应小于柱支承的构件截面宽度。
条文说明
7.2.2 在木框架剪力墙结构中,为了避免柱发生屈曲,其截面尺寸应不小于100mm×100mm。木框架剪力墙结构中常用的截面尺寸为105mm×105mm、120mm×120mm、150mm×150mm等。
7.2.3 柱底与基础或与固定在基础上的地梁应有可靠锚固。木柱与混凝土基础接触面应采取防腐防潮措施。位于底层的木柱底面应高于室外地平面300mm。柱与基础的锚固可采用U形扁钢、角钢和柱靴。
条文说明
7.2.3 柱底与基础,或与固定在基础上的地梁的锚固形式多种多样。图15所示是木框架剪力墙结构中,柱与基础、地梁锚固所采用的连接方式之一。 
7.2.4 梁在支座上的最小支承长度不应小于90mm,梁与支座应紧密接触。
7.2.5 木梁在支座处应设置防止其侧倾的侧向支承和防止其侧向位移的可靠锚固。当梁采用方木制作时,其截面高宽比不宜大于4。对于高宽比大于4的木梁应根据稳定承载力的验算结果,采取必要的保证侧向稳定的措施。
7.2.6 木梁与木柱或钢柱在支座处,可采用U形连接件或连接钢板连接。木梁与砌体或混凝土连接时,木梁不应与砌体或混凝土构件直接接触,并应设置防潮层。
条文说明
7.2.6 木柱与木梁的连接形式多种多样,没有统一的形式,在保证连接安全可靠的基础上,可以进行各种设计。对于木框架剪力墙结构中木柱与木梁的连接,除采用短榫和山型卡外,也采用如图16所示的连接件进行连接。图17所示是木框架剪力墙结构中木梁与木梁之间的连接方式。 

7.3 墙体
7.3 墙 体
7.3.1 方木原木结构的墙体应按下列构造类型选用:
1 墙体应采用轻质材料墙板作为填充墙,并应直接与木框架进行连接;
2 木骨架组合墙体应采用墙面板、规格材作为墙体材料,并应直接与木框架进行连接;
3 木框架剪力墙应采用墙面板、间柱和方木构件作为墙体材料,并与木框架的梁柱进行连接,木框架剪力墙应分为隐柱墙和明柱墙两种(图7.3.1);

4 井干式木结构墙体应采用截面经过适当加工后的方木、原木和胶合原木作为墙体基本构件,水平向上层层咬合叠加组成。
条文说明
7.3.1 木框架剪力墙结构中的墙因构造不同可分为隐柱墙和明柱墙。隐柱墙即在柱、梁等结构构件外侧固定胶合板等面板而构成的剪力墙,该类墙的柱、梁等结构构件隐蔽在墙内而不外露于墙面板外,施工简单,墙的性能稳定。明柱墙则是在柱、梁等结构构件内侧用钉固定横撑材后将胶合板等面板再固定在横撑材所构成的墙,该类墙的柱、梁等结构构件外露于墙面板外,施工虽然相对隐柱墙而言稍微麻烦,由于柱、梁等木材构件外露于室内而令人感受到木结构住宅中木材的存在,同时由于木材对室内湿气的调节功能等更能发挥,让居住者更能感受到木结构住宅的舒适性和健康性。
7.3.2 轻质材料墙体按构造要求设计,可不进行结构计算。
7.3.3 木骨架组合墙体应分为承重墙体或非承重墙体。墙体的墙骨柱宽度不应小于40mm,最大间距应为610mm。当承重墙的墙面板采用木基结构板时,其厚度不应小于11mm;当非承重墙的墙面板采用木基结构板时,其厚度不应小于9mm;墙体构造应符合现行国家标准《木骨架组合墙体技术规范》GB/T 50361中规定的相关构造要求。
条文说明
7.3.3 木骨架组合墙体目前也大量用于梁柱体系的传统木结构建筑中,改变了传统木结构墙体保温节能性能较差的缺点。
7.3.4 当木骨架组合墙体作为承重墙体时,墙骨柱应按两端铰接的轴心受压构件计算,构件在平面外的计算长度应为墙骨柱长度。当墙骨柱两侧布置墙面板时,平面内应进行强度验算;外墙墙骨柱应考虑风荷载影响,按两端铰接的压弯构件计算。
7.3.5 木框架剪力墙结构的墙体作为剪力墙时,剪力墙受剪承载力设计值 V d 应按下式进行计算:
V d =∑ f vd l (7.3.5)
式中: f vd ——单面采用木基结构板作面板的剪力墙的抗剪强度设计值(kN/m),应按本标准附录N的规定取值;
l——平行于荷载方向的剪力墙墙肢长度(m)。
条文说明
7.3.5 木框架剪力墙结构的剪力墙的受剪承载力设计值应按公式(7.3.5)计算。在参照日本相关规范时,木框架剪力墙结构的剪力墙设计与本标准规定的轻型木结构剪力墙设计有所不同。经过编制组研究,将两种墙体的抗剪设计验算进行了协调统一,并按轻型木结构剪力墙的形式进行了换算。本标准附录N规定了剪力墙的抗剪强度设计值。
7.3.6 木框架剪力墙结构的剪力墙应符合下列规定:
1 墙体两端连接部应设置截面不小于105mm×105mm的端柱;
2 当墙体采用的木基结构板厚度不小于24mm、墙体长度不小于1000mm时,应在墙体中间设置柱子或间柱;
3 当采用的木基结构板厚度小于24mm、墙体长度不小于600mm时,应在墙体中间设置间柱;
4 墙体面板宜采用竖向铺设,当采用横向铺设时,面板拼接缝部位应设置横撑;墙体面板应采用钉子将面板与横撑、间柱或柱子连接;
5 间柱截面尺寸应大于30mm×60mm,墙体端部用于连接的间柱截面尺寸应大于45mm×60mm。
条文说明
7.3.6 本条对木框架剪力墙结构的剪力墙构造要求给出了规定。剪力墙两端的端柱截面要求不小于105mm×105mm,是为了防止柱子的弯曲变形和确保钉连接部位的连接性能。当墙面板采用横向铺设时,为了传递剪力需要在墙面板相连接部位设置横撑,并用钉将横撑的两端固定在端柱或间柱之上。
7.3.7 当木框架剪力墙结构采用明柱剪力墙时,剪力墙的间柱和端部连接柱截面尺寸应大于30mm×60mm。端部连接柱应采用直径大于3.40mm、长度大于75mm和间距应小于200mm的钉子与柱和梁连接。当面板厚度不小于24mm时,固定端部连接柱的钉子直径应大于3.8mm,长度应大于90mm,间距应小于100mm。
条文说明
7.3.7 隐柱墙的横撑材的截面尺寸也应大于30mm×60mm。在墙体安装时,固定横撑材的钉子尺寸应根据墙面板的厚度不同而不同,在施工中应加以注意。
7.3.8 钉连接的单面覆板剪力墙顶部的水平位移应按下式计算:
△=V k h w /K w (7.3.8)
式中:△——剪力墙顶部水平位移(mm);
V k ——每米长度上剪力墙顶部承受的水平剪力标准值(kN/m);
h w ——剪力墙的高度(mm);
K w ——剪力墙的抗剪刚度,应按本标准附录表N.0.1的规定取值。
7.3.9 井干式木结构墙体构件的截面形式可按表7.3.9的规定选用,并且,矩形构件的截面宽度尺寸不宜小于70mm,高度尺寸不宜小于95mm;圆形构件的截面直径不宜小于130mm。

条文说明
7.3.9 井干式木结构建筑越来越受用户欢迎,目前在我国已形成由北向南发展的趋势。井干式木结构的墙体构件一般采用方木和原木制作,由于方木原木干燥比较困难,使用过程中墙体容易变形,因此,许多井干式木结构建筑的墙体构件也采用胶合木材制作。
7.3.10 井干式木结构的墙体除山墙外,每层的高度不宜大于3.6m。墙体水平构件上下层之间应采用木销或其他连接方式进行连接,边部连接点距离墙体端部不应大于700mm,同一层的连接点间距不应大于2.0m,且上下相邻两层的连接点应错位布置。
7.3.11 当采用木销进行水平构件的上下连接时,应采用截面尺寸不小于25mm×25mm的方形木销。连接点处应在构件上预留圆孔,圆孔直径应小于木销截面对角线尺寸3mm~5mm。
7.3.12 井干式木结构在墙体转角和交叉处,相交的水平构件应采用凹凸榫相互搭接,凹凸榫搭接位置距构件端部的尺寸不应小于木墙体的厚度,并不应小于150mm。外墙上凹凸榫搭接处的端部,应采用墙体通高并可调节松紧的锚固螺栓进行加固(图7.3.12)。在抗震设防烈度等于6度的地区,锚固螺栓的直径不应小于12mm;在抗震设防烈度大于6度的地区,锚固螺栓的直径不应小于20mm。

7.3.13 井干式木结构每一块墙体宜在墙体长度方向上设置通高的并可调节松紧的拉结螺栓,拉结螺栓与墙体转角的距离不应大于800mm,拉结螺栓之间的间距不应大于2.0m,直径不应小于12mm。
7.3.14 井干式木结构的山墙或长度大于6.0m的墙体,宜在中间位置设置方木加强件(图7.3.14)或采取其他加强措施进行加强。方木加强件应在墙体的两边对称布置,其截面尺寸不应小于120mm×120mm。加强件之间应采用螺栓连接,并应采用允许上下变形的螺栓孔。

7.3.15 井干式木结构应在长度大于800mm的悬臂墙末端和大开口洞的周边墙端设置墙体加强措施。
7.3.16 井干式木结构墙体构件与构件之间应采取防水和保温隔热措施。构件与混凝土基础接触面之间应设置防潮层,并应在防潮层上设置经防腐防虫处理的垫木。与混凝土基础直接接触的其他木构件应采用经防腐防虫处理的木材。
7.3.17 井干式木结构墙体垫木的设置应符合下列规定:
1 垫木的宽度不应小于墙体厚度。
2 垫木应采用直径不小于12mm、间距不大于2.0m的锚栓与基础锚固。在抗震设防和需要考虑抗风能力的地区,锚栓的直径和间距应满足承受水平作用的要求。
3 锚栓埋入基础深度不应小于300mm,每根垫木两端应各有一根锚栓,端距应为100mm~300mm。
7.3.18 井干式木结构墙体在门窗洞口切断处,宜采用防止墙体沉降造成门窗变形或损坏的有效措施。对于墙体在无门窗的洞口切断处,在墙体端部应采用防止墙体变形的加固措施。
7.3.19 井干式木结构中承重的立柱应设置能调节高度的设施。屋顶构件与墙体结构之间应有可靠的连接,并且连接处应具有调节滑动的功能。
7.3.20 在抗震设防烈度为8度、9度或强风暴地区,井干式木结构墙体通高的拉结螺栓和锚固螺栓应与混凝土基础牢固锚接。
7.4 楼盖及屋盖
7.4 楼盖及屋盖
7.4.1 木屋面木基层宜由挂瓦条、屋面板、椽条、檩条等构件组成。设计时应根据所用屋面防水材料、房屋使用要求和当地气象条件,选用不同的木基层的组成形式。
7.4.2 屋面木基层中的受弯构件的验算应符合下列规定:
1 强度应按恒荷载和活荷载,或恒荷载和雪荷载组合,以及恒荷载和施工集中荷载组合进行验算;
2 挠度应按恒荷载和活荷载,或恒荷载和雪荷载组合进行验算;
3 在恒荷载和施工集中荷载作用下,进行施工或维修阶段承载能力验算时,构件材料强度设计值应乘以本标准表4.3.9-1中规定的调整系数。
条文说明
7.4.2 设计屋面板或挂瓦条时,是否需要计算,可根据屋面具体情况和当地长期使用的实践经验决定。
7.4.3 对设有锻锤或其他较大振动设备的木结构房屋,屋面宜设置由木基结构板材构成的屋面结构层。
条文说明
7.4.3 有锻锤或其他较大振动设备的房屋需设置屋面板的规定,主要是针对过去某些工程,由于厂房振动较大,造成屋面瓦材滑移或掉落的事故而采取的措施。
7.4.4 木框架剪力墙结构的楼盖、屋盖受剪承载力设计值应按下式进行计算:
V d = f vd B e (7.4.4)
式中: f vd ——采用木基结构板的楼盖、屋盖抗剪强度设计值(kN/m),应按本标准附录P的规定取值;
B e ——楼盖、屋盖平行于荷载方向的有效宽度(m),应按本标准第9.2.5条的规定取值。
条文说明
7.4.4 在木框架剪力墙结构的楼盖、屋盖的设计时,可按本标准第9章有关轻型木结构的楼盖、屋盖设计的规定进行。木框架剪力墙结构的混合结构设计也可参照本标准第9.5节的相关规定执行。
7.4.5 在木框架剪力墙结构中,当屋盖位于空旷的房间上时,应在屋盖的椽条之间或斜撑梁之间设置加固挡块。加固挡块应设置在檩条处,并应采用结构胶合板及圆钉将加固挡块与檩条连接(图7.4.5)。

条文说明
7.4.5 为了提高位于客厅、会议厅等空旷房间处屋盖的受剪承载力,在屋盖椽条或斜撑梁之间设置加固挡块,能有效地传递水平剪力并防止椽条或斜撑梁的位移。如本标准图7.4.5所示,宜在椽条或斜撑梁与檩条(或小屋架梁)的连接部分附近设置加固挡块。采用结构胶合板制作的连接板将加固挡块固定在檩条(或小屋架梁)上,能保证屋盖整体抗剪强度的提高。若无法使用加固挡块时,可在椽条或斜撑梁的端部处设置具有同样作用的封檐板。例如,在本标准附录P第P.0.2条中,采用了加固挡块的2型和5型结构形式的屋盖,其抗剪强度较高。
7.4.6 木框架剪力墙结构采用的剪力墙直接与屋盖构件连接时,应采取保证屋盖构件与剪力墙之间牢固连接的有效措施。
7.4.7 与椽条或檩条垂直的挂瓦条、屋面板的长度至少应跨越三根椽条或檩条,挂瓦条、椽条和屋面板等构件接长时,接头应设置在下层支承构件上,且接头应错开布置。
7.4.8 方木檩条宜正放,其截面高宽比不宜大于2.5。当方木檩条斜放时,其截面高宽比不宜大于2,并应按双向受弯构件进行计算。若有可靠措施以消除或减少檩条沿屋面方向的弯矩和挠度时,可根据采取措施后的情况进行计算。
7.4.9 当采用钢木檩条时,应采取措施保证受拉钢筋下弦折点处的侧向稳定。
7.4.10 双坡屋面的椽条在屋脊处应相互连接牢固。
条文说明
7.4.8~7.4.10 对这些规定需作如下几点说明:
1 木檩条截面高宽比的规定,是根据调查实测结果提出的。其目的是为了从构造上防止檩条沿屋面方向的变形过大,以保证其正常工作。这对楞摊瓦的屋面尤为重要,应在设计中予以重视。
2 正放檩条可节约木材,其构造也比较简单,故推荐采用。
3 钢木檩条受拉钢筋下折处的节点容易摆动,应采取措施保证其侧向稳定。有些工程用一根钢筋(或木条)将同开间的钢木檩条下折处连牢,以增加侧向稳定,使用效果较好,也不费事,故在条文中提出这一要求。
7.4.11 抗震设防烈度为8度和9度地区屋面木基层抗震设计,应符合下列规定:
1 采用斜放檩条应设置木基结构板或密铺屋面板,檐口瓦应固定在挂瓦条上;
2 檩条应与屋架连接牢固,双脊檩应相互拉结,上弦节点处的檩条应与屋架上弦用螺栓连接;
3 支承在砌体山墙上的檩条,其搁置长度不应小于120mm,节点处檩条应与山墙卧梁用螺栓锚固。 ( 自2022年1月1日起废止该条,详见新规 《木结构通用规范》 GB55005-2021)
条文说明
7.4.11 对8度和9度抗震设防地区的屋面木基层设计,提出了必要的加强措施,以利于抗震。
7.4.12 井干式木结构屋面构件应采用螺栓、钉或连接件与木墙体构件固定。
7.4.13 下列部位的檩条应与桁架上弦锚固,当有山墙时尚应与山墙卧梁锚固:
1 支撑的节点处,包括参加工作的檩条见本标准图7.7.2;
2 为保证桁架上弦侧向稳定所需的支承点;
3 屋架的脊节点处。
条文说明
7.4.13 檩条与屋架上弦的连接各地做法不同,多数地区采用钉连接。有的地区当屋架跨度较大时,则将节点檩条用螺栓锚固。
7.4.14 檩条的锚固可根据房屋跨度、支撑方式及使用条件选用螺栓、卡板(图7.4.14)、暗销或其他可靠方法。上弦横向支撑的斜杆应采用螺栓与桁架上弦锚固。

条文说明
7.4.14 檩条锚固方法,除应考虑是否需要承受风吸力外,还应考虑屋盖所采用的支撑形式。当采用垂直支撑时,由于每榀屋架均与支撑有连系,檩条的锚固一般采用钉连接即能满足要求。当有振动影响或在较大跨度房屋中采用上弦横向支撑时,支撑节点处的檩条应用螺栓、暗销或卡板等锚固,以加强屋面的整体性。
7.5 桁架
7.5 桁 架
7.5.1 采用方木原木制作木桁架时,选型可根据具体条件确定,并宜采用静定的结构体系。当桁架跨度较大或使用湿材时,应采用钢木桁架;对跨度较大的三角形原木桁架,宜采用不等节间的桁架形式。
条文说明
7.5.1 桁架的选型主要取决于屋面材料、木材的材质与规格。本标准作了如下考虑:
1 钢木桁架具有构造合理,能避免斜纹、木节、裂缝等缺陷的不利影响,解决下弦选材困难和易于保证工程质量等优点,故推荐在桁架跨度较大或采用湿材或采用新利用树种时应用。
2 三角形原木桁架采用不等节间的结构形式比较经济。根据设计经验,当跨度在15m~18m之间,开间在3m~4m的相同条件下,可比等节间桁架节约木材10%~18%。故推荐在跨度较大的原木桁架中应用。
7.5.2 当木桁架采用木檩条时,桁架间距不宜大于4m;当采用钢木檩条或胶合木檩条时,桁架间距不宜大于6m。
7.5.3 桁架中央高度与跨度之比不应小于表7.5.3规定的最小高跨比。

注:h为桁架中央高度;l为桁架跨度。
条文说明
7.5.3 桁架的高跨比过小,将使桁架的变形过大,过去在工程中曾发生过高跨比过小引起的质量事故。因此,根据国内外长期使用经验,对各类型木桁架的最小高跨比作出具体规定。经过系统的验算表明,如将高跨比放宽一档,将使桁架的相对挠度增加13.2%~27.7%,桁架上弦应力增大12.8%~32.2%。这不仅使得桁架的刚度大为削弱,而且使得木材的用量增加7.7%~12.5%。
7.5.4 桁架制作应按其跨度的1/200起拱。
条文说明
7.5.4 为了保证屋架不产生影响人安全感的挠度,不论木屋架和钢木屋架,在制作时均应加以起拱。对于起拱的数值,是根据长期使用经验确定的,并应在起拱的同时调整上下弦,以保证屋架的高跨比不变。
7.5.5 桁架的内力计算时,应符合下列规定:
1 桁架节点可假定为铰接,并将荷载集中于各个节点上,按节点荷载计算各杆轴向力;
2 当上弦因节间荷载而承受弯矩时,应按压弯构件进行计算。跨间弯矩按简支梁计算,节点处支座弯矩可按下式计算。

式中:g、q——上弦的均布恒载、活载或雪载设计值;
l——杆件的计算长度。
7.5.6 桁架压杆的计算长度取值应符合下列规定:
1 在结构平面内,桁架弦杆及腹杆应取节点中心间的距离。
2 在结构平面外,桁架上弦应取锚固檩条间距离;桁架腹杆应取节点中心间距离。在杆系拱、框架及类似结构中的受压下弦,应取侧向支撑点间的距离。
条文说明
7.5.6 当确定屋架上弦平面外的计算长度时,虽可根据稳定验算的需要自行确定应锚固的檩条根数和位置,但下列檩条,在任何情况下均须与上弦锚固:
1 桁架上弦节点(包括节点)处的檩条;
2 用作支撑系统杆件的檩条。 另外,应注意的是锚固方法,必须符合本标准第7.4.13条的要求,否则不能算作锚固。
7.5.7 设计木桁架时,其构造应符合下列要求:
1 受拉下弦接头应保证轴心传递拉力;下弦接头不宜多于两个;接头应锯平对正,宜采用螺栓和木夹板连接。
2 当受拉下弦接头采用螺栓木夹板或钢夹板连接时,接头每端的螺栓数由计算确定,但不宜少于6个,且不应排成单行;当采用木夹板时,应选用优质的气干木材制作,其厚度不应小于下弦宽度的1/2;若桁架跨度较大,木夹板的厚度不宜小于100mm;采用钢夹板时,其厚度不应小于6mm。
3 桁架上弦的受压接头应设在节点附近,并不宜设在支座节间和脊节间内;受压接头应锯平,可用木夹板连接,但接缝每侧至少应有两个螺栓系紧;木夹板的厚度宜取上弦宽度的1/2,长度宜取上弦宽度的5倍。
4 当支座节点采用齿连接时,应使下弦的受剪面避开髓心(图7.5.7),并应在施工图中注明此要求。

条文说明
7.5.7 木桁架的下弦受拉接头、上弦受压接头和支座节点均是桁架结构中的关键部位。为了保证其工作的可靠性,设计时应注意三个要点:一是传力明确;二是能防止木材裂缝的危害;三是接头应有足够的侧向刚度。本条规定的构造措施,就是根据这三点要求,在总结各地实践经验的基础上提出的。其中需要加以说明的有下列几点:
1 在受拉接头中,最忌的是受剪面与木材的主裂缝重合(裂缝尚未出现时,最忌与木材的髓心所在面重合)。为了防止出现这一情况,最佳的办法是采用“破心下料”锯成的方木;或是在配料时,能通过方位的调整,而使螺栓的受剪面避开裂缝或髓心。然而这两项措施并非在所有情况下都能做到,因此,在推荐上述措施的同时,应进一步采取必要的保险措施,以使接头不至于发生脆性破坏。这些措施包括:
1)规定接头每端的螺栓数目不宜少于6个,以使连接中的螺栓直径不致过粗,这就从构造上保证了接头受力具有较好的韧性。
2)规定螺栓不应排成单行,从而保证了半数以上螺栓的剪面不会与主裂缝重合,其余的螺栓,虽仍有可能遇到裂缝,但此时的主裂缝已不位于截面高度的中央,很难有贯通之可能,提高了接头工作的可靠性。
3)规定在跨度较大的桁架中,采用较厚的木夹板,其目的在于保证螺栓处于良好的受力状态,并使接头具有较大的侧向刚度。
2 在上弦接头中,最忌的是接头位置不当和侧向刚度差。为此,本条对这两个关键问题都作了必要的规定。强调上弦受压接头“应锯平对接”,其目的在于防止采用“斜搭接”。因为斜搭接不仅不易紧密抵承,更主要的是它的侧向刚度差,容易使上弦鼓出平面外。
3 在桁架的支座节点中采用齿连接,只要其受剪面能避开髓心(或木材的主裂缝),一般就不会出安全事故。因此,本条规定对于这一构造措施应在施工图中注明。
4 对木桁架的最大跨度问题,由于各地使用的树种不同,经验也不同,要规定一个统一的限值较为困难。况且,大跨度木桁架的主要问题是下弦接头多,致使桁架的挠度大。为了减小桁架的变形,本条作出了“下弦接头不宜多于两个”的规定。由于商品材的长度有限,因而这一规定本身已间接地起到了限制木桁架跨度的作用。
7.5.8 钢木桁架的下弦可采用圆钢或型钢,并应符合下列规定:
1 当跨度较大或有振动影响时,宜采用型钢;
2 圆钢下弦应设有调整松紧的装置;
3 当下弦节点间距大于250倍圆钢直径时,应对圆钢下弦拉杆设置吊杆;
4 杆端有螺纹的圆钢拉杆,当直径大于22mm时,宜将杆端加粗,其螺纹应由车床加工;
5 圆钢应经调直,需接长时宜采用机械连接或对接焊、双帮条焊,不应采用搭接焊。焊接接头的质量应符合现行国家标准《钢结构工程施工质量验收规范》GB 50205的规定。
条文说明
7.5.8 钢木桁架具有良好的工作性能,可以解决大跨度木结构以及在木结构工程中使用湿材的许多涉及安全的技术问题,因此得到广泛的应用。但由于设计、施工水平不同,在应用中也发生了一些工程质量事故。调查表明,这些事故几乎都是由于构造不当造成,而不是钢木桁架本身的性能问题。为了从构造上采取统一的技术措施,以确保钢木桁架的质量,曾组织了“钢木桁架合理构造的试验规定”这一重点课题的研究,本标准根据其研究成果,将其与安全有关的结论作出必要的规定。可采用焊接一段较粗短的圆钢的方式将杆端加粗。
7.5.9 当桁架上设有悬挂吊车时,吊点应设在桁架节点处;腹杆与弦杆应采用螺栓或其他连接件扣紧;支撑杆件与桁架弦杆应采用螺栓连接;当为钢木桁架时,应采用型钢下弦。
条文说明
7.5.9 调查的结果表明,尽管各地允许采用的吊车吨位不同,但只要采取了必要的技术措施,其运行结果均未对结构产生危及安全和正常使用的影响。因此,本条仅从保证承重结构的工作安全出发,对桁架其支撑的构造提出设计要求,而未具体限制吊车的最大吨位。
7.5.10 当有吊顶时,桁架下弦与吊顶构件间应保持不小于100mm的净距。
7.5.11 抗震设防烈度为8度和9度地区的屋架抗震设计,应符合下列规定:
1 钢木屋架宜采用型钢下弦,屋架的弦杆与腹杆宜用螺栓系紧,屋架中所有的圆钢拉杆和拉力螺栓,均应采用双螺帽;
2 屋架端部应采用不小于Φ20的锚栓与墙、柱锚固。
条文说明
7.5.11 对8度和9度抗震设防区的屋架设计,提出了必要的加强措施,以利于抗震。
7.5.12 当桁架跨度不小于9m时,桁架支座应采用螺栓与墙、柱锚固。当桁架与木柱连接时,木柱柱脚与基础应采用螺栓锚固。
条文说明
7.5.12 就一般情况而言,桁架支座均应用螺栓与墙、柱锚固。但在调查中发现有若干地区,仅在桁架跨度较大的情况下,才加以锚固。故本标准规定为9m及其以上的桁架必须锚固。至于9m以下的桁架是否需要锚固,则由各地自行处理。
7.5.13 设计轻屋面或开敞式建筑的木屋盖时,不论桁架跨度大小,均应将上弦节点处的檩条与桁架、桁架与柱、木柱与基础等予以锚固。
条文说明
7.5.13 这是根据工程实践经验与教训作出的规定,在执行时只能补充当地原有的有效措施,而不能削减本条所规定的锚固。
7.6 天窗
7.6 天 窗
7.6.1 设置天窗应符合下列规定:
1 当设置双面天窗时,天窗架的跨度不应大于屋架跨度的1/3;
2 单面天窗的立柱应设置在屋架的节点部位;
3 双面天窗的荷载宜由屋脊节点及其相邻的上弦节点共同承担,并应设置斜杆与屋架上弦连接,以保证天窗架的稳定。
4 在房屋的两端开间内不宜设置天窗。
5 天窗的立柱,应与桁架上弦牢固连接,当采用通长木夹板时,夹板不宜与桁架下弦直接连接(图7.6.1)。

7.6.2 为防止天窗边柱受潮腐朽,边柱处屋架的檩条宜放在边柱内侧(图7.6.2)。其窗樘和窗扇宜放在边柱外侧,并加设有效的挡雨设施。开敞式天窗应加设有效的挡雨板,并应做好泛水处理。

7.6.3 抗震设防烈度为8度和9度地区,不宜设置天窗。
条文说明
7.6.1~7.6.3 天窗分为单面天窗和双面天窗,天窗是屋盖结构中的一个薄弱部位。若构造处理不当,容易发生质量事故。根据调查,主要有下列几个问题:
1 天窗过于高大,使屋面刚度削弱很多,兼之天窗重心较高,更易导致天窗侧向失稳。
2 如果采用大跨度的天窗,而又未设中柱,仅靠两个边柱将荷载集中地传给屋架的两个节点,致使屋架的变形过大。
3 仅由两根天窗柱传力的天窗本身不是稳定的结构,不能正常工作。
4 天窗边柱的夹板通至下弦,并用螺栓直接与下弦系紧,致使天窗荷载在边柱上与上弦抵承不良的情况下传给下弦,从而导致下弦的木材被撕裂。因此,规定夹板不宜与桁架下弦直接连接。
5 有些工程由于天窗防雨设施不良,引起其边柱和屋架的木材受潮腐朽,从而危及承重结构的安全。 针对以上存在的问题,制定了本节的条文,以便从构造上消除隐患,保证整个屋盖结构的正常工作。
7.7 支撑
7.7 支 撑
7.7.1 在施工和使用期间,应设置保证结构空间稳定的支撑,并应设置防止桁架侧倾、保证受压弦杆侧向稳定和能够传递纵向水平力的支撑构件,以及应采取保证支撑系统正常工作的锚固措施。 ( 自2022年1月1日起废止该条,详见新规 《木结构通用规范》 GB55005-2021)
7.7.2 上弦横向支撑的设置应符合下列规定:
1 当采用上弦横向支撑,房屋端部为山墙时,应在端部第二开间内设置上弦横向支撑(图7.7.2);
2 当房屋端部为轻型挡风板时,应在端开间内设置上弦横向支撑;
3 当房屋纵向很长时,对于冷摊瓦屋面或跨度大的房屋,上弦横向支撑应沿纵向每20m~30m设置一道;
4 上弦横向支撑的斜杆当采用圆钢,应设有调整松紧的装置。

条文说明
7.7.1、7.7.2 檩条的锚固主要是使屋面与桁架连成整体,以保证桁架上弦的侧向稳定及抵抗风吸力的作用。当采用上弦横向支撑时,檩条的锚固尤为重要,因为在无支撑的区间内,防止桁架的侧倾和保证上弦的侧向稳定,均需依靠参加支撑工作的通长檩条。 本标准对保证木屋盖空间稳定所作的规定,是在总结工程实践、试验实测结果以及综合分析各方面意见的基础上制定的。从试验研究和理论分析结果来看,这些规定比较符合实际情况。
1 关于屋面刚度的作用 实践和试验证明,不同构造方式的屋面有不同的刚度。普通单层密铺屋面板有相当大的刚度,即使是楞摊瓦屋面也有一定的刚度。编制组曾对一楞摊瓦屋面房屋进行了刚度试验,该房屋采用跨度为15m的原木屋架,下弦标高4m,屋架间距3.9m,240mm山墙(三根490mm×490mm壁柱),稀铺屋面板(空隙约60%)。当取掉垂直支撑后(无其他支撑),在房屋端部屋架节点的檩条上加纵向水平荷载。当每个节点水平荷载达2.8kN时,屋架脊节点的瞬时水平变位为:端起第1榀屋架为6.5mm;第6榀为4.9mm;第12榀为4.4mm。这说明楞摊瓦屋面也有一定的刚度,并且能将屋面的纵向水平力传递相当远的距离。 由于屋面刚度对保证上弦出平面稳定、传递屋面的纵向水平力都起相当大的作用,因此,在考虑木屋盖的空间稳定时,屋面刚度是一个不可忽视的因素。
2 关于支撑的作用 支撑是保证平面结构空间稳定的一项措施,各种支撑的作用和效果因支撑的形式、构造和外力特点而异。根据试验实测和工程实践经验表明:
1)垂直支撑能有效地防止屋架的侧倾,并有助于保持屋盖的整体性,因而也有助于保证屋盖刚度可靠地发挥作用,而不致遭到不应有的削弱。 注:垂直支撑系指在两榀屋架的上、下弦间设置交叉腹杆(或人字腹杆),并在下弦平面设置纵向水平系杆,用螺栓连接,与上部锚固的檩条构成一个稳定的桁架体系。
2)上弦横向支撑在参与支撑工作的檩条与屋架有可靠锚固的条件下,能起到空间桁架的作用。
3)下弦横向支撑对承受下弦平面的纵向水平力比较直接有效。 综上所述,说明任何一种支撑系统都不是保证屋盖空间稳定的唯一措施,但在“各得其所”的条件下,又都是重要而有效的措施。因此,在工程实践中,应从房屋的具体构造情况出发,考虑各种支撑的受力特点,合理地加以选用。而在复杂的情况下,还应把不同支撑系统配合起来使用,使之共同发挥各自应有的作用。 例如,在一般房屋中,屋盖的纵向水平力主要是房屋两端的风力和屋架上弦出平面而产生的水平力。根据试验实测,后一种水平力,其数值不大,而且力的方向又不是一致的。因此在风力不大的情况下,需要支撑承担的纵向水平力亦不大,采用上弦横向支撑或垂直支撑均能达到保证屋盖空间稳定的要求;但若为圆钢下弦的钢木屋架,则宜选用上弦横向支撑,较容易解决构造问题。 若房屋跨度较大,或有较大的风力和吊车振动影响时,则以选用上弦横向支撑和垂直支撑共同工作为好。对“跨度较大”的理解,有的认为指跨度大于或等于15m的房屋,有的认为若屋面荷载很大,跨度为12m的房屋就应算“跨度较大”。在执行中各地可根据本地区经验确定。
7.7.3 下列部位均应设置垂直支撑:
1 梯形屋架的支座竖杆处;
2 下弦低于支座的下沉式屋架的折点处;
3 设有悬挂吊车的吊轨处;
4 杆系拱、框架结构的受压部位处;
5 大跨度梁的支座处。
条文说明
7.7.3 关于上弦横向支撑的设置方法,本标准侧重于房屋的两端,因为风力的作用主要在两端。当房屋跨度较大,或为楞摊瓦屋面时,为保证房屋中间部分的屋盖刚度,应在中间每隔20m~30m设置一道。在上弦横向支撑开间内设置垂直支撑,主要是为了施工和维修方便,以及加强屋盖的整体作用。
7.7.4 垂直支撑的设置应符合下列规定:
1 应根据屋架跨度尺寸的大小,沿跨度方向设置一道或两道;
2 除设有吊车的结构外,可仅在无山墙的房屋两端第一开间,或有山墙的房屋两端第二开间内设置,但均应在其他开间设置通长的水平系杆;
3 设有吊车的结构应沿房屋纵向间隔设置,并在垂直支撑的下端设置通长的屋架下弦纵向水平系杆;
4 对上弦设置横向支撑的屋盖,当加设垂直支撑时,可仅在有上弦横向支撑的开间中设置,但应在其他开间设置通长的下弦纵向水平系杆。
条文说明
7.7.4 工程实测与试验结果表明,只有当垂直支撑能起到竖向桁架体系的作用时,才能收到应有的传力效果。因此,本标准规定,凡是垂直支撑均应加设通长的纵向水平系杆,使之与锚固的檩条、交叉的腹杆(或人字形腹杆)共同构成一个不变的桁架体系。仅有交叉腹杆的“剪刀撑”不算垂直支撑。
7.7.5 屋盖应根据结构的形式和跨度、屋面构造及荷载等情况选用上弦横向支撑或垂直支撑。但当房屋跨度较大或有锻锤、吊车等振动影响时,除应设置上弦横向支撑外,尚应设置垂直支撑。支撑构件的截面尺寸,可按构造要求确定。
条文说明
7.7.5 本条所述部位均需设置垂直支撑。其目的是为了保证这些部位的稳定或是为了传递纵向水平力。这些垂直支撑沿房屋纵向的布置间距可根据具体情况确定,但应有通长的系杆互相连系。
7.7.6 木柱承重房屋中,若柱间无刚性墙或木基结构板剪力墙,除应在柱顶设置通长的水平系杆外,尚应在房屋两端及沿房屋纵向每隔20m~30m设置柱间支撑。木柱和桁架之间应设抗风斜撑,斜撑上端应连在桁架上弦节点处,斜撑与木柱的夹角不应小于30°。
条文说明
7.7.6 在执行本条文时,应注意下列两点:
1 若房屋中同时有横向支撑与柱间支撑时,两种支撑应布置在同一开间内,使之更好地共同工作。
2 在木柱与桁架之间设有抗风斜撑时,木柱与斜撑连接处的截面强度应按压弯构件验算。
7.7.7 对于下列情况的非开敞式房屋,可不设置支撑:
1 有密铺屋面板和山墙,且跨度不大于9m时;
2 房屋为四坡顶,且半屋架与主屋架有可靠连接时;
3 屋盖两端与其他刚度较大的建筑物相连时;但对于房屋纵向很长的情况,此时应沿纵向每隔20m~30m设置一道支撑。
条文说明
7.7.7 明确规定屋盖中可不设置支撑的范围,其目的虽然是为了考虑屋面刚度和两端房屋刚度对屋盖空间稳定的作用,但也为了防止擅自扩大不设置支撑的范围。条文中有关界限值的规定,主要是根据实践经验和调查资料确定的。
7.7.8 当屋架设有双面天窗时,应按本标准第7.7.3条和第7.7.5 条的规定设置天窗支撑。天窗架两边立柱处,应按本标准第7.7.6条的规定设置柱间支撑,且在天窗范围内沿主屋架的脊节点和支撑节点,应设置通长的纵向水平系杆。
条文说明
7.7.8 有天窗时屋盖的空间稳定问题,主要是天窗架的稳定和天窗范围内主屋架上弦的侧向稳定问题。 在实际调查中发现,有的工程在天窗范围内无保证屋架上弦侧向稳定的措施,致使屋架上弦向平面外鼓出。各地经验认为一般只要在主屋架的脊节点处设置通长的水平系杆,即可保证上弦的侧向稳定。但若天窗跨度较大,房屋两端刚度又较差时,则宜设置天窗范围内的主屋架上弦横向支撑(不论房屋有无上弦横向支撑,在天窗范围内均应设置)。
7.7.9 在抗震地区,支撑的设置应符合下列规定:
1 抗震设防烈度为6度和7度地区,支撑布置应按本节的规定设置;
2 抗震设防烈度为8度地区,对屋面采用冷摊瓦或稀铺屋面板的木结构,不论是否设置垂直支撑,都应在房屋单元两端第二开间及每隔20m设置一道上弦横向支撑;
3 抗震设防烈度为9度地区,对密铺屋面板的木结构,不论是否设置垂直支撑,都应在房屋单元两端第二开间设置一道上弦横向支撑;
4 抗震设防烈度为9度地区,对于冷摊瓦或稀铺屋面板的木结构,除应在房屋单元两端第二开间及每隔20m同时设置一道上弦横向支撑和下弦横向支撑外,尚应隔间设置垂直支撑并加设下弦通长水平系杆。
条文说明
7.7.9 根据抗震设防烈度不同对木结构支撑的设置要求也不同,对8度和9度地区的木结构房屋支撑系统作了相应的加强。
7.7.10 地震区的木结构房屋的屋架与柱连接处应设置斜撑,当斜撑采用木夹板时,与木柱及屋架上、下弦连接处应采用螺栓连接;木柱柱顶应设暗榫插入屋架下弦并用U形扁钢连接(图7.7.10)。

条文说明
7.7.10 由于木柱房屋在柱顶与屋架的连接处比较薄弱,因此,规定在地震区的木柱房屋中,应在屋架与木柱连接处加设斜撑并做好连接。
8 胶合木结构
8 胶合木结构
8.0.1 胶合木结构应分为层板胶合木结构和正交胶合木结构。层板胶合木结构适用于大跨度、大空间的单层或多层木结构建筑。正交胶合木结构适用于楼盖和屋盖结构,或由正交胶合木组成的单层或多层箱形板式木结构建筑。
条文说明
8.0.1 本标准关于胶合木结构的条文,适用于由木板胶合而成的承重构件以及由木板胶合构件组成的承重结构,包括层板胶合木结构和正交胶合木(CLT)结构。考虑到正交胶合木结构在国际上已有一定使用经验,而且可以建造多层的木结构建筑,是目前国际上木结构建筑技术先进国家广泛采用的建筑结构形式之一,因此,本次修订参照欧洲标准并结合我国国情,增加了正交胶合木结构相关条文。
8.0.2 层板胶合木构件各层木板的纤维方向应与构件长度方向一致。层板胶合木构件截面的层板层数不应低于4层。
条文说明
8.0.2 本条对胶合木构件制作要求作出规定。制作胶合木构件所用的木板应有材质等级的正规标注,并应按本标准相关规定,根据构件不同受力要求和用途选材。为了使各层木板在整体工作时协调,要求各层木板的木纹与构件长度方向一致。
8.0.3 正交胶合木构件各层木板之间纤维的方向应相互叠层正交,截面的层板层数不应低于3层,并且不宜大于9层,其总厚度不应大于500mm。
条文说明
8.0.3 正交胶合木构件主要为板式构件,各层木板的纤维方向应相互叠层正交,即上下层层板的木纤维方向应纵横相交。由于外侧层板和横纹层板可采用两层木板组成一层,因此,本条规定正交胶合木构件的总厚度不应大于500mm。
8.0.4 层板胶合木构件和正交胶合木构件设计时,应根据使用环境注明对结构用胶的要求,构件生产厂家应严格遵循设计的要求生产制作。
条文说明
8.0.4 这是为了保证制作胶合木构件按照设计要求生产合格产品。
8.0.5 层板胶合木结构的设计与构造要求应符合现行国家标准《胶合木结构技术规范》GB/T 50708的相关规定。
条文说明
8.0.5 本标准没有对剪板连接作出相应规定,当采用剪板进行连接的胶合木构件应参照现行国家标准《胶合木结构技术规范》GB/T 50708的相关规定进行构件节点的连接设计。
8.0.6 层板胶合木构件的制作要求应符合现行国家标准《胶合木结构技术规范》GB/T 50708和《结构用集成材》GB/T 26899的相关规定。
条文说明
8.0.6 现行国家标准《胶合木结构技术规范》GB/T 50708已对层板胶合木结构作出了具体的规定。
8.0.7 制作正交胶合木所用木板的尺寸应符合下列规定:
1 层板厚度t为:15mm≤t≤45mm;
2 层板宽度b为:80mm≤b≤250mm。
8.0.8 正交胶合木应由长度相同和厚度相同的木板组成同一层层板。木板可采用指接节点进行接长,指接节点的强度应符合下列公式之一:
f t,j,k ≥5+ f tk (8.0.8-1)
f m,j,k ≥8+1.4 f tk (8.0.8-2)
式中: f t,j,k ——指接节点的抗拉强度标准值(N/mm 2 );
f m,j,k ——指接节点宽度方向抗弯强度标准值(N/ mm 2 );
f tk ——木板的抗拉强度标准值(N/ mm 2 )。
8.0.9 正交胶合木构件可用于楼面板、屋面板和墙板,构件的设计应符合本标准附录G的相关规定。
条文说明
8.0.8、8.0.9 正交胶合木所用木层板的厚度根据材质不同而有所不同。同一层层板采用相同厚度是为了确保加压时各层木层板压平,胶缝密合,从而保证胶合质量。当层板采用指接节点进行接长时,应对指接节点进行足尺构件的抗弯或抗拉试验,以保证指接节点的强度符合本条要求。
8.0.10 正交胶合木外层层板的长度方向应为顺纹配置,并可采用两层木板顺纹配置作为外层层板(图8.0.10a)。当设计需要时,横纹层板也可采用两层木板配置(图8.0.10b)。

条文说明
8.0.10 正交胶合木构件主要是板式承重构件,最适合直接用作楼面板、屋面板,也可用作墙板构件。目前,在欧洲地区部分国家,当采用钢筋混凝土结构核心筒的结构形式后,正交胶合木结构已建成8层~9层高的居住建筑。
8.0.11 正交胶合木构件可采用指接进行构件的接长,并应符合下列规定:
1 构件指接处,构件两端的截面的层板应排列相同,构件纹理方向应保持一致;
2 构件指接节点的指榫长度应不小于45mm。
条文说明
8.0.11 对正交胶合木构件的翘曲和裂纹有较高要求时,可在每层层板上按顺纹方向开槽。开槽的深度应不大于层板厚度的80%,开槽的宽度应不大于4mm。 正交胶合木的层数一般采用奇数层。但是,应注意区分木层板的层数与构件计算层数的区别。图18所示为部分木层板层数与计算层数不同的正交胶合木构件。 
8.0.12 当正交胶合木构件采用指接进行构件的接长时,指接节点处的强度应按下列规定确定:
1 当按国家相关试验标准进行构件指接节点处的强度验证试验时,节点的抗弯强度标准值不应低于设计要求的指接构件抗弯强度标准值;
2 当不进行构件指接节点处的强度验证试验时,构件指接节点处的抗弯强度和抗拉强度设计值可按无指接构件的67%取值,抗压强度设计值可与无指接构件相同。
8.0.13 正交胶合木在胶合时,木板表面应光滑,无灰尘,无杂质,无污染物和其他影响粘结的渗出物质。层板涂胶后应在所用胶粘剂规定的时间要求内进行加压胶合,胶合前不应污染胶合面。
条文说明
8.0.12、8.0.13 正交胶合木构件一般采用全跨整体制作,当需要采用指接接长构件(也称大指接连接)的方式时,应满足本条的规定。大指接节点是贯穿于正交胶合木构件端部整个横截面的指接,一般有两种连接形式,如图19所示。 
8.0.14 正交胶合木同一层的外侧顺纹木板之间的拼接面宜采用胶粘剂进行胶合。同一层的内侧顺纹木板和同一层的横纹木板之间的拼接面可采用拼接,但拼接缝不应大于6mm。
条文说明
8.0.14 正交胶合木构件外侧层板的性能和强度指标直接影响整个构件的强度设计值,外侧同层木板之间采用结构胶粘接,可提高外侧层板的整体性,能够进一步保证构件的安全性。
8.0.15 正交胶合木采用的胶粘剂应满足强度和耐久性的要求,胶粘剂的类型和性能要求应符合现行国家标准《胶合木结构技术规范》GB/T 50708和《结构用集成材》GB/T 26899的相关规定。
9 轻型木结构
9.1 一般规定
9 轻型木结构
9.1 一般规定
9.1.1 轻型木结构的层数不宜超过3层。对于上部结构采用轻型木结构的组合建筑,木结构的层数不应超过3层,且该建筑总层数不应超过7层。
条文说明
9.1.1 轻型木结构是一种将小尺寸木构件按不大于610mm的中心间距密置而成的结构形式。结构的承载力、刚度和整体性是通过主要结构构件(骨架构件)和次要结构构件(墙面板,楼面板和屋面板)共同作用得到的。轻型木结构亦称“平台式骨架结构”,这是因为施工时,每层楼面为一个平台,上一层结构的施工作业可在该平台上完成,其基本构造见图20。 
本章的规定参考了《加拿大国家建筑规范》2010年版(National Building Code of Canada)(以下简称《加拿大建规-2010》)中住宅和小型建筑一章以及美国《国际建筑规范》2006年版(International Building Code)(以下简称《美国建规-2006》)中轻型木结构设计的有关内容。此外,还参考了《加拿大轻型木结构工程手册》2009年版(Canadian Engineering Guide for Wood Frame Construction)和美国林纸协会《木结构设计标准》2012年版(National Design Specification for Wood Construction)的有关规定。
9.1.2 轻型木结构的平面布置宜规则,质量和刚度变化宜均匀。所有构件之间应有可靠的连接,必要的锚固、支撑,足够的承载力,保证结构正常使用的刚度,良好的整体性。
条文说明
9.1.2 与其他建筑材料的结构相比,轻型木结构质量相对较轻,因此在地震和风荷载作用下具有很好的延性。尽管如此,对于不规则建筑和有大开口的建筑,仍应注意结构设计的有关要求。所谓不规则建筑,除了指建筑物的形状不规则外,还包括结构本身的刚度和质量分布的不均匀。轻型木结构是一种具有高次超静定的结构体系,这个优点使得一些非结构构件也能起到抗侧向力的功能。但是这种高次超静定的结构使得结构分析非常复杂。所以,许多情况下,设计上往往采用经过长期工程实践证明的可靠构造。
9.1.3 构件及连接应根据选用树种、材质等级、作用荷载、连接形式及相关尺寸,按本标准相关章节的规定进行设计。
条文说明
9.1.3 轻型木结构的抗侧力设计按构造要求进行时,承受竖向荷载的构件(板、梁、柱及桁架等),仍应按本标准有关要求进行验算。
9.1.4 在验算屋盖与下部结构连接部位的连接强度及局部承压时,应对风荷载引起的上拔力乘以1.2倍的放大系数。
9.1.5 轻型木结构的剪力墙应承受由地震作用或风荷载产生的全部剪力。各剪力墙承担的水平剪力可按面积分配法和刚度分配法进行分配。当按刚度分配法进行分配时,各墙体的水平剪力可按下式计算:

式中: V j ——第j面剪力墙承担的水平剪力;
V——楼层由地震作用或风荷载产生的X方向或Y方向的总水平剪力;
K wi 、K wj ——第i、j面剪力墙单位长度的抗剪刚度,按本标准附录N的规定采用;
L i 、L j ——第i、j面剪力墙的长度;当墙上开孔尺寸小于900mm×900mm时,墙体可按一面墙计算;
n——X方向或y方向的剪力墙数。
9.1.6 对于3层及3层以下的轻型木结构建筑,当符合下列条件时,可按构造要求进行抗侧力设计:
1 建筑物每层面积不应超过600 m 2 ,层高不应大于3.6m。
2 楼面活荷载标准值不应大于2.5kN/ m 2 ;屋面活荷载标准值不应大于0.5kN/ m 2 。
3 建筑物屋面坡度不应小于1:12,也不应大于1:1;纵墙上檐口悬挑长度不应大于1.2m;山墙上檐口悬挑长度不应大于0.4m。
4 承重构件的净跨距不应大于12.0m。
条文说明
9.1.6 对于建设规模不大、体型和平面布置简单的住宅建筑,抗侧向力设计可根据经过长期工程实践证明的构造设计进行。 参考《加拿大建规-2010》和《美国建规-2006》中住宅和小型建筑设计的有关条文,本标准第9.1.6条至第9.1.9条规定了使用构造设计法的限制条件。超出这些范围,轻型木结构建筑仍可使用,但需采用工程设计法设计。
9.1.7 当抗侧力设计按构造要求进行设计时,在不同抗震设防烈度的条件下,剪力墙最小长度应符合表9.1.7-1的规定;在不同风荷载作用时,剪力墙最小长度应符合表9.1.7-2的规定。


条文说明
9.1.7 地震荷载和风荷载分别是建筑物重量和建筑物迎风面的函数,“原2003版规范”的表述和具体数值没有很好地反映这一特点。例如,虽然地震荷载在建筑物的横向和纵向的作用是相同的,按“原2003 版规范”的剪力墙最小长度在建筑物的横向和纵向并不相同。对风荷载而言,风荷载的大小是和风向垂直的建筑面积的函数,但“原2003版规范”的剪力墙最小长度是和风向平行的建筑面积的函数。本标准表9.1.7-1和表9.1.7-2分别考虑了地震荷载和风荷载的特点,弥补了“原2003版规范”的不足。
9.1.8 当抗侧力设计按构造要求进行设计时,剪力墙的设置应符合下列规定(图9.1.8):
1 单个墙段的墙肢长度不应小于0.6m,墙段的高宽比不应大于4:1;
2 同一轴线上相邻墙段之间的距离不应大于6.4m;
3 墙端与离墙端最近的垂直方向的墙段边的垂直距离不应大于2.4m;
4 一道墙中各墙段轴线错开距离不应大于1.2m。

条文说明
9.1.8 本条参考了《加拿大建规-2010》中住宅和小型建筑设计的有关条文。
9.1.9 当按构造要求进行抗侧力设计时,结构平面不规则与上下层墙体之间的错位应符合下列规定:
1 上下层构造剪力墙外墙之间的平面错位不应大于楼盖搁栅高度的4倍,且不应大于1.2m;
2 对于进出面没有墙体的单层车库两侧构造剪力墙,或顶层楼盖屋盖外伸的单肢构造剪力墙,其无侧向支撑的墙体端部外伸距离不应大于1.8m(图9.1.9-1);
3 相邻楼盖错层的高度不应大于楼盖搁栅的截面高度;
4 楼盖、屋盖平面内开洞面积不应大于四周支撑剪力墙所围合面积的30%,且洞口的尺寸不应大于剪力墙之间间距的50%(图9.1.9-2)。

条文说明
9.1.9 本条参考了《美国建规-2006》的有关条文,对“原2003版规范”进行了补充。剪力墙外墙之间的平面错位示意见图21。相邻楼盖错层的高度不应大于楼盖搁栅的截面高度示意见图22。对于不满足本条规定的轻型木结构,应按工程设计法进行设计。 
9.1.10 各剪力墙承担的楼层水平作用力宜按剪力墙从属面积上重力荷载代表值的比例进行分配。当按面积分配法和刚度分配法得到的剪力墙水平作用力的差值超过15%时,剪力墙应按两者中最不利情况进行设计。
条文说明
9.1.10 在北美地区,一般轻型木结构房屋均采用柔性楼盖假定进行侧向力作用分配,但是这一假定并不是总是正确的。如果轻型木楼盖表面有连续的混凝土面层(或厚度不大于38mm连续的非结构性混凝土面层),采用刚性楼盖假定进行侧向力作用分配更为合理。如果不能确定楼盖是柔性还是刚性楼盖,应按柔性和刚性楼盖假定计算剪力墙承担的侧向力,剪力墙应按两者中最不利情况进行设计。
9.1.11 由2根~5根相同的规格材组成拼合柱时,拼合柱的抗压强度设计值应按下列规定取值:
1 当拼合柱采用钉连接时,拼合柱的抗压强度设计值应取相同截面面积的方木柱的抗压强度设计值的60%;
2 当拼合柱采用直径大于等于6.5mm的螺栓连接时,拼合柱的抗压强度设计值应取相同截面面积的方木柱的抗压强度设计值的75%。
9.2 楼盖、屋盖
9.2 楼盖、屋盖
9.2.1 当楼盖、屋盖搁栅两端由墙或梁支承时,搁栅宜按两端简支的受弯构件进行设计。
条文说明
9.2.1 轻型木结构的搁栅通常搁置在墙体之上,各跨之间不连续。因此楼盖、屋盖的搁栅应按简支受弯构件进行强度设计。
9.2.2 当由搁栅支承的墙体与搁栅跨度方向垂直,并离搁栅支座的距离小于搁栅截面高度时,搁栅的抗剪切验算可忽略该墙体产生的作用荷载。
条文说明
9.2.2 本条参考加拿大《木结构设计规范》2010年版(CSA 086-Engineering design in wood)(以下简称《加拿大木结构规范-2010》)的相关条文。当作用在搁栅上的荷载离搁栅支座的距离小于搁栅截面高度时,该荷载由支座直接承担。
9.2.3 楼盖搁栅设计宜考虑搁栅的振动控制,并可按本标准附录Q的规定进行搁栅的振动验算。
条文说明
9.2.3 本条参考加拿大林产创新研究院的科研成果(Hu,L.J.,2011.New Design Method for Determining Vibration Controlled Spans of Wood Joisted Floors, FPInnovations Report, Montreal, QC)。研究表明,楼盖搁栅振动和楼盖的刚度和自震频率相关。本标准附录Q的计算公式和超过100个实测楼盖振动数据结果吻合。
9.2.4 轻型木结构的楼、屋盖受剪承载力设计值应按下式计算:
V d =f vd k 1 k 2 B e (9.2.4)
式中: f vd ——采用木基结构板材的楼盖、屋盖抗剪强度设计值(kN/m),应按本标准附录P的规定取值;
k 1 ——木基结构板材含水率调整系数,应按表9.2.4-1的规定取值;
k 2 ——骨架构件材料树种的调整系数,应按表9.2.4-2的规定取值;
B e ——楼盖、屋盖平行于荷载方向的有效宽度(m),应按本标准第9.2.5条的规定取值。

9.2.5 楼盖、屋盖平行于荷载方向的有效宽度B e 应根据楼盖、屋盖平面开口位置和尺寸(图9.2.5),按下列规定确定:
1 当c<610mm时,取B e =B-b;其中,B为平行于荷载方向的楼盖、屋盖宽度(m),b为平行于荷载方向的开孔尺寸(m);b不应大于B/2,且不应大于3.5m;
2 当c≥610mm时,取 B e =B 。

9.2.6 垂直于荷载方向的楼盖、屋盖的边界杆件及其连接件的轴向力N应按下式计算:

均布荷载作用时,简支楼盖、屋盖弯矩设计值M 1 和M 2 应分别按下列公式计算:

式中: M 1 ——楼盖、屋盖平面内的弯矩设计值(kN·m);
B 0 ——垂直于荷载方向的楼盖、屋盖边界杆件中心距(m);
M 2 ——楼盖、屋盖开孔长度内的弯矩设计值(kN·m);
a——垂直于荷载方向的开孔边缘到楼盖、屋盖边界杆件的距离,a≥0.6m;
q——作用于楼盖、屋盖的侧向均布荷载设计值(kN/m);
q e ——作用于楼盖、屋盖单侧的侧向荷载设计值(kN/m),一般取侧向均布荷载q的一半;
L ——垂直于荷载方向的楼盖、屋盖长度(m);
l——垂直于荷载方向的开孔尺寸(m),l不应大于B/2,且不应大于3.5m。
条文说明
9.2.4~9.2.6 参考《加拿大木结构规范-2010》和《加拿大轻型木结构工程手册》2009年版(Canadian Engineering Guide for Wood Frame Construction)的相关条文。本条给出的楼盖、屋盖受剪承载力计算公式适用于楼盖、屋盖长宽比小于或等于4:1的情况,以保证水平荷载作用下弯矩产生的影响较小,以剪切变形为主。通常墙体中的双层顶梁板可作为楼、屋盖中的边界杆件,顶梁板的接头一般错开搭接并用钉或螺栓连接。另外,也可将边搁栅作为楼、屋盖中的边界杆件,边搁栅的端接头用钉连接或用木连接板钉连接或用螺栓连接。
9.2.7 平行于荷载方向的楼盖、屋盖的边界杆件,当作用在边界杆件上下的剪力分布不同时,应验算边界杆件的轴向力。
9.2.8 在楼盖、屋盖长度范围内的边界杆件宜连续;当中间断开时,应采取能够抵抗所承担轴向力的加固连接措施。楼盖、屋盖的覆面板不应作为边界杆件的连接板。
条文说明
9.2.7、9.2.8
当支承楼盖、屋盖的下部剪力墙体没有沿全长布置时,在各剪力墙墙肢边缘会出现应力集中,此时需对边界杆件进行验算,以保证足够的承载力。边界杆件一般可以是楼盖、屋盖的边界搁栅,下部剪力墙的顶梁板或者是布置在楼盖、屋盖中的连杆。图23 列出了楼盖、屋盖边界杆件传递剪力的示意图。边界杆件的轴力计算应根据边界杆件设置的具体情况确定。

9.2.9 当楼盖、屋盖边界杆件同时承受轴力和楼盖、屋盖传递的竖向力时,杆件应按压弯或拉弯构件设计。
9.3 墙体
9.3 墙 体
9.3.1 墙骨柱应按两端铰接的受压构件设计,构件在平面外的计算长度应为墙骨柱长度。当墙骨柱两侧布置木基结构板或石膏板等覆面板时,平面内可仅进行强度验算。
条文说明
9.3.1 由于墙骨柱两端与顶梁板和底梁板一般用钉连接,因此可将墙骨柱与顶梁板和底梁板的连接假定为饺接。构件在平面外的计算长度为墙骨柱长度。由于墙骨柱两侧的木基结构板或石膏板等覆面板可阻止构件平面内失稳,因此构件在平面内只需要进行强度验算。
9.3.2 当墙骨柱的轴向压力的初始偏心距为零时,初始偏心距应按0.05倍的构件截面高度确定。
9.3.3 外墙墙骨柱应考虑风荷载效应组合,并应按两端铰接的压弯构件设计。当外墙围护材料采用砖石等较重材料时,应考虑围护材料产生的墙骨柱平面外的地震作用。
9.3.4 轻型木结构的剪力墙应按下列规定进行设计:
1 剪力墙墙肢的高宽比不应大于3.5 。
2 单面采用竖向铺板或水平铺板(图9. 3.4)的轻型木结构剪力墙受剪承载力设计值应按下式计算:
V d =∑f vd k 1 k 2 k 3 l ( 9. 3.4)
式中: f vd ——单面采用木基结构板材作面板的剪力墙的抗剪强度设计值(kN/m),应按本标准附录N的规定取值;
l——平行于荷载方向的剪力墙墙肢长度(m);
k 1 ——木基结构板材含水率调整系数,应按本标准表9.2.4-1的规定取值;
k 2 ——骨架构件材料树种的调整系数,应按本标准表9.2.4-2的规定取值;
k 3 ——强度调整系数;仅用于无横撑水平铺板的剪力墙,应按表9.3.4的规定取值。


3 对于双面铺板的剪力墙,无论两侧是否采用相同材料的木基结构板材,剪力墙的受剪承载力设计值应取墙体两面受剪承载力设计值之和。
条文说明
9.3.4 本条参考《加拿大木结构规范-2010》的相关条文。剪力墙的受剪承载力为洞口间墙肢受剪承载力之和,洞口部分受剪承载力忽略不计。剪力墙墙肢高宽比限制为3.5,这主要是为了保证墙肢的受力和变形以剪切受力和变形为主。当剪力墙墙肢的高宽比增加时,墙肢的结构表现接近于悬臂梁。
9.3.5 剪力墙两侧边界杆件所受的轴向力应按下式计算:
N=M/B 0 (9.3.5)
式中:N——剪力墙边界杆件的拉力或压力设计值(kN);
M——侧向荷载在剪力墙平面内产生的弯矩(kN/m);
B 0 ——剪力墙两侧边界构件的中心距(m)。
9.3.6 剪力墙边界杆件在长度上宜连续。当中间断开时,应采取能够抵抗所承担轴向力的加强连接措施。剪力墙的覆面板不应作为边界杆件的连接板。
9.3.7 当进行抗侧力设计时,剪力墙墙肢应进行抗倾覆验算。墙体与基础应采用金属连接件进行连接。
条文说明
9.3.5、9.3.7 剪力墙平面内的弯矩由剪力墙两端的边界墙骨柱承受。在验算受拉边界构件时,当上拔力大于重力荷载时,应设置抗拔紧固件将上拔力传递到下部结构;在验算受压边界构件时,应考虑上部结构传来的竖向力与平面外荷载的共同作用。
9.3.8 钉连接的单面覆板剪力墙顶部的水平位移应按下式计算:

式中:△——剪力墙顶部位移总和(mm);
V——剪力墙顶部最大剪力设计值(N);
M——剪力墙顶部最大弯矩设计值(N·mm);
H w ——剪力墙高度(mm);
I——剪力墙转换惯性矩( mm 4 );
E——墙体构件弹性模量(N/mm 2 );
L——剪力墙长度(mm);
K w ——剪力墙剪切刚度(N/mm),包括木基结构板剪切变形和钉的滑移变形,应按本标准附录N的规定取值;
d a ——墙体紧固件由剪力和弯矩引起的竖向伸长变形,包括抗拔紧固件的滑移、抗拔紧固件的伸长、连接板压坏等;
θ i ——第i层剪力墙的转角,为该层及以下各层转角的累加。
条文说明
9.3.8 剪力墙的水平位移参考加拿大《木结构设计规范》2014年版的相关计算公式。它是一个近似公式,包括四部分:第一项是由剪力和弯矩导致的位移,第二项是由抗拔紧固件伸长和边界受压构件压缩引起的位移,第三项是由木基结构板材的剪切变形和钉变形引起的位移,第四项是因剪力墙底部转动所引起的位移。抗拔紧固件的伸长变形(da)取决于紧固件的类型,da的取值一般由厂家的技术资料给定。
9.4 轻型木桁架
9.4 轻型木桁架
条文说明
本节内容参照行业标准《轻型木桁架技术规范》JGJ/T 265-2012的相关条文作出规定。其条文说明详见《轻型木桁架技术规范》JGJ/T 265-2012中对应各条说明。
9.4.1 轻型木桁架的设计和构造要求除应符合本标准规定外,尚应符合现行行业标准《轻型木桁架技术规范》JGJ/T 265的相关规定。
9.4.2 桁架静力计算模型应满足下列条件:
1 弦杆应为多跨连续杆件;
2 弦杆在屋脊节点、变坡节点和对接节点处应为铰接节点;
3 弦杆对接节点处用于抗弯时应为刚接节点;
4 腹杆两端节点应为铰接节点;
5 桁架两端与下部结构连接一端应为固定铰支,另一端应为活动铰支。
9.4.3 桁架设计模型中对各类相应节点的计算假定应符合现行行业标准《轻型木桁架技术规范》JGJ/T 265的相关规定。
9.4.4 桁架构件设计时,各杆件的轴力与弯矩值的取值应符合下列规定:
1 杆件的轴力应取杆件两端轴力的平均值;
2 弦杆节间弯矩应取该节间所承受的最大弯矩;
3 对拉弯或压弯杆件,轴力应取杆件两端轴力的平均值,弯矩应取杆件跨中弯矩与两端弯矩中较大者。
9.4.5 验算桁架受压构件的稳定时,其计算长度l 0 应符合下列规定:
1 平面内,应取节点中心间距的0.8倍;
2 平面外,屋架上弦应取上弦与相邻檩条连接点之间的距离,腹杆应取节点中心距离,若下弦受压时,其计算长度应取侧向支撑点之间的距离。
9.4.6 当相同桁架数量大于或等于3榀且桁架之间的间距不大于610mm,并且所有桁架均与楼面板或屋面板有可靠连接时,桁架弦杆的抗弯强度设计值f m 可乘以1.15的共同作用系数。
9.4.7 金属齿板节点设计时,作用于节点上的力应取与该节点相连杆件的杆端内力。
9.4.8 当木桁架端部采用梁式端节点时(图9.4.8),在支座内侧支承点上的下弦杆截面高度不应小于1/2原下弦杆截面高度或100mm两者中的较大值,并应按下列规定验算该端支座节点的承载力:
1 端节点抗弯验算时,用于抗弯验算的弯矩应为支座反力乘以从支座内侧边缘到上弦杆起始点的水平距离L(图9.4.8)。

2 当图9.4.8中投影交点比上、下弦杆轴线交点更接近桁架端部时,端节点应进行抗剪验算。桁架端部下弦规格材的受剪承载力应按下式验算:

式中:b——规格材截面宽度(mm);
f v ——规格材顺纹抗剪强度设计值(N/ mm 2 );
V——梁端支座总反力(N);
n——当由多榀相同尺寸的规格材木桁架形成组合桁架时,n为形成组合桁架的桁架榀数;
h'——下弦杆在投影交点处的截面计算高度(mm)。
3 当桁架端部下弦规格材的受剪承载力不满足公式(9.4.8-1)时,梁端应设置抗剪齿板。抗剪齿板的尺寸应覆盖上下弦杆轴线交点与投影交点之间的距离L',且强度应符合下列规定:
1) 下弦杆轴线上、下方的齿板截面受剪承载力均应能抵抗梁端节点净剪力V 1 ;
2) 沿着下弦杆轴线的齿板截面受剪承载力应能抵抗梁端节点净剪力 V 1 ;
3) 梁端节点净剪力应按下式计算:

式中:L'——上下弦杆轴线交点与投影交点之间的距离(mm)。
9.4.9 对于由多榀桁架组成的组合桁架,作用于组合桁架的荷载应由每榀桁架均匀承担。当多榀桁架之间采用钉连接时,钉的承载力应按下式验算:

式中:N v ——钉连接的受剪承载力设计值(N);
n——组成组合桁架的桁架榀数;
s——钉连接的间距(mm);
n r ——钉列数;
q——作用于组合桁架的均布线荷载(N/mm)。
9.4.10 木屋架与下部结构的连接应符合下列规定:
1 当木桁架不承受上拔作用力时,木屋架与下部结构应采用钉连接,钉的数量不应少于3枚,钉长度不应小于80mm。屋盖端部以及洞口两侧的木桁架宜采用金属连接件连接,间距不应大于2.4m。
2 当木屋架端部承受上拔作用力时,每间隔不大于2.4m的距离,应有一榀木屋架与下部结构之间采用金属抗拔连接件进行连接。
9.5 组合建筑中轻型木结构
9.5 组合建筑中轻型木结构
9.5.1 组合建筑的抗震设计宜采用振型分解反应谱法。当底部结构平均抗侧刚度与上部相邻木结构的平均抗侧刚度之比大于10,且整体结构的基本自振周期不大于上部木结构的基本自振周期的1.1倍时,上部木结构与下部结构可分别采用底部剪力法单独进行抗震计算,并且验算下部结构时应考虑来自上部木结构底部剪力的作用。
条文说明
9.5.1 本条参考了美国《建筑结构最小荷载规范》2010年版(ASCE/SEI 7-10 Minimum Design Loads for Buildings and Other Structures)第12.2.3.2条和同济大学2006年轻型木混合结构(底层混凝土结构和上部2层轻木结构)振动台试验结果。试验结果及理论分析表明,当抗侧刚度之比小于4时,整体结构可采用底部剪力法进行计算。 美国ASCE/SEI 7-10第12.2.3.2条指出:对于下刚上柔的结构,当下部刚度是上部刚度的10倍以上,且上部结构的周期不大于整体结构周期的1.1倍时,上下两部分可以分开独立计算,各部分按相应的条款计算,并考虑上部对下部的作用。同济大学2006年振动台试验结果及理论分析表明,当下部抗侧刚度与上部木结构抗侧刚度比大于8时,上下两部分可分开计算,各自按相应规范进行。 对于下刚上柔的混合结构,除应考虑上部柔性结构对下部刚性结构的作用,尚应考虑下部结构对上部结构的动力放大因素。美国ASCE/SEI 7-10没有考虑这一动力放大因素。这是因为当下部结构的周期远小于上部结构的周期时(在这种情况下,上部结构的周期接近整体结构的周期),下部结构对上部结构的动力放大因素可忽略不计。对于木结构而言,非结构构件对结构周期有很大的影响。考虑到在计算结构周期时设计人员通常只考虑结构构件的刚度,这将导致计算得到的结构周期大于结构的实际周期。考虑到这一因素,当上部结构的周期接近整体结构周期的1.1倍时,可适当考虑下部结构对上部结构加速度放大系数。在这种情况下,建议加速度放大系数取1.2。
9.5.2 采用轻型木屋盖的多层民用建筑,主体结构的地震作用应符合现行国家标准《建筑抗震设计规范》GB 50011的有关规定。木屋盖可作为顶层质点作用在屋架支座处,顶层质点的等效重力荷载可取木屋盖重力荷载代表值与1/2墙体重力荷载代表值之和。其余质点可取重力荷载代表值的85%。作用在轻型木屋盖的水平荷载应按下式确定:

式中:F E 一一轻型木屋盖的水平荷载;
G r ——木屋盖重力荷载代表值;
G eq ——顶层质点的等效重力荷载;
F EK ——顶层水平地震作用标准值。
条文说明
9.5.2 分析表明,对于采用轻型木屋盖的多层民用建筑,屋盖对顶层以下墙体的剪力和位移影响甚小,仅对屋架处的剪力影响较大。由于屋盖抗侧刚度尚没有推荐计算方法,为方便设计,故仍按顶层一个质点的方法进行设计。轻型木屋盖的水平荷载可按公式(9.5.2)计算。
9.5.3 当木屋盖和木楼盖作为混凝土或砌体墙体的侧向支承时(图9.5.3),应采用锚固连接件直接将墙体与木屋盖、楼盖连接。锚固连接件的承载力应根据墙体传递的水平荷载计算,且锚固连接沿墙体方向的承载力不应小于3.0kN/m。

条文说明
9.5.3 本条参考了《加拿大木结构规范-2010》第9.3.5.1条的相关内容。木构件和砌体或混凝土构件之间的连接不应采用斜钉连接。试验表明这种连接方式在横向力的作用下不可靠。
9 .5.4 轻型木结构与砌体结构、钢筋混凝土结构或钢结构等下部结构的连接应采用锚栓连接。锚栓直径不应小于12mm,间距不应大于2.0m,锚栓埋入深度不应小于300mm,地梁板两端各应设置1根锚栓,端距应为100mm~300mm。
9.5.5 当砌体结构、钢筋混凝土结构或钢结构采用轻型木屋盖系统时,宜在其结构的顶部设置木梁板,木屋盖应与木梁板连接。木梁板与砌体结构、钢筋混凝土结构或钢结构的连接应符合本标准第9.5.4条的规定。
9.6 构造要求
9.6 构造要求
9.6.1 墙骨柱应符合下列规定:
1 承重墙的墙骨柱截面尺寸应由计算确定;
2 墙骨柱在层高内应连续,可采用指接连接,但不应采用连接板进行连接;
3 墙骨柱间距不应大于610mm;
4 墙骨柱在墙体转角和交接处应进行加强,转角处的墙骨柱数量不应少于3根(图9.6.1);
5 开孔宽度大于墙骨柱间距的墙体,开孔两侧的墙骨柱应采用双柱,开孔宽度小于或等于墙骨柱间净距并位于墙骨柱之间的墙体,开孔两侧可用单根墙骨柱;
6 墙骨柱的最小截面尺寸和最大间距应符合本标准附录B第B.2节的规定;
7 对于非承重墙体的门洞,当墙体需要考虑耐火极限的要求时,门洞边应至少采用两根截面高度与底梁板宽度相同的规格材进行加强。

条文说明
9.6.1 轻型木结构墙骨柱的竖向荷载承载力与墙骨柱本身截面的高度、墙骨柱之间的间距以及层高有关。竖向荷载作用下的墙骨柱的侧向弯曲和截面宽度与墙骨柱的高度比值有关。如果截面高度方向与墙面垂直,则墙体面板约束了墙骨柱侧向弯曲,同截面高度方向与墙面平行布置的方式相比,承载力大了许多。所以,除了在荷载很小的情况下,例如在阁楼的山墙面,墙骨柱可按截面高度方向与墙面平行的方向放置,否则墙骨柱的截面高度方向必须与墙面垂直。在地下室中,如用墙体代替柱和梁而墙体表面无面板时,应在墙骨柱之间加横撑防止墙骨柱的侧向弯曲。 开孔两侧的双墙骨柱是为了加强开孔边构件传递荷载的能力。
9.6.2 墙体应符合下列规定:
1 墙体底部应有底梁板或地梁板,底梁板或地梁板在支座上突出的尺寸不应大于墙体宽度的1/3,宽度不应小于墙骨柱的截面高度。
2 墙体顶部应有顶梁板,其宽度不应小于墙骨柱截面的高度;承重墙的顶梁板不宜少于两层;非承重墙的顶梁板可为单层。
3 多层顶梁板上、下层的接缝应至少错开一个墙骨柱间距,接缝位置应在墙骨柱上;在墙体转角和交接处,上、下层顶梁板应交错互相搭接;单层顶梁板的接缝应位于墙骨柱上,并宜在接缝处的顶面采用镀锌薄钢带以钉连接。
9.6.3 当承重墙的开洞宽度大于墙骨柱间距时,应在洞顶加设由计算确定的过梁。
9.6.4 当墙面板采用木基结构板作面板,且最大墙骨柱间距为410mm时,板材的最小厚度不应小于9mm;最大墙骨柱间距为610mm时,板材的最小厚度不应小于11mm。
条文说明
9.6.4 如果外墙维护材料直接固定在墙体骨架材料上(或固定在与面板上连接的木筋上),面板采用何种材料对钉的抗拔力影响不大。但是,当维护材料直接固定在面板上时,只有结构胶合板和定向木片板才能提供所需的钉的抗拔力。这时,面板的厚度根据所需维护材料的要求而定。 本条给出的墙面板材是针对根据板材的生产标准生产并适合室外用的结构板材,包括结构胶合板和定向木片板。最小厚度是指板材的名义厚度。
9.6.5 当墙面板采用石膏板作面板,且最大墙骨柱间距为410mm时,板材的最小厚度不应小于9mm;最大墙骨柱间距为610mm时,板材的最小厚度不应小于12mm。
9.6.6 墙面板的设置应符合下列规定:
1 墙面板相邻面板之间的接缝应位于骨架构件上,面板可水平或竖向铺设,面板之间应留有不小于3mm的缝隙。
2 墙面板的尺寸不应小于1.2m×2.4m,在墙面边界或开孔处,可使用宽度不小于300mm的窄板,但不应多于两块;当墙面板的宽度小于300mm时,应加设用于固定墙面板的填块。
3 当墙体两侧均有面板,且每侧面板边缘钉间距小于150mm时,墙体两侧面板的接缝应互相错开一个墙骨柱的间距,不应固定在同一根骨架构件上;当骨架构件的宽度大于65mm时,墙体两侧面板拼缝可固定在同一根构件上,但钉应交错布置。
条文说明
9.6.6 施工时应采用正确的施工方法保证剪力墙能满足设计承载力要求。 当用木基结构板材时,为了适应板材变形,板材之间应留有3mm空隙。板材随着含水率的变化,空隙的宽度会有所变化。 面板上的钉不应过度打入。这是因为钉的过度打入会对剪力墙的承载力和延性有极大的破坏。所以建议钉距板和框架材料边缘至少10mm,以减少框架材料的可能劈裂以及防止钉从板边被拉出。 剪力墙的单位受剪承载力通过板材的足尺试验得到。试验发现,过度使用窄长板材会导致剪力墙和楼、屋盖的受剪承载力降低。所以为了保证最小受剪承载力,窄板的数量应有所限制。 足尺试验还表明,如果剪力墙两侧安装同类型的木基结构板材,墙体的受剪承载力约是墙体只有单面墙板的2倍。为了达到这一承载力,板材接缝应互相错开;当墙体两侧的面板拼缝不能互相错开时,墙骨柱的宽度必须至少为65mm(或用两根截面为40mm宽的构件组合在一起)。
9.6.7 楼盖应采用间距不大于610mm的楼盖搁栅、木基结构板的楼面结构层,以及木基结构板或石膏板铺设的吊顶组成。楼盖搁栅可采用规格材或工程木产品,截面尺寸由计算确定。
条文说明
9.6.7 设计搁栅时,搁栅在均布荷载作用下,受荷面积等于跨度乘以搁栅间距。因为大部分的楼盖体系中,互相平行的搁栅数量大于3根。3根以上互相平行、等间距的构件在荷载作用下,其抗弯强度可以提高。所以在设计楼盖搁栅的抗弯承载力时,可将抗弯强度设计值乘以1.15的调整系数(见本标准第4.3.9条的有关规定)。当按使用极限状态设计楼盖时,则不需考虑构件的共同作用。设计根据结构的变形要求进行。
9.6.8 楼盖搁栅在支座上的搁置长度不应小于40mm。靠近支座部位的搁栅底部宜采用连续木底撑、搁栅横撑或剪刀撑(图9.6.8)。木底撑、搁栅横撑或剪刀撑在搁栅跨度方向的间距不应大于2.1m。当搁栅与木板条或吊顶板直接固定在一起时,搁栅间可不设置支撑。

条文说明
9.6.8 如果搁置长度不够,会导致搁栅或支座的破坏。最小搁置长度的要求也是搁栅与支座钉连接的要求。搁栅底撑、间撑和剪刀撑用来提高楼盖体系抗变形和抗振动能力。如采用其他工程木产品代替规格材搁栅,则构件之间可采用不同的支撑方式。
9.6.9 楼盖开孔的构造应符合下列规定:
1 对于开孔周围与搁栅垂直的封头搁栅,当长度大于1.2m时,封头搁栅应采用两根;当长度超过3.2m时,封头搁栅的尺寸应由计算确定。
2 对于开孔周围与搁栅平行的封边搁栅,当封头搁栅长度超过800mm时,封边搁栅应采用两根;当封头搁栅长度超过2.0m时,封边搁栅的截面尺寸应由计算确定。
3 对于开孔周围的封头搁栅以及被开孔切断的搁栅,当依靠楼盖搁栅支承时,应选用合适的金属搁栅托架或采用正确的钉连接方式。
条文说明
9.6.9 在楼梯开孔周围,被截断的搁栅的端部应支承在封头搁栅上,封头搁栅应支承在楼盖搁栅或封边搁栅上。封头搁栅所承受的荷载值根据所支承的被截断的搁栅数量计算,被截断搁栅的跨度越大,承受的荷载越大。封头搁栅或封边搁栅是否需要采用双层加强或通过计算单独设计,都取决于封头搁栅的跨度。一般来说,开孔时,为降低封头搁栅的跨度,一般将开孔长边布置在平行于搁栅的方向。
9.6.10 支承墙体的楼盖搁栅应符合下列规定:
1 平行于搁栅的非承重墙,应位于搁栅或搁栅间的横撑上,横撑可用截面不小于40mm×90mm的规格材,横撑间距不应大于1.2m;
2 平行于搁栅的承重内墙,不应支承于搁栅上,应支承于梁或墙上;
3 垂直于搁栅或与搁栅相交的角度接近垂直的非承重内墙,其位置可设置在搁栅上任何位置;
4 垂直于搁栅的承重内墙,距搁栅支座不应大于610mm,否则,搁栅尺寸应由计算确定。
条文说明
9.6.10 一般来讲,位于搁栅上的非承重隔墙引起的附加荷载较小,不需要另外增加加强搁栅。但是,当平行于搁栅的隔墙不位于搁栅上时,隔墙的附加荷载可能会引起楼面板变形。在这种情况下,应在隔墙下搁栅间,按1.2m中心间距布置截面40mm×90mm、长度为搁栅净距的填块,填块两端支承在搁栅上,并将隔墙荷载传至搁栅。 对于承重墙,墙下搁栅可能会超出设计承载力。当承重隔墙与搁栅平行时,承重隔墙应由下层承重墙体或梁承载。当承重隔墙与搁栅垂直时,如隔墙仅承担上部阁楼荷载,承重隔墙与支座的距离不应大于900mm。如隔墙承载上部一层楼盖时,承重墙与支座的距离不应大于610mm。
9.6.11 带悬挑的楼盖搁栅,当其截面尺寸为40mm×185mm时,悬挑长度不应大于400mm;其截面尺寸不小于40mm×235mm时,悬挑长度不应大于610mm。未作计算的搁栅悬挑部分不应承受其他荷载。
当悬挑搁栅与主搁栅垂直时,未悬挑部分长度不应小于其悬挑部分长度的6倍,其端部应根据连接构造要求与两根边框梁用钉连接。
9.6.12 楼面板的设置应符合下列规定:
1 楼面板的厚度及允许楼面活荷载的标准值应符合表9.6.12的规定。
2 楼面板的尺寸不应小于1.2m×2.4m,在楼盖边界或开孔处,允许使用宽度不小于300mm的窄板,但不应多于两块;当结构板的宽度小于300mm时,应加设填块固定。
3 铺设木基结构板材时,板材长度方向应与搁栅垂直,宽度方向的接缝应与搁栅平行,并应相互错开不少于两根搁栅的距离。
4 楼面板的接缝应连接在同一搁栅上。

条文说明
9.6.12 本条给出的楼面板材是针对根据板材的生产标准生产的结构板材,包括结构胶合板和定向木片板。最小厚度是指板材的名义厚度。 铺设板材时,应将板的长向与搁栅长度方向垂直。
9.6.13 屋盖可采用由规格材制作的、间距不大于610mm的轻型桁架构成;当跨度较小时,也可直接由屋脊板或屋脊梁、椽条和顶棚搁栅等构成。桁架、椽条和顶棚搁栅的截面应由计算确定,并应有可靠的锚固和支撑。
9.6.14 屋盖系统的椽条或搁栅应符合下列规定:
1 椽条或搁栅沿长度方向应连续,但可用连接板在竖向支座上连接;
2 椽条或搁栅在边支座上的搁置长度不应小于40mm;
3 屋谷和屋脊椽条的截面高度应比其他处椽条的截面高度大50mm;
4 椽条或搁栅在屋脊处可由承重墙或支承长度不小于90mm的屋脊梁支承;椽条的顶端在屋脊两侧应采用连接板或按钉连接的构造要求相互连接;
5 当椽条连杆跨度大于2.4mm时,应在连杆中部加设通长纵向水平系杆,系杆截面尺寸不应小于20mm×90mm(图9.6.14);
6 当椽条连杆的截面尺寸不小于40mm×90mm时,对于屋面坡度大于1:3的屋盖,可将椽条连杆作为椽条的中间支座;
7 当屋面坡度大于1:3,且屋脊两侧的椽条与顶棚搁栅的钉连接符合本标准附录B第B.3.1条的规定时,屋脊板可不设置支座。

9.6.15 当屋面或吊顶开孔大于椽条或搁栅间距离时,开孔周围的构件应按本标准第9.6.9条的规定进行加强。
9.6.16 上人屋顶的屋面板应符合本标准第9.6.12条对楼面板的规定。对于不上人屋顶的屋面板应符合下列的规定:
1 屋面板的厚度及允许屋面荷载的标准值应符合表9.6.16的规定。
2 屋面板的尺寸不应小于1.2m×2.4m,在屋盖边界或开孔处,允许使用宽度不小于300mm的窄板,但不应多于两块;当屋面板的宽度小于300mm时,应加设填块固定。
3 铺设木基结构板材时,板材长度方向应与椽条或木桁架垂直,宽度方向的接缝应与椽条或木桁架平行,并应相互错开不少于两根椽条或木桁架的距离。
4 屋面板接缝应连接在同一椽条或木桁架上,板与板之间应留有不小于3mm的空隙。

9.6.17 轻型木结构构件之间采用钉连接时,钉的直径不应小于2.8mm,并应符合本标准附录B第B.3.3条的规定。楼面板、屋面板及墙面板与轻型木结构构架的钉连接应符合本标准附录B第B.3.2条的规定。
9.6.18 楼盖、屋盖和顶棚构件的开孔或缺口应符合下列规定:
1 搁栅的开孔尺寸不应大于搁栅截面高度的1/4,且距搁栅边缘不应小于50mm;
2 允许在搁栅上开缺口,但缺口应位于搁栅顶面,缺口距支座边缘不应大于搁栅截面高度的1/2,缺口高度不应大于搁栅截面高度的1/3;
3 承重墙墙骨柱截面开孔或开凿缺口后的剩余高度不应小于截面高度的2/3,非承重墙不应小于40mm;
4 墙体顶梁板的开孔或开凿缺口后的剩余宽度不应小于50mm;
5 除设计已有规定外,不应随意在屋架构件上开孔或留缺口。
条文说明
9.6.18 大部分的骨架构件允许在其上开缺口或开孔。对于搁栅和椽条只要缺口和开孔尺寸不超过限定条件,并且位置靠近支座弯矩较小的地方就能保证安全。如果不满足本条的缺口和开孔规定,则开孔构件必须加强。 屋面桁架构件上的缺口和开孔的要求比其他一般骨架构件的要求要高,这主要是因为桁架构件本身的材料截面有效利用率高。单个桁架构件的强度值较高,截面较经济,所以任何截面的削弱将严重破坏桁架构件的承载力。管道和布线应尽量避开构件,安排在阁楼空间或在吊顶内。
9.6.19 梁在支座上的搁置长度不应小于90mm,支座表面应平整,梁与支座应紧密接触。
9.6.20 由多根规格材用钉连接制作成的拼合截面梁(图9.6.20)应符合下列规定:
1 拼合截面梁中单根规格材的对接位置应位于梁的支座处。
2 拼合截面梁为连续梁时,梁中单根规格材的对接位置应位于距支座1/4梁净跨150mm的范围内;相邻的单根规格材不应在同一位置上对接;在同一截面上对接的规格材数量不应超过拼合梁规格材总数的一半;任一根规格材在同一跨内不应有两个或两个以上的接头,并在有接头的相邻一跨内不应再次对接;边跨内不应对接。
3 当拼合截面梁采用40mm宽的规格材组成时,规格材之间应沿梁高采用等分布置的两排钉连接,钉长不应小于90mm,钉的间距不应大于450mm,钉的端距为100mm~150mm。
4 当拼合截面梁采用40mm宽的规格材以螺栓连接时,螺栓直径不应小于12mm,螺栓中距不应大于1.2m,螺栓端距不应大于600mm。

条文说明
9.6.20 承受均布荷载的等跨连续梁,最大弯矩一般出现在支座和跨中,在每跨距支座1/4点附近的弯矩几乎为零,所以接缝位置最好设在每跨的1/4点附近。 同一截面上的接缝数量应有限制以保证梁的连续性。除此之外,单根构件的接缝数量在任何一跨内不能超过一个,这也是为了保证梁的连续性。横向相邻构件的接缝不能出现在同一点。
9.6.21 规格材组成的拼合柱应符合下列规定:
1 当拼合柱采用钉连接时,拼合柱的连接应符合下列规定:
1) 沿柱长度方向的钉间距不应大于单根规格材厚度的6倍,且不应小于20倍钉的直径d,钉的端距应大于15d,且应小于18d;
2) 钉应贯穿拼合柱的所有规格材,且钉入最后一根规格材的深度不应小于规格材厚度的3/4,相邻钉应分别在柱的两侧沿柱长度方向交错打入;
3) 当拼合柱中单根规格材的宽度大于其厚度的3倍时,在宽度方向应至少布置两排钉;
4) 当在柱宽度方向布置两排及两排以上的钉时,钉的行距不应小于10d,且不应大于20d;边距不应小于5d,且不应大于20d;
5) 当拼合柱仅有一排钉时,相邻的钉应错开钉入,当超过两排钉时,相邻列的钉应错开钉入。
2 当拼合柱采用螺栓连接时,拼合柱的连接应符合下列规定:
1) 规格材与螺母之间应采用金属垫片,螺母拧紧后,规格材之间应紧密接触;
2) 沿柱长度方向的螺栓间距不应大于单根规格材厚度的6倍,且不应小于4倍螺栓直径,螺栓的端距应大于7d,且应小于8.5d;
3) 当拼合柱中单根规格材的宽度大于其厚度的3倍时,在宽度方向应至少布置两排螺栓;
4) 当在柱宽度方向布置两排及两排以上的螺栓时,螺栓的行距不应小于1.5d,且不应大于10d,边距不应小于1.5d,且不应大于10d 。
9.6.22 与基础顶面连接的地梁板应采用直径不小于12mm的锚栓与基础锚固,间距不应大于2.0m。锚栓埋入基础深度不应小于300mm,每根地梁板两端应各有一根锚栓,端距应为100mm~300mm。
9.6.23 轻型木结构的墙体应支承在混凝土基础或砌体基础顶面的混凝土圈梁上,混凝土基础或圈梁顶面砂浆应平整,倾斜度不应大于2%。
10 防火设计
10.1 一般规定
10 防火设计
10.1 一般规定
10.1.1 木结构建筑的防火设计和防火构造除应符合本章的规定外,尚应符合现行国家标准《建筑设计防火规范》GB 50016的有关规定。
条文说明
10.1.1 本条规定木结构防火设计的适用范围以及与现行国家标准《建筑设计防火规范》GB 50016之间的关系。对于本章未规定的部分,按《建筑设计防火规范》GB 50016中有关木结构建的规定执行。
10.1.2 本章规定的防火设计方法适用于耐火极限不超过2.00h的构件防火设计。防火设计应采用下列设计表达式:
S k ≤R f (10.1.2)
式中: S k ——火灾发生后验算受损木构件的荷载偶然拼合的效应设计值,永久荷载和可变荷载均应采用标准值;
R f ——按耐火极限燃烧后残余木构件的承载力设计值。
条文说明
10.1.2 本章防火验算的相关规定仅适用于木构件耐火极限不超过2.00h的要求。对于木结构建筑的承重梁、柱和屋顶承重构件的耐火极限通常为1.00h。
10.1.3 残余木构件的承载力设计值计算时,构件材料的强度和弹性模量应采用平均值。材料强度平均值应为材料强度标准值乘以表10.1.3规定的调整系数。

条文说明
10.1.3 考虑到火灾属于偶然设计状况,应采用偶然组合进行设计。根据现行国家标准《建筑结构荷载规范》GB 50009的规定,偶然荷载的代表值不乘以分项系数,而直接采用标准值进行验算。 当荷载直接采用标准值的组合,即在火灾情况下,燃烧后构件承载力的计算相当于采用容许应力法进行计算。参考美国《木结构设计规范》(NDS 2015)以及美国林业及纸业协会出版的第10号技术报告《计算暴露木构件的耐火极限》,在一般情况下,采用容许应力法进行 计算时,构件的允许应力等于材料强度5%的分位值作为标准值,除以调整系数得到。而火灾时,允许应力则采用材料强度的平均值。 平均值与5%分位值的关系为: fm
=f 0.005 /(1-1.645×COV) (20)
为了简化防火验算,本条对木构件采用的材料仅分为目测分级木材、机械分级木材和胶合木三类,根据其变异系数COV,确定了各个强度调整系数见表12。对于胶合木构件材料的变异系数COV的取值根据《美国木结构设计规范》(NDS 2015)。

10.1.4 木构件燃烧t小时后,有效炭化层厚度应按下式计算:
d ef =1.2β n t 0.813 (10.1.4)
式中: d ef ——有效炭化层厚度(mm);
β n ——木材燃烧1. 00h的名义线性炭化速率(mm/h);采用针叶材制作的木构件的名义线性炭化速率为38mm/h;
t——耐火极限(h)。
条文说明
10.1.4 有效炭化层厚度计算公式参考《美国木结构设计规范》(NDS 2015)以及美国林业及纸业协会出版的第10号技术报告《计算暴露木构件的耐火极限》的规定。公式中的名义线形炭化速率βn是一维状态下炭化速率,取38mm/h,该数值与欧洲《木结构设计规范(第2部分)——结构耐火设计》中规定的一维炭化速率的数值(0.65mm/min)相同。名义线形炭化速率βn与效炭化速率βe的相互关系为:
βe=1.2βn/t0.187 式中t为耐火极限(h)。βn是为二维状态下,考虑了构件角部燃烧情况以及炭化速率的非线性。
10.1.5 当验算燃烧后的构件承载能力时,应按本标准第5章的各项相关规定进行验算,并应符合下列规定:
1 验算构件燃烧后的承载能力时,应采用构件燃烧后的剩余截面尺寸;
2 当确定构件强度值需要考虑尺寸调整系数或体积调整系数时,应按构件燃烧前的截面尺寸计算相应调整系数。
10.1.6 构件连接的耐火极限不应低于所连接构件的耐火极限。
10.1.7 三面受火和四面受火的木构件燃烧后剩余截面(图10.1.7)的几何特征应根据构件实际受火面和有效炭化厚度进行计算。单面受火和相邻两面受火的木构件燃烧后剩余截面可按本标准第10.1.4条进行确定。

10.1.8 木结构建筑构件的燃烧性能和耐火极限不应低于表10.1.8的规定。常用木构件的燃烧性能和耐火极限可按本标准附录R的规定确定。

条文说明
10.1.8 “原2003版规范”参考了1999年美国国家防火协会(NFPA)标准220、2000年美国的《国际建筑规范》(IBC)以及1995年《加拿大国家建筑规范》中对于木结构建筑的燃烧性能和耐火极限的有关规定。 在本次修订时,结合现行国家标准《建筑设计防火规范》GB 50016的修订意见和相关条文,以及我国其他有关防火试验标准对于材料燃烧性能和耐火极限的要求而制定的。
10.1.9 木结构采用的建筑材料,其燃烧性能的技术指标应符合现行国家标准《建筑材料及制品燃烧性能分级》GB 8624的规定。
条文说明
10.1.9 我国对建筑材料的燃烧性能有比较严格的要求,各项技术指标都必须符合现行国家标准《建筑材料及制品燃烧性能分级》GB 8624的要求。
10.2 防火构造
10.2 防火构造
10.2.1 轻型木结构建筑中,下列存在密闭空间的部位应采用连续的防火分隔措施:
1 当层高大于3m时,除每层楼、屋盖处的顶梁板或底梁板可作为竖向防火分隔外,应沿墙高每隔3m在墙骨柱之间设置竖向防火分隔;当层高小于或等于3m时,每层楼、屋盖处的顶梁板或底梁板可作为竖向防火分隔。
2 楼盖和屋盖内应设置水平防火分隔,且水平分隔区的长度或宽度不应大于20m,分隔的面积不应大于300m 2 。
3 屋盖、楼盖和吊顶中的水平构件与墙体竖向构件的连接处应设置防火分隔。
4 楼梯上下第一步踏板与楼盖交接处应设置防火分隔。
条文说明
10.2.1 轻型木结构建筑的防火主要是采用构造防火体系来保证结构安全。轻型木结构建筑中存在许多密闭的空间,在这些密闭空间内按要求做好防火构造措施,是轻型木结构建筑预防火灾十分重要的技术措施之一。
10.2.2 轻型木结构设置防火分隔时,防火分隔可采用下列材料制作:
1 截面宽度不小于40mm的规格材;
2 厚度不小于12mm的石膏板;
3 厚度不小于12mm的胶合板或定向木片板;
4 厚度不小于0.4mm的钢板;
5 厚度不小于6mm的无机增强水泥板;
6 其他满足防火要求的材料。
10.2.3 当管道穿越木墙体时,应采用防火封堵材料对接触面和缝隙进行密实封堵;当管道穿越楼盖或屋盖时,应采用不燃性材料对接触面和缝隙进行密实封堵。
条文说明
10.2.3 封堵是木结构建筑防火构造中重要的技术措施,封堵部分的耐火极限不应低于所在部位墙体或楼盖、屋盖的耐火极限。
10.2.4 木结构建筑中的各个构件或空间内需填充吸声、隔热、保温材料时,其材料的燃烧性能不应低于B 1 级。
10.2.5 当采用厚度为50mm以上的锯材或胶合木作为屋面板或楼面板时(图10.2.5a),楼面板或屋面板端部应坐落在支座上,其防火设计和构造应符合下列规定:
1 当屋面板或楼面板采用单舌或双舌企口板连接时(图10.2.5b),屋面板或楼面板可作为仅有底面一面受火的受弯构件进行设计。
2 当屋面板或楼面板采用直边拼接时,屋面板或楼面板可作为两侧部分受火而底面完全受火的受弯构件,可按三面受火构件进行防火设计。此时,两侧部分受火的炭化率应为有效炭化率的1/3。

10.2.6 当木梁与木柱、木梁与木梁采用金属连接件连接时,金属连接件的防火构造可采用下列方法:
1 可将金属连接件嵌入木构件内,固定用的螺栓孔可采用木塞封堵,所有的连接缝可采用防火封堵材料填缝;
2 金属连接件表面采用截面厚度不小于40mm的木材作为表面附加防火保护层;
3 将梁柱连接处包裹在耐火极限为1.00h的墙体中;
4 采用厚度大于15mm的耐火纸面石膏板在梁柱连接处进行分隔保护。
条文说明
10.2.6 木结构建筑中构件与构件之间的连接处是需要采取防火构造的主要部位,对金属连接件采用的防火保护措施有许多不同的方法,本条规定的保护方法并不是唯一可行的方法,设计人员可以在保证构件连接处安全可靠的原则下进行防火构造的设计。
10.2.7 木结构建筑中配电线路的敷设应采用下列防火措施:
1 消防配电线路应采用阻燃和耐火电线、电缆或矿物绝缘电缆;
2 用于重要木结构公共建筑的电源主干线路应采用矿物绝缘线缆;
3 电线、电缆直接明敷时应穿金属管或金属线槽保护;当采用矿物绝缘线缆时可直接明敷;
4 电线、电缆穿越墙体、楼盖或屋盖时,应穿金属套管,并应采用防火封堵材料对其空隙进行封堵。
10.2.8 安装在木构件上的开关、插座及接线盒应符合下列规定:
1 当开关、插座及接线盒有金属套管保护时,应采用金属盒体;
2 当开关、插座及接线盒有矿棉保护时,可采用难燃性盒体;
3 安装在木骨架墙体上时,墙体中相邻两根木骨柱之间的两侧面板上,应仅在其中一侧设置开关、插座及接线盒;当设计需要在墙体中相邻两根木骨柱之间的两侧面板上均设置开关、插座及接线盒时,应采取局部的防火分隔措施。
10.2.9 安装在木结构建筑楼盖、屋盖及吊顶上的照明灯具应采用金属盒体,且应采用不低于所在部位墙体或楼盖、屋盖耐火极限的石膏板对金属盒体进行分隔保护。
10.2.10 当管道内的流体造成管道外壁温度达到120℃及以上时,管道及其包覆材料或内衬以及施工时使用的胶粘剂应为不燃材料;对于外壁温度低于120℃的管道及其包覆材料或内衬,其燃烧性能不应低于B 1 级。
10.2.11 当采用非金属不燃材料制作烟道、烟囱、火炕等采暖或炊事管道时,应符合下列规定:
1 与木构件相邻部位的壁厚不应小于240mm;
2 与木构件之间的净距不应小于100mm;
3 与木构件之间的缝隙应具备良好的通风条件,或可采用70mm的矿棉保护层隔热。
10.2.12 当采用金属材料制作烟道、烟囱、火炕等采暖或炊事管道时,应采用厚度为70mm的矿棉保护层隔热,并应在保护层外部包覆耐火极限不低于1.00h的防火保护。
10.2.13 木结构建筑中放置烹饪炉的平台应为不燃材料,烹饪炉上方750mm以及周围400mm的范围内不应有可燃装饰或可燃装置。
10.2.14 附设在木结构居住建筑内的机动车库应符合下列规定:
1 车库总面积不宜超过60m 2 ;
2 不宜设置与室内相通的窗洞,可仅设置一樘不直通卧室的单扇乙级防火门;
3 车库与室内的隔墙耐火极限不应低于2.00h。
10.2.15 当木结构建筑需要进行防雷设计时,除应满足现行国家标准《建筑防雷设计规范》GB 50057的相关规定外,还应符合下列规定:
1 木结构建筑的防雷等级可根据其重要性、使用性质、发生雷电事故的可能性和后果划分。
2 木结构建筑宜采用装设在屋顶的避雷网或避雷带作为防直击雷的接闪器,突出屋面的所有金属构件均应与防雷装置可靠焊接。
3 引下线宜沿木结构建筑外墙明卡敷设,并应在距室外地面上1.8m处设置断接卡,连接板处应有明显标志。当引下线为墙内暗敷时,应采用绝缘套管进行保护。
4 地面上1.7m以下至地面下0.3m的一段接地线应采用改性塑料管或橡胶管等进行保护。
5 室内电缆、导线与防雷引下线之间的距离不应小于2.0m。
10.2.16 当胶合木构件考虑耐火极限的要求时,其层板组坯除应符合构件强度设计的规定外,还应符合下列防火构造规定:
1 对于耐火极限为1.00h的胶合木构件,当构件为非对称异等组合时,应在受拉边减去一层中间层板,并应增加一层表面抗拉层板。当构件为对称异等组合时,应在上下两边各减去~层中间层板,并应各增加一层表面抗拉层板。构件设计时,强度设计值应按未改变层板组合的情况取值。
2 对于耐火极限为1.50h或2.00h的胶合木构件,当构件为非对称异等组合时,应在受拉边减去两层中间层板,并应增加两层表面抗拉层板。当构件为对称异等组合时,应在上下两边各减去两层中间层板,并应各增加两层表面抗拉层板。构件设计时,强度设计值应按未改变层板组合的情况取值。
条文说明
10.2.16 对于需要考虑耐火极限要求的胶合木结构构件,除了进行构件强度的防火验算外,构件制作时,为了使表面层板完全碳化后还能保持构件的极限承载力,在木层板按相关规范规定的标准组坯进行粘结时,还应按本条规定的防火构造要求增加表面层板的层数。
11 木结构防护
11.1 一般规定
11 木结构防护
11.1 一般规定
11.1.1 木结构建筑应根据当地气候条件、白蚁危害程度及建筑物特征采取有效的防水、防潮和防白蚁措施,保证结构和构件在设计使用年限内正常工作。
条文说明
11.1.1 防水防潮,保持木构件干燥,是最为根本的防腐朽措施,同时也可以有效减少白蚁滋生。在生物危害非常严峻及关键部位,应该积极使用防腐处理木材或天然耐久木材,有效提高局部和个别部件的性能和使用寿命。凡是在重要部位,设计和施工时应积极采用多道防护措施,避免单一防护措施破坏引起不必要的损失。
11.1.2 木结构建筑使用的木材含水率应符合本标准第3.1.12条的规定,应防止木材在运输、存放和施工过程中遭受雨淋和潮气。
11.2 防水防潮
11.2 防水防潮
11.2.1 木结构建筑应有效地利用周围地势、其他建筑物及树木,应减少外围护结构表面的环境暴露程度。
条文说明
11.2.1 建筑围护结构通常包括屋顶、外墙、地基,以及与地面接触的楼板等,暴露于室外环境的门窗、屋顶露台、天窗和阳台也属于建筑围护结构的一部分。影响建筑围护结构性能的水分来源主要有雨水、雪水和地下水,还有室外和室内空气中的水蒸气,以及建造过程中材料自身的水分。研究和实践表明,建筑暴露于风雨的程度越高,遭受水分破坏的可能性越大。建筑所处的地势、周围的建筑物和树木等,都影响建筑物的暴露程度。周围的建筑物越高,对该建筑所提供的保护程度就越大。在非常暴露的高坡上或在大湖边,建筑遭受风雨侵袭的程度就比有遮挡条件下的要高,但这两种情况下暴露于地下水的程度又不一样,要具体情况具体考虑。
11.2.2 木结构建筑应有效利用悬挑结构、雨篷等设施对外墙面和门窗进行保护,宜减少在围护结构上开窗开洞的部位。
条文说明
11.2.2 建筑平、立面过于复杂,围护结构上开洞过多,阳台、门窗等非常暴露,都会增加建筑防水防潮的难度。
11.2.3 木结构建筑应采取有效措施提高整个建筑围护结构的气密性能,应在下列部位的接触面和连接点设置气密层:
1 相邻单元之间;
2 室内空间与车库之间;
3 室内空间与非调温调湿地下室之间;
4 室内空间与架空层之间;
5 室内空间与通风屋顶空间之间。
条文说明
11.2.3 提高围护结构气密性不仅对于防止雨水侵入,防止潮湿水蒸气在维护结构内冷凝作用明显,而且对于减少建筑供暖制冷所需能源,提高隔声性能,改善居住舒适度,都尤为重要。大部分建筑材料,如规格材、胶合板、定向木片板、石膏板及大多数柔性材料都具有较高的气密性,保证建筑维护结构气密性的关键在于保证气密层在不同材料和部件的连接及开洞处的连续性。采用胶带粘接和使用密封条等可以提高接触面和连接点气密性。
11.2.4 在年降雨量高于1000mm的地区,或环境暴露程度很高的木结构建筑,应采用防雨幕墙。在外墙防护板和外墙防水膜之间应设置排水通风空气层,其净厚度宜在10mm以上,有效空隙不应低于排水通风空气层总空隙的70%;空隙开口处应设置连续的防虫网。
条文说明
11.2.4 排水通风空气层可采用在外墙防水膜上铺设厚度不小于10mm、宽度约为40mm的钉板木条,竖向与墙骨柱通常采用钉连接。钉板木条应使用防腐处理木材。
11.2.5 在混凝土地基周围、地下室和架空层内,应采取防止水分和潮气由地面入侵的排水、防水及防潮等有效措施。在木构件和混凝土构件之间应铺设防潮膜。建筑物室内外地坪高差不应小于300mm。当建筑物底层采用木楼盖时,木构件的底部距离室外地坪的高度不应小于300mm 。
11.2.6 木结构建筑屋顶宜采用坡屋顶。屋顶空间宜安装通风孔。采用自然通风时,通风孔总面积应不小于保温吊顶面积的1/300。通风孔应均匀设置,并应采取防止昆虫或雨水进入的措施。
条文说明
11.2.6 避免采用十分复杂的屋面结构,尽量减少屋面的连接和开洞。在必要的连接和开洞处,应提供可靠的保护措施,合理地使用泛水结构,防止雨水渗漏。要确保檐沟、落水管和地面排水系统的畅通。 轻型木结构常采用通风屋顶,即通过在屋檐、山墙、屋脊等处设置通风口来保证屋顶和天花板之间的通风,促进屋顶空间的防水防潮。这种情况下屋顶空间是室外环境,必须在天花板处设置气密层,可以通过铺设石膏板,并在石膏板之间及与其他构件连接处采用密封措施来实现。通常在天花板上铺设保温隔热材料以满足该地区的保温隔热要求。2006 IRC (International Residential Code,《国际民宅规范》)规定通风屋顶自然通风时通风孔总面积不应小于通风空间总面积的1/150;在一定条件下通风开孔要求可以降到1/300。
11.2.7 外墙和非通风屋顶的设计应减少蒸汽内部冷凝,并有效促进潮气散发。在严寒和寒冷地区,外墙和非通风屋顶内侧应具有较低蒸汽渗透率;在夏热冬暖和炎热地区,外侧应具有较低的蒸汽渗透率。
条文说明
11.2.7 非通风屋顶设计类似于外墙设计,屋顶包括气密层。该情况下屋檐、山墙、屋脊等处不设置通风口,屋顶空间是室内环境,与其他室内空间一起进行调温调湿。在北方严寒和寒冷地区,通常可在墙体和屋架龙骨内侧铺设一层0.15mm厚的塑料薄膜隔汽层或具有较低蒸汽渗透率的涂料;不应在外侧(排水通风空气层内侧)使用具有很低蒸汽渗透率的外墙防水膜或保温材料。在夏热冬暖和炎热地区,不应使用蒸汽阻隔材料如聚乙烯薄膜、低蒸汽渗透率涂料、乙烯基或金属膜覆面材料等作为内装饰材料,包括顶棚的内装饰材料。
11.2.8 在门窗洞口、屋面、外墙开洞处、屋顶露台和阳台等部位均应设置防水、防潮和排水的构造措施,应有效地利用泛水材料促进局部排水。泛水板向外倾斜的最终坡度不应低于5%。屋顶露台和阳台的地面最终排水坡度不应小于2%。
11.2.9 木结构的防水防潮措施应按下列规定设置:
1 当桁架和大梁支承在砌体或混凝土上时,桁架和大梁的支座下应设置防潮层;
2 桁架、大梁的支座节点或其他承重木构件不应封闭在墙体或保温层内;
3 支承在砌体或混凝土上的木柱底部应设置垫板,严禁将木柱直接砌入砌体中,或浇筑在混凝土中;
4 在木结构隐蔽部位应设置通风孔洞;
5 无地下室的底层木楼盖应架空,并应采取通风防潮措施。 ( 自2022年1月1日起废止该条,详见新规 《木结构通用规范》 GB55005-2021)
条文说明
11.2.9 本条为强制性条文。木材的腐朽,系受木腐菌侵害所致。在木结构建筑中,木腐菌主要依赖潮湿的环境而得以生存与发展,各地的调查表明,凡是在结构构造上封闭的部位以及易经常受潮的场所,其木构件无不受木腐菌的侵害,严重者甚至会发生木结构坍塌事故。与此相反,若木结构所处的环境通风干燥良好,其木构件的使用年限,即使已逾百年,仍然可保持完好无损的状态。因此,为防止木结构腐朽,首先应采取既经济又有效的构造措施,只有在采取构造措施后仍有可能遭受菌害的结构或部位,才需用防腐剂进行处理。 建筑木结构构造上的防腐措施,主要是通风与防潮。本条的内容便是根据各地工程实践经验总结而成。 这里应指出的是,通过构造上的通风、防潮,使木结构经常保持干燥,在很多情况下能对虫害起到一定的抑制作用,应与药剂配合使用,以取得更好的防虫效果。
11.3 防生物危害
11.3 防生物危害
11.3.1 木结构建筑受生物危害区域应根据白蚁和腐朽的危害程度划分为四个区域等级,各区域等级包括的地区应按表11.3.1的规定确定。

条文说明
11.3.1 木结构建筑受生物危害地区根据危害程度划分为四个区域等级,每一区域包括的地区见表11.3.1。具体区域划分可按国家标准《中国陆地木材腐朽与白蚁危害等级区域划分》GB/T 33041-2016的规定确定。
11.3.2 当木结构建筑施工现场位于白蚁危害区域等级为Z2、Z3和Z4区域内时,木结构建筑的施工应符合下列规定:
1 施工前应对场地周围的树木和土壤进行白蚁检查和灭蚁工作;
2 应清除地基土中已有的白蚁巢穴和潜在的白蚁栖息地;
3 地基开挖时应彻底清除树桩、树根和其他埋在土壤中的木材;
4 所有施工时产生的木模板、废木材、纸质品及其他有机垃圾,应在建造过程中或完工后及时清理干净;
5 所有进入现场的木材、其他林产品、土壤和绿化用树木,均应进行白蚁检疫,施工时不应采用任何受白蚁感染的材料;
6 应按设计要求做好防治白蚁的其他各项措施。
11.3.3 当木结构建筑位于白蚁危害区域等级为Z3和Z4区域内时,木结构建筑的防白蚁设计应符合下列规定:
1 直接与土壤接触的基础和外墙,应采用混凝土或砖石结构;基础和外墙中出现的缝隙宽度不应大于0. 3mm;
2 当无地下室时,底层地面应采用混凝土结构,并宜采用整浇的混凝土地面;
3 由地下通往室内的设备电缆缝隙、管道孔缝隙、基础顶面与底层混凝土地坪之间的接缝,应采用防白蚁物理屏障或土壤化学屏障进行局部处理;
4 外墙的排水通风空气层开口处应设置连续的防虫网,防虫网隔栅孔径应小于1mm;
5 地基的外排水层或外保温绝热层不宜高出室外地坪,否则应作局部防白蚁处理。
11.3.4 在白蚁危害区域等级为Z3和Z4的地区,应采用防白蚁土壤化学处理和白蚁诱饵系统等防虫措施。土壤化学处理和白蚁诱饵系统应使用对人体和环境无害的药剂。
11.4 防腐
11.4 防 腐
11.4.1 木结构建筑采用的防腐、防虫构造措施应在设计图纸中作出规定。
11.4.2 所有在室外使用,或与土壤直接接触的木构件,应采用防腐木材。在不直接接触土壤的情况下,可采用其他耐久木材或耐久木制品。
11.4.3 当木构件与混凝土或砖石砌体直接接触时,木构件应采用防腐木材。
11.4.4 当承重结构使用马尾松、云南松、湿地松、桦木,并位于易腐朽或易遭虫害的地方时,应采用防腐木材。
11.4.5 在白蚁危害区域等级为Z4的地区,木结构建筑宜采用具有防白蚁功能的防腐处理木材。
条文说明
11.4.2~11.4.5 这些情况下,虽然在构造上采取了通风防潮的措施,但仍需采用经药剂处理的木构件或结构部位。但是,应选用哪种药剂以及如何处理才能达到防护的要求,应符合现行国家标准《木结构工程施工质量验收规范》GB 50206的规定。防腐木材应包括防腐实木、防腐胶合木、防腐木质人造板、防腐正交胶合木以及其他的防腐工程木产品。
11.4.6 木构件的机械加工应在防腐防虫药剂处理前进行。木构件经防腐防虫处理后,应避免重新切割或钻孔。由于技术上的原因,确有必要作局部修整时,应对木材暴露的表面,涂刷足够的同品牌或同品种药剂。
11.4.7 当金属连接件、齿板及螺钉与含铜防腐剂处理的木材接触时,金属连接件、齿板及螺钉应避免防腐剂引起的腐蚀,并应采用热浸镀锌或不锈钢产品。
11.4.8 防腐防虫药剂配方及技术指标应符合现行国家标准《木材防腐剂》GB/T 27654的相关规定。在任何情况下,均不应使用未经鉴定合格的药剂。防腐木材的使用分类和要求应满足现行国家标准《防腐木材的使用分类和要求》GB/T 27651的相关规定。
11.4.9 木结构的防腐、防虫采用药剂加压处理时,该药剂在木材中的保持量和透入度应达到设计文件规定的要求。设计未作规定时,则应符合现行国家标准《木结构工程施工质量验收规范》GB 50206的相关规定。
条文说明
11.4.6~11.4.9 根据木结构防腐防虫工程的实践经验编制。为了保证工程的安全和质量,应严格执行这些条文中规定的程序与技术要求。
附录A承重结构木材材质标准
A.1方木原木结构用木材材质标准
附录A 承重结构木材材质标准
A.1 方木原木结构用木材材质标准
A.1.1 现场目测分级方木的材质标准应符合表A.1.1的规定。


A.1.2 现场目测分级原木的材质标准应符合表A.1.2的规定。

A.1.3 现场目测分级板材的材质标准应符合表A.1.3的规定。

A.1.4 采用工厂目测分级的方木用于梁或柱时,其材质标准应符合表A.1.4-1或表A.1.4-2的规定。


A.2普通胶合木层板材质标准
A.2 普通胶合木层板材质标准
A.2.1 普通胶合木层板材质等级标准应符合表A.2.1 的规定。

A.3轻型木结构用规格材材质标准
A.3 轻型木结构用规格材材质标准
A.3.1 轻型木结构用规格材材质标准应符合表A.3.1 的规定。


附录B轻型木结构的有关要求
B.1规格材的截面尺寸
附录B 轻型木结构的有关要求
B.1 规格材的截面尺寸
B.1.1 轻型木结构用规格材截面尺寸应符合表B.1.1的规定。

B.1.2 轻型木结构用速生树种规格材截面尺寸应符合表B.1.2的规定。

B.2墙骨柱最小截面尺寸和最大间距
B.2 墙骨柱最小截面尺寸和最大间距
B.2.1 轻型木结构墙骨柱的最小截面尺寸和最大间距(图B.2.1)应符合表B.2.1的规定。


B.3构件之间的钉连接要求
B.3 构件之间的钉连接要求
B.3.1 轻型木结构屋面橡条与顶棚搁栅的钉连接应符合表B.3.1的规定。

B.3.2 轻型木结构墙面板、楼面板和屋面板与支承构件的钉连接应符合表B.3.2的规定。

B.3.3 轻型木结构构件之间的钉连接应符合表B.3.3的规定。

附录C木结构检查与维护要求
附录C 木结构检查与维护要求
C.0.1 木结构工程在交付使用前应进行一次全面的检查,应着重检查下列各项:
1 构件支座节点和构件连接节点均应逐个检查,凡是松动的螺栓均应拧紧;
2 跨度较大的梁和桁架的起拱位置和高度是否与设计相符;
3 全部圆钢拉杆和螺栓应逐个检查,凡松动的螺栓应拧紧,并应检查丝扣部分是否正常,螺纹净面积有无过度削弱的情况,是否有防锈措施等。
C.0.2 在工程交付使用后的两年内,业主或物业管理部门应根据当地雪季、雨季和风季前后的气候特点每年安排一次常规检查。两年以后的检查,可视具体情况予以安排,但进行常规检查的时间间隔不应大于5年。
C.0.3 常规检查的项目应着重检查下列各项:
1 木屋架支座节点是否受潮、腐蚀或被虫蛀;天沟和天窗是否漏水或排水不畅;木屋架下弦接头处是否有拉开现象,夹板的螺孔附近是否有裂缝。
2 木屋架是否明显的下垂或倾斜;拉杆是否锈蚀,螺帽是否松动,垫板是否变形。
3 构件支座和连接等部位木材是否有受潮或腐朽迹象。
4 构件之间连接节点是否松动。当采用金属连接件时,固定用的螺帽是否松动,金属件是否有化学性侵蚀迹象。
5 轻型木桁架的齿板表面是否有严重的腐蚀,齿板是否松动和脱落。
6 对于暴露在室外或者经常位于在潮湿环境中的木构件,构件是否有严重的开裂和腐朽迹象。
7 木构件之间或木构件与建筑物其他构件之间的连接处,应检查隐藏面是否出现潮湿或腐朽。
C.0.4 当发现有可能危及木结构安全的情况时,应及时进行维护或加固。
C.0.5 构件需进行结构性破坏的维修时,应经过专门设计才能进行。
C.0.6 业主或物业管理部门宜对木结构建筑建立检查和维护的技术档案。对于木结构公共建筑和工业建筑应建立健全检查和维护的技术档案。
附录D进口的结构用材强度设计值和弹性模量
D.1进口北美地区目测分级方木的强度指标
附录D 进口的结构用材强度设计值和弹性模量
D.1 进口北美地区目测分级方木的强度指标
D.1.1 进口北美地区目测分级方木的强度设计值和弹性模量应按表D.1.1的规定取值。

D.1.2 进口北美地区目测分级方木用于梁时,其强度设计值和弹性模量的尺寸调整系数k应按表D.1.2的规定采用。

注:表中h为方木宽面尺寸。
D.1.3 进口北美地区目测分级方木的材质等级与本标准的目测分级方木材质等级的对应关系可按表D.1.3的规定采用。

D.2进口北美地区规格材的强度设计值和弹性模量
D.2 进口北美地区规格材的强度设计值和弹性模量
D.2.1 进口北美地区目测分级规格材的强度设计值和弹性模量应按表D.2.1的规定取值,并应乘以本标准表4.3.9-3规定的尺寸调整系数。

D.2.2 进口北美地区机械分级规格材的强度设计值和弹性模量应按表D.2.2的规定取值。

D.2.3 进口北美地区目测分级规格材材质等级与本标准目测分级规格材材质等级对应关系应按表D.2.3的规定采用。

D.3进口结构材的强度设计值和弹性模量
D.3 进口结构材的强度设计值和弹性模量
D.3.1 进口欧洲地区结构材的强度设计值和弹性模量应按表D.3.1的规定取值。当符合本标准第D.3.2条的规定时,相关的强度设计值应乘以尺寸调整系数 k h 。

D.3.2 当采用进口欧洲地区结构材,且构件受弯截面的高度尺寸和受拉截面的宽边尺寸小于150mm时,结构材的抗弯强度和抗拉强度应乘以尺寸调整系数k h 。尺寸调整系数k h 应按下列公式确定:

D.3.3 进口新西兰结构材的强度设计值和弹性模量应按表D.3.3的规定取值。

附录E承重结构用材的强度标准值和弹性模量标准值
E.1国产树种规格材的强度标准值和弹性模量标准值
附录E 承重结构用材的强度标准值和弹性模量标准值
E.1 国产树种规格材的强度标准值和弹性模量标准值
E.1.1 已经确定的国产树种目测分级规格材的强度标准值和弹性模量标准值应按表E.1.1 的规定取值,并应乘以本标准表4.3.9-3规定的尺寸调整系数。

E.2胶合木的强度标准值和弹性模量标准值
E.2 胶合木的强度标准值和弹性模量标准值
E.2.1 胶合木的强度标准值和弹性模量标准值应按下列规定取值:
1 对称异等组合胶合木强度标准值和弹性模量标准值应按表E.2.1-1的规定取值;

2 非对称异等组合胶合木强度标准值和弹性模量标准值应按表E.2.1-2的规定取值;

3 同等组合胶合木的强度标准值和弹性模量应按表E.2.1-3的规定取值。

E.3进口北美地区目测分级方木的强度标准值和弹性模量标准值
E.3 进口北美地区目测分级方木的强度标准值和弹性模量标准值
E.3.1 进口北美地区目测分级方木强度标准值和弹性模量标准值应按表E.3.1的规定取值。

E.4进口北美地区规格材的强度标准值和弹性模量标准值
E.4 进口北美地区规格材的强度标准值和弹性模量标准值
E.4.1 进口北美地区目测分级规格材强度标准值和弹性模量标准值应按表E.4.1的规定取值,并应乘以本标准表4.3.9-3规定的尺寸调整系数。

E.4.2 进口北美地区机械分级规格材的强度标准值和弹性模量标准值应按表E.4.2的规定取值。

E.5进口结构材强度标准值和弹性模量标准值
E.5 进口结构材强度标准值和弹性模量标准值
E.5.1 进口欧洲地区结构材强度标准值和弹性模量标准值应按表E.5.1的规定取值。当符合本标准第D.3.2 条的规定时,相关的强度标准值应乘以尺寸调整系数k h 。

E.5.2 进口新西兰结构材的强度标准值和弹性模量标准值应按表E.5.2的规定取值。

E.6防火设计时方木原木材料强度标准值和弹性模量
E.6 防火设计时方木原木材料强度标准值和弹性模量
E.6.1 防火设计时,方木原木的强度标准值和弹性模量应按表E.6.1 的规定取值。

附录F工厂生产的结构材强度指标确定方法
附录F 工厂生产的结构材强度指标确定方法
F.0.1 本附录适用于尚未列入本标准强度设计指标,并由工厂规模化生产的结构材强度标准值和强度设计指标的确定。
F.0.2 工厂规模化生产的结构材应包括下列木材产品:
1 结构复合材
1)旋切板胶合木(LVL);
2)平行木片胶合木(PSL);
3)层叠木片胶合木(LSL);
4)定向木片胶合木(OSL);
5)其他类似特征的复合木产品;
2 国产树种的目测分级或机械分级规格材;
3 工字形木搁栅。
F.0.3 结构材的生产厂家应建立生产该产品的质量保证体系,应获得第三方质量鉴定机构的认证通过,并接受其对生产过程的监控。
F.0.4 结构材的每一种产品应按国家现行相关标准规定的试验方法进行测试,确定其抗弯强度、弹性模量、顺纹抗拉强度、顺纹抗压强度、横纹抗压强度和抗剪强度等的标准值f k 和设计值f。
F.0.5 当对结构材进行强度参数的测试时,试件应具有足够的代表性,各种影响构件承载能力的因素均应单独进行试验。
F.0.6 对于生产结构材的每个工厂,可根据各自的生产能力和产品需求,确定某一因素或某些因素的测试,试件数量不应少于10个。应根据测试结果计算该批次结构材产品有条件限定的强度标准值,并在一定时间范围进行累计评估。
F.0.7 每个因素的强度标准值应按下式确定:
f k =m-kS (F.0.7)
式中: f ck ——强度标准值;
m——试件强度的平均值;
S——试件强度的标准差;
k——特征系数,按本附录第F.0.8条确定。
F.0.8 特征系数k应根据75%置信水平、5%分位值和试件数量n,按表F.0.8的规定取值。

F.0.9 结构材强度设计值应根据其强度的标准值和变异系数,按木结构专门的可靠度分析方法进行确定。
F.0.10 弹性模量应取试件的弹性模量平均值。
F.0.11 当进口的结构材符合本附录相关规定时,其提供的强度标准值和变异系数亦可等同使用。
附录G正交胶合木强度设计指标和计算要求
附录G 正交胶合木强度设计指标和计算要求
G.0.1 正交胶合木的强度设计值应根据外侧层板采用的树种和强度等级,按本标准第4章和附录D中规定的木材强度设计值选用。其中,正交胶合木的抗弯强度设计值还应乘以组合系数k c 。组合系数k c 应按下式计算,且不应大于1.2。
k c =1+0.025n (G.0.1)
式中:n——最外侧层板并排配置的层板数量。
G.0.2 正交胶合木构件的应力和有效刚度应基于平面假设和各层板的刚度进行计算。计算时应只考虑顺纹方向的层板参与计算。
G.0.3 正交胶合木构件的有效抗弯刚度(EI)应按下列公式计算:

式中:E i ——参加计算的第i层顺纹层板的弹性模量(N/ mm 2 );
I i ——参加计算的第i层顺纹层板的截面惯性矩(mm 4 );
A i ——参加计算的第i层顺纹层板的截面面积(mm 2 );
b——构件的截面宽度(mm);
t i ——参加计算的第i层顺纹层板的截面高度(mm);
n i ——参加计算的顺纹层板的层数;
e i ——参加计算的第i层顺纹层板的重心至截面重心的距离(图G.0.3)。

G.0.4 当正交胶合木受弯构件的跨度大于构件截面高度h的10倍时,构件的受弯承载能力应按下式验算:

式中:E l ——最外侧顺纹层板的弹性模量(N/ mm 2 );
f m ——最外侧层板的平置抗弯强度设计值(N/ mm 2 );
M——受弯构件弯矩设计值(N·mm);
(EI)——构件的有效抗弯刚度(N· mm 2 );
h——构件的截面高度(mm)。
G.0.5 正交胶合木受弯构件应按下列公式验算构件的滚剪承载能力(图G.0.5):

式中:V——受弯构件剪力设计值(N);
b——构件的截面宽度(mm);
n l ——参加计算的顺纹层板层数;
E 0 ——构件的有效弹性模量(N/ mm 2 );
f r ——构件的滚剪强度设计值(N/ mm 2 ),按本标准附录第G.0.6条规定取值;
A——参加计算的各层顺纹层板的截面总面积( mm 2 );
n l /2——表示仅计算构件截面对称轴以上部分或对称轴以下部分。

G.0.6 正交胶合木受弯构件的滚剪强度设计值应按下列规定取值:
1 当构件施加的胶合压力不小于0.3MPa,构件截面宽度不小于4倍高度,并且层板上无开槽时,滚剪强度设计值应取最外侧层板的顺纹抗剪强度设计值的0.38倍;
2 当不满足本条第1款的规定,且构件施加的胶合压力大于0.07MPa时,滚剪强度设计值应取最外侧层板的顺纹抗剪强度设计值的0.22倍。
G.0.7 承受均布荷载的正交胶合木受弯构件的挠度应按下式计算:

式中:q——受弯构件单位面积上承受的均布荷载设计值(N/ mm 2 );
b——构件的截面宽度(mm);
l——受弯构件计算跨度;
(EI)——构件的有效抗弯刚度(N· mm 2 )。
附录H本标准采用的木材名称及常用树种木材主要特性
H.1本标准采用的木材名称
附录H 本标准采用的木材名称及常用树种木材主要特性
H.1 本标准采用的木材名称
H.1.1 经归类的木材名称应按下列规定采用:
1 中国木材:
1) 东北落叶松包括兴安落叶松和黄花落叶松(长白落叶松)二种;
2) 铁杉包括铁杉、云南铁杉及丽江铁杉;
3) 西南云杉包括麦吊云杉、油麦吊云杉、巴秦云杉及产于四川西部的紫果云杉和云杉;
4) 西北云杉包括产于甘肃、青海的紫果云杉和云杉;
5) 红松包括红松、华山松、广东松、台湾及海南五针松;
6) 冷杉包括各地区产的冷杉属木材,有苍山冷杉、冷杉、岷江冷杉、杉松冷杉、臭冷杉、长苞冷杉等;
7) 栎木包括麻栎、槲栎、柞木、小叶栎、辽东栎、抱栎、栓皮栎等;
8) 青冈包括青冈、小叶青冈、竹叶青冈、细叶青冈、盘克青冈、滇青冈、福建青冈、黄青冈等;
9) 椆木包括柄果椆、包椆、石栎、茸毛椆(猪栎)等;
10) 锥栗包括红锥、米储、苦储、罗浮锥、大叶锥(钩粟)、栲树、南岭锥、高山锥、吊成锥、甜储等;
11) 桦木包括白桦、硕桦、西南桦、红桦、棘皮桦等。
2 进口木材:
1) 花旗松-落叶松类包括北美黄杉、粗皮落叶松;
2) 铁-冷杉类包括加州红冷杉、巨冷杉、大冷杉、太平洋银冷杉、西部铁杉、白冷杉等;
3) 铁-冷杉类(加拿大)包括太平洋冷杉、西部铁杉;
4) 南方松类包括火炬松、长叶松、短叶松、湿地松;
5) 云杉-松-冷杉类包括落基山冷杉、香脂冷杉、黑云杉,北美山地云杉、北美短叶松、扭叶松、红果云杉、白云杉;
6) 俄罗斯落叶松包括西伯利亚落叶松和兴安落叶松。
H.2主要国产木材识别要点及其基本特性和主要加工性能
H.2 主要国产木材识别要点及其基本特性和主要加工性能
H.2.1 国产针叶树材识别要点及其基本特性和主要加工性能宜符合表H.2.1的规定。

注:本表参考《中国主要木材名称》GB/T 16734-1997 。
H.2.2 国产阔叶树材识别要点及其基本特性和主要加工性能宜符合表H.2.2的规定。

注:本表参考《中国主要木材名称》GB/T 16734-1997 。
附录J主要进口木材识别要点及其基本特性和主要加工性能
附录J 主要进口木材识别要点及其基本特性和主要加工性能
J.0.1 进口针叶树材识别要点及其基本特性和主要加工性能宜符合表J.0.1的规定。

注:本表参考《中国主要进口木材名称》GB/T 18513-2001。
J.0.2 进口阔叶树材识别要点及其基本特性和主要加工性能宜符合表J.0.2的规定。

注:本表参考《中国主要进口木材名称》GB/T 18513-2001。
附录K构件中紧固件数量的确定与常用紧固件群栓组合系数
K.1构件中紧固件数量的确定
附录K 构件中紧固件数量的确定与常用紧固件群栓组合系数
K.1 构件中紧固件数量的确定
K.1.1 当两个或两个以上承受单剪或多剪的销轴类紧固件,沿荷载方向直线布置时,紧固件可视作一行。
K.1.2 当相邻两行上的紧固件交错布置时,每一行中紧固件的数量按下列规定确定:
1 紧固件交错布置的行距a小于相邻行中沿长度方向上两交错紧固件间最小间距b的1/4时,即b>4a时,相邻行按一行计算紧固件数量(图K.1.2a、图K.1.2b、图K.1.2e);

2 当b≤4a时,相邻行分为两行计算紧固件数量(图K.1.2c、图K.1.2d、图K.1.2f);
3 当紧固件的行数为偶数时,本条第1款规定适用于任何一行紧固件的数量计算(图K.1.2b、图K.1.2d);当行数为奇数时,分别对各行的 k g 进行确定(图K.1.2e 、图K.1.2f) 。
K.1.3 计算主构件截面面积A m 和侧构件截面面积A s 时,应采用毛截面的面积。当荷载沿横纹方向作用在构件上时,其等效截面面积等于构件的厚度与紧固件群外包宽度的乘积。紧固件群外包宽度应取两边缘紧固件之间中心线的距离(图K.1.3) 。当仅有一行紧固件时,该行紧固件的宽度等于顺纹方向紧固件间距要求的最小值。

K.2常用紧固件群栓组合系数
K.2 常用紧固件群栓组合系数
K.2.1 当销类连接件直径小于25mm, 并且螺栓、销、六角头木螺钉排成一行时,各单根紧固件的承载力设计值应乘以紧固件群栓组合系数 k g 。
K.2.2 当销类连接件符合下列条件时,群栓组合系数 k g 可取1.0:
1 直径D小于6.5mm时;
2 仅有一个紧固件时;
3 两个或两个以上的紧固件沿顺纹方向仅排成一行时;
4 两行或两行以上的紧固件,每行紧固件分别采用单独的连接板连接时。
K.2.3 在构件连接中,当侧面构件为木材时,常用紧固件的群栓组合系数 k g 应符合表K.2.3的规定。

K.2.4 在构件连接中,当侧面构件为钢材时,常用紧固件的群栓组合系数k g 应符合表K.2.4的规定。

附录L常用树种木材的全干相对密度
附录L 常用树种木材的全干相对密度
L.0.1 常用树种木材的全干相对密度可按表L.0.1 的规定确定。

附录M齿板强度设计值的确定
附录M 齿板强度设计值的确定
条文说明
国际上,由于金属齿板带有专利产品的性质,在标准规范中一般都没有给出金属齿板具体的强度设计值。当采用某一型号的齿板时,由生产商提供具体的强度设计值。为了满足我国木结构工程设计的需要,本标准编制组在修订过程中组织专家对进口齿板强度设计值进行了研究,规定了金属齿板按试验进行各种强度设计值的确定。 进口齿板中,符合本标准规定的金属齿板可按表13选用。 
M.0.1 当由试验确定板齿和齿板强度设计值时,应按现行国家标准《木结构试验方法标准》GB/T 50329 规定的方法进行试验,并应符合下列规定:
1 确定板齿的极限承载力和抗滑移承载力时,每一种试验方法应各取10个试件;
2 确定齿板的受拉极限承载力和受剪极限承载力时,每一种试验方法应各取3个试件;
3 由试验确定的板齿和齿板的极限承载力应按现行国家标准《木结构试验方法标准》GB/T 50329规定的修正系数进行校正。
M.0.2 板齿强度设计值的确定应符合下列规定:
1 荷载平行于齿板主轴(β=0°)时,板齿强度设计值按下式计算:

2 荷载垂直于齿板主轴(β=90°)时,板齿强度设计值按下式计算:

式中: n r,u1 、n r,u2 、n′ r,u1 和n′ r,u2 ——分别为按本标准第M.0.1条确定的10个与夹角α、β相关的板齿极限强度试验值中的3个最小值的平均值除以极限强度调整系数k。
3 确定n r,u1 、n r,u2 、n′ r,u1 和n′ r,u2 时,对应的夹角β与α取值应符合表M.0.2-1的规定。

4 极限强度调整系数k应符合表M.0.2-2的规定。

5 当齿板主轴与荷载方向夹角β不等于“0°”或“90°”时,板齿强度设计值应在 n r 与n′ r 间用线性插值法确定。
M.0.3 板齿抗滑移强度设计值的确定应符合下列规定:
1 荷载平行于齿板主轴(β=0°)时,板齿抗滑移强度设计值按下式计算:

2 荷载平行于齿板主轴(β=90°)时,板齿强度设计值按下式计算:

式中: n s,u1 、n s,u2 、n′ s,u1 和n′ s,u2 ——分别为按本标准第M.0.1条确定的10个与夹角α 、β相关的板齿极限强度试验值中的3个最小值的平均值除以系数k s 。
3 确定 n s,u1 、n s,u2 、n′ s,u1 和n′ s,u2 时,对应的夹角β与α取值应符合表M.0.3的规定。

4 对含水率小于或等于15%的规格材,k s 应为1.40, 对含水率大于15%且小于19%的规格材, k s 应为1.75。
5 当齿板主轴与荷载方向夹角β不等于“0°”或“90°”时,板齿抗滑移强度设计值应在 n s 与n′ s 间用线性插值法确定。
M.0.4 齿板抗拉强度设计值的确定应分别按本标准第M.0.1条确定的3个齿板抗拉极限强度校正试验值中2个最小值的平均值除以1.75选取。
M.0.5 齿板抗剪强度设计值的确定应分别按本标准第M.0.1条确定的3个齿板抗剪极限强度校正试验值中2个最小值的平均值除以1.75选取。若齿板主轴与荷载方向夹角β与试验方法的规定不同时,齿板抗剪强度设计值应按线性插值法确定。
附录N木基结构板的剪力墙抗剪强度设计值
附录N 木基结构板的剪力墙抗剪强度设计值
N.0.1 单面采用木基结构板材的木框架剪力墙结构的剪力墙抗剪强度设计值和抗剪刚度应按表N.0.1的规定取值。

条文说明
N.0.1 木框架剪力墙结构中的剪力墙与轻型木结构的剪力墙在构成要素、构造上均有较大差异。木框架剪力墙结构中的剪力墙的抗剪强度设计值的确定方法有通过实验确定和结构计算两种方法。在木结构住宅主要采用木框架剪力墙结构的日本,一般是通过实验确定剪力墙的抗剪强度设计值。日本的剪力墙抗剪强度设计值的正确性,获得了1995年兵库县南部地震等数次巨大地震和足尺大住宅的众多振动台实验的验证。本条表N.0.1规定的木框架剪力墙抗剪强度设计值基本是基于结构计算确定的数值,其中数种剪力墙的确定值通过实验进行了验证。木框架剪力墙结构中的剪力墙有下列几点说明:
1 剪力墙结构部分虽然可使用多种树种的木材,但本条采用了强度等级为TC11B的(如日本柳杉)构件所制作的剪力墙抗剪强度设计值作为标准设计值。换言之,即使构成剪力墙的部分或全部构件使用强度等级较高的木材,虽然该剪力墙的抗剪强度有所提高,但从结构安全方面考虑,不再提高该剪力墙的抗剪强度设计值,仍然以表中规定的标准设计值进行设计。
2 剪力墙的抗剪强度设计值以隐柱墙构造形式剪力墙的荷载变形曲线中的屈服应力、弹性变形时的应力、最大应力、具有一定吸能性的荷载中的最小值确定,该荷载变形关系通过实验和理论解析的组合运用求出。并且,对计算确定的原数值综合考虑了施工精度和耐久性的影响,采用了乘以降低系数0.85的安全调整。
3 根据实验和理论解析,隐柱墙的抗剪强度几乎不受墙体高度和长度的变化影响,但是,明柱墙的抗剪强度随墙体高度和长度的变化而有所变化。从结构安全方面考虑,并使设计简单化,本标准对于明柱墙的抗剪强度设计值,仍然采用隐柱墙的抗剪强度设计值。
4 本条规定的木框架剪力墙的抗剪强度设计值是针对日本JAS标准规定的结构用胶合板(其性能与国外的结构用胶合板基本相同)为面材的剪力墙确定的。
5 对于本条表中规定的构造形式以外的剪力墙,其抗剪强度设计值,可以根据使用面板材料的耐水性、强度以及剪力墙的实验和理论解析确定。
N.0.2 单面采用木基结构板材的轻型木结构剪力墙的抗剪强度设计值和抗剪刚度应按表N.0.2的规定取值。

附录P木基结构板的楼盖、屋盖抗剪强度设计值
附录P 木基结构板的楼盖、屋盖抗剪强度设计值
P.0.1 采用木基结构板材的木框架剪力墙结构楼盖抗剪强度设计值应根据楼盖的构造类型(图P.0.1), 按表P.0.1 的规定取值。


P.0.2 采用木基结构板材的木框架剪力墙结构屋盖抗剪强度设计值应根据屋盖的构造类型(图P.0.2), 按表P.0.2 的规定取值。


条文说明
P.0.1、P.0.2 木框架剪力墙结构中,楼盖、屋盖抗剪强度设计值的确定方法与附录N中第N.0.1条木框架剪力墙抗剪强度设计值确定方法相同。由于屋盖的构成形式较多,其中部分形式的屋盖是通过实验确定的。
P.0.3 采用木基结构板材的轻型木结构楼盖、屋盖抗剪强度设计值应根据表P.0.3-1规定的楼盖、屋盖构造类型,按表P.0.3-2的规定取值。


附录Q楼盖搁栅振动控制的计算方法
附录Q 楼盖搁栅振动控制的计算方法
Q.0.1 当楼盖搁栅(图Q.0.1)由振动控制时,搁栅的跨度l 应按下列公式验算:

无楼板面层的楼板时,

有板面层的楼板时,

式中:l——振动控制的搁栅跨度(m);
b——搁栅间距(m);
h j ——搁栅高度(m);
h s ——楼板厚度(m);
h t ——楼板面层厚度(m);
E j A j ——搁栅轴向刚度(N);
E s∥ A s ——平行于搁栅的楼板轴向刚度(N/m),按表Q.0.1-1的规定取值;
E s⊥ A s ——垂直于搁栅的楼板轴向刚度(N/m),按表Q.0.1-1的规定取值;
E t A t ——楼板面层轴向刚度(N/m),按表Q.0.1-2的规定取值;
E j I j ——搁栅弯曲刚度(N·m 2 /m);
E s∥ I s ——平行于搁栅的楼板弯曲刚度(N·m 2 /m),按表Q.0.1-1的规定取值;
E s⊥ I s ——垂直于搁栅的楼板弯曲刚度(N·m 2 /m),按表Q.0.1-1的规定取值;
E t I t ——楼板面层弯曲刚度(N·m 2 /m),按表Q.0.1-2的规定取值;
m——等效T形梁的线密度(kg/m),包括楼板面层、木基结构板和搁栅;
K s ——考虑楼板和楼板面层侧向刚度影响的调整系数;
S n ——搁栅-楼板连接的荷载-位移弹性模量(N/m/m),按表Q.0.1-3 的规定取值;
l 1 ——楼板板缝计算距离(m);楼板无面层时,取与搁栅垂直的楼板缝隙之间的距离,楼板有面层时,取搁栅的跨度。




Q.0.2 当搁栅之间有交叉斜撑、板条、填块或横撑等侧向支撑(图Q.0.2), 且侧向支撑之间的间距不应大于2m时,由振动控制的搁栅跨度l可按表Q.0.2 中规定的比例增加。


附录R木结构构件燃烧性能和耐火极限
附录R 木结构构件燃烧性能和耐火极限
R.0.1 木结构构件的燃烧性能和耐火极限应符合表R.0.1的规定。

本规范用词说明
本规范用词说明
1 为便于在执行本规范条文时区别对待,对要求严格程度不同的用词说明如下:
1)表示很严格,非这样做不可的:
正面词采用“必须”,反面词采用“严禁”;
2)表示严格,在正常情况下均应这样做的:
正面词采用“应”,反面词采用“不应”或“不得”;
3)表示允许稍有选择,在条件许可时首先应这样做的:
正面词采用“宜”,反面词采用“不宜”;
4)表示有选择,在一定条件下可以这样做的,采用“可”。
2 条文中指明应按其他有关标准执行的写法为:“应符合……的规定”或“应按……执行”。
引用标准名录
引用标准名录
1 《建筑结构荷载规范》GB 50009
2 《建筑抗震设计规范》GB 50011
3 《建筑设计防火规范》GB 50016
4 《钢结构设计标准》GB 50017
5 《建筑防雷设计规范》GB 50057
6 《建筑结构可靠性设计统一标准》GB 50068
7 《钢结构工程施工质量验收规范》GB 50205
8 《木结构工程施工质量验收规范》GB 50206
9 《建筑抗震设防分类标准》GB 50223
10 《木结构试验方法标准》GB/T 50329
11 《木骨架组合墙体技术规范》GB/T 50361
12 《胶合木结构技术规范》GB/T 50708
13 《碳素结构钢》GB/T 700
14 《钢结构用高强度大六角头螺栓》GB/T 1228
15 《钢结构用高强度大六角螺母》GB/T 1229
16 《钢结构用高强度垫圈》GB/T 1230
17 《钢结构用高强度大六角头螺栓、大六角螺母、垫圈技术条件》GB/T 1231
18 《低合金高强度结构钢》GB/T 15 91
19 《钢结构用扭剪型高强度螺栓连接副》GB/T 3632
20 《耐候结构钢》GB/T 4171
21 《锯材缺陷》GB/T 4832
22 《非合金钢及细晶粒钢焊条》GB/T 5117
23 《热强钢焊条》GB/T 5118
24 《六角头螺栓 C级》GB/T 5780
25 《六角头螺栓》GB/T 5782
26 《建筑材料及制品燃烧性能分级》GB 8624
27 《中国主要木材名称》GB/T 16734
28 《中国主要进口木材名称》GB/T 18513
29 《木结构覆板用胶合板》GB/T 22349
30 《结构用集成材》GB/T 26899
31 《防腐木材的使用分类和要求》GB/T 27651
32 《木材防腐剂》GB/T 27654
33 《钢钉》GB 27704
34 《建筑结构用木工字梁》GB/T 28985
35 《轻型木桁架技术规范》JGJ/T 265
36 《定向刨花板》LY/T 1580
自2022年1月1日起废止的条文

