Appearance
《纤维混凝土应用技术规程[附条文说明]》JGJ/T 221-2010
🗓️ 住房和城乡建设部 实施时间:2011-03-01
前言
中华人民共和国行业标准
纤维混凝土应用技术规程
Technical specification for application of fiber reinforced concrete
JGJ/T 221-2010
批准部门:中华人民共和国住房和城乡建设部
施行日期:2011年3月1日
中华人民共和国住房和城乡建设部公告
第706号
关于发布行业标准《纤维混凝土应用技术规程》的公告
现批准《纤维混凝土应用技术规程》为行业标准,编号为JGJ/T 221-2010,自2011年3月1日起实施。
本规程由我部标准定额研究所组织中国建筑工业出版社出版发行。
中华人民共和国住房和城乡建设部
2010年7月23日
前言
根据原建设部《关于印发<二〇〇二~二〇〇三年度工程建设城建、建工行业标准制订、修订计划>的通知》(建标[2003]104号)的要求,编制组经广泛调查研究,认真总结实践经验,参考有关国际标准和国外先进标准,并在广泛征求意见的基础上,制定本规程。
本规程的主要技术内容是:1 总则;2 术语;3 原材料;4 纤维混凝土性能;5 配合比设计;6 施工;7 质量检验和验收;以及相关附录。
本规程由住房和城乡建设部负责管理,由中国建筑科学研究院负责具体技术内容的解释。执行过程中如有意见或建议,请寄送至中国建筑科学研究院(地址:北京市北三环东路30号,邮政编码:100013)。
本规程主编单位 :中国建筑科学研究院
大连悦泰建设工程有限公司
本规程参编单位 :大连理工大学
哈尔滨工业大学
北京中纺纤建科技有限公司
同济大学
中国铁道科学研究院
中冶集团建筑研究总院
郑州大学
北京市建筑材料质量监督检验站
恒律发展有限公司
北京旺虹佳盛经贸有限公司
深圳市海川实业股份有限公司
辽阳康达特种纤维厂
上海哈瑞克斯金属制品有限公司
嘉兴市七星钢纤维有限公司
总参工程兵第四设计研究院
镇江特密斯混凝土外加剂总厂
厦门资贸达工业有限公司
北京中科九千建筑工程质量检测有限公司
重庆市建筑科学研究院
本规程主要起草人员 :丁威 郭延辉 丁一宁 高丹盈 赵景海 史小兴 马一平 徐蕴贤 苏波 宋作宝 朱万里 韦庆东 龚益 王蕾 何唯平 卞铁强 张学军 陈加梅 顾渭建 薛庆 左彦峰 陈国忠 蓝廷骏 王玉棠 罗晖
本规程主要审查人员 :石云兴 罗保恒 张仁瑜 张君 付智 郝挺宇 朋改非 陶梦兰 蔡亚宁
条文说明
中华人民共和国行业标准
纤维混凝土应用技术规程
JGJ/T221-2010
条文说明
制订说明 《纤维混凝土应用技术规程》JGJ/T221-2010,经住房和城乡建设部2010年7月23日以第706号公告批准、发布。 本规程制定过程中,编制组进行了广泛而深入的调查研究,总结了我国工程建设中纤维混凝土应用的实践经验,同时参考了国外先进技术法规、技术标准,通过试验取得了纤维混凝土应用的重要技术参数。 为便于广大设计、施工、科研、学校等单位有关人员在使用本规程时能正确理解和执行条文规定,《纤维混凝土应用技术规程》编制组按章、节、条顺序编制了本规程的条文说明,供使用者参考。但是,本条文说明不具备与规程正文同等的法律效力,仅供使用者作为理解和把握规程规定的参考。
1 总则
1 总 则
1.0.1 为规范纤维混凝土在建设工程中的应用,保证工程质量,做到技术先进、安全可靠、经济合理,制定本规程。
条文说明
1.0.1纤维混凝土技术在我国已得到广泛应用。本规程的制定旨在规范纤维混凝土技术的应用,确保纤维混凝土工程质量。本规程主要根据我国现有的标准规范、科研成果和实践经验,并参考国外先进标准制定而成。
1.0.2 本规程适用于钢纤维混凝土和合成纤维混凝土的配合比设计、施工、质量检验和验收。
条文说明
1.0.2钢纤维与合成纤维的材料性能不同,对混凝土性能的贡献也不相同,需合理地发挥各自的优越性。钢纤维混凝土适用于对弯拉(抗折)强度、弯曲韧性、抗裂、抗冲击、抗疲劳等性能要求较高的混凝土工程、结构或构件;合成纤维混凝土适用于要求改善早期抗裂、抗冲击、抗疲劳等性能的混凝土工程、结构或构件。
1.0.3 纤维混凝土的应用除应符合本规程外,尚应符合国家现行有关标准的规定。
条文说明
1.0.3纤维混凝土涉及不同工程类别及国家标准或行业标准,在使用中除应执行本规程外,还应按所属工程类别符合现行有关国家和行业标准规范的规定。
2 术语
2 术 语
2.0.1 钢纤维 steel fiber
由细钢丝切断、薄钢片切削、钢锭铣削或由熔钢抽取等方法制成的纤维。
条文说明
2.0.1本条给出钢纤维的材料和主要制作工艺。本规程中的钢纤维为可在混凝土中乱向均匀分散的短纤维。
2.0.2 纤维混凝土 fiber reinforced concrete
掺加短钢纤维或短合成纤维的混凝土总称。
条文说明
2.0.2本规程中的纤维混凝土仅包括钢纤维混凝土和合成纤维混凝土两类,不包括玻璃纤维混凝土、注浆纤维混凝土和活性粉末混凝土等类型。
2.0.3 钢纤维混凝土 steel fiber reinforced concrete
掺加短钢纤维作为增强材料的混凝土。
条文说明
2.0.3钢纤维混凝土为钢纤维和混凝土复合材料。
2.0.4 当量直径 equivalent diameter
纤维截面为非圆形时,按截面积相等原则换算成圆形截面的直径。
条文说明
2.0.4本规程中钢纤维与合成纤维都采用当量直径,其他文献中钢纤维的等效直径的内涵与本规程中的当量直径相同。
2.0.5 纤维长径比 aspect ratio of fiber
纤维的长度与直径或当量直径的比值。
条文说明
2.0.5合成纤维的长径比决定了纤维在混凝土中的破坏机制,在大于临界长径比时,合成纤维在混凝土破坏时被拉断,而小于临界长径比时,合成纤维在混凝土破坏时被拉出混凝土基体;钢纤维在混凝土中的作用也与长径比有关。
2.0.6 合成纤维 synthetic fiber
用有机合成材料经过挤出、拉伸、改性等工艺制成的纤维。
条文说明
2.0.6本条给出合成纤维的材料和主要制作工艺。本规程中的合成纤维为可在混凝土中乱向均匀分散的短纤维。
2.0.7 膜裂纤维 fibrillated fiber
展开后能形成网状的合成纤维。
条文说明
2.0.7膜裂纤维经过挤出裂膜,成品呈互相牵连的网状短纤维束。
2.0.8 合成纤维混凝土 synthetic fiber reinforced concrete
掺加短合成纤维作为增强材料的混凝土。
条文说明
2.0.8合成纤维混凝土为合成纤维和混凝土复合材料。
2.0.9 纤维用量 fiber content
每立方米纤维混凝土中纤维的质量。
条文说明
2.0.9纤维用量常用于纤维混凝土配合比设计。
2.0.10 纤维体积率 fraction of fiber by volume
纤维体积占混凝土体积的百分比。
条文说明
2.0.10纤维体积率是纤维混凝土中纤维含量的表示方法之一,常用于分析计算。在设计参数选择时,可采用纤维体积率。
3 原材料
3.1 钢纤维
3 原 材 料
3.1 钢 纤 维
3.1.1 钢纤维混凝土可采用碳钢纤维、低合金钢纤维或不锈钢纤维。钢纤维的形状可为平直形或异形,异形钢纤维又可为压痕形、波形、端钩形、大头形和不规则麻面形等。
条文说明
3.1.1钢纤维原材料主要为碳钢、低合金钢,用于特殊腐蚀环境中,可采用不锈钢。目前国内外广泛使用的钢纤维主要有四大类:高强钢丝切断型、薄板剪切型、钢锭铣削型和熔抽型。钢丝切断型钢纤维是用切断机将冷拔钢丝按需要的长度切断制造的钢纤维;薄板剪切型钢纤维是由冷延薄钢带剪切而成的;熔抽型钢纤维是将外缘头部做成螺旋角状的圆盘与熔融的钢水表面接触,旋转时圆盘与钢水接触的瞬间即将钢水带了出来,由于旋转时的离心力,同时对圆盘进行冷却,被圆盘带出来的钢水迅速凝固成纤维;钢锭铣削型钢纤维是用专用铣刀对钢锭进行铣削制成的纤维。 由于钢纤维混凝土基体破坏时,钢纤维基本上是从基体中拔出而不是拉断,因此,钢纤维的增强作用主要取决于与基体的粘结性能,异形、表面粗糙的钢纤维品种粘结性能较好。 纤维的形状也影响它在拌合物中的分散性和混凝土拌合物的流动性,异形、表面粗糙和长径比大的钢纤维混凝土的流动性有所降低。
3.1.2 钢纤维的几何参数宜符合表3.1.2的规定。
表3.1.2 钢纤维的几何参数

条文说明
3.1.2钢纤维的增强、增韧效果与钢纤维的长度、直径(或当量直径)、长径比、纤维形状和表面特性等因素有关。钢纤维的增强作用随长径比增大而提高,钢纤维长度太短增强作用不明显,太长则影响拌合物性能;太细在拌合过程中易被弯折甚至结团,太粗则在等体积含量时增强效果差。大量试验研究和工程经验表明:长度在20mm~60mm,直径在0.3mm~0.9mm,长径比在30~80范围内的钢纤维,增强效果和拌合物性能较佳。超出上述范围的钢纤维,试验验证增强效果和施工性能均能满足要求时,也可以采用。对于层布式钢纤维混凝土,因纤维无需与混凝土拌合物一起搅拌,因此,钢纤维的长度限制可以放宽。 一般而言,纤维的抗拉强度比水泥基体高两个数量级,延伸率比混凝土高一个数量级。纤维与基体的弹性模量的比值对复合材料的力学性能影响很大,比值越大,纤维在承担拉伸或弯曲荷载时承担的应力份额也越大。
3.1.3 钢纤维抗拉强度等级及其抗拉强度应符合表3.1.3的规定。当采用制作钢纤维的母材做试验时,试件抗拉强度等级及其抗拉强度也应符合表3.1.3的规定。
表3.1.3 钢纤维抗拉强度等级

条文说明
3.1.3根据目前广泛使用的钢纤维的抗拉强度,可归纳为表3.1.3中的三个等级。随着钢纤维高强度混凝土的研究和应用,发现采用高强度混凝土和低强度钢纤维配制的纤维混凝土,断裂时较多钢纤维被拉断,增强增韧效果差,而异形钢纤维的增强增韧效果也与钢纤维本身的强度有关,所以有必要区分钢纤维的强度等级。不小于1000级的钢纤维可称为高强度钢纤维。
3.1.4 钢纤维弯折性能的合格率不应低于90%。
条文说明
3.1.4钢纤维的弯折要求是为了保证钢纤维的材质质量,及其在拌合过程中不发生脆断。
3.1.5 钢纤维尺寸偏差的合格率不应低于90%。
条文说明
3.1.5钢纤维的尺寸偏差要求是为了检验钢纤维的生产控制质量,减少同一产品的差异。
3.1.6 异形钢纤维形状合格率不应低于85%。
条文说明
3.1.6异形钢纤维形状要求是为了检验钢纤维的生产控制质量,减少同一产品的差异,并保证与混凝土的粘结效果。
3.1.7 样本平均根数与标称根数的允许误差应为±10%。
条文说明
3.1.7钢纤维的平均根数要求是为了检验钢纤维的生产控制质量,减少同一产品的差异。
3.1.8 钢纤维杂质含量不应超过钢纤维质量的1.0%。
条文说明
3.1.8钢纤维表面粘有油污等不利于与水泥粘结的物质,会影响与混凝土的粘结强度;钢纤维中含有杂质会影响钢纤维混凝土性能。
3.1.9 钢纤维抗拉强度、弯折性能、尺寸偏差、异形钢纤维形状、钢纤维根数误差、钢纤维杂质含量的检验方法应符合本规程附录A的规定。
条文说明
3.1.9附录A规定了第3.1.3~3.1.8条中钢纤维检验的方法。
3.2 合成纤维
3.2 合成纤维
3.2.1 合成纤维混凝土可采用聚丙烯腈纤维、聚丙烯纤维、聚酰胺纤维或聚乙烯醇纤维等。合成纤维可为单丝纤维、束状纤维、膜裂纤维和粗纤维等。合成纤维应为无毒材料。
条文说明
3.2.1目前通常从纤维的材料品种和外观形式等方面进行区分。本条给出了适用于混凝土中的合成纤维和常用的产品形状。因粗纤维与单丝之间存有差异,故单独列出。
3.2.2 合成纤维的规格宜符合表3.2.2的规定。
表3.2.2 合成纤维的规格

条文说明
3.2.2表3.2.2给出了通常使用的合成纤维的产品规格范围,亦可生产工程所需规格以外的产品。目前国内外生产的粗合成纤维绝大多数都是聚烯烃类的,主要为聚丙烯粗纤维,另有一种聚乙烯醇粗纤维,国内开始同类产品生产,在混凝土中应用尚不广泛。
3.2.3 合成纤维的性能应符合表3.2.3的规定。
表3.2.3 合成纤维的性能

条文说明
3.2.3抗拉强度是合成纤维主要技术指标之一,直接影响合成纤维的增强和增韧效果;初始模量属弹性模量范畴,合成纤维弹性模量与混凝土弹性模量相差较大,承受荷载时,合成纤维分担的应力较小,对硬化混凝土强度影响不大,但能改善混凝土早期抗裂性;混凝土中为碱环境,合成纤维的耐碱性能非常重要。
3.2.4 合成纤维的分散性相对误差、混凝土抗压强度比和韧性指数应符合表3.2.4的规定。
表3.2.4 合成纤维的分散性相对误差、混凝土抗压强度比和韧性指数

条文说明
3.2.4掺入混凝土中的合成纤维应易于分散均匀,并不应对混凝土强度产生负面影响,增韧纤维还应有比较明显的增韧效果。 合成纤维混凝土的抗裂、增韧、抗冲击和耐久性等性能宜根据工程设计要求,通过混凝土试配对比试验确定。
3.2.5 单丝合成纤维的主要性能参数宜经试验确定;当无试验资料时,可按表3.2.5选用。
表3.2.5 单丝合成纤维的主要性能参数

条文说明
3.2.5合成纤维的材料品种和规格繁多,外形也各不相同,当无试验资料时,用户选用时易产生困惑,通过表3.2.5,可以指导用户根据使用条件选择合成纤维。 聚丙烯纤维在碱液和升温条件下,pH=14,80℃,6h后,强度保持率大于95%,具有非常高的耐碱性能,是目前用于混凝土最主要的合成纤维品种;聚酰胺纤维的耐碱性能十分优秀;聚乙烯醇纤维耐酸、碱的性能甚好,对碱的稳定性还优于对酸的稳定性。 资料显示,聚丙烯腈纤维在碱液和升温条件下,当pH=14,80℃,6h后,其强度保持率仅为76%,当pH=13,80℃,24h后,其强度保持率也仅为85%;但是在环境pH值较低时的强度保持率还是可以的,在此种条件下可以用于混凝土。 聚酯纤维耐碱性差,不适用于水泥混凝土,故未在表中列出。
3.2.6 合成纤维主要性能的试验方法应符合现行国家标准《水泥混凝土和砂浆用合成纤维》GB/T 21120的规定。
条文说明
3.2.6本条给出表3.2.3和表3.2.4中试验项目的试验方法。
3.3 其他原材料
3.3 其他原材料
3.3.1 水泥应符合现行国家标准《通用硅酸盐水泥》GB 175和《道路硅酸盐水泥》GB 13693的规定。钢纤维混凝土宜采用普通硅酸盐水泥和硅酸盐水泥。
条文说明
3.3.1钢纤维混凝土宜采用普通硅酸盐水泥和硅酸盐水泥,有利于防止钢纤维锈蚀。
3.3.2 粗、细骨料应符合现行行业标准《普通混凝土用砂、石质量及检验方法标准》JGJ 52的规定,并宜采用5mm~25mm连续级配的粗骨料以及级配Ⅱ区中砂。钢纤维混凝土不得使用海砂,粗骨料最大粒径不宜大于钢纤维长度的2/3;喷射钢纤维混凝土的骨料最大粒径不宜大于10mm。
条文说明
3.3.2纤维增强混凝土中粗骨料粒径不宜过大,否则影响纤维的分散,并削弱纤维的作用效果。采用细砂会增加用水量和水泥用量;采用过粗的砂容易导致混凝土产生离析和泌水,故宜使用中砂。由于考虑到钢纤维的锈蚀问题,故钢纤维混凝土严禁使用海砂。
3.3.3 外加剂应符合现行国家标准《混凝土外加剂》GB 8076和《混凝土外加剂应用技术规范》GB 50119的规定,并不得使用含氯盐的外加剂。速凝剂应符合现行行业标准《喷射混凝土用速凝剂》JC 477的规定,并宜采用低碱速凝剂。
条文说明
3.3.3含氯盐的外加剂会导致混凝土中钢纤维的锈蚀;高碱速凝剂也对混凝土的耐久性不利。
3.3.4 粉煤灰和粒化高炉矿渣粉等矿物掺合料应符合现行国家标准《用于水泥和混凝土中的粉煤灰》GB/T 1596和《用于水泥和混凝土中的粒化高炉矿渣粉》GB/T 18046的规定。
条文说明
3.3.4现行国家标准《用于水泥和混凝土中的粉煤灰》GB/T1596和《用于水泥和混凝土中的粒化高炉矿渣粉》GB/T18046等标准基本涵盖了当前主要应用的矿物掺合料的质量要求。
3.3.5 拌合用水应符合现行行业标准《混凝土用水标准》JGJ 63的规定,并不得采用海水。
条文说明
3.3.5未经淡化的海水会引起严重的混凝土耐久性问题。
4 纤维混凝土性能
4.1 拌合物性能
4 纤维混凝土性能
4.1 拌合物性能
4.1.1 纤维混凝土拌合物应具有良好的和易性,不得离析、泌水或纤维聚团,并应满足设计和施工要求。拌合物性能的试验方法应符合现行国家标准《普通混凝土拌合物性能试验方法标准》GB/T 50080的规定。
条文说明
4.1.1钢纤维和增韧纤维配制的混凝土应注意调配拌合物的和易性,并使之不离析;合成纤维混凝土拌合物性能一般较好,仅坍落度比普通混凝土稍微低一点。
4.1.2 泵送纤维混凝土拌合物在满足施工要求的条件下,入泵坍落度不宜大于180mm,其可泵性应符合现行行业标准《混凝土泵送施工技术规程》JGJ/T 10的规定。
条文说明
4.1.2在满足施工要求的情况下,采用较小的坍落度有利于提高混凝土的耐久性能。
4.1.3 纤维混凝土拌合物中水溶性氯离子最大含量应符合表4.1.3 的规定。纤维混凝土拌合物中水溶性氯离子含量的试验方法宜符合现行行业标准《水运工程混凝土试验规程》JTJ 270中混凝土拌合物中氯离子含量的快速测定方法的规定。
表4.1.3 纤维混凝土拌合物中水溶性氯离子最大含量

注:水溶性氯离子含量是指占水泥用量的质量百分比。
条文说明
4.1.3应从严控制钢纤维混凝土中氯离子含量,以减少氯离子对钢纤维锈蚀的影响,合成纤维混凝土中氯离子含量可按普通混凝土要求控制。
4.2 力学性能
4.2 力学性能
4.2.1 纤维混凝土的强度等级应按立方体抗压强度标准值确定。合成纤维混凝土的强度等级不应小于C20;钢纤维混凝土的强度等级应采用CF表示,并不应小于CF25;喷射钢纤维混凝土的强度等级不宜小于CF30。纤维混凝土抗压强度的合格评定应符合现行国家标准《混凝土强度检验评定标准》GB/T 50107的规定。
条文说明
4.2.1本条规定了纤维混凝土强度等级的划分。合成纤维混凝土的最小强度等级为C20,钢纤维混凝土的最小强度等级为CF25,喷射钢纤维混凝土的最小强度等级为CF30,都比普通混凝土略高。纤维混凝土最高强度等级定为C80和CF80,与普通混凝土现行标准的相关规定相同。用现行国家标准《混凝土强度检验评定标准》GB/T50107评定纤维混凝土抗压强度是安全的。
4.2.2 纤维混凝土的轴心抗压强度、受压和受拉弹性模量、剪变模量、泊松比、线膨胀系数以及合成纤维混凝土轴心抗拉强度标准值可按国家现行标准《混凝土结构设计规范》GB 50010和《公路钢筋混凝土及预应力混凝土桥涵设计规范》JTG D 62的规定采用。纤维体积率大于0.15%的合成纤维混凝土的轴心抗压强度、受压和受拉弹性模量、剪变模量、泊松比、线膨胀系数以及合成纤维混凝土轴心抗拉强度标准值应经试验确定;钢纤维混凝土轴心抗拉强度标准值应符合本规程第4.2.4条的规定。纤维混凝土轴心抗压强度和弹性模量试验方法应符合现行国家标准《普通混凝土力学性能试验方法标准》GB/T 50081的规定。
条文说明
4.2.2纤维混凝土的轴心抗压强度、受压和受拉弹性模量、剪变模量、泊松比、线膨胀系数以及合成纤维轴心抗拉强度标准值和设计值采用现行国家标准《混凝土结构设计规范》GB50010的规定是安全的。纤维体积率大于0.15%的合成纤维混凝土因合成纤维用量较多,有可能出现搅拌不匀的情况,所以上述混凝土性能应经试验确定。
4.2.3 纤维混凝土的抗弯韧性、弯曲韧性、抗剪强度、抗疲劳性能和抗冲击性能应符合设计要求;抗弯韧性试验方法应符合本规程附录B的规定;弯曲韧性试验方法应符合本规程附录C的规定;抗剪强度试验方法应符合本规程附录D的规定;抗疲劳性能试验方法应符合现行国家标准《普通混凝土长期性能和耐久性能试验方法标准》GB/T 50082的规定;抗冲击性能试验方法应符合现行国家标准《水泥混凝土和砂浆用合成纤维》GB/T 21120的规定。
注:抗弯韧性和弯曲韧性试验方法不同,两者取其一即可。
条文说明
4.2.3纤维混凝土工程设计会用到弯曲韧性、抗剪强度、抗疲劳性能和抗冲击等性能指标,本条给出了测定这些性能的试验方法。
4.2.4 钢纤维混凝土的轴心抗拉强度标准值可按下式计算:

ftk =
tk (1+α t ρ f l f /d f ) (4.2.4)
式中:
ftk ——钢纤维混凝土轴心抗拉强度标准值(MPa);

tk ——同强度等级混凝土轴心抗拉强度标准值(MPa),应按现行国家标准《混凝土结构设计规范》GB 50010采用;
ρ f ——钢纤维体积率(%);
l f ——钢纤维长度(mm);
d f ——钢纤维直径或当量直径(mm);
α t ——钢纤维对钢纤维混凝土轴心抗拉强度的影响系数,宜通过试验确定,在没有试验依据的情况下,也可按本规程附录E采用。
钢纤维混凝土的轴心抗拉强度可采用劈裂抗拉强度乘以0.85确定;钢纤维混凝土劈裂抗拉强度试验方法应符合现行国家标准《普通混凝土力学性能试验方法标准》GB/T 50081的规定,并应满足设计要求。
条文说明
4.2.4钢纤维混凝土的轴心抗拉强度标准值与普通混凝土有所不同,本条给出了计算方法。检验钢纤维混凝土的轴心抗拉强度时,采用劈裂法试验测得强度换算成轴心抗拉强度。
4.2.5 钢纤维混凝土的弯拉强度标准值可按下式计算:

ftm =
tm (1+α tm ρ f l f /d f ) (4.2.5)
式中:
ftm ——钢纤维混凝土的弯拉强度标准值(MPa);

tm ——同强度等级混凝土的弯拉强度标准值(MPa),应按现行行业标准《公路水泥混凝土路面设计规范》JTG D 40的规定确定;
α tm ——钢纤维对钢纤维混凝土弯拉强度的影响系数,宜通过试验确定,在没有试验依据的情况下,也可按本规程附录E采用。
钢纤维混凝土弯拉强度试验方法应符合现行行业标准《公路工程水泥及水泥混凝土试验规程》JTG E 30的规定。
条文说明
4.2.5本条给出了钢纤维混凝土的弯拉强度标准值的计算方法,主要用于公路水泥混凝土路面设计。检验钢纤维混凝土的弯拉强度时,采用现行行业标准《公路工程水泥及水泥混凝土试验规程》JTGE30规定的试验方法。
4.3 长期性能和耐久性能
4.3 长期性能和耐久性能
4.3.1 纤维混凝土的收缩和徐变性能应符合设计要求。纤维混凝土的收缩和徐变试验方法应符合现行国家标准《普通混凝土长期性能和耐久性能试验方法标准》GB/T 50082的规定。
条文说明
4.3.1纤维混凝土的收缩和徐变属于长期性能,应按普通混凝土的试验方法测试。
4.3.2 纤维混凝土的抗冻、抗渗、抗氯离子渗透、抗碳化、早期抗裂、抗硫酸盐侵蚀等耐久性能应符合设计要求。纤维混凝土耐久性能的检验评定应符合现行行业标准《混凝土耐久性检验评定标准》JGJ/T 193的规定。纤维混凝土耐久性能试验方法应符合现行国家标准《普通混凝土长期性能和耐久性能试验方法标准》GB/T 50082的规定。
条文说明
4.3.2纤维混凝土的主要耐久性能项目与普通混凝土相同,应按普通混凝土的试验方法测试,也应按普通混凝土的检验评定方法进行检验评定。
5 配合比设计
5.1 一般规定
5 配合比设计
5.1 一般规定
5.1.1 纤维混凝土配合比设计应满足混凝土试配强度的要求,并应满足混凝土拌合物性能、力学性能和耐久性能的设计要求。
条文说明
5.1.1混凝土配合比设计不仅应满足试配强度要求,同时也应满足施工要求和耐久性能要求。
5.1.2 纤维混凝土的最大水胶比应符合现行国家标准《混凝土结构耐久性设计规范》GB/T 50476的规定。
条文说明
5.1.2现行国家标准《混凝土结构耐久性设计规范》GB/T50476详细规定了不同使用条件和不同结构构件的混凝土的最大水胶比。
5.1.3 纤维混凝土的最小胶凝材料用量应符合表5.1.3的规定;喷射钢纤维混凝土的胶凝材料用量不宜小于380kg/m 3 。
表5.1.3 纤维混凝土的最小胶凝材料用量

条文说明
5.1.3根据现行国家标准《混凝土结构耐久性设计规范》GB/T50476选定的混凝土最大水胶比,可按表5.1.3确定纤维混凝土的最小胶凝材料用量。实际胶凝材料用量应以保证混凝土拌合物性能、力学性能和耐久性能为目的。喷射钢纤维混凝土的胶凝材料用量不宜太少,否则施工性能不易保证,进而影响硬化混凝土性能。
5.1.4 矿物掺合料掺量和外加剂掺量应经混凝土试配确定,并应满足纤维混凝土强度和耐久性能的设计要求以及施工要求;钢纤维混凝土矿物掺合料掺量不宜大于胶凝材料用量的20%。
条文说明
5.1.4掺加矿物掺合料和外加剂有利于改善纤维混凝土性能,但应以满足纤维混凝土设计和施工要求为原则,掺量应经试验确定。钢纤维混凝土矿物掺合料掺量不宜超过20%,以减少混凝土碳化对钢纤维锈蚀的影响。
5.1.5 用于公路路面的钢纤维混凝土的配合比设计应符合现行行业标准《公路水泥混凝土路面施工技术规范》JTG F 30的规定。
条文说明
5.1.5公路路面钢纤维混凝土的配合比设计规定与普通混凝土不同,公路行业专有规定。
5.2 配制强度的确定
5.2 配制强度的确定
5.2.1 纤维混凝土的配制强度应符合下列规定:
1 当设计强度等级小于C60时,配制强度应符合下列规定:

cu,0 ≥
cu,k +1.645σ (5.2.1-1)
式中:
cu,0 ——纤维混凝土的配制强度(MPa);

cu,k ——纤维混凝土立方体抗压强度标准值(MPa);
σ——纤维混凝土的强度标准差(MPa)。
2 当设计强度等级大于或等于C60时,配制强度应符合下列规定:

cu,0 ≥1.15
cu,k (5.2.1-2)
条文说明
5.2.1实验室配制强度不仅应达到设计强度等级值,尚应满足95%的保证率,因此公式(5.2.1-1)中采用大于等于号。对于高强混凝土,强度标准差已不宜用于配制强度计算,公式(5.2.1-2)已经长期采用,应用效果良好。
5.2.2 纤维混凝土强度标准差的取值应符合表5.2.2的规定。
表5.2.2 纤维混凝土强度标准差(MPa)

条文说明
5.2.2纤维混凝土工程一般比较特殊,往往没有系统的强度统计资料,按表5.2.2中的混凝土强度标准差取值是偏于安全的。
5.3 配合比计算
5.3 配合比计算
5.3.1 掺加纤维前的混凝土配合比计算应符合现行行业标准《普通混凝土配合比设计规程》JGJ 55的规定。
条文说明
5.3.1先按现行行业标准《普通混凝土配合比设计规程》JGJ55的规定计算未掺加纤维的普通混凝土配合比。
5.3.2 配合比中的每立方米混凝土纤维用量应按质量计算;在设计参数选择时,可用纤维体积率表达。
条文说明
5.3.2纤维用量常用于纤维混凝土配合比,便于计量。纤维体积率是纤维混凝土中纤维含量的表示方法之一,常用于分析计算。在设计参数选择时,可采用纤维体积率。
5.3.3 普通钢纤维混凝土中的纤维体积率不宜小于0.35%,当采用抗拉强度不低于1000MPa的高强异形钢纤维时,钢纤维体积率不宜小于0.25%;钢纤维混凝土的纤维体积率范围宜符合表5.3.3的规定。
表5.3.3 钢纤维混凝土的纤维体积率范围

条文说明
5.3.3不同工程钢纤维混凝土情况差异较大,设计人员可根据不同工程钢纤维混凝土的具体要求从表5.3.3中选用纤维体积率,最终确定采用的纤维体积率值应经试验验证。
5.3.4 合成纤维混凝土的纤维体积率范围宜符合表5.3.4的规定。
表5.3.4 合成纤维混凝土的纤维体积率范围

注:增韧用粗纤维的体积率可大于0.5%,并不宜超过1.5%。
条文说明
5.3.4设计人员可根据不同工程采用的合成纤维混凝土要求从表5.3.4中选用纤维体积率,目前工程中,用于合成纤维混凝土的纤维体积率绝大多数为0.06%~0.12%,主要用于控制混凝土早期收缩裂缝。最终确定采用的纤维体积率值应经试验验证。
5.3.5 纤维最终掺量应经试验验证确定。
条文说明
5.3.5第5.3.3条和第5.3.4条仅推荐了不同工程纤维混凝土的纤维体积率范围,由于纤维混凝土的使用和性能要求比较特殊,因此纤维体积率最终确定取值,应经试验验证确定。
5.4 配合比试配、调整与确定
5.4 配合比试配、调整与确定
5.4.1 纤维混凝土配合比的试配、调整与确定应符合现行行业标准《普通混凝土配合比设计规程》JGJ 55的规定。
条文说明
5.4.1现行行业标准《普通混凝土配合比设计规程》JGJ55关于混凝土配合比试配、调整与确定的规定也适用于纤维混凝土。
5.4.2 纤维混凝土配合比应根据纤维掺量按下列规定进行试配:
1 对于钢纤维混凝土,应保持水胶比不降低,可适当提高砂率、用水量和外加剂用量;对于钢纤维长径比为35~55的钢纤维混凝土,钢纤维体积率增加0.5%时,砂率可增加3%~5%,用水量可增加4kg~7kg,胶凝材料用量应随用水量相应增加,外加剂用量应随胶凝材料用量相应增加,外加剂掺量也可适当提高;当钢纤维体积率较高或强度等级不低于C50时,其砂率和用水量等宜取给出范围的上限值。喷射钢纤维混凝土的砂率宜大于50%。
2 对于纤维体积率为0.04%~0.10%的合成纤维混凝土,可按计算配合比进行试配和调整;当纤维体积率大于0.10%时,可适当提高外加剂用量或(和)胶凝材料用量,但水胶比不得降低。
3 对于掺加增韧合成纤维的混凝土,配合比调整可按本条第1款进行,砂率和用水量等宜取给出范围的下限值。
条文说明
5.4.2按现行行业标准《普通混凝土配合比设计规程》JGJ55计算未掺加纤维的普通混凝土配合比,在此基础上掺入纤维进行试拌,使混凝土拌合物满足和易性和坍落度等性能要求。 试拌的主要原则是在水胶比不变条件下调整配合比,满足混凝土施工的和易性和坍落度要求。
5.4.3 在配合比试配的基础上,纤维混凝土配合比应按现行行业标准《普通混凝土配合比设计规程》JGJ 55的规定进行混凝土强度试验并进行配合比调整。
条文说明
5.4.3配合比试配中的混凝土强度试验主要是为调整水胶比,获得合理的强度提供依据;配合比调整是在强度试验的基础上,确定合理的水胶比,进而调整每立方米纤维混凝土的各原材料用量。
5.4.4 调整后的纤维混凝土配合比应按下列方法进行校正:
1 纤维混凝土配合比校正系数应按下式计算:

式中:δ——纤维混凝土配合比校正系数;
ρ c,t ——纤维混凝土拌合物的表观密度实测值(kg/m 3 );
ρ c,c ——纤维混凝土拌合物的表观密度计算值(kg/m 3 )。
2 调整后的配合比中每项原材料用量均应乘以校正系数(δ)。
条文说明
5.4.4在配合比试配过程中,由于在计算配合比基础上外掺了纤维,尤其是钢纤维的掺入,使每立方米混凝土的方量发生了变化,应经过调整使每立方米混凝土的方量准确。
5.4.5 校正后的纤维混凝土配合比,应在满足混凝土拌合物性能要求和混凝土试配强度的基础上,对设计提出的混凝土耐久性项目进行检验和评定,符合要求的,可确定为设计配合比。
条文说明
5.4.5对设计提出的纤维混凝土耐久性能进行试验验证,也应成为纤维混凝土配合比设计的重要内容。
5.4.6 纤维混凝土设计配合比确定后,应进行生产适应性验证。
条文说明
5.4.6采用设计配合比进行试生产并对配合比进行相应调整是确定施工配合比的重要环节。
6 施工
6.1 纤维混凝土的制备
6 施 工
6.1 纤维混凝土的制备
6.1.1 纤维混凝土宜采用预拌方式制备。原材料计量宜采用电子计量仪器,使用前应确认其工作正常。每盘混凝土原材料计量的允许偏差应符合表6.1.1的规定。
表6.1.1 原材料计量的允许偏差

条文说明
6.1.1纤维计量允许偏差为1%可以满足纤维混凝土质量要求,外加剂和拌合用水计量允许偏差较过去有所收紧。
6.1.2 纤维混凝土应采用强制式搅拌机搅拌,并应配备纤维专用计量和投料设备;宜先将纤维和粗、细骨料投入搅拌机干拌30s~60s,然后再加水泥、矿物掺合料、水和外加剂搅拌90s~120s,纤维体积率较高或强度等级不低于C50时,宜取搅拌时间范围的上限。当混凝土中钢纤维体积率超过1.5%或合成纤维体积率超过0.20%时,宜延长搅拌时间。
条文说明
6.1.2为了保证纤维均匀分散在混凝土中,最好先将纤维和粗、细骨料干拌,将纤维打散,然后再加入其他材料共同湿拌。纤维混凝土的搅拌时间应比普通混凝土长。
6.2 纤维混凝土的运输、浇筑和养护
6.2 纤维混凝土的运输、浇筑和养护
6.2.1 纤维混凝土在运输过程中不应离析和分层。
条文说明
6.2.1合成纤维混凝土拌合物的稳定性较好,相对而言,由于钢纤维材质密度大,钢纤维混凝土易于离析和分层,应予以注意。
6.2.2 当纤维混凝土拌合物因运输或等待浇筑的时间较长而造成坍落度损失较大时,可在卸料前掺入适量减水剂进行搅拌,但不得加水。
条文说明
6.2.2采用加水方法解决坍落度不足问题会严重影响混凝土的性能,造成很大危害,必须禁止。
6.2.3 用于泵送钢纤维混凝土的泵的功率,应比泵送普通混凝土的泵大20%。喷射钢纤维混凝土时,宜采用湿喷工艺。
条文说明
6.2.3由于钢纤维混凝土密度略大,并且泵送时与输送管壁的摩擦阻力较大,所以采用的泵的功率应比泵送普通混凝土略大。
6.2.4 纤维混凝土拌合物浇筑倾落的自由高度不应超过1.5m。当倾落高度大于1.5m时,应加串筒、斜槽、溜管等辅助工具。
条文说明
6.2.4由于钢纤维材质密度大,所以钢纤维混凝土拌合物浇筑倾落的自由高度过高易于导致离析,应予以注意。
6.2.5 纤维混凝土浇筑应保证纤维分布的均匀性和结构的连续性,在浇筑过程中不得加水。
条文说明
6.2.5浇筑时在混凝土中加水会严重影响混凝土的性能,造成很大危害,必须禁止。
6.2.6 纤维混凝土应采用机械振捣,在保证其振捣密实的同时,应避免离析和分层。
条文说明
6.2.6机械振捣易使纤维混凝土均匀和密实;混凝土(尤其是钢纤维混凝土)振动时间过长易产生离析和分层。
6.2.7 钢纤维混凝土的浇筑应避免钢纤维露出混凝土表面。对于竖向结构,宜将模板角修成圆角,可采用模板附着式振动器进行振动;对于上表面积较大的平面结构,宜采用平板式振动器进行振动,再用表面带凸棱的金属圆辊将竖起的钢纤维压下,然后用金属圆辊将表面滚压平整,待钢纤维混凝土表面无泌水时,可用金属抹刀抹平,经修整的表面不得裸露钢纤维。
条文说明
6.2.7钢纤维露出混凝土表面不利于安全,也不利于质量,应该避免。
6.2.8 当采用三棍轴机组铺筑钢纤维混凝土路面时,应在三棍轴机前方使用表面带凸棱的金属圆辊将钢纤维压下,再用三棍轴机整平施工。当采用滑模摊铺机铺筑钢纤维混凝土路面时,应在挤压底板前方配备机械夯实杆装置,将钢纤维和大颗粒骨料压下。
条文说明
6.2.8我国混凝土路面的主导施工方式为:高等级公路使用滑模摊铺机;二级以下的一般公路大多使用三棍轴机组。此条规定了滑模摊铺与三棍轴机组的纤维混凝土路面施工要求。
6.2.9 纤维混凝土浇筑成型后,应及时用塑料薄膜等覆盖和养护。
条文说明
6.2.9纤维混凝土表面失水太快同样会产生细微裂缝,影响纤维混凝土的用途。
6.2.10 当采用自然养护时,用普通硅酸盐水泥或硅酸盐水泥配制的纤维混凝土的湿养护时间不应少于7d;用矿渣水泥、粉煤灰水泥或复合水泥配制的纤维混凝土的湿养护时间不应少于14d。
条文说明
6.2.10矿渣水泥、粉煤灰水泥或复合水泥混凝土的湿养护时间应长于普通硅酸盐水泥或硅酸盐水泥混凝土的湿养护时间,以保证胶凝材料水化和混凝土强度增长。
6.2.11 在采用蒸汽养护前,纤维混凝土构件静停时间不宜少于2h,养护升温速度不宜大于25℃/h,恒温温度不宜大于65℃,降温速度不宜大于20℃/h。
条文说明
6.2.11本条规定蒸汽养护制度的基本原则,有利于避免混凝土内部由于温度变化过快或温度过高产生细微缺陷。
7 质量检验和验收
7.1 原材料质量检验
7 质量检验和验收
7.1 原材料质量检验
7.1.1 纤维混凝土原材料进场时,供方应按规定批次向需方提供质量证明文件,质量证明文件应包括型式检验报告、出厂检验报告与合格证等,纤维和外加剂产品还应提供使用说明书。
条文说明
7.1.1原材料质量文件齐全方可进场。
7.1.2 纤维混凝土原材料进场后,应进行进场检验;在施工过程中,还应对纤维混凝土原材料进行抽检。
条文说明
7.1.2原材料进场后和施工过程中,由监理进行抽检,可有效控制工程使用的原材料质量。
7.1.3 纤维混凝土原材料进场检验和工程中抽检的项目应符合下列规定:
1 钢纤维抽检项目应包括抗拉强度、弯折性能、尺寸偏差和杂质含量。
2 合成纤维抽检项目应包括纤维抗拉强度、初始模量、断裂伸长率、耐碱性能、分散性相对误差、混凝土抗压强度比,增韧纤维还应抽检韧性指数和抗冲击次数比。
3 其他原材料应按相关标准执行。
条文说明
7.1.3本条规定了钢纤维、合成纤维和其他原材料的抽检项目。
7.1.4 纤维混凝土原材料的检验规则应符合下列规定:
1 用于同一工程的同品种和同规格的钢纤维,应按每20t为一个检验批;用于同一工程的同品种和同规格的合成纤维,应按每50t为一个检验批。
2 散装水泥应按每500t为一个检验批,袋装水泥应按每200t为一个检验批;矿物掺合料应按每200t为一个检验批;砂、石骨料应按每400m 3 或600t为一个检验批;外加剂应按每50t为一个检验批。
3 不同批次或非连续供应的纤维混凝土原材料,在不足一个检验批量情况下,应按同品种和同规格(或等级)材料每批次检验一次。
条文说明
7.1.4本条规定了钢纤维、合成纤维和其他原材料的检验批量。
7.1.5 纤维及其他原材料的质量应符合本规程第3章的规定。
条文说明
7.1.5本条规定了钢纤维、合成纤维和其他原材料评定依据。
7.2 混凝土拌合物性能检验
7.2 混凝土拌合物性能检验
7.2.1 纤维混凝土制备系统各种计量仪器设备在投入使用前应经标定合格后方可使用。原材料计量偏差应每班检查2次,混凝土搅拌时间应每班检查2次,检验结果应符合本规程第6.1节的规定。
条文说明
7.2.1精准计量是纤维混凝土质量控制的重要保证。本条规定了计量仪器的标定及检查频率,以确保计量的精准性。
7.2.2 纤维混凝土拌合物抽样检验项目应包括坍落度、坍落度经时损失、凝结时间、离析、泌水、黏稠性、保水性;对于钢纤维混凝土拌合物,还应按本规程附录F的规定测试钢纤维体积率。坍落度、离析、泌水、黏稠性和保水性应在搅拌地点和浇筑地点分别取样检验;钢纤维体积率应在浇筑地点取样检验。
条文说明
7.2.2纤维混凝土拌合物质量控制是施工质量控制的关键环节之一。本条规定了纤维混凝土拌合物检验项目及其检验地点。
7.2.3 纤维混凝土的坍落度、离析、泌水、黏稠性、保水性,每工作班应至少检验2次,凝结时间和坍落度经时损失应24h检验一次。
条文说明
7.2.3本条规定了纤维混凝土拌合物有关性能检验的频率。
7.2.4 纤维混凝土拌合物性能应符合本规程第4.1节的规定。
条文说明
7.2.4本条规定了纤维混凝土拌合物性能的评定依据。
7.3 硬化纤维混凝土性能检验
7.3 硬化纤维混凝土性能检验
7.3.1 硬化纤维混凝土性能检验应符合下列规定:
1 强度等级检验应符合现行国家标准《混凝土强度检验评定标准》GB/T 50107的规定;弯拉强度检验应符合现行行业标准《公路水泥混凝土路面施工技术规范》JTG F 30的规定;其他力学性能检验应符合有关标准和工程要求的规定。
2 耐久性能检验评定应符合现行行业标准《混凝土耐久性检验评定标准》JGJ/T 193的规定。
条文说明
7.3.1本条规定了对硬化纤维混凝土性能进行检验的依据,具体内容可见条文中给出的相关标准。
7.3.2 纤维混凝土力学性能和耐久性能应符合设计规定。
条文说明
7.3.2本条规定了纤维混凝土力学性能和耐久性能的设计要求。
7.4 混凝土工程验收
7.4 混凝土工程验收
7.4.1 纤维混凝土工程验收应符合国家现行标准《混凝土结构工程施工质量验收规范》GB 50204、《屋面工程质量验收规范》GB 50207、《建筑地面工程施工质量验收规范》GB 50209、《地下工程防水技术规范》GB 50108和《公路水泥混凝土路面施工技术规范》JTG F 30的规定。
条文说明
7.4.1纤维混凝土可用于建工、公路、水工和其他各建设行业,工程验收应执行相关国家和行业的标准。
7.4.2 纤维混凝土工程的耐久性能应符合设计要求。当有不合格的项目,应组织专家进行专项评审并提出处理意见,作为验收文件的一部分备案。
条文说明
7.4.2纤维混凝土的耐久性能应列为工程验收的主要内容之一。
附录A混凝土用钢纤维性能检验方法
A.1钢纤维抗拉强度
附录A 混凝土用钢纤维性能检验方法
A.1 钢纤维抗拉强度
条文说明
A.1本节对应正文3.1.3条内容的试验方法。
A.1.1 每个验收批应随机抽取10根钢纤维。
A.1.2 抗拉强度试验应符合现行国家标准《金属材料 室温拉伸试验方法》GB/T 228的规定。当钢纤维在夹持处断裂时,该次试验应为无效,并应在该验收批中另取10根钢纤维进行试验。
A.1.3 当采用钢丝、钢板为原料制作钢纤维时,可用母材做抗拉强度试验,所取母材应为切断成型最后一道工序前的母材,每个验收批应随机抽取5个样品。拉伸试验应符合现行国家标准《金属材料 室温拉伸试验方法》GB/T 228的规定。
A.2钢纤维弯折性能
A.2 钢纤维弯折性能
条文说明
A.2本节对应正文3.1.4条内容的试验方法。
A.2.1 每批产品应随机抽取10根钢纤维。
A.2.2 应将每根钢纤维围绕直径3mm的圆钢棒用手向最易弯折的方向弯折90°,钢纤维应能承受一次90°弯折不断裂。
A.2.3 计算钢纤维弯折性能的合格率(%)。
A.3尺寸偏差
A.3 尺寸偏差
条文说明
A.3 本节对应正文3.1.5条内容的试验方法。
A.3.1 对于圆形截面钢纤维,每个验收批应随机抽取10根钢纤维;对于非圆形不规则截面钢纤维的检验,每个验收批应随机取样100根钢纤维。
A.3.2 测量直径和长度的卡尺分度值不应低于0.02mm。
A.3.3 对于矩形截面的钢纤维,应按与矩形截面面积相等的圆形截面面积计算当量直径。
A.3.4 对于非圆形不规则截面的钢纤维,应采用感量为0.01g的天平称量,采用符合本规程第A.3.2条要求的卡尺测量钢纤维的实际曲线长度的平均值作为其平均长度l fa ,精确至0.01mm,并应按式(A.3.4)计算钢纤维的平均直径d fa ,精确至0.01mm,平均直径与标称直径误差应为±10%。

式中:d fa ——钢纤维的平均直径(mm);
W o ——100根钢纤维的实测质量(g);
l fa ——钢纤维的平均长度(mm);
γ——钢材的质量密度,取7.85×10 -3 g/mm 3 。
A.3.5 测量后,应确定尺寸偏差不超过10%的钢纤维的根数,计算合格率(%)。
A.4异形钢纤维形状
A.4 异形钢纤维形状
条文说明
A.4本节对应正文3.1.6条内容的试验方法。
A.4.1 每个验收批应随机抽取100根钢纤维。
A.4.2 通过人工逐根检查钢纤维的形状,并应确定断钩、单边成型和不符合出厂形状规定的纤维根数。
A.4.3 计算合格率(%)。
A.5钢纤维根数
A.5 钢纤维根数
条文说明
A.5本节对应正文3.1.7条内容的试验方法。
A.5.1 每个验收批应随机取样50组,每组钢纤维应为100g。
A.5.2 应采用精度为0.01g的天平对每组钢纤维分别进行称重,并应检验每组钢纤维的根数。
A.5.3 计算每千克钢纤维根数的平均值,应精确至0.1根/kg。
A.6钢纤维杂质含量
A.6 钢纤维杂质含量
条文说明
A.6 本节对应正文3.1.8条内容的试验方法。
A.6.1 每个验收批应随机抽取5kg钢纤维。
A.6.2 应通过人工挑选出粘结连片、锈蚀纤维、铁锈粉等杂质,并应称量钢纤维杂质的质量。
A.6.3 计算钢纤维杂质含量(%),应精确至0.1%。
附录B纤维混凝土抗弯韧性(等效抗弯强度)试验方法
附录B 纤维混凝土抗弯韧性(等效抗弯强度)试验方法
条文说明
本试验方法源于RILEMTC162-TDF,用等效荷载和等效抗弯强度来描述纤维混凝土复合材料开裂后的韧性比较合理,在欧洲纤维混凝土构件设计中已被广泛采用。 试验试件剪跨比为1.7,力学性能及破坏形态均较为合理,较适合于评价混凝土复合材料的抗弯韧性。 本试验方法不但可以确定荷载与挠度之间的关系,而且可以通过预留开口,可准确判定裂缝出现的位置,减小随机因素对开裂位置的影响,更好地分析纤维对结构裂缝的抵抗性能。
B.0.1 本试验方法适用于掺加钢纤维或增韧合成纤维的混凝土抗弯韧性(等效抗弯强度)的测定。
B.0.2 试验设备应符合下列规定:
1 试验设备应采用闭环液压伺服系统,应具有足够的刚度,并应具有等速位移控制装置。
2 挠度测量位移传感器(LVDT)应准确测量试件跨中挠度,测量精度不应低于0.01mm。
3 荷载测量传感器应准确测量施加于试件上的荷载,测量精度不应低于0.1kN。
4 数据采集系统应定时采集荷载与挠度的数据,采集频率可根据具体的试验要求确定,并应按要求绘制荷载-挠度全曲线。
5 夹式引伸仪的测量精度应与位移传感器相同。
B.0.3 成型试件应符合下列规定:
1 应沿试模的长度方向分两层均匀、连续浇筑混凝土,装填量宜在试件振实后与试模上沿平齐。
2 试件宜采用振动台振实,振动时间应以试件表面开始泛浆为止。
3 振实后应及时抹平混凝土表面,纤维不得露出混凝土表面。
B.0.4 试件应符合下列规定:
1 试件尺寸应为150mm×150mm×550mm。
2 每组试验至少应制备4个试件。
3 试件养护应按现行国家标准《普通混凝土力学性能试验方法标准》GB/T 50081规定的标准养护条件养护至28d。
4 试件从养护环境中取出后,应将表面水分擦干,并使用湿锯在试件垂直于非浇筑面的某个侧面跨中位置进行预开口,开口宽度不应大于5mm,开口深度应为25mm±1mm。然后进行加荷试验。
B.0.5 试验测试应按下列步骤进行:
1 试件应无偏心地放置于试验支座上,开口向下,浇筑面应垂直于支撑面(图B.0.5)。

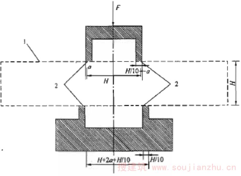
图B.0.5 试验装置示意
1—试件;2—铝板(钢板);3—位移传感器
2 加载点应对准试件下部开口,试件跨距应为500mm。两个支撑和加载压头应均为直径30mm的钢制滚轴,并应调节使其与试件纵轴垂直。
3 位移传感器应分别安装在试件跨中位置的两侧面;挠度测量装置宜安装在试件两边支座处。
4 启动试验机,加荷速度应以挠度0.2mm/min的速率进行等速加载。试验应进行至试件跨中挠度不小于3mm或者试件破坏。
5 若试件未在预开口处断裂,应舍弃该试验结果。
6 在试件断裂面的附近,对试件每一面的高度和宽度应各测量一次,并应精确到1.0mm,然后应计算试件高度和宽度的平均值。
B.0.6 试验结果计算及处理应符合下列规定:
1 试验结束后应绘制荷载-挠度曲线(图B.0.6)。
2 确定比例极限荷载(F L ),即挠度间隔为0.05mm的荷载最大值。比例极限(
)应按下式计算,并应精确至0.1MPa:

式中:
——比例极限(MPa);
F L ——图B.0.6中比例极限荷载(N);
L——试件的跨度(mm);
B——试件的截面宽度(mm);
H sp ——试件开槽处的净截面高度(mm)。
3 能量吸收值的计算应符合下列规定:
1)跨中挠度δ 1 和δ 2 (图B.0.6)应按下式计算:
δ 1 =δ L +0.65 (B.0.6-2)
δ 2 =δ L +2.65 (B.0.6-3)
式中:δ L ——比例极限荷载对应的挠度值(mm)。
为跨中挠度为δ 2 时纤维对混凝土所贡献的能量吸收值,在数值上应等于荷载曲线AE、直线AB、BF和EF围成的图形面积。
D n 为纤维混凝土的能量吸收值(N·mm),D n =D c +
,n=1,2,……
4 跨中挠度为δ 1 时的等效荷载和等效抗弯强度应按下列公式计算:

式中:F eq,1 ——跨中挠度为δ 1 时的等效荷载(N);
eq,1 ——跨中挠度为δ 1 时的等效抗弯强度(MPa),精确至0.1MPa。
5 跨中挠度为δ 2 时的等效荷载和等效抗弯强度应按下列公式计算:

式中:F eq,2 ——跨中挠度为δ 2 时的等效荷载(N);
eq,2 ——跨中挠度为δ 2 时的等效抗弯强度(MPa),精确至0.1MPa。
附录C纤维混凝土弯曲韧性和初裂强度试验方法
附录C 纤维混凝土弯曲韧性和初裂强度试验方法
条文说明
本试验方法与现行国家标准《水泥混凝土和砂浆用合成纤维》GB/T21120和协会标准《钢纤维混凝土试验方法》CECS13相协调,基本上源于《纤维混凝土弯曲韧性和初裂强度标准实验方法(三点负荷梁法)》ASTMC1018-97,目前国际上对纤维混凝土试验方法的研究较多,相关试验方法也在发展。为了与目前国家和行业已有标准相协调,以及保持标准规程的连续性,本标准仍保留了本试验方法。 在采用本试验方法时,宜根据工程设计要求,通过混凝土试配进行对比试验。 计算弯曲韧性指数I5、I10和I20时,韧度实测值SOAB、SOACD、SOAEF和SOAGH在数值上等于图C.0.6中不同的图形面积: SOAB在数值上应等于荷载曲线OA、直线AB和OB围成的图形面积; SOACD在数值上应等于荷载曲线OAC、直线CD和OD围成的图形面积; SOAEF在数值上应等于荷载曲线OAE、直线EF和OF围成的图形面积; SOAGH在数值上应等于荷载曲线OAG、直线GH和OH围成的图形面积。
C.0.1 本试验方法适用于掺加钢纤维或增韧合成纤维的混凝土的弯曲韧性和初裂强度的测定。
C.0.2 试验设备应符合本规程第B.0.2条的规定。
C.0.3 成型试件应符合本规程第B.0.3条的规定。
C.0.4 试件应符合下列规定:
1 当纤维长度不大于40mm时,应采用100mm×100mm×400mm的试件;当纤维长度大于40mm时,应采用150mm×150mm×550mm的试件;试件跨距应为截面高度的3倍。每组试验至少应制备4个试件。
2 试件养护应按现行国家标准《普通混凝土力学性能试验方法标准》GB/T 50081中规定的标准养护条件养护至28d。
3 试件从养护环境中取出后,应将表面水分擦干后进行试验。
C.0.5 试验测试应按下列步骤进行:
1 试件应无偏心地放置于试验支座上,浇筑面应垂直于支撑面,两个加载点之间和距支座的距离应分别为1/3跨度(图C.0.5)。

图C.0.5 试验装置示意
1—试件;2—铝板(钢板);3—位移传感器
2 位移传感器应分别安装在试件跨中位置的两侧面;挠度测量装置宜安装在试件两边支座处。
3 启动试验机,加荷速度应以0.1mm/min的速率进行等速加载。试验应进行至跨中挠度不小于试件跨度的1/200。
4 在试件断裂面的附近,对试件每一面的高度和宽度应各测量一次,并应精确到1.0mm,然后应计算试件高度和宽度的平均值。
5 应测量断裂面至试件最近端部的距离。当断裂面的位置位于试件加载点以外,且与加载点的距离超过试件跨度的5%时,应舍弃该测试结果。
C.0.6 试验结果计算及处理应符合下列规定:
1 试验结束后应绘制荷载-挠度曲线(图C.0.6),将直尺与荷载-挠度曲线的线性部分重叠放置,确定曲线由线性转为非线性的点为初裂点A;A点对应的纵坐标为初裂荷载F cm ,横坐标为初裂挠度δ。

图C.0.6 弯曲韧性指数定义示意
2 弯曲韧性指数的计算应符合下列规定:
1)以O为原点,在横轴上分别按初裂挠度的3.0、5.5和10.5的倍数确定D、F和H点。
2)跨中挠度为3.0δ时的弯曲韧性指数应按下列公式计算:

式中:I 5 ——跨中挠度为3.0δ时的弯曲韧性指数,精确至0.01;
S OAB ——初裂挠度δ的韧度实测值(N·mm);
S OACD ——跨中挠度为3.0δ时的韧度实测值(N·mm)。
3)跨中挠度为5.5δ时的弯曲韧性指数应按下式计算:

式中:I 10 ——跨中挠度为5.5δ时的弯曲韧性指数,精确至0.01;
S OAEF ——跨中挠度为5.5δ时的韧度实测值(N·mm)。
4)跨中挠度为10.5δ时的弯曲韧性指数应按下式计算:

式中:I 20 ——跨中挠度为10.5δ时的弯曲韧性指数,精确至0.01;
S OAGH ——跨中挠度为10.5δ时的韧度实测值(N·mm)。
5)应取4个试件计算值的算术平均值作为该组试件的弯曲韧性指数,精确至0.01;若计算值中的最大值或最小值与两个中间值的平均值之差大于15%,则应取两个中间值的平均值作为该组试件的弯曲韧性指数;若计算值中的最大值和最小值与两个中间值的平均值之差均大于15%时,该组试件的试验结果应无效。
3 初裂强度应按下式计算:
fc,cra =F cra L/BH 2 (C.0.6-4)
式中:
fc,cra ——纤维混凝土的初裂强度(MPa),精确至0.1MPa;
F cra ——纤维混凝土的初裂荷载(N);
L——支座间距(mm);
B——试件截面宽度(mm);
H——试件截面高度(mm)。
应以4个试件初裂强度的算术平均值作为该组试件的试验结果,精确至0.1MPa。
附录D纤维混凝土抗剪强度试验方法
附录D 纤维混凝土抗剪强度试验方法
条文说明
本试验方法源于JCI钢纤维混凝土试验方法标准,为双面剪切,虽然不是纯剪状态,但与纯剪状态相对比较接近,试验中试件的破坏绝大多数在预定的剪切面上。规定的梁试件截面尺寸为100mm×100mm,与JCI标准相同。
D.0.1 本方法适用于采用双面直接剪切法测定纤维混凝土的抗剪强度。
D.0.2 试件截面应为100mm×100mm,长度应为截面高度的2倍~4倍。每组应为4个试件。试件的制作及养护应符合现行国家标准《普通混凝土力学性能试验方法标准》GB/T 50081中的相关规定。
D.0.3 试验设备应符合下列规定:
1 压力试验机应符合现行国家标准《普通混凝土力学性能试验方法标准》GB/T 50081中的相关规定。
2 试验机上下压板中应有一块带有球形铰座。
3 双面剪切试验装置的上下刀口应垂直相对运动。刀口宽度应为试件公称高度H的1/10,上刀口外缘间距应等于H,上下刀口错位a应小于1mm(图D.0.3)。

图D.0.3 双面剪切试验装置简图
1—试件;2—刀口
D.0.4 抗剪强度试验应按照下列步骤进行:
1 从养护地点取出的试件应先擦净并检查外观;然后应测量试件两个预定破坏面的高度和宽度,测量精度及尺寸取值应符合现行国家标准《普通混凝土力学性能试验方法标准》GB/T 50081中的相关规定。
2 将试件放入试验装置,应使成型时的两个侧面与剪切装置刀口接触。剪切装置的中轴线应与试验机压力作用线重合,调整球铰座,使接触均衡。
3 试件应以0.06MPa/s~0.10MPa/s的速率连续、均匀加荷。当试件临近破坏、变形速度增快时,停止调整试验机油门,直至试件破坏,应记录最大荷载,精确至0.01MPa。
4 当试件的破坏面不在预定破坏面时(图D.0.4),该试件的试验结果应无效。

图D.0.4 剪切破坏示意
1—预定破坏面;2—破坏面
D.0.5 该组试件的抗剪强度应按下列公式计算:

式中:
fc,v ——抗剪强度(MPa),精确至0.1MPa;
F max ——最大荷载(N);
B——试件平均宽度(mm);
H——试件平均高度(mm);
B 1 、B 2 、B 3 、B 4 ——由本规程第D.0.4条测得的预定破坏截面的宽度(mm);
H 1 、H 2 、H 3 、H 4 ——由本规程第D.0.4条测得的预定破坏截面的高度(mm)。
4个试件均在预定面破坏情况下,应取4个试件计算值的算术平均值作为该组试件的抗剪强度;若计算值中的最大值或最小值与两个中间值的平均值之差大于15%,则应取两个中间值的平均值作为该组试件的抗剪强度;若计算值中的最大值和最小值与两个中间值的平均值之差均大于15%时,该组试件的试验结果应无效。
4个试件中有一个不在预定面破坏情况下,应取另外3个试件计算值的算术平均值作为该组试件的抗剪强度;若计算值中的最大值或最小值与中间值之差大于中间值的15%,则应取中间值作为该组试件的抗剪强度;若计算值中的最大值和最小值与中间值之差均大于中间值的15%时,该组试件的试验结果应无效。
当4个试件中有2个不在预定破坏面破坏时,该组试验结果应无效。
附录E钢纤维对混凝土轴心抗拉强度、弯拉强度的影响系数
附录E 钢纤维对混凝土轴心抗拉强度、弯拉强度的影响系数
条文说明
钢纤维对钢纤维混凝土轴心抗拉强度的影响系数αt和对钢纤维混凝土弯拉强度的影响系数αtm宜通过试验确定,因此,将在没有试验依据情况下的推荐取值放在附录中。
表E 钢纤维对混凝土轴心抗拉强度、弯拉强度的影响系数

附录F钢纤维混凝土拌合物中钢纤维体积率检验方法
附录F 钢纤维混凝土拌合物中钢纤维体积率检验方法
条文说明
本试验方法源于JCI钢纤维混凝土中纤维体积率的测定方法,为水洗法。水洗法不需要专用仪器,测量精度也较高,可以满足使用要求。JCI同时规定了磁测法,可以测量新拌混凝土和硬化混凝土内钢纤维体积率,但其测量精度低于水洗法。
F.0.1 本试验方法适用于测定钢纤维混凝土拌合物中钢纤维体积率。
F.0.2 试验设备应符合下列规定:
1 容量筒:钢制,容积5L,直径和筒高均为(186±2)mm,壁厚3mm。
2 托盘天平:最大称量2kg,感量2g。
3 台秤:最大称量100kg,感量50g。
4 振动台:频率50Hz±2Hz,空载振幅0.5mm±0.02mm。
5 木槌:质量1kg。
F.0.3 试验步骤应符合下列规定:
1 将钢纤维混凝土拌合物装入容量筒中,当拌合物坍落度小于50mm时,用振动台振实;拌合物坍落度不小于50mm时,分两层装料,每层应沿侧壁四周用木槌均匀敲振30次,敲毕,底部垫直径16mm钢棒,在混凝土或石材地面上应左右交错颠击15次。振实后应将容量筒上口抹平。
2 在倒出钢纤维拌合物的过程中,应边水洗边用磁铁搜集钢纤维。
3 应将搜集的钢纤维在105℃±5℃的温度下烘干到恒重,冷却至室温后确定其质量,精确至2g。
4 试验应进行两次。
F.0.4 钢纤维体积率应按下式计算:

式中:V sf ——钢纤维体积率(%),精确至0.01;
m sf ——容量筒中钢纤维质量(g);
V——容量筒容积(L);
ρ sf ——钢纤维质量密度(kg/m 3 )。
F.0.5 应取两次试验测得的钢纤维体积率的平均值作为试验结果,并应符合下式要求,否则试验结果无效。
|V sf1 -V sf2 |≤0.05V sf,m (F.0.5)
式中:V sf,m ——两次试验测得钢纤维体积率的平均值(%);
V sf1 ,V sf2 ——两次试验分别测得的钢纤维体积率(%)。
本规程用词说明
本规程用词说明
1 为便于在执行本规程条文时区别对待,对要求严格程度不同的用词说明如下:
1)表示很严格,非这样做不可的:
正面词采用“必须”,反面词采用“严禁”;
2)表示严格,在正常情况下均应这样做的:
正面词采用“应”,反面词采用“不应”或“不得”;
3)表示允许稍有选择,在条件许可时,首先应这样做的:
正面词采用“宜”,反面词采用“不宜”;
4)表示有选择,在一定条件下可以这样做的,采用“可”。
2 条文中指明应按其他有关标准执行的写法为:“应符合……的规定”或“应按……执行”。
引用标准名录
引用标准名录
1 《混凝土结构设计规范》GB 50010
2 《普通混凝土拌合物性能试验方法标准》GB/T 50080
3 《普通混凝土力学性能试验方法标准》GB/T 50081
4 《普通混凝土长期性能和耐久性能试验方法标准》GB/T 50082
5 《混凝土强度检验评定标准》GB/T 50107
6 《地下工程防水技术规范》GB 50108
7 《混凝土外加剂应用技术规范》GB 50119
8 《混凝土结构工程施工质量验收规范》GB 50204
9 《屋面工程质量验收规范》GB 50207
10 《建筑地面工程施工质量验收规范》GB 50209
11 《混凝土结构耐久性设计规范》GB/T 50476
12 《通用硅酸盐水泥》GB 175
13 《金属材料 室温拉伸试验方法》GB/T 228
14 《用于水泥和混凝土中的粉煤灰》GB/T 1596
15 《混凝土外加剂》GB 8076
16 《道路硅酸盐水泥》GB 13693
17 《用于水泥和混凝土中的粒化高炉矿渣粉》GB/T 18046
18 《水泥混凝土和砂浆用合成纤维》GB/T 21120
19 《混凝土泵送施工技术规程》JGJ/T 10
20 《普通混凝土用砂、石质量及检验方法标准》JGJ 52
21 《普通混凝土配合比设计规程》JGJ 55
22 《混凝土用水标准》JGJ 63
23 《混凝土耐久性检验评定标准》JGJ/T 193
24 《水运工程混凝土试验规程》JTJ 270
25 《喷射混凝土用速凝剂》JC 477
26 《公路工程水泥及水泥混凝土试验规程》JTG E 30
27 《公路水泥混凝土路面施工技术规范》JTG F 30
28 《公路水泥混凝土路面设计规范》JTG D 40
29 《公路钢筋混凝土及预应力混凝土桥涵设计规范》JTG D 62
