Appearance
《组合铝合金模板工程技术规程[附条文说明]》JGJ 386-2016
🗓️ 住房和城乡建设部 实施时间:2016-12-01
前言
中华人民共和国行业标准
组合铝合金模板工程技术规程
Technical specification for combined aluminum alloy formwork engineering
JGJ 386-2016
批准部门:中华人民共和国住房和城乡建设部
施行日期:2016年12月1日
中华人民共和国住房和城乡建设部公告
第1135号
住房城乡建设部关于发布行业标准《组合铝合金模板工程技术规程》的公告
现批准《组合铝合金模板工程技术规程》为行业标准,编号为JGJ 386-2016,自2016年12月1日起实施。其中,第3.1.4条为强制性条文,必须严格执行。
本规程由我部标准定额研究所组织中国建筑工业出版社出版发行。
中华人民共和国住房和城乡建设部
2016年6月6日
前言
根据住房和城乡建设部《关于印发<2013年工程建设标准规范制订修订计划>的通知》(建标[2013]6号)的要求,规程编制组经广泛调查研究,认真总结实践经验,参考有关国际标准和国内先进标准,并在广泛征求意见的基础上,编制了本规程。
本规程的主要技术内容是:1.总则;2.术语和符号;3.材料与构配件;4.设计;5.施工;6.检查与验收;7.维修、保管与运输。
本规程中以黑体字标志的条文为强制性条文,必须严格执行。
本规程由住房和城乡建设部负责管理和对强制性条文的解释,由广东省建筑科学研究院集团股份有限公司负责具体技术内容的解释。执行过程中如有意见或建议,请寄送广东省建筑科学研究院集团股份有限公司(地址:广州市先烈东路121号,邮编:510500)。
本规程主编单位 :广东省建筑科学研究院集团股份有限公司
广东合迪科技股份有限公司
本规程参编单位 :广东建星建筑工程有限公司
广东奇正模架科技有限公司
中国城市科学研究会绿色建筑与节能专业委员会
广东省建筑工程集团有限公司
广东省建设工程质量安全监督检测总站
珠海市建设工程质量监督检测站
广东省建筑设计研究院
广东建星建筑设备有限公司
广东海外建设监理有限公司
中建三局第一建设工程有限责任公司
中国建筑金属结构协会建筑模板脚手架委员会
广东伟业铝厂集团有限公司
广东一百建筑科技有限公司
广东坚美铝型材厂(集团)有限公司
本规程主要起草人员 :徐其功 王爱志 杨仕超 程敏 仇铭华 蔡光 黎文方 杨亚男 石民祥 游超鸣 汤泂 陈灏沆 周茂清 李恺平 陈文辉 黄健 梁剑明 冯云龙 林少锋 桂群 王小虎 李伟萍 王建萍 廖端标 陈启文 徐翩翩 魏偲
本规程主要审查人员 :毛志兵 许溶烈 王有为 糜加平 王存贵 杨晓东 罗永峰 蔡健 杨健康 姜传库 贺东
条文说明
中华人民共和国行业标准
组合铝合金模板工程技术规程
JGJ386-2016
条文说明
制订说明 《组合铝合金模板工程技术规程》JGJ386-2016,经住房和城乡建设部2016年6月6日以第1135号公告批准、发布。 本规程编制过程中,编制组调研总结了国内外铝合金模板的类型、规格、使用情况等,开展了铝合金模板体系调研、铝合金模板刚度和强度研究、可调钢支撑承载能力研究、早拆头承载能力试验分析、铝合金模板构件分析、铝合金模板精度、铝合金模板整体分析、铝合金模板工程应用等多项专题研究,参考了国内外资料,在全国范围内广泛地征求了意见,并对反馈意见进行了汇总和处理。 为便于设计、科研、教学、施工等单位的有关人员在使用本规程时能正确理解和执行条文规定,《组合铝合金模板工程技术规程》编制组按章、节、条顺序编写了本规程的条文说明,对条文规定的目的、依据以及执行中需要注意的有关事项进行了解释和说明。但是。本条文说明不具备与规程正文同等的法律效力,仅供使用者作为理解和把握条文规定的参考。
1 总则
1 总 则
1.0.1 为加强和规范组合铝合金模板工程技术管理,保证组合铝合金模板工程质量、施工安全,提高综合效益,制定本规程。
条文说明
1.0.1铝合金模板质量轻、周转使用率高、可回收,符合国家绿色施工技术政策。目前,铝合金模板应用中存在的主要问题是管理工作跟不上,使得模板周转次数偏低、损坏率偏高、规格不统一。所以,为切实加强对铝合金模板制作质量和技术的管理,提高模板周转使用率、提高综合经济效益制定本规程。
1.0.2 本规程适用于建筑工程中现浇混凝土结构组合铝合金模板工程的设计、施工、验收、维修、保管和运输。
条文说明
1.0.2目前国内外使用的铝合金模板体系十分丰富,不但有建筑类模板,还有桥梁、道路、预制件模板和各种异形模板体系。本规程涉及的铝合金模板体系主要指用于房屋建筑工程中的铝合金模板体系,对于其他用途暂未涉及。本规程的工程经验主要来自于使用对拉螺栓连接的住宅建筑的“65型”组合铝合金模板体系。当采用其他体系的铝合金模板时,应根据具体情况进行分析。
1.0.3 组合铝合金模板工程除应符合本规程外,尚应符合国家现行有关标准的规定。
条文说明
1.0.3本规程主要对铝合金模板的构件、连接、整体性给出了规定,对混凝土结构一些不规整的部件如悬挑、凹凸、下沉、开洞或孤立构件的模板,支撑或悬挂于铝合金模板上的操作平台,早拆支撑系统支撑于其他临时结构上,铝合金模板与其他模板配合使用等本规程未涉及的情况,应根据具体情况进行分析并采取措施,且应满足相应规范的要求。
2 术语和符号
2.1 术语
2 术语和符号
2.1 术 语
2.1.1 铝合金模板 aluminum alloy formwork
由铝合金材料制作而成的模板,包括平面模板和转角模板等。
条文说明
2.1.1本规程铝合金模板的边框及端肋均高65mm,宽度、长度和孔距采用模数制设计。铝合金模板由铝合金挤压型材焊接而成,配合支撑系统及配件,能组合拼装成结构各个部位的模板。
2.1.2 平面模板 flat formwork
用于混凝土结构平面处的模板,包括楼板模板、墙柱模板、梁模板、承接模板等。
条文说明
2.1.2平面模板一般由U形材和肋焊接而成,如图1、图2。 其中,面板指平面模板中与混凝土面接触的铝合金板;边框指平面模板两侧的肋;端肋指焊接于平面模板端部的肋;次肋主要用于加强面板刚度。 
图1U形挤压型材截面示意图 1-面板;2-边框 
图2平面模板示意图 1-面板;2-边框;3-次肋;4-端肋
2.1.3 转角模板 corner formwork
用于混凝土结构转角处的模板,包括楼板阴角模板、梁底阴角模板、梁侧阴角模板、阴角转角模板、墙柱阴角模板及连接角模等。
条文说明
2.1.3转角模板用于连接相互垂直的模板。楼板阴角模板、梁底阴角模板、梁侧阴角模板的截面形式、孔距要求一致,仅标准长度和所用部位不同。
2.1.4 承接模板 kicker formwork
承接上层外墙、柱及电梯井道模板的平面模板。
条文说明
2.1.4承接模板一般通过预埋螺栓连接在结构外墙顶部,与楼板面持平或略高。本层墙柱模板拆除时,保留承接模板,用于支撑上一层的外墙、柱外侧模板或洞口墙体内侧的模板。承接模板与上层外墙柱模板一起拆除。
2.1.5 支撑 support
用于支撑铝合金模板、加强模板整体刚度、调整模板垂直度、承受模板传递的荷载的部件,包括可调钢支撑、斜撑、背楞、柱箍等。
2.1.6 早拆装置 early stripping accessories
由早拆头、早拆铝梁、快拆锁条等组成,安装在竖向支撑上,可将模板及早拆铝梁降下,实现先行拆除模板的装置。
2.1.7 早拆模板支撑系统 early stripping formwork support system
由早拆装置、可调钢支撑或其他支模架等组成的支撑系统。
条文说明
2.1.6、2.1.7早拆是指利用混凝土的早期强度和早拆装置的特殊构造,将楼板模板和梁底模板先行拆除而保留早拆头和竖向支撑的施工技术。利用早拆可提高平面模板的周转使用速度。
2.1.8 配件 accessory
用于铝合金模板构件之间的拼接或连接、两竖向侧模板及背楞拉结的部件,包括销钉、销片、对拉螺栓、对拉螺栓垫片等。
2.1.9 组合铝合金模板体系 combined aluminum alloy form-work system
由铝合金模板、早拆装置、支撑及配件组成的模板体系。
2.1.10 整体组拼施工技术 construction technology for inte-grated formwork
由各种配件将同层的墙、柱、梁、板等构件的模板及支撑系统连成整体,进行整层浇筑混凝土的模板技术。
条文说明
2.1.10墙、柱、梁、楼板等构件的模板按照规定的施工顺序组拼起来,形成整体,再进行整层混凝土浇筑。在混凝土浇筑过程中,模板整体承受混凝土的自重与侧压力、施工荷载、风荷载等。
2.2 符号
2.2 符 号
2.2.1 作用和作用效应
M——弯矩设计值;
M 0 ——水平荷载产生的倾覆力矩标准值;
M R ——竖向构件抗倾覆力矩标准值;
N——轴向荷载设计值;
N b t ——对拉螺栓轴向受拉承载力设计值;
Q 0 ——水平荷载标准值;
Q R ——抗滑力标准值;
V——剪力设计值;
w k ——风荷载标准值。
2.2.2 计算指标
E a ——铝合金材料的弹性模量;
E s ——钢材的弹性模量;
f a ——铝合金材料的抗拉、抗压和抗弯强度设计值;
f s ——钢材的抗拉、抗压和抗弯强度设计值;
f va ——铝合金材料的抗剪强度设计值;
f vs ——钢材的抗剪强度设计值;
G a ——铝合金材料的剪变模量;
τ——剪应力;
σ——正应力。
2.2.3 几何参数
I s ——钢构件毛截面惯性矩;
I a ——铝合金构件截面惯性矩;
v——挠度计算值;
[v]——容许挠度值。
2.2.4 计算系数及其他
β z ——高度z处风振系数;
μ z ——风压高度变化系数;
μ s ——风荷载体型系数。
3 材料与构配件
3.1 材料
3 材料与构配件
3.1 材 料
3.1.1 铝合金挤压型材宜采用现行国家标准《一般工业用铝及铝合金挤压型材》GB/T 6892中的AL 6061-T6或AL 6082-T6。
条文说明
3.1.1通过对各种铝合金型材性能的比较分析,AL6061-T6和AL6082-T6同属于以镁和硅为主要合金元素并以Mg2Si相为强化相的铝合金。该类材料具有较高的强度、刚度,良好的抗腐蚀性能、可成型性、可焊接性、可机加工性,较好的氧化效果等特点,适合用作模板材料。目前国内大多使用AL6061-T6,但由于AL6082-T6比AL6061-T6具有较高的机械性能,适合用做结构型材和定制型材,在世界发达国家已得到广泛应用,国内也逐渐开始应用。
3.1.2 铝合金材质应符合现行国家标准《变形铝及铝合金化学成分》GB/T 3190的有关规定。
3.1.3 铝合金材料的物理性能指标应按表3.1.3采用。
表3.1.3 铝合金材料的物理性能指标

3.1.4 铝合金材料的强度设计值应按表3.1.4采用。
表3.1.4 铝合金材料的强度设计值(N/mm 2 )

条文说明
3.1.4为确定AL6082-T6铝合金材料的各项强度设计值,编制组查阅了大量资料,并按《金属材料拉伸试验》GB/T228做了12组室温拉伸试验。其结果对比如下: (1)根据国家标准《一般工业用铝及铝合金挤压型材》GB/T6892-2006的表4和国家标准《铝合金结构设计规范》GB50429-2007的附表A-2,查知AL6082-T6的强度标准值为:抗拉强度标准值Rm=310MPa,规定塑性延伸强度标准值Rp0.2=260MPa。根据国家标准《铝合金结构设计规范》GB50429-2007第3.3.1条及条文说明,取AL6082-T6的热影响区范围内强度折减系数ρhaz=0.5,根据国家标准《铝合金结构设计规范》GB50429-2007第4.3.1~4.3.4条及条文说明,计算出AL6082-T6的强度设计值为: 抗拉、抗压和抗弯强度设计值f=Rp0.2/1.2=260/1.2=215MPa; 抗剪强度设计值fv=f/
=215/
=125MPa; 热影响区抗拉、抗压和抗弯强度设计值fu,haz=ρhazRm/1.3=0.5×310/1.3=115MPa; 热影响区抗剪强度设计值fv,haz=fu,haz/
=115/
=65MPa。 (2)根据6082-T6的室温拉伸试验,采用公式fk=f
—1.645σ(式中, f 为统计平均值,σ为统计标准差)由试验值推算标准值。根据试验结果,计算出6082-T6的强度标准值为:抗拉强度标准值Rm=327MPa,规定塑性延伸强度标准值Rp0.2=307MPa,计算出6082-T6的强度设计值为:
抗拉、抗压和抗弯强度设计值f=Rp0.2/1.2=307/1.2=255MPa;
抗剪强度设计值fv=f/
=255/
=145MPa;
热影响区抗拉、抗压和抗弯强度设计值fu,haz=ρhazRm/1.3=0.5×327/1.3=125MPa;
热影响区抗剪强度设计值fv,haz=fu,haz/
=125/
=70MPa。
由上述说明可以知道,AL6082-T6的强度试验值大于现行国家规范的规定值。由此,本规程6082-T6的强度设计值约为试验结果与现有规范计算结果的平均值。
3.1.5 铝合金材料焊接时,应采用交流氩弧气体保护焊或钨极脉冲氩弧气体保护焊,焊丝牌号应与母材成分相匹配。
3.1.6 钢材应符合现行国家标准《碳素结构钢》GB/T 700和《低合金高强度结构钢》GB/T 1591的有关规定;其物理性能指标、强度设计值应符合现行国家标准《钢结构设计规范》GB 50017的有关规定。
3.1.7 对拉螺栓应采用粗牙螺纹,其规格和轴向受拉承载力设计值可按表3.1.7采用。
表3.1.7 对拉螺栓规格及轴向受拉承载力设计值(N b t )

条文说明
3.1.7 表中对拉螺栓受拉承载力按Q235钢材,并乘以0.8的折减系数。
3.1.8 焊接钢管应符合现行国家标准《直缝电焊钢管》GB/T 13793或《低压流体输送用焊接钢管》GB/T 3091中Q235、Q345普通钢管的有关规定。无缝钢管应符合现行国家标准《结构用无缝钢管》GB/T 8162的有关规定。
3.1.9 钢材焊接时,所用焊条应符合现行国家标准《非合金钢及细晶粒钢焊条》GB/T 5117或《热强钢焊条》GB/T 5118的有关规定。
3.2 分类和要求
3.2 分类和要求
3.2.1 模板构配件应根据用途按表3.2.1的规定进行分类。
表3.2.1 铝合金模板构配件分类


3.2.2 模板应采用模数制设计,其模数应符合现行国家标准《建筑模数协调标准》GB/T 50002的有关规定。
3.2.3 模板边框与端肋高宜为65mm,销钉孔位中心与板面距离宜为40mm。
3.2.4 建筑层高为2.8m~3.3m的住宅建筑模板宜采用本规程第3.2.5条及附录A的标准模板,根据工程需要可增设其他非标准模板。
条文说明
3.2.4本规程中标准模板是根据层高为2.8m~3.3m、墙柱模板一板到顶、早拆支撑间距不大于1300mm的住宅建筑的铝合金模板工程经验设计得出。标准模板在不同工程中可以通用,不同厂家的标准模板可以互换,符合国家绿色施工政策要求。由于不同厂家模板内部构造不同,为达到同样的承载力和刚度,铝合金用量也不相同,为了不限制各厂家的创新性,本规程未限定模板的截面形式。为满足工程应用的灵活性,模板厂家可以设计一些配套模板,如表1。配套模板使用重复率比标准模板小,但比其他非标准模板要高很多,可以作为标准模板的补充。当配套模板也不能满足工程需要时,设计人员可以根据工程实际增设其他非标准模板。 随着国家经济政策的发展,铝合金模板将来可能运用于各类公共建筑,届时可以酌情增设其他标准模板。 表1配套模板规格及孔位要求(mm)
3.2.5 标准平面模板的规格与孔位应符合表3.2.5-1、3.2.5-2、3.2.5-3、3.2.5-4的规定。
表3.2.5-1 楼板、梁底模板规格与孔位规定(mm)

注:用于梁底时,沿模板两长边方向应连接65mm宽的翼缘。翼缘可与模板一次挤压成型,也可焊接或用螺栓连接。翼缘孔位中心距应为50mm。
表3.2.5-2 梁侧模板规格与孔位规定(mm)

表3.2.5-3 墙柱模板规格与孔位规定(mm)

注:用于内墙柱时,模板底部应连接40mm高的底脚。底脚可与墙柱模板用螺栓连接,也可焊接。
表3.2.5-4 承接模板规格与孔位规定(mm)

注:承接模板锚栓孔为长圆孔,沿长度方向孔中心间距不应大于800mm。
条文说明
3.2.5楼板模板、梁底模板的长度尺寸是根据1200mm的早拆支撑间距要求设计。梁侧模板需要将楼面荷载传递至早拆支撑,所以设计要求梁侧模板的长度为1200mm,使得梁侧模板的拼缝刚好在梁底早拆头的上面,以保证梁侧模板传力的可靠性。 为保证模板拆除后混凝土的成型质量,墙柱模板一板到顶较好。若确实需要拼接,不宜拼接过多。本规程以常用住宅建筑层高2.80m和3.00m为标准层高设计标准墙柱模板高度。根据施工工艺要求,为方便调整内墙柱模板的平整度和垂直度,内墙柱模板底部要预留10mm空隙。现将墙柱模板的组装方法简介如下: 1当建筑高度为2.80m时,选用长度为2500mm的墙柱模板(内墙柱模板底部需连接40mm高的底脚,底部需预留10mm的安装空隙),则楼板厚度与楼板阴角模板高度之和固定为250mm,承接模板为300mm。由于楼板阴角模板高度为150mm~100mm,所以楼板厚度可满足100mm~150mm(图3)。当工程需要更厚的楼板时,则要改变内墙柱模板的长度。 2当建筑高度为2.85m、2.90m、2.95m时,选用长度为2500mm的墙柱模板(内墙柱模板底部需连接40mm高的底脚,底部需预留10mm的安装空隙),则楼板厚度与楼板阴角模板高度之和固定为300mm~400mm,承接模板为300mm。由于楼板阴角模板高度固定为150mm~100mm,当要求楼板厚度为100mm~150mm时,可在内墙柱模板上部拼接一块宽为50mm、100mm、150mm的配套模板(图4);当要求楼板厚度为160mm~200mm时,则拼接的配套模板宽度需相应减少50mm(图5)。 
图3墙柱模板组装示意图一
图4墙柱模板组装示意图二
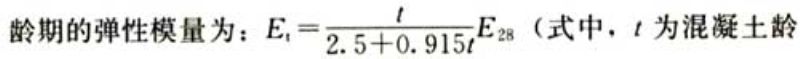
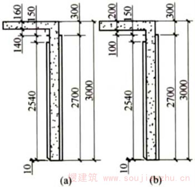
图5墙柱模板组装示意图三 3当建筑高度为3.00m时,选用长度为2700mm的墙柱模板(内墙柱模板底部需连接40mm高的底脚,底部需预留10mm的安装空隙),则楼板厚度与楼板阴角模板高度之和固定为250mm,承接模板为300mm。由于楼板阴角模板高度固定为150mm~100mm,所以楼板厚度可达100mm~150mm(图6)。当要求楼板厚度为160mm~200mm时,可选用长度为2540mm的内墙柱模板,并在内墙柱模板上部拼接一块宽为150mm的配套模板(图7)。
图6墙柱模板组装示意图四
图7墙柱模板组装示意图五 4当建筑高度为3.05m、3.10m、3.15m、3.20m、3.25m、3.30m时,选用长度为2700mm的墙柱模板(内墙柱模板底部需连接40mm高的底脚,底部需预留10mm的安装空隙),则楼板厚度与楼板阴角模板高度之和固定为300mm~550mm,承接模板为300mm。由于楼板阴角模板高度固定为150mm~100mm,当要求楼板厚度为100mm~150mm时,可在内墙柱模板上部拼接一块宽为50mm、100mm、150mm、200mm、250mm、300mm的配套模板(图8);当要求楼板厚度为160mm~200mm时,则拼接的配套模板宽度需相应减少50mm(图9)。 底脚一般与内墙柱模板、墙端模板用螺栓连接,因为在模板重复使用过程中,底脚容易损坏,用螺栓连接便于替换,且不会影响施工。 模板的孔位中心距也可以全部为50mm,通用性更强但开孔工作量较大。 
图8墙柱模板组装示意图六
图9墙柱模板组装示意图七
3.2.6 转角模板、早拆装置、配件的规格与孔位可按本规程附录A确定。
条文说明
3.2.6本规程转角模板的规格、孔位均与标准平面模板相配套,实际使用时可以加密孔位使其应用更加灵活,但会增加开孔工作量。目前国内使用的早拆装置的规格、孔位相对较统一,本规程给出的为使用最广泛的类型。
3.2.7 非标准平面模板边框、端肋的孔位应符合下列规定:
1 相邻孔位中心距应以50mm为模数;
2 边框相邻孔位中心距不应大于300mm;
3 端肋相邻孔位中心距不应大于150mm;
4 应与标准模板的孔位相适应。
3.2.8 平面模板的面板实测厚度不得小于3.5mm,边框、端肋公称壁厚不得小于5.0mm;连接角模公称壁厚不得小于6.0mm;阴角模板公称壁厚不得小于3.5mm。
条文说明
3.2.8面板厚度对于平面模板的板面刚度和承载力有较大影响,且在模板循环使用过程中较易磨损,本规程总结现有实际工程经验,并在理论计算和试验验证的基础上,要求其实测厚度不得小于3.5mm。公称壁厚相当于设计尺寸,根据不同精度等级,允许有正、负偏差。
3.3 检验
3.3 检 验
3.3.1 铝合金挤压型材的加工质量应符合表3.3.1的规定,其截面特征可按本规程附录B取用。
表3.3.1 铝合金挤压型材制作质量标准


注:面板厚度偏差上限由供需双方协定。
条文说明
3.3.1铝合金模板用型材属于Ⅰ类(软合金)型材,在现行国家标准《铝及铝合金挤压型材尺寸偏差》GB/T14846-2014中将Ⅰ类(软合金)型材分为普通级、高精级、超高精级三个级别,本规范对于铝合金模板用型材精度要求高于超高精级。本规范规定U型材宽度尺寸取负偏差,目的是减少累计误差,防止U型材实际累计尺寸大于设计尺寸,而造成模板无法正常安装。表中偏差高于国家标准《铝及铝合金挤压型材尺寸偏差》GB/T14846-2014中超高精级,目的是防止实际累计尺寸小于设计尺寸太多,边框角度取负差目的是减小拼缝宽度。
3.3.2 模板成品质量标准允许偏差应符合表3.3.2的规定。
表3.3.2 模板成品质量标准


条文说明
3.3.2由于铝合金材质较钢材软,在使用及维修过程中容易拉长变形,故铝合金模板的长度尺寸较钢模的负偏差大,其他质量标准均与组合钢模板相同或更严格。销钉孔一般为冲孔成型,直径一般为正偏差。
3.3.3 模板出厂前,生产厂家应按本规程附录C规定进行检验。
条文说明
3.3.3为确保模板的制作质量满足使用单位的需求,同时减少不必要的浪费,应加强产品的质量管理。
3.3.4 模板质量检验设备和量具,应符合国家三级及以上计量标准要求。
3.3.5 模板构件的焊缝质量及尺寸应符合设计要求。焊接飞溅物应清除干净,不得有气孔、咬肉、裂纹等缺陷。
3.3.6 铝合金挤压型材的外观质量应符合现行国家标准《一般工业用铝及铝合金挤压型材》GB/T 6892的规定。
条文说明
3.3.6国家标准《一般工业用铝及铝合金挤压型材》GB/T6892-2015第3.13节对于铝合金挤压型材的外观质量有详细规定,用于生产铝合金模板的型材属于“非车辆型材”,其外观质量应符合此节的规定。而在《一般工业用铝及铝合金挤压型材》GB/T6892-2015第3.12.1条中的“装饰面”在铝合金模板中对应的为“与混凝土直接接触面”。
3.3.7 模板的承载力、刚度和焊缝质量等综合性能宜通过试验验证。试验方法可按本规程附录D执行,抽样方法可按本规程附录C执行。
条文说明
3.3.7由于理论计算的局限性,本条要求模板综合性能除计算外,宜通过荷载试验验证。
4 设计
4.1 一般规定
4 设 计
4.1 一般规定
4.1.1 模板工程设计应包括下列内容:
1 根据结构、建筑、机电等专业施工图,绘制模板施工布置图及各部位剖面详图;
2 根据模板施工布置图,选用标准模板,设计非标准模板,绘制配板设计图和支撑系统布置图;
3 根据工程结构形式、荷载和施工设备等条件进行计算,并应采取相应的构造措施;
4 编制模板及配件的规格、品种与数量明细表和周转使用计划;
5 编制模板施工方案和计算书。
条文说明
4.1.1模板工程的方案中须包含安全措施及模板施工过程中因临时停工而采取的措施。必要时,尚应进行主体结构承受施工荷载的复核验算。
4.1.2 模板的荷载及荷载组合应按现行国家标准《混凝土结构工程施工规范》GB 50666的有关规定确定。
4.1.3 模板工程中钢构件的设计应符合现行国家标准《钢结构设计规范》GB 50017的有关规定,其截面塑性发展系数应取1.0。常用钢构件的规格及其承载力可按本规程附录E确定。
4.1.4 受压钢构件长细比不宜大于180,受拉钢构件长细比不宜大于350。
4.1.5 模板配板设计应与主体结构设计、预制构件设计相互协调。
条文说明
4.1.5结构设计与模板配板设计分属不同阶段,当主体混凝土结构构件的截面尺寸、次梁的布置不符合模数或者通过适当调整,对主体结构无影响或影响较小却对施工带来较大的便利和节省时,模板配板设计师应当向有关单位提出要求;鼓励设计—施工一体化,为绿色施工和节约资源创造条件。
4.1.6 模板应拼缝严密、装拆灵活、搬运方便。
4.1.7 模板出厂前宜对其表面进行防腐蚀处理。
条文说明
4.1.7由于铝金属化学活性较大,未经防腐蚀处理的铝合金模板初次使用过程中,金属铝与新浇混凝土发生化学反应,易被氧化腐蚀,造成混凝土表面局部出现弯曲的气痕及浮灰,形成混凝土麻面,观感较差。目前铝合金模板厂家多采用喷涂、酸洗或碱洗等工艺措施对铝合金模板进行表面处理,以减少混凝土表面因铝合金模板表面氧化腐蚀而出现麻面的现象。
4.2 变形值规定
4.2 变形值规定
4.2.1 模板的变形限值应符合下列规定:
1 模板的变形限值为模板构件计算跨度的1/400,单块模板变形限值不应超过1.5mm;
2 饰面清水混凝土模板的累计变形限值不应超过2mm;
3 普通清水混凝土模板的累计变形限值不宜超过3mm。
条文说明
4.2.1本条文变形值是按照国家标准《建筑施工模板安全技术规范》JGJ162-2008第4.4.1条及《混凝土结构工程施工规范》GB50666-2011第4.3.9条的有关规定,并结合铝合金模板的实际情况确定。 对于模板构件的挠度限值,在控制面板的挠度时应注意面板背部次肋的弹性变形对面板挠度的影响。 拆模后墙体混凝土的质量主要控制垂直度和平整度。 抹灰工程一般要求拆模后墙体混凝土质量达到“垂8平8”,即垂直度在8mm以内,平整度在8mm以内。为达到拆模后墙体混凝土质量“垂8平8”的要求,在模板安装过程中,一般要求模板安装质量为“垂5平5”。不抹灰工程要求拆模后墙体混凝土质量达到“垂5平5”,一般要求模板安装质量为“垂3平3”。 混凝土成型质量控制值“垂8平8”与模板安装质量控制值“垂5平5”间的差值3mm即为模板的累计变形,其中对于垂直度,包括模板本身的变形、对拉螺栓的变形、背楞的变形等综合因素的影响;对于平整度,则包含模板本身的变形、对拉螺栓的变形、背楞的变形、相邻模板高低差等综合因素的影响。所以为达到工程要求的混凝土成型质量,既要保证模板及其配件的刚度,也要保证模板的安装精度。
4.2.2 支撑的变形限值应符合下列规定:
1 可调钢支撑的压缩变形限值,为相应的计算高度的1/1000;
2 背楞可按简支梁模型计算,其挠度值不宜大于相应跨度的1/500,且不宜大于2.0mm。
条文说明
4.2.2背楞变形限值主要依据现有工程调查,按简支模型反推得到。
4.3 模板及支撑构件计算
4.3 模板及支撑构件计算
4.3.1 平面模板的承载力和变形验算应符合下列规定:
1 抗弯强度应符合下式要求:

式中:M max ——最不利弯矩设计值,按荷载基本组合计算(N·mm);
W a ——模板截面抵抗矩(mm 3 ),常用模板截面抵抗矩可按本规程附录B查取;
σ——模板正应力(N/mm 2 ),按荷载基本组合计算;
f a ——铝合金抗弯强度设计值(N/mm 2 ),当位于焊接热影响区时,取f u,haz ,按本规程表3.1.4采用。
2 平面模板的整体变形可采用简支梁模型按下式验算:

式中:q gk ——均布线荷载标准值(N/mm);
E a ——铝合金材料弹性模量(N/mm 2 );
I a ——模板截面惯性矩(mm 4 ),常用模板截面抵抗矩可按本规程附录B查取;
L——模板计算跨度(mm);
v——模板挠度计算值(mm),按荷载标准组合计算;
[v]——容许挠度(mm),应符合本规程4.2.1条的规定。
3 面板、次肋可根据实际构造简化为合理的计算模型进行承载力和变形验算。
4 焊缝强度应按现行国家标准《铝合金结构设计规范》GB 50429的相关规定进行验算。
条文说明
4.3.1本条文说明根据两个模板受力试验情况,采用两种简化方法分别验算了模板变形情况,并与试验结果相对比,供参考。 1)目前市场上两种主要的面板形式如图10、图11。 
图10模板形式一
图11模板形式二 图10模板形式一的截面示意简图如图12。 
图12模板截面示意简图 图11模板形式二的截面示意简图如图13。 
图13模板截面示意简图 2)图10类型截面的模板,可将其简化为面板、边框等单元构件进行计算分析。面板可按四边固定的双向板计算,边框可按梁进行计算。其中计算边框的变形时,可将面板厚度的6倍作为边框的翼缘来增加边框的截面惯性矩,同时取板宽的一半作为边框的受荷面积,按简支梁跨中挠度计算公式
计算跨中的变形。通过试验证明,这个计算方法是比较符合实际受力情况的。试验模板尺寸为400mm×1200mm,支点间距为900mm,试验荷载为均布荷载30kN/m2,试验实测结果为2.275mm,通过上述简化计算方法算得的结果为2.407mm。荷载试验简图如图14。 
图14 400mm×1200mm板荷载试验简图 3)图11类型截面的模板,如采用上述的简化方法进行计算分析时应考虑纵向次肋的影响,否则简化计算的模型不符合实际的受力情况,计算结果与试验测试结果相差很大,可按整体计算模板变形。试验模板尺寸为600mm×1200mm,支点间距为1200mm,试验荷载为均布荷载5kN/m2;试验测试结果为1.45mm,计算所得模板跨中挠度为1.60mm。荷载试验简图如图15。 
图15 600mm×1200mm板荷载试验简图 4)以图10楼板模板为例,验算模板面板强度和刚度,算例如下: 楼面模板的面板近似简化为四边固支的双向板,以400mm×400mm×4mm的面板尺寸为例。查《建筑结构静力计算手册》计算。 
由Lx/Ly=400/400=1查《建筑结构静力计算手册》表4-19得f=0.00127,m=0.0513(支座处) 楼面模板承受荷载:4mm厚铝模板自重G1k=0.11kN/m2;200mm厚混凝土楼板G2k=5.0kN/m2;施工荷载Q1k=2.5kN/m2 按国家标准《混凝土结构工程施工规范》GB50666-2011第4.3.6条计算模板的荷载基本组合的效应设计值: 
4.3.2 背楞可按简支梁模型进行承载力和刚度验算,并应符合下列规定:
1 抗弯强度应符合下式要求:

式中:M max ——最不利弯矩设计值(N·mm),按荷载基本组合计算;
W s ——背楞截面抵抗矩(mm 3 ),常用背楞截面抵抗矩可按本规程附录E.0.1查取;
σ——背楞正应力(N/mm 2 ),按荷载基本组合计算;
f s ——钢材抗弯强度设计值(N/mm 2 ),应按现行国家标准《钢结构设计规范》GB 50017取值。
2 抗剪强度应符合下式要求:

式中:V——计算截面沿腹板平面作用的剪力设计值(N);
S 0 ——计算剪应力处以上毛截面对中和轴的面积矩(mm 3 );
I s ——背楞毛截面惯性矩(mm 4 );
t w ——背楞腹板厚度(mm);
τ——背楞剪应力,按荷载基本组合计算(N/mm 2 );
f vs ——钢材抗剪强度设计值(N/mm 2 ),应按现行国家标准《钢结构设计规范》GB 50017取值。
3 变形应符合下式要求:

式中:q gk ——均布线荷载标准值(N/mm);
E s ——钢材弹性模量(N/mm 2 );
I s ——背楞截面惯性矩(mm 4 ),常用背楞截面惯性矩可按本规程附录F.0.1查取;
L——背楞计算跨度(mm);
v——背楞挠度计算值(mm),按荷载标准组合计算;
[v]——容许挠度(mm),应符合本规程4.2节的规定。
条文说明
4.3.2背楞挠度计算采用简支梁模型计算偏于安全而且较为简便。 按简支梁验算背楞示例如下: 背楞用两条80mm×40mm×2.0mm的矩形钢管焊接而成。对拉螺栓最大间距800mm。 (1)背楞截面特性: 背楞毛截面惯性矩Is=371300×2=7.43×105mm4; 截面抵抗矩Ws=9280×2=1.86×104mm3; 计算剪应力处以上毛截面对中和轴的面积矩S0=1.20×104mm3 (2)背楞强度验算: 背楞间距800mm作为计算宽度,近似按均布荷载计算,对拉螺栓间距800mm,背楞计算简图如图16所示。 
图16背楞计算简图 根据国家标准《混凝土结构工程施工规范》GB50666,新浇混凝土侧压力取以下两式计算的较小值: 
故新浇混凝土侧压力标准值取为:G4k=42.87kN/m2; 倾倒混凝土时产生的施工活荷载标准值:Q2k=2.0kN/m2。 按《混凝土结构工程施工规范》GB50666-2011第4.3.6条计算模板的荷载基本组合的效应设计值: 
需要提醒的是:背楞实际承受的是墙柱模板边框传递的集中荷载,上述计算采用了均布荷载,这一简化可能偏于不安全,但由于背楞一般为多跨连续梁,综合而言,采用单跨简支梁均布荷载模型是可以接受的。在实际应用中,当背楞只有一跨时,为消除上述简化带来的不安全因素,应按集中荷载验算背楞的强度和变形。
4.3.3 墙厚大于等于600mm时,对拉螺栓规格不应小于 
22;墙厚小于600mm时,对拉螺栓规格不宜小于 
18。对拉螺栓的承载力验算,应符合下列公式规定:

式中:N——对拉螺栓最大轴力设计值(N);
N b t ——对拉螺栓轴向受拉承载力设计值(N),常用对拉螺栓受拉承载力设计值可按本规程表3.1.7采用;
a——对拉螺栓横向间距(mm);
b——对拉螺栓竖向间距(mm);
F s ——新浇混凝土作用于模板上的侧压力设计值(N/mm 2 ),按现行国家标准《混凝土结构工程施工规范》GB 50666的相关规定计算。
条文说明
4.3.3对拉螺栓计算示例如下: 计算参数: φ22对拉螺栓 螺纹内径:18.4mm 净截面面积:265.9mm2 实际单根对拉螺栓最大受力面积为0.8m×0.8m,实际承受拉力为: N=0.8×0.8×54.24=34.71kN<43.6kN,满足要求。
4.3.4 楼板阴角模板的承载力验算应符合下列公式规定:

式中:M——阴角模板单位长度的弯矩设计值(N·mm),可按图4.3.4计算;
P——楼板模板传来的荷载设计值(N);
f a ——铝合金抗弯强度设计值(N/mm 2 ),当位于焊接热影响区时,取f u,haz ,按本规程表3.1.4采用。
t——阴角模板的截面厚度(mm);
a——阴角模板的截面宽度(mm)。

图4.3.4 楼板阴角模板计算简图
1-楼板阴角模板; 2-楼板模板; 3-墙柱模板;4-楼板模板充当支撑;5-墙柱模板充当支撑
条文说明
4.3.4楼面阴角模板的计算示例如下: 楼面模板承受荷载:单块铝模板自重G1k=0.25kN/m2;200mm厚混凝土楼板G2k=5.0kN/m2;施工荷载Q1k=2.5kN/m2
计算中未考虑加劲板的贡献,作为安全储备。
4.3.5 当利用斜撑受力时,应按现行国家标准《钢结构设计规范》GB 50017对斜撑进行承载力、刚度和稳定性验算;锚栓及其连接钢板应按现行国家标准《混凝土结构设计规范》GB 50010等进行承载力验算。
条文说明
4.3.5斜撑的预埋螺栓受力计算比较困难,目前没有相关的规范或研究。本规程编制过程中进行了部分预埋螺栓的抗剪、抗拔试验,试验结果见表2、表3(仅供参考),但试验数据有限、不全面,不能形成规范性的结论。模板整体分析时,若需要斜撑受力,建议做部分锚栓试验。 表2预埋螺栓抗拔试验及结果(ΦF8)
注:现场采用回弹法检测试验混凝土基体实时强度(40h),共检测3个混凝上梁构件,强度推定值分别为17.4MPa、18.2MPa、31.4MPa。 表3预埋螺栓抗剪试验及结果(M14)
注:现场采用回弹法检测试验混凝土基体实时强度(40h),其检测3个混凝土梁构件,强度推定值分别为17.4MPa、18.2MPa、31.4MPa。
4.3.6 支撑的计算和构造应符合现行行业标准《建筑施工模板安全技术规范》JGJ 162的有关规定。可调钢支撑的承载力设计值宜通过试验确定,抗力分项系数不应小于2.4,常用可调钢支撑的承载力设计值可按本规程附录E.0.2采用。
条文说明
4.3.6根据目前的工程经验,通过试验确定可调钢支撑承载力时,安全系数取3.0,反推抗力分项系数约为2.4。
4.4 模板的整体组拼
4.4 模板的整体组拼
4.4.1 模板整体安全性应根据工程结构形式、荷载大小、施工设备和材料等条件进行验算,并应符合下列规定:
1 应采取措施保证柱、墙等竖向构件模板的整体性及板、梁等水平构件模板在楼板平面内传力的可靠性;
2 应具有足够的承载力、刚度和稳定性,应能可靠地承受风荷载、新浇混凝土的自重和侧压力以及施工过程中所产生的其他荷载;
3 构造应简单、拆装方便,便于钢筋的绑扎、安装和混凝土的浇筑、养护;
4 应合理安排混凝土浇筑顺序,并应符合现行国家标准《混凝土结构工程施工规范》GB 50666的相关规定。
条文说明
4.4.1铝合金模板整体系统与其他模板系统不同,竖向构件的模板与水平构件的模板及早拆支撑系统共同形成一个整体。在未浇筑或混凝土凝固之前,铝合金模板整体系统就是一个临时的铝合金结构工程,竖向构件的模板相当于结构工程的空心墙或柱,因而应保证空心的墙或柱具有几何不变性和适当的刚度;水平构件的模板相当于结构工程的楼板,在平面内应具有整体性以协调各空心竖向构件的水平位移和传递水平力。与一般结构工程不同的是楼板的竖向荷载通过早拆体系的撑杆直接传递到下层的混凝土结构楼面。一般情况下,除结构周边外侧的墙柱模板和电梯井道内侧墙柱模板通过承接模板与下层混凝土楼板连接外,其余竖向构件模板均直接立在下层混凝土楼板上,预埋钢筋或螺栓仅起到安装时的定位作用,没有特别的连接,因而,在水平荷载作用下有滑动和倾覆的可能。 模板工程作为混凝土结构施工过程中一个临时工程在完成其预定的功能的过程中,与一般结构工程一样,要独立承受相应的荷载并满足承载力、刚度和稳定性的要求。每层模板作为结构使用的时间短,要求安装与拆卸方便、部件能重复使用,其力学模型的简化和建立更加复杂;不仅仅由于混凝土结构及其施工方法、设备、环境的复杂性会造成模板工程的复杂和多样,铝合金模板还可能与钢模等其他模板同时使用,完全通过力学分析铝合金模板整体安全较为困难,因而应总结工程经验,重视概念设计。概念设计主要包括以下几个方面:①对剪力墙结构,剪力墙间距较小,楼板模板直接与剪力墙模板或连梁模板连接,整体性较好。②对于框架结构或框剪结构,竖向构件间距较大,构件截面较小,尤其当梁、柱不同宽度时,连接传力较复杂,整体性相对不好。③楼板模板通过次梁后再与主梁、墙模连接,或开大洞时,水平构件模板形成的类楼板整体性差。④墙、柱竖向拼接少,能一板到顶,对侧模板能相互顶紧时或柱截面较小时,竖向构件模板的整体性较好;楼板的荷载通过唇口传递,销钉仅起安全储备和收紧的作用时,梁板模板传力可靠性较好。⑤有无台风,是否用于高层。楼层越高,风荷载越大。⑥板厚在200mm以内、墙厚在450mm以内、柱截面在700mm×700mm以内、层高为2800mm~3300mm等剪力墙住宅经验相对较丰富等。 铝合金模板工程一般使用爬升式布料机垂直布料,杜绝将泵送管道直接铺设在楼面上,对模板结构产生水平冲击力。国家标准《混凝土结构工程施工规范》GB50666-2011第8.3.3条及第8.4.6条对混凝土的分层浇筑有详细规定,铝合金模板工程的混凝土分层浇筑应符合此规定。普通住宅结构(层高3m左右)混凝土浇筑顺序一般为:墙身混凝土分两次浇筑完成,第一次浇筑高度约为1.5m;浇筑顺序是先从核心筒位置浇起,四周对称浇筑。对于高度较大的混凝土梁和厚度较大的混凝土板,也应该采用分层浇筑的方法。浇筑方法和顺序有三个考虑因素:①墙身模板的计算主要荷载为混凝土侧压力,侧压力的大小与浇筑速度关系密切。一般计算时取1.5m/h的浇筑速度,如果墙身一次性浇筑完成,容易造成涨模。②分段浇筑和对称浇筑有利于控制模板走位,提高混凝土成型质量。③分层浇筑有利于混凝土中气体排出,减少拆模后混凝土表面的蜂窝麻面。
4.4.2 模板整体系统的稳定性应进行下列工况分析:
1 混凝土浇筑前,在风荷载和模板自重作用下抗滑移、抗倾覆分析;
2 混凝土浇筑过程中及混凝土浇筑后凝固前,在混凝土自重、模板自重、风荷载及总重量2%的附加水平荷载作用下抗滑移、抗倾覆分析。
模板安装过程中应采取斜撑、拉索等临时措施保证其稳定性。
条文说明
4.4.2国家标准《混凝土结构工程施工规范》GB50666-2011附录A.0.7规定:“泵送混凝土或不均匀堆载等因素产生的水平荷载(Q3)的标准值,可取计算工况下竖向永久荷载标准值的2%,并应作用在模板支架上端水平方向。”此项荷载是考虑施工中的泵送混凝土和浇筑斜面混凝土等未预见因素产生的附加水平荷载。美国ACI347规范规定了泵送混凝土和浇筑斜面混凝土等产生的水平荷载取竖向永久荷载的2%,并以线荷载形式作用在模板支架的上边缘水平方向上。日本也规定有相应的该荷载项。该荷载项主要用于支架结构的整体稳定性验算。简化计算时,可将楼面竖向恒载总重及墙柱竖向恒载总重的一半简化为作用于楼板标高处的集中荷载。
4.4.3 整体分析时,墙、柱等竖向构件的水平风荷载可按下式计算:

式中:w k ——风荷载标准值(N/mm 2 );
w 10 ——10年一遇基本风压(N/mm 2 );
μ z ——风压高度变化系数,应按现行国家标准《建筑结构荷载规范》GB 50009取值;
μ s ——风荷载体型系数,应按现行国家标准《建筑结构荷载规范》GB 50009取值或通过风洞试验确定;
β z ——高度z处的风振系数,取1.0。
条文说明
4.4.3本条文来源于行业标准《建筑施工模板安全技术规程》JGJ162-2008第4.1.3条:“风荷载标准值应按现行国家标准《建筑结构荷载规范》GB50009-2001(2006版)中的规定计算,其中基本风压值应按该规范附表D.4中,n=10年的规定采用,并取风振系数βz=1.0”。 国家标准《混凝土结构工程施工规范》GB50666-2011附录A.0.8条规定:风荷载的标准值,可按现行国家标准《建筑结构荷载规范》GB50009的有关规定确定,此时基本风压可按10年一遇的风压取值,但不应小于0.2kN/m2。
4.4.4 层高2.8m~3.3m的多、高层住宅模板系统的整体稳定性简化分析可采用下列基本假定:
(1)板、梁等水平构件的模板与墙柱等竖向构件的模板铰接,仅传递水平荷载和竖向荷载;
(2)竖向构件模板与下层混凝土结构只传递压力和摩擦力;
(3)可调钢支撑仅承受竖向压力;
(4)板、梁等水平构件的模板连成整体,能协调竖向模板的位移。
4.4.5 模板系统的整体稳定性采用本规程第4.4.4条简化分析时,应满足下列公式要求:

式中:Q 0 ——水平风荷载及按本规程第4.4.2条计算的水平荷载标准值(N);
Q R ——计算的抗滑力标准值(N);
M 0 ——构件受到风荷载及按本规程第4.4.2条计算的水平荷载产生的倾覆力矩标准值(N·mm);
M R ——按简化模型计算的竖向构件抗倾覆力矩标准值(N·mm)。
条文说明
4.4.4、4.4.5对铝合金模板整体系统采用有限元法整体建模分析,可以得到构件的内力和变形,可以对结构的整体稳定性进行分析,是较为合理和精确的分析方法,应优先选用。但整体分析有一定难度,目前尚难以大规模推广:①目前没有适合铝合金模板系统整体分析的商用软件,只能采用通用有限元软件,建模和分析的工作量巨大;②由于需要拆卸方便、重复使用,构件之间的连接均为临时连接,多为半刚性连接,简化的力学模型需要进一步的研究;③我国铝合金模板系统多从国外引进,目前的国外模板公司均通过经验总结形成了标准做法,不对具体工程作整体分析。 采用简化分析时,需注意若楼板开大洞或平面伸出尺寸较大时,应进行局部分析。本简化方法偏于安全,故公式4.4.5-1、4.4.5-2中的安全系数仅取1.05。当采用有限元等其他更精确的计算方法分析时,安全系数应相应增大。 对于以下情况,宜进行整体稳定性有限元分析:(1)跨度大于9m的框架结构;(2)层高大于5m时;(3)当斜撑参与受力、墙柱斜撑间距大于2m时。 竖向构件模板与下层混凝土结构结合面的滑动抗力可由下列构造提供:①模板与混凝土面的摩擦力、周边承接模板及其锚栓。②定位钢筋或与主体结构的钢筋顶紧。③斜撑。 抗倾覆弯矩可由以下抗力提供:①自重。②斜撑或拉杆。③承接模板。 因水平构件的模板与竖向模板的连接刚度介于铰接和刚接之间,其实际刚度难以准确计算,在本规程的整体简化分析中假定其为铰接,计算刚度小于实际刚度,其整体简化分析结果偏于安全。相对于竖向构件模板的抗侧力刚度,可调钢支撑的抗侧力刚度很小,因此不考虑其承受水平荷载。第四条假定需要通过构造措施保证,如在楼板下沉或开洞处应加设型钢等支撑,在墙柱模板之间、梁侧模板之间应加定位撑条顶紧等。当结构楼板平面的凹凸确实不能满足整体性时,应分块计算。 竖向构件模板安装时,模板直接搭设在下层混凝土结构面上,不传递拉力。 当风荷载和支撑偏心倾斜引起的水平力作用于竖向构件模板时,竖向构件模板相对于下层混凝土结构面产生滑动趋势。此时,首先通过竖向构件模板与下层混凝土面的静摩擦力来抵抗竖向构件模板的相对滑动。当水平力较大、上述抗力不足以抵抗水平力时,定位螺栓和斜撑参与工作。通过摩擦力抵抗是最可靠的途径,不能满足时,可在主体结构钢筋上加焊或绑扎钢筋顶紧模板,也可设置混凝土垫块顶紧,既起到定位作用也起到抗滑移的作用。 墙柱模板在下端一般不互相连接,只有上半部分的风荷载通过梁板模板的传递在不同墙柱模板进行分配,下半部的风荷载只能由该构件承担,如图17。当该构件自身滑动抗力不够时,可通过增加混凝土块与主体结构钢筋顶紧或相邻墙肢的背楞连为整体等方式解决滑动的问题。
图17 墙柱模板风荷载上、下端分配示意图 由于简化了水平模板与墙柱模板的弯矩传递,抗倾覆弯矩仅由竖向构件提供。对框架结构,由于柱截面尺寸较小,抗侧刚度主要由模板形成的类似框架结构提供,本简化方法低估了模板抗侧刚度和承载力。剪力墙截面尺寸较大,本简化方法相对接近实际情况。总体而言,本方法偏于安全或保守。当采用本方法计算与当地工程经验相比过于保守时,可采用整体建模有限元进行详细分析。 根据行业标准《高层建筑混凝土结构技术规程》JGJ3-2010第3.4.6条的规定,模板开大洞或平面伸出尺寸较大可以解释为:有效楼板宽度不宜小于该层楼面宽度的50%;楼板开洞总面积不宜超过楼面面积的30%;在扣除凹入或开洞后,楼板在任一方向的最小净宽度不宜小于5m,且开洞后每一边的楼板净宽度不应小于2m。 整体模板抗滑移、抗倾覆简化验算示例如下: 1设计概况: 该建筑层高2.8m,板厚120mm,墙厚200mm,基本风压0.45kN/m2,B类地形,计算高度108m。验算整体模板施工完成和浇筑混凝土后的整体抗滑、抗倾覆,算例平面图及风荷载体型系数如图18所示,算例仅计算右风作用。
图18 算例平面图 2主要计算公式 抗滑:QR=μGR 抗倾覆弯矩:MR=∑GiLi 倾覆弯矩:M0=∑Fihi 3设计参数 单块铝合金模板自重:0.25kN/m2;背楞自重(□60×40×2.5):0.037kN/m;混凝土自重:25kN/m3。 4墙模板自重(同时考虑背楞自重)及抗倾覆弯矩计算(仅以1号墙为例,如图19,其他墙计算方法相同)
图19 1号墙平面图 1-1号墙体第一部分 2-1号墙体第二部分 图20 第i个竖向构件的模板的倾覆弯矩、抗倾覆弯矩示意图
wK=βz·μz·μs·w0=1.0×2.04×0.01×0.45=0.009kN/m2 AX风=3.8×2.8=10.64m2 QX1=AX风·wK=10.64×0.009=0.096kN 1号墙体第1部分模板周长:L1=(3.8+0.2)×2—0.2=7.8m 1号墙体第1部分模板及背楞自重: GR1=7.8×[0.25×(2.8—0.12)+4×2×0.037]=7.535kN 1号墙体第1部分模板及背楞自重产生的抗倾覆弯矩: MR1=7.535×0.1=0.754kN·m 1号墙体第2部分模板周长:L2=0.5×2+0.2=1.2m 1号墙体第2部分模板及背楞自重: GR2=1.2×[0.25×(2.8—0.12)+4×2×0.037]=1.159kN 1号墙体第2部分模板及背楞自重产生的抗倾覆弯矩: MR2=1.159×0.45=0.522kN·m 计算得: 整层墙模板及背楞总自重(未考虑楼面模板自重): GR=∑G=7.535+1.159+…+7.728+1.352+0.966=197.644kN 风荷载产生的水平力: Q风x=(Q1+Q8+Q10+Q11+Q12+Q15+Q16+Q17 +Q18+Q21+Q23) —(Q2+Q3+Q5+Q6+Q13+Q14) =(0.096+3.192+2.106+…+13.574) —(0.290+1.201+…+6.94) =51.188kN 整层总抗倾覆力矩: MR=∑MRi=0.753+0.522+…+5.410+0.406+0.386=156.183kN·m 5未浇筑混凝土时(计算工况:风荷载+模板自重) (1)X向抗滑移验算: 1)总水平荷载 Q0x=Q风x=51.188kN 2)墙模板与混凝土结构面的摩擦力 QR=μGR=0.6×197.644=118.586kN 式中:μ——地面的摩擦系数,取0.6。
6浇筑混凝土后(计算工况:风荷载+模板自重+混凝土自重+总重量2%的水平荷载) 1)混凝土自重 楼面混凝土自重:703.89×2=1407.780kN 墙混凝土自重:204.6×0.2×(2.8—0.12)×25=2741.640kN 2)模板总重 墙模板:197.644kN 楼面模板:58.658×2=117.315kN 3)结构总重 楼面:G1=1407.78+117.315=1525.095kN 墙:G2=2741.640+197.644=2939.284kN 4)总重量2%的水平荷载: Q1=1525.095×2%=30.502kN Q2=2939.284×2%=58.786kN (1)X向抗滑移验算: 1)总水平荷载 Q0x=Q风x+Q1+Q2=51.188+30.502+58.786=140.476kN 2)模板与混凝土结构面的摩擦力: QR=μG3=0.6×444.382=266.629kN 式中:G3——墙模板自重+背楞自重+楼面板传给墙模板的混凝土自重。
2)总倾覆力矩 M0X=M风x+M1+M2=71.665+85.406+82.300=239.371kN·m 3)墙模板自重及其承受的竖向荷载提供的抗倾覆力矩 以1号墙体的抗倾覆力矩为例计算墙的抗倾覆力矩: (1)传给墙模板第1部分的楼面混凝土自重及梁混凝土自重: (4.4×0.6×0.12+0.6×0.2×0.7)×25=10.020kN 传给墙模板第1部分的楼板模板自重及梁模板自重: [4.4×0.6+0.6×0.2+0.6×0.7+0.6×(0.7—0.12—0.13)]×0.25=0.863kN (2)传给墙模板第2部分的楼面混凝土自重及梁混凝土自重: (0.5×0.6×0.12+0.6×0.2×0.7)×25=3.000kN
图2 11号墙受荷面积图 1-1号墙体第一部分; 2-1号墙体第二部分; 3-200×700梁传给墙模板的荷载面积; 4-楼板传给墙模板的荷载面积 传给墙模板第2部分的楼板模板自重及梁模板自重: [0.5×0.6+0.6×0.2+0.6×0.7+0.6×(0.7—0.12—0.13)]×0.25=0.278kN (3)1号墙模板总的抗倾覆力矩: (7.535+10.020+0.863)×0.1+(1.159+3.000+0.278)×0.45=3.838kN·m (4)MR=∑MRi=3.838+…+14.976=329.747kN·m 
4.4.6 墙、柱、梁构件两侧模板之间应设置定位撑条,数量、布置及承载力应满足对拉螺栓收紧和两侧模板之间传递风荷载的要求。
条文说明
4.4.6墙柱两侧模板通过对拉螺栓拉结,需要在两侧模板之间设置定位撑条,保证墙柱的截面尺寸。同时定位撑条可以和对拉螺栓一起作用,传递模板平面外水平荷载。
4.5 早拆模板支撑系统
4.5 早拆模板支撑系统
4.5.1 板底早拆系统支撑间距不宜大于1300mm×1300mm,梁底早拆系统支撑间距不宜大于1300mm。
条文说明
4.5.1目前各种铝合金模板体系的早拆模板支撑系统的组成基本相同,仅细部尺寸有差异;部分企业的可调钢支撑采用单根钢管,下部安装可调螺杆;大部分企业的可调钢支撑采用两根直径不同的钢管上下套装,以满足支撑长度的可调性。当具体工程与本规程给出的构造有差异时,应根据具体情况进行调整。 根据现有工程经验,组合铝合金模板工程的早拆支撑一般为单根钢管,底部无扫地杆等水平联系杆件,早拆支撑间距一般为1200mm,少部分工程早拆支撑间距为1300mm,故本规程要求早拆支撑间距不大于1300mm。 因墙、柱等竖向模板拆除较早,此时楼板混凝土强度尚未达到早拆强度要求,容易造成楼板在与墙柱连接的位置开裂,编制施工方案时应考虑此问题。
4.5.2 早拆模板支撑系统,可用于楼板厚不小于100mm、强度等级不低于C20的现浇混凝土结构,对预应力混凝土结构应经过论证后,方可使用。
条文说明
4.5.2本规程早拆模板支撑系统的适用范围为楼面模板和梁模板的早拆施工。混凝土楼板厚度增大,自重随之增大,楼板抗弯刚度也随之增大,且抗弯刚度增加远大于荷载的增加。在相同跨度的情况下,楼板越厚,楼板抗弯能力越强。根据早拆施工实践,对板厚为100mm以上的楼板实施早拆是安全可靠的。对板厚小于100mm的楼板应进行专门的分析和论证方可采用。 冬期施工采用模板早拆技术时,应根据现行行业标准《建筑工程冬期施工规程》JGJ/T104的相关规定采取混凝土保温和取暖措施。
4.5.3 早拆模板支撑系统应具有足够的承载力、刚度和稳定性。
4.5.4 在可调钢支撑承载力满足要求的前提下,当梁宽不大于350mm时,梁底早拆头可由一根可调钢支撑支承;当梁宽为350mm~700mm时,梁底早拆头应由不少于两根可调钢支撑支承;当梁宽大于1000mm时,梁底早拆头应由不少于三根可调钢支撑支承。
4.5.5 拆除楼板模板时,应对混凝土楼板进行抗冲切、抗剪切、抗弯承载力验算和挠度验算,验算时可按素混凝土板计算。
4.5.6 竖向支撑拆模时间应通过计算确定,且应保留有不少于两层的支撑。布置相同的标准层,可采用下列分析方法:

式中:F i ——第i层分配到的需承担的荷载设计值;
F——所需承担的全部荷载设计值;
E ti ——龄期t时第i层混凝土的弹性模量(N/mm 2 );
f c,t ——龄期t时混凝土的抗压强度设计值(N/mm 2 );
f 28 ——龄期28d时混凝土的抗压强度设计值(N/mm 2 );
F min ——龄期28d时混凝土楼盖的抗弯、冲切、抗剪最低设计承载力。
条文说明
4.5.6各层楼板的荷载分配按各层楼板刚度进行分配,相同的标准层可简化为按相应龄期下的弹性模量进行分配。不同龄期楼盖的承载能力近似按该龄期的混凝土强度与28d混凝土强度的比值确定。 竖向支撑保留不少于两层是指施工最上层楼面时,至少有三层支撑,当拆除最下层支撑时,上面至少有两层支撑。 实例: 1荷载: 1)一般楼面荷载:每层楼板厚150mm,自重G1k=25×0.15=3.75kN/m2;装修荷载G2k=1.0kN/m2;其他结构自重G3k=0.3kN/m2;隔墙自重G4k=2.0kN/m2;正常使用期间活荷载Q1k=2.5kN/m2。 2)施工期间:模板自重G5k=0.15kN/m2;支撑自重G6k=0.1kN/m2;施工荷载Q2k=2.5kN/m2; 2楼盖的最低承载力,取楼盖的设计承载力: Fmin=1.35(G1k+G2k+G3k+G4k)+1.4Q1k=1.35×(3.75+1.0+0.3+2.0)+1.4×2.5=13.02kN/m2 3不同龄期各楼板的最低承载力: 假如共设有三层支撑(第八层、第九层、第十层),拆除第八层梁、板支撑并在第十层楼面进行作业时,可能出现的最不利情况。假设此时,第十层混凝土龄期为1.5d,第九层混凝土龄期为5.5d,第八层混凝土龄期为9.5d。根据《高层建筑施工手册》(赵志缙,1991年11月,同济大学出版社),混凝土在不同 


4.5.6-2式中
按《施工手册》第四版图22-22普通硅酸盐水泥拌制的混凝土在20℃下的强度增长率图取值:1.5d时取0.30,5.5d时取0.62,9.5d时取0.78。不同混凝土龄期时,各层楼板承载力允许值见表4。 表4 第i层楼板承载力允许值
4根据这些刚度大小,各层楼板分配荷载并验算: 
本算例仅用于说明计算过程,在实际应用中各参数的取值需按实际取值。
4.5.7 设计对拆模时间无规定时,应在同条件养护试块的抗压强度达到表4.5.7的要求后,方可进行拆模。
表4.5.7 底模拆除时混凝土的强度要求

注:表中构件跨度指支撑间距。
条文说明
4.5.7根据国家标准《混凝土结构工程施工规范》GB50666-2011第4.5.2条的相关规定,当板的结构跨度不大于2m时,混凝土强度达到设计强度标准值的50%即可拆除模板。 铝合金模板早拆技术与其他模板不同,后拆支撑的间距一般是1.2m×1.2m。底模拆除时的混凝土强度并没有实测,本规程在编制过程中积累数据不够,因而要求对于具体的工程当无可靠的论证和经验时,不可突破50%的下限。
5 施工
5.1 安装准备
5 施 工
5.1 安装准备
5.1.1 模板施工前应制定详细的施工方案。施工方案应包括模板安装、拆除、安全措施等各项内容。
条文说明
5.1.1铝合金模板施工流程一般为:放墙柱位线→标高抄平→安装墙柱模板→安装背楞→检查垂直度及平整度→安装梁模板→安装楼面模板→检查楼面平整度及复核墙柱垂直度和平整度→移交绑扎梁板钢筋→混凝土浇筑。施工前应先制定详细的施工方案,施工过程中应严格按施工方案执行。
5.1.2 模板安装前应向施工班组进行技术交底。操作人员应熟悉模板施工方案、模板施工图、支撑系统设计图。
条文说明
5.1.2模板安装交底一般包括如下内容:①项目的基本数据:层高、变化情况、混凝土展开面积、变化层情况等;②项目难点:设计难点、施工要点、特殊部位设计意图及变化层安装注意事项等;③模板上标识:各部位模板(如墙模、板模)如何识别,模板长宽尺寸如何读取等。
5.1.3 模板安装现场应设有测量控制点和测量控制线,并应进行楼面抄平和采取模板底面垫平措施。
条文说明
5.1.3模板安装位置的平整度直接关系到模板的垂直度和平整度等模板安装质量,故需要在模板安装前对安装位置进行检查。模板安装前须在墙、柱线内加上必要的定位基准。
5.1.4 模板进场时应按下列规定进行模板、支撑的材料验收:
1 应检查铝合金模板出厂合格证;
2 应按模板及配件规格、品种与数量明细表、支撑系统明细表核对进场产品的数量;
3 模板使用前应进行外观质量检查,模板表面应平整,无油污、破损和变形,焊缝应无明显缺陷。
条文说明
5.1.4由于铝合金模板是根据钢筋混凝土结构施工的要求进行专项设计、生产,现场施工时应严格按照模板设计文件进行安装,因此在模板工程安装前必须熟悉模板设计文件,核对模板、配件、支撑系统的规格、品种和数量等。 由于铝合金模板可供多次周转,因此在模板安装前对外观观感进行检查是非常重要的,不符合要求的应当及时维修,存在变形或明显缺陷的必须给予替换。
5.1.5 模板安装前表面应涂刷脱模剂,且不得使用影响现浇混凝土结构性能或妨碍装饰工程施工的脱模剂。
条文说明
5.1.5在铝合金模板表面涂抹脱模剂是为了提高混凝土观感质量。脱模剂涂刷应均匀一致,不宜过厚,无漏刷挂流现象。 脱模剂需要成膜时间快、抗冲击、不腐蚀模板和混凝土、耐雨水冲刷、脱模效果优良、环保(无毒、对人身无害)。涂抹脱模剂前,应先清理模板,清理模板时要防止损坏模板及其表面。
5.2 模板安装
5.2 模板安装
5.2.1 模板及其支撑应按照配模设计的要求进行安装,配件应安装牢固。
条文说明
5.2.1当前铝合金模板施工中,有不少施工方采用钢筋替代对拉螺栓、可调钢支撑的插销,用木方替代背楞,存在严重安全隐患,且对施工质量也有影响,应禁止这种行为,要求严格按照配模设计施工。
5.2.2 整体组拼时,应先支设墙、柱模板,调整固定后再架设梁模板及楼板模板。
条文说明
5.2.2墙、柱模板安装须从角部开始,形成稳定支撑后方可按顺序安装其他部位模板。墙体单边板安装时须加设可靠的临时支撑;墙柱模板封闭前应及时加上对拉螺拴及胶杯、胶管、定位撑条等顶紧装置。
5.2.3 墙、柱模板的基面应调平,下端应与定位基准靠紧垫平。在墙柱模板上继续安装模板时,模板应有可靠的支承点。
条文说明
5.2.3按当前国内铝合金模板的施工做法,内墙柱模板并不直接与下层混凝土楼板接触,而是使其离楼板面有10mm的空隙,然后在底脚处垫木方或者用水泥砂浆塞缝。外墙柱模板连接在承接模板上。因此在安装墙柱模板时,如果底面的定位和找平等措施不稳固、不可靠,对模板的拼接和调整会带来困难,同时也会引起底部漏浆烂根,影响混凝土成形质量。
5.2.4 模板的安装应符合下列规定:
1 墙两侧模板的对拉螺栓孔应平直相对,穿插螺栓时不得斜拉硬顶。当改变孔位时应采用机具钻孔,严禁用电、气焊灼孔。
2 背楞宜取用整根杆件。背楞搭接时,上下道背楞接头宜错开设置,错开位置不宜少于400mm,接头长度不应少于200mm(图5.2.4)。当上下接头位置无法错开时,应采用具有足够承载力的连接件。

图5.2.4 背楞接头搭接示意图
1-楼板; 2-楼板阴角模板;3-内墙柱模板;4-背楞
3 对跨度大于4m的现浇钢筋混凝土梁、板,其模板应按设计要求起拱,当设计无具体要求时,起拱高度宜为构件跨度的(1/1000)~(3/1000)。起拱不得减少构件的截面高度。
4 固定在模板上的预埋件、预留孔、预留洞、吊模角钢、窗台盖板不得遗漏,且应安装牢固,其偏差应符合本规程6.0.8条的规定。
条文说明
5.2.4对拉螺栓和背楞的设置对混凝土成型精度影响很大,需要采取措施保证其安装质量。对跨度较大的现浇混凝土梁、板,考虑到自重的影响,适度起拱有利于保证构件的形状和尺寸。当施工措施能够保证模板下垂符合要求,也可不起拱或采用更小的起拱值。
5.2.5 早拆模板支撑系统的上、下层竖向支撑的轴线偏差不应大于15mm,支撑立柱垂直度偏差不应大于层高的1/300。
5.3 模板整体组拼施工技术
5.3 模板整体组拼施工技术
5.3.1 墙柱模板采用对拉螺栓连接时,最底层背楞距离地面、外墙最上层背楞距离板顶不宜大于300mm,内墙最上层背楞距离板顶不宜大于700mm(图5.3.1-1);除应满足计算要求外,背楞竖向间距不宜大于800mm,对拉螺栓横向间距不宜大于800mm(图5.3.1-2)。转角背楞及宽度小于600mm的柱箍(图5.3.1-3)宜一体化,相邻墙肢模板宜通过背楞连成整体。

图5.3.1-1 外墙背楞布置大样示意图
1-背楞; 2-对拉螺栓;3-对拉螺栓垫片; 4-对拉螺栓套管
条文说明
5.3.1铝合金模板体系中,背楞的主要作用在于增加墙柱模板的侧向刚度,保证拆模后混凝土的成型质量。背楞间距过大,墙柱模板侧向刚度不够,容易爆模,拆模后混凝土垂直度、平整度难以达到要求。 转角背楞一体化要求的目的在于控制墙柱转角处模板的变形。工地实际考察发现,在墙柱转角处,若背楞没有一体化,则容易出现爆模现象,混凝土成型质量难以达到要求。 在跨洞口处,相邻墙肢的模板背楞不宜断开,可按上下拉通中间断开设置,从而保证跨洞口处混凝土的成型质量。工地实际考察发现,在跨洞口处的混凝土成型质量经常达不到要求,短肢墙的情况尤其严重。当将相邻墙肢的背楞连为一体时,混凝土成型质量能够得到较好的保障。
5.3.2 当设置斜撑时,墙斜撑间距不宜大于2000mm,长度大于等于2000mm的墙体斜撑不应少于两根,柱模板斜撑间距不应大于700mm,当柱截面尺寸大于800mm时,单边斜撑不宜少于两根。斜撑宜着力于竖向背楞(图5.3.2)。
条文说明
5.3.2斜撑在铝合金模板系统中主要用于模板安装过程中调整模板垂直度和混凝土浇捣过程中保持模板的垂直度。因背楞紧贴单面墙的每件模板,故规定斜撑上端要着力于背楞以纠正现行很多项目斜撑支撑在模板上的现象。同时,斜撑支撑于竖向背楞对调整模板垂直度、平整度效果较好。 当模板整体受到较大的水平荷载时,斜撑可以为模板整体系统提供抗滑、抗倾覆作用。一般斜撑布置间距不宜过大,便于控制整片墙体模板的安装质量。
5.3.3 竖向模板之间及其与竖向转角模板之间应用销钉锁紧,

图5.3.1-2 内墙背楞布置大样示意图
1-背楞;2-对拉螺栓;3-对拉螺栓垫片;4-对拉螺栓套管

图5.3.1-3 柱箍大样示意图
1-对拉螺栓;2-背楞;3-内墙柱模板;4-柱箍
销钉间距不宜大于300mm。模板顶端与转角模板或承接模板连接处、竖向模板拼接处,模板宽度大于200mm时,不宜少于2个销钉;宽度大于400mm时,不宜少于3个销钉(图5.3.3-1、图5.3.3-2)。

图5.3.2 斜撑布置示意图
1-板底早拆头;2-快拆锁条;3-可调钢支撑;4-背楞;5-对拉螺栓;6-斜撑码;7-斜撑;8-竖向背楞;9-固定螺栓

图5.3.3-1 墙柱模板组装示意图
1-楼板;2-承接模板;3-楼板阴角转角模板;4-楼板阴角模板;5-墙柱阴角
模板;6-连接角模;7-外墙柱模板;8-内墙柱模板;9-底脚;10-墙柱模板与
承接模板连接销钉;11-墙柱模板连接处;12-墙柱模板与墙柱阴角模板连接销
钉;13-墙柱模板与楼板阴角模板连接销钉;14-墙柱模板与连接角模连接销钉

图5.3.3-2 柱与楼板连接大样示意图
1-楼板模板;2-楼板阴角模板;3-内墙柱模板;4-连接角模;5-配套模板;
6-板底早拆头;7-双斜早拆铝梁;8-墙柱模板与连接角模连接销钉;9-墙柱模板与楼板阴角模板连接销钉
条文说明
5.3.3相邻模板连接销钉数量的要求,主要目的在于保证相邻模板间传力的可靠性。
5.3.4 墙柱模板不宜在竖向拼接,当配板确需拼接时,不宜超过一次,且应在拼接缝附近设置横向背楞。
条文说明
5.3.4墙柱模板在施工过程中所受侧向压力非常大,为保证模板整体受力可靠、混凝土成型质量符合要求,一般不宜在竖向拼接。当配板确实需要拼接时,则应采取可靠的加固措施,一般需在拼缝一侧300mm内加设一道横向背楞,或者在垂直拼缝方向设置一定数量的竖向背楞,如图22所示。
5.3.5 楼板阴角模板的拼缝应与楼板模板的拼缝错开(图5.3.5)。

图5.3.5 楼板模板组装示意图
1-楼板;2-墙;3-楼板模板;4-楼板阴角模板;5-外墙柱模板;6-内
墙柱模板;7-承接模板;8-板底早拆头;9-快拆锁条;10-双斜早拆铝
梁;11-可调钢支撑;12-楼板阴角模板拼缝;13-楼板模板拼缝,不受力侧边;14-楼板模板受力端部
5.3.6 楼板模板受力端部,除应满足受力要求外,每孔均应用销钉锁紧,孔间距不宜大于150mm;不受力侧边,每侧销钉间距不宜大于300mm(本规程图5.3.5)。
5.3.7 梁侧阴角模板、梁底阴角模板与墙柱模板连接(图5.3.7),除应满足受力要求外,每孔均应用销钉锁紧,孔间距不宜大于100mm。

图5.3.7 梁与墙连接节点大样示意图
1-楼板;2-主梁;3-次梁;4-楼板模板;5-楼板阴角转角模板;6-楼板
阴角模板;7-梁底阴角模板;8-墙模板;9-梁侧阴角模板;10-梁侧阴角模板与墙柱模板连接销钉;11-梁底阴角模板与墙柱模板连接销钉
5.3.8 梁侧模板、楼板阴角模板拼缝宜相互错开,梁侧模板拼缝两侧应用销钉与楼板阴角模板连接(图5.3.8)。

图5.3.8 梁侧模板组装示意图
1-楼板;2-墙;3-楼板阴角模板;4-楼板阴角转角模板;5-承接模板;
6-外墙柱模板;7-内墙柱模板;8-梁侧模板; 9-梁侧阴角模板;10-梁底
阴角模板;11-配套模板;12-连接角模;13-梁底早拆头;14-可调钢支撑;15-背楞;16-楼板阴角模板拼缝;17-梁侧模板拼缝
条文说明
5.3.7、5.3.8当梁端需要销钉传递剪力时,其抗剪承载力应取销钉抗剪承载力及孔壁的承压承载力的较小值。梁侧模板与梁侧阴角模板连接处,底部没有竖向支撑,该连接处主要靠销钉传递剪力(如图23),目前的工程经验,当板厚在200mm以内、梁高为350mm~800mm、销钉销满时,可不用计算。当板较厚、梁较深时,由于缺乏工程经验,且计算复杂,宜通过荷载试验确定。
5.3.9 当梁高度大于600mm时,宜在梁侧模板处设置背楞,梁侧模板沿高度方向拼接时,应在拼接缝附近设置横向背楞(本规程图5.3.8)。当梁与墙、柱齐平时,梁背楞宜与墙、柱背楞连为一体。
条文说明
5.3.9工程经验表明,当梁较高时,梁模板安装过程中容易出现整体偏移。当梁与墙、柱同宽或同厚时,将墙、柱背楞与梁侧背楞连成整体,能取得较好的效果。 
图22 拼接模板背楞设置示意图 1-楼板;2-楼板阴角模板;3-内墙柱模板;4-背楞;5-拼接模板;6-拼接缝隙 
图23 梁端通过销钉传递剪力示意图 1-楼板;2-墙;3-楼板阴角转角模板;4-楼板阴角模板;5-梁侧模板;6-梁侧阴角模板;7-梁底阴角模板;8-梁底早拆头;9-可调钢支撑;10-内墙柱模板;11-外墙柱模板;12-承接模板;13-连接角模;14-梁端主要靠销钉传递剪力的截面 与墙柱模板一样,梁侧模板在混凝土施工过程中所受的侧压力也很大,为保证模板整体受力可靠、混凝土成型质量符合要求,一般沿梁高方向不宜拼接。当梁侧模板沿梁高方向拼接时,需在拼缝附近加设背楞。
5.3.10 楼梯、开洞、沉箱、悬挑及其他细部结构的模板应采取构造措施保证其承载力。
条文说明
5.3.10楼梯间墙模板被楼梯板隔断,成型质量不容易满足要求,可沿梯段设置一道斜向背楞,以增加楼梯间隔墙模板的整体性。同时为防止踏步盖板上浮,应沿踏步方向在踏步上设置一道背楞。其他位置,如沉箱、洞口、悬挑等,应采取加垫块、支撑等方式保证模板的承载力、刚度及稳定性。
5.4 拆除
5.4 拆 除
5.4.1 模板及其支撑系统拆除的时间、顺序及安全措施应严格遵照模板专项施工技术方案。
5.4.2 模板早拆拆模前应按本规程附录F的要求填写审批表,并经监理批准后方可拆除。模板拆除后应按本规程附录G的要求填写质量验收记录表。模板早拆的设计与施工应符合下列规定:
1 拆除早拆模板时,严禁挠动保留部分的支撑系统;
2 严禁竖向支撑随模板拆除后再进行二次支顶;
3 支撑杆应始终处于承受荷载状态,结构荷载传递的转换应可靠;
4 拆除模板、支撑时的混凝土强度应符合现行国家标准《混凝土结构工程施工质量验收规范》GB 50204及本规程第4章的有关规定。
条文说明
5.4.2模板早拆是指拆除支撑周边模板、保留支撑及早拆头继续支撑混凝土(如图24),故在拆除过程中严禁拆除支撑然后回顶的情况出现。 图24早拆模板拆除前后示意图
附录F的早拆审批表包含了拆除底模和拆除支撑两部分的申请。其中,拆除底模时,混凝土的强度应满足本规程第4.5.5条、第4.5.7条的规定,且楼层应无过量荷载;拆除竖向支撑时,混凝土的强度应满足本规程第4.5.6条、第4.5.7条的规定,且上层墙体或柱子的模板已拆除并运走、楼层无过量施工荷载。
5.4.3 模板拆除时,应符合下列规定:
1 模板应根据专项施工方案规定的墙、梁、楼板拆模时间依次及时拆除;
2 模板拆除时应先拆除侧面模板,再拆除承重模板;
3 支承件和连接件应逐件拆卸,模板应逐块拆卸传递,拆除时不得损伤模板和混凝土;
4 拆下的模板应及时进行清理,清理后的模板和配件应分类堆放整齐,不得倚靠模板或支撑构件堆放。
条文说明
5.4.3本条对现场拆除模板时所作的各项规定,对于保证新浇筑混凝土表面质量,保护与方便模板和配件的周转使用有重要指导作用。在达到拆模条件后不及时拆除模板,易造成模板难以拆除、模板面的混凝土浆难以清理,会延长施工进度、影响下一层混凝土面的成型质量。
5.5 安全措施
5.5 安全措施
5.5.1 模板工程应编制安全专项施工方案,并应经施工企业技术负责人和总监理工程师审核签字。层高超过3.3m的可调钢支撑模板工程或超过一定规模的模板工程安全专项施工方案,施工单位应组织专家进行专项技术论证。
条文说明
5.5.1专项施工方案编制审批应符合住建部《危险性较大的分部分项工程安全管理办法》的有关规定。对于层高不大于3.3m的可调钢支撑模板工程,现有较成熟的工程经验。对于层高大于3.3m的模板工程,因工程经验较少,需要有可靠的专项施工方案保证施工安全。 《危险性较大的分部分项工程安全管理办法》中关于“超过一定规模的模板工程”的规定为:搭设高度8m及以上、搭设跨度18m及以上、施工荷载15kN/m2及以上、集中线荷载20kN/m及以上的混凝土模板支撑工程。
5.5.2 模板装拆和支架搭设、拆除前,应进行施工操作安全技术交底,并应有交底记录;模板安装、支架搭设完毕,应按规定组织验收,并应经责任人签字确认。
条文说明
5.5.2安全技术交底及装、拆、验收应符合住建部《危险性较大的分部分项工程安全管理办法》的有关规定。
5.5.3 高处作业时,应符合现行行业标准《建筑施工高处作业安全技术规范》JGJ 80的有关规定。
5.5.4 安装墙、柱模板时,应及时固定支撑,防止倾覆。
5.5.5 施工过程中的检查项目应符合下列规定:
1 可调钢支撑等支架基础应坚实、平整,承载力应符合设计要求,并应能承受支架上部荷载;
2 可调钢支撑等支架底部应按设计要求设置底座或预埋螺栓,规格应符合设计要求;
3 可调钢支撑等支架立杆的规格尺寸、连接方式、间距和垂直度应符合设计要求;
4 销钉、对拉螺栓、定位撑条、承接模板与斜撑的预埋螺栓等连接件的个数、间距应符合设计要求;螺栓螺帽应扭紧;
5 当采用本规程规定外的支撑形式时,尚应符合现行行业标准《建筑施工模板安全技术规范》JGJ 162的规定。
条文说明
5.5.5本条明确了施工过程中重点检查的内容,从关键点控制上保证支架的安全,检查时应做好相关记录,并由责任人签名。
5.5.6 模板支架使用期间,不得擅自拆除支架结构杆件。
条文说明
5.5.6本条规定模板支架使用期间,不允许随意拆除架体结构杆件,避免架体因拆除杆件导致承载力不足,发生安全事故。
5.5.7 在大风地区或大风季节施工,应验算风荷载产生的上浮力影响,且应有抗风的临时加固措施,防止模板上浮。雷雨季节施工应有防湿滑、避雷措施。
条文说明
5.5.7当风荷载较大时,在钢筋及混凝土施工前,上浮风力可能大于板模板自重。由于一般的早拆头与楼板模板、可调钢支撑与下层楼面并未拉结。因此当风荷载较大时应采取可靠的连接措施防止模板整体上浮。同时,应停止施工,将已安装的钢筋、模板进行临时加固或拆除并平整堆放,堆放高度不得高于1.2m;雨季施工应使用防水插头及插座,对高耸结构的模板作业应安装避雷设施。如出现超过50mm雨量的大雨(或根据预报出现中雨或大雨)时,应关闭电源,做好排水措施,及时停止施工。大风、雨(雪)过后要立即对模板稳定性、牢固性仔细检查,发现问题要及时处理。 取楼面模板自重0.25kN/m2,以上浮风荷载与楼面模板自重相等为例说明如下: 
5.5.8 在模板搭设或拆除过程中,当停止作业时,应采取措施保证已搭设或拆除后剩余部分模板的安全。
6 检查与验收
6 检查与验收
6.0.1 浇筑混凝土前应对模板工程进行验收,并应按本规程附录G的要求填写质量验收记录表。
条文说明
6.0.1铝合金模板的安装质量直接影响到混凝土的成型质量,模板安装完成后,应按本章要求进行检查和验收。 本规程中,凡规定全数检查的项目,通常均采用观察检查的方法,但对观察难以判定的部位,应辅以测量检查。凡规定抽样检查的项目。应在全数观察的基础上,对重要部位和观察难以判定的部位进行抽样检查。抽样检查的数量通常采用“双控”的方法,即在按此比例抽样的同时,还限定了检查的最小数量。
Ⅰ 主控项目
6.0.2 安装现浇结构的上层模板及其支架时,下层楼板应具有承受上层荷载的承载能力,或加设支架;上、下层支架的立柱应对准,并铺设垫板。
检查数量:全数检查。
检验方法:对照模板设计文件和施工技术方案观察。
条文说明
6.0.2现浇混凝土结构的模板及其支架安装时,上下层支架的立柱应对准,以利于混凝土自重和施工荷载的传力,这是保证施工安全和质量的有效措施。
6.0.3 在涂刷脱模剂时,不得沾污钢筋和混凝土接槎处。
检查数量:全数检查。
检验方法:观察。
条文说明
6.0.3脱模剂沾污钢筋和混凝土接槎处可能对混凝土结构受力性能造成明显的不利影响,故应避免。
6.0.4 应按照配模设计要求检查可调钢支撑等支架的规格、间距、垂直度、插销直径等。
检查数量:全数检查。
检验方法:对照模板支架设计图纸检查。
条文说明
6.0.4铝合金模板系统中主要采用可调钢支撑,其规格、数量、间距直接影响到工程安全和质量,应严格按照设计方案布置。
6.0.5 应按本规程5.3节对销钉、背楞、对拉螺栓、定位撑条、承接模板和斜撑的预埋螺栓等的数量、位置进行检查。
检查数量:全数检查。
检验方法:对照模板设计文件检查。
条文说明
6.0.5销钉、背楞和对拉螺栓的检查包括间距、数量、是否按要求锁紧;定位撑条的检查包括数量、设置的位置是否正确、是否顶紧到位;斜撑的检查包括数量是否符合要求、预埋螺栓是否扭紧等。这些项目的检查不需使用仪器辅助,需全数检查。
Ⅱ 一般项目
6.0.6 模板安装应符合下列规定:
1 模板的接缝应平整、严密,不应漏浆;
2 模板与混凝土的接触面应清理干净并涂刷脱模剂;
3 浇筑混凝土前,模板内的杂物应清理干净。
检查数量:全数检查。
检验方法:观察。
6.0.7 应按本规程第5.2.4条规定检查模板起拱情况。
检查数量:在同一检验批内,对梁,应抽查构件数量的10%,且不少于3件;对板,应按有代表性的自然件抽查10%,且不少于3间;对大空间结构,板可按纵、横轴线划分检查面,抽查10%,且不少于3面。
检验方法:水准仪或拉线、钢尺检查。
6.0.8 固定在模板上的预埋件、预留孔、预留洞的安装允许偏差应符合表6.0.8的规定。
检查数量:在同一检验批内,对梁、柱,应抽查构件数量的10%,且不少于3件;对墙和板,应按有代表性的自然间抽查10%,且不少于3间;对大空间结构,墙可按相邻轴线间高度5m左右划分检查面,板可按纵横轴线划分检查面,抽查10%,且均不少于3面。
检验方法:钢尺检查。
表6.0.8 预埋件、预留孔、预留洞允许偏差

注:检查中心线位置时,应沿纵、横两个方向量测,并取其中的较大值。
条文说明
6.0.8对预埋件的外露长度,只允许有正偏差,不允许有负偏差;对预留洞内部尺寸,只允许大,不允许小。在允许偏差表中,不允许的偏差都以“0”来表示。
6.0.9 模板安装垂直度、平整度、轴线位置等允许偏差及检验方法应符合表6.0.9的要求,清水混凝土模板尚应符合现行行业标准《清水混凝土应用技术规程》JGJ 169的有关规定。早拆模板支撑系统的支撑偏差应符合本规程5.2.5条的规定。
检查数量:同一检验批内,抽查构件数量不少于10%,且不少于3件(面)。
检验方法:水准仪或吊线、钢尺检查。
表6.0.9 模板安装的允许偏差及检验方法

注:检查轴线位置时,应沿纵、横两个方向量测,并取其中的较大值。
条文说明
6.0.9表6.0.9中模板安装允许偏差的数值是按拆模后混凝土成型质量不抹灰的标准确定的。拆模后混凝土不抹灰可以减少建筑垃圾,符合国家绿色施工的政策要求。当工程要求抹灰时,可以对表中数据适当放松。当工程要求达到清水混凝土效果时,需满足现行国家标准《清水混凝土应用技术规程》JGJ169的相关要求。轴线位置定位的准确性对后期模板安装质量、混凝土成型质量的影响非常大。工程经验表明,铝模工程一般要求轴线偏差在2mm以内。本规程在现行国家标准《混凝土结构工程施工质量验收规范》GB50204的基础上。考虑铝模工程的实际应用情况,将轴线位置偏差定为3mm。
7 维修、保管与运输
7.1 维修与保管
7 维修、保管与运输
7.1 维修与保管
7.1.1 模板构件拆除后,应及时清除粘结砂浆、杂物、脱模剂。对变形、损坏的模板及配件,应及时整形和修补,修复后的模板应符合表7.1.1的规定。
表7.1.1 模板修复后质量标准


条文说明
7.1.1旧模板循环使用过程中,由于各种因素的影响,拆模后混凝土质量将达不到工程要求,此时需将模板返回工厂修复。修复后的模板由于使用或修复过程中挤压拉伸的影响,可能会出现正偏差,而宽度方向本身尺寸较小则一般不允许出现正偏差。在模板使用过程中,由于多次清理,面板厚度可能会更薄,但仍需保证面板的强度与刚度。模板使用过程中,销钉孔可能会更大,但孔间距不得偏差太大,应保证模板安装时相邻模板孔位对齐。对变形的模板应及时调整,焊缝应及时修补。
7.1.2 对暂不使用的模板应按规格分类存放。
条文说明
7.1.2入库保存的配件,应是经过维修保养合格的,并应分类存放,小件应点数装袋,大件要整数成垛,以便清仓查库。堆放场地不平整时应垫平。
7.1.3 模板宜放在室内或敞棚内,模板的底面应垫离地面100mm以上。露天堆放时,地面应平整、坚实、有排水措施,模板底面应垫离地面200mm以上,应至少有两个支点,且支点间距不宜大于800mm、离模板两端的距离不宜大于200mm,露天堆放的总高度不宜大于2000mm,且应有可靠的防倾覆措施。
条文说明
7.1.3模板及配件宜放在室内或敞棚内,不宜直接码放在地面上。铝合金模板应垫离地面100mm,除了可以防止因地面潮湿污浊模板表面外,还给模板下次取用留出叉车空间或行车穿钢丝绳空间。
7.2 运输
7.2 运 输
7.2.1 模板运输时,应有防止模板滑动的措施。
7.2.2 短途运输时,模板可采用散装运输;长途运输时,模板应用简易集装。
7.2.3 预组装模板运输时,可根据预组装模板的结构、规格尺寸和运输条件等,采取分层平放运输或分格竖直运输,并应分隔垫实。
附录A转角模板、早拆装置、配件规格与孔位要求
A.1转角模板规格与孔位要求
附录A 转角模板、早拆装置、配件规格与孔位要求
A.1 转角模板规格与孔位要求
A.1.1 楼板、梁侧、梁底阴角模板(图A.1.1)的规格与孔位宜符合表A.1.1的规定。

图A.1.1 楼板、梁侧、梁底阴角模板示意图
1-铝板加劲,间距不大于700mm
表A.1.1 楼板、梁侧、梁底阴角模板规格与孔位规定(mm)

A.1.2 楼板阴角转角模板(图A.1.2)的规格与孔位宜符合表A.1.2的规定。
表A.1.2 楼板阴角转角模板规格与孔位规定(mm)


图A.1.2 楼板阴角转角模板示意图
1-铝板加劲
A.1.3 墙柱阴角模板(图A.1.3)的规格与孔位宜符合表A.1.3的规定。

图A.1.3 墙柱阴角模板示意图
1-铝板加劲,间距不大于700mm
表A.1.3 墙柱阴角模板规格与孔位规定(mm)

注:内墙柱阴角模板底部第一个孔位中心距模板底部(50+40)mm。
A.1.4 连接角模(图A.1.4)的规格与孔位宜符合表A.1.4的规定。

图A.1.4 连接角模示意图
表A.1.4 连接角模规格与孔位规定(mm)

A.2早拆装置及配件规格与孔位规定
A.2 早拆装置及配件规格与孔位规定
A.2.1 梁底早拆头(图A.2.1)的规格与孔位宜符合表A.2.1的规定。
表A.2.1 梁底早拆头规格与孔位规定(mm)

注:1 单向梁底早拆头宽度b=100mm,长度L=梁宽+2×20mm;
2 双向梁底早拆头长、宽尺寸分别同各向梁宽。
A.2.2 板底早拆头(图A.2.2)的规格宜符合表A.2.2的规定。
表A.2.2 板底早拆头规格(mm)


图A.2.1 梁底早拆头示意图
1-铝板加劲

图A.2.2 板底早拆头示意图
A.2.3 早拆铝梁(图A.2.3)的规格与孔位宜符合表A.2.3的规定。

图A.2.3 早拆铝梁示意图
1-加劲封板
表A.2.3 早拆铝梁规格与孔位规定(mm)

附录B铝合金型材截面特征
附录B 铝合金型材截面特征
B.0.1 铝合金挤压型材(图B.0.1-1、图B.0.1-2)截面特征取值可按表B.0.1-1、B.0.1-2、B.0.1-3取用。

图B.0.1-1 400U铝合金挤压型材截面示意图

图B.0.1-2 50~300U系列铝合金挤压型材截面示意图
表B.0.1-1 200~400U铝合金挤压型材截面特征


表B.0.1-2 100~150U铝合金挤压型材截面特征

表B.0.1-3 50~75U铝合金挤压型材截面特征

附录C模板质量检验评定方法
附录C 模板质量检验评定方法
C.0.1 评定方法应符合下列规定:
1 检查项目按重要程度分为主要项目和一般项目两种;
2 主要项目抽样检验点合格率不应低于90%,一般项目抽样检验点合格率不应低于80%;
3 铝合金模板主要项目的不合格点中有20%的检查点超出允许偏差值1.2倍时,应另外加倍抽样检验。加倍抽样检验的结果,仍有10%的检查点超出允许偏差值1.2倍,则该品种为不合格品;
4 焊缝必须全部检查。当有夹渣、咬边或气孔等缺陷时,该点按不合格计,有漏焊、焊穿等缺陷时,该板判为不合格板。
C.0.2 检查项目和检查方法应按表C.0.2执行。
表C.0.2 铝合金模板质量检查项目和检查方法


条文说明
C.0.2面板厚度影响模板刚度,进而影响混凝土成型后的平整度,为主要项目。单件模板加工过程中,销孔沿板长度方向的中心距、宽度方向的中心距控制板面的平整度,影响模板系统的垂直度,为主要项目。型材凸棱设计主要是加强铝合金模板的边框强度,一般不影响模板成型后浇捣混凝土的质量,为一般项目。端肋与边框的垂直度影响模板的耐久性及混凝土成型后的垂直度,考虑为主要项目。板面平面度影响拆模后墙、柱、梁及楼板平整度,为主要项目。焊缝必须全部检查,但不直接影响模板平整度、垂直度,考虑为一般项目。连接角模偏差在铝型材出厂已经确定,影响天花与梁、柱的垂直度,考虑为主要项目。
C.0.3 铝合金模板和配件的检测抽样方法应按现行国家标准《计数抽样检验程序第1部分:按接收质量限(AQL)检索的逐批检验抽样计划》GB/T 2828.1的有关规定进行随机抽样。铝合金模板和配件样本的抽取、检查及合格品的判定应符合下列规定:
1 合格质量水平的规定。模板和配件的质量检验合格质量水平采用6.5,荷载及破坏性检测的合格质量水平采用4.0。
2 检查水平的规定。模板和配件的质量检查水平采用一般检查水平Ⅰ,荷载及破坏性检测的检查水平采用特殊检查水平S-3。
3 检查严格度的确定。模板与配件质量检验开始应使用正常检查抽样方案,荷载与破坏性检测可使用放宽检查抽样方案。严格度的转移规则应按现行国家标准《计数抽样检验程序第1部分:按接收质量限(AQL)检索的逐批检验抽样计划》GB/T 2828.1的有关规定执行。
4 抽样方案类型的选择。抽样方案宜采用一次抽样方案,在生产稳定、质量保证体系健全的情况下,可采用二次抽样方案。采用二次抽样方案时,检查水平、合格质量水平、抽样方案、严格度以及提交检查批的规定均应与一次抽样方案相同。
5 检查批的提出。模板和配件的提交检查批,应由具有基本相同的设计和生产条件下制造的单位产品所组成。
6 样本的抽取。样本应从提交的检查批中随机抽取,所抽取样本的大小应按现行国家标准《计数抽样检验程序第1部分:按接收质量限(AQL)检索的逐批检验抽样计划》GB/T 2828.1的有关规定执行,抽取样本的时间可在批的形成过程中,也可在批形成以后。
7 样本的检查。样本单位的质量检验应按本规程第C.0.1条、第C.0.2条规定的产品质量标准逐项对样本单位进行检查。
8 逐批检查合格或不合格的判断。样本的合格品判定应按本规程第C.0.1条、第C.0.2条的规定执行,样本单位合格品数之和及不合格品数之和即为该检查批的合格判定数与不合格判定数,根据规定数的大小可以判定该检查批的合格或不合格。
9 逐批检查后的处置。对于判为合格后的检查批的接受与不合格后的再次提交检查的处理,应按现行国家标准《计数抽样检验程序 第1部分:按接收质量限(AQL)检索的逐批检验抽样计划》GB/T 2828.1的有关规定执行。
附录D模板试验方法
附录D 模板试验方法
D.0.1 试验可采用下列设备:
1 百分表;
2 测试支架;
3 砝码。
条文说明
D.0.1为综合检验模板的承载力和刚度(包括整体、面板、次肋、焊缝等),宜选用散体材料作为加载的砝码。
D.0.2 试验荷载应按本规程表D.0.4取值。
条文说明
D.0.2墙柱模板的试验荷载取值按现行国家标准《混凝土结构工程施工规范》GB50666附录A的混凝土侧压力计算公式,结果偏安全取整;楼板模板的试验荷载取值按200mm厚混凝土板及2.50kN/m2的施工荷载确定,可满足大多数住宅的使用要求。当楼板厚度或施工荷载超过时,应按现行国家标准《混凝土结构工程施工规范》GB50666相关规定进行荷载组合,确定实际荷载,进行试验。刚度试验的荷载使用标准值,强度试验的荷载使用设计值。
D.0.3 试验方法应符合下列规定:
1 百分表应放置在模板支点间距的1/2处,离模板边缘100mm,长边方向每边各一块;当模板宽度不大于300mm时,可只在面板跨中放置一个;
2 预加荷载为0.1kN~0.2kN,模板承受预加荷载后将百分表调整到“零”位;
3 试验加荷应分级进行,每级加荷后保荷时间大于等于2min,达到标准荷载后保荷时间大于等于2h,记录变形情况;
4 按百分表测量数据计算模板的挠度算术平均值;
5 卸载后测量模板的残余变形值,并检查样件的破坏情况及焊缝是否有裂纹。
条文说明
D.0.3百分表放置的位置必须有代表性,以便能测取关键的数据,便于对试验结果分析和计算。 为了加载和分级需要,应尽可能减少加载时的冲击力,保证荷载的分级精确及分布均匀。在荷载达到标准荷载前,每级加载值不应大于标准荷载的20%,一般分五级加至标准荷载;卸载一般可按加载级距,也可放大1倍或分两次卸完。
D.0.4 模板试验应满足表D.0.4的规定。
表D.0.4 模板试验规定

条文说明
D.0.4本荷载试验采用均布荷载加载,楼板模板的荷载试验简图如图25所示,墙柱模板的荷载试验简图如图26所示。标准楼板模板长度为1100mm,支点间距取为1100mm,试验时,可以利用楼板阴角模板作为支点。当实际试验用模板的支点间距与表D.0.4中数值不同时,刚度试验时荷载不变,可按等刚度代换原则确定其跨中最大挠度;强度试验时可按等弯矩代换原则确定其试验荷载。墙柱模板的支点间距由背楞和对拉螺栓的间距(不大于800mm)确定。
图25楼板模板均布荷载试验简图 q-均布荷载;1,2-百分表
图26墙柱模板均布荷载试验简图 q-均布荷载;1,2-百分表
附录E常用钢构件规格及截面特征
附录E 常用钢构件规格及截面特征
E.0.1 常用钢背楞(图E.0.1)规格及截面特征取值可按表E.0.1取用。

图E.0.1 背楞示意图
1-矩形钢管;2-连接钢管
表E.0.1 背楞截面特性

注:表中数据为单根矩形钢管截面特性。
E.0.2 支撑高度不大于3.1m且插销直径不小于14mm的Q235常用可调钢支撑(图E.0.2)规格、截面特征及承载力取值可按表E.0.2取用。
表E.0.2 可调钢支撑截面特性及承载力


图E.0.2 常用可调钢支撑示意图
1-插管;2-插销;3-套管
附录F铝合金模板早拆审批表
附录F 铝合金模板早拆审批表
表F 铝合金模板早拆审批表

注:1 本表由专业工长填写申请,施工单位保存;
2 早拆部位应按施工方案要求执行。
附录G铝合金模板安装及拆除工程检验批质量验收记录表
附录G 铝合金模板安装及拆除工程检验批质量验收记录表
表G-1 铝合金模板安装工程检验批质量验收记录表


注:本表由专业质检员填写,施工单位保存。
表G-2 铝合金模板拆除工程检验批质量验收记录表

注:本表由专业质检员填写,施工单位保存。
本规程用词说明
本规程用词说明
1 为便于在执行本规程条文时区别对待,对要求严格程度不同的用词说明如下:
1)表示很严格,非这样做不可的:
正面词采用“必须”,反面词采用“严禁”;
2)表示严格,在正常情况下均应这样做的:
正面词采用“应”,反面词采用“不应”或“不得”;
3)表示允许稍有选择,在条件许可时首先应这样做的:
正面词采用“宜”,反面词采用“不宜”;
4)表示有选择,在一定条件下可以这样做的,采用“可”。
2 条文中指明应按其他有关标准执行的写法为:“应符合……的规定”或“应按……执行”。
引用标准名录
引用标准名录
1 《建筑模数协调标准》GB/T 50002
2 《建筑结构荷载规范》GB 50009
3 《混凝土结构设计规范》GB 50010
4 《钢结构设计规范》GB 50017
5 《混凝土结构工程施工质量验收规范》GB 50204
6 《铝合金结构设计规范》GB 50429
7 《混凝土结构工程施工规范》GB 50666
8 《碳素结构钢》GB/T 700
9 《低合金高强度结构钢》GB/T 1591
10 《计数抽样检验程序 第1部分:按接收质量限(AQL)检索的逐批检验抽样计划》GB/T 2828.1
11 《变形铝及铝合金化学成分》GB/T 3190
12 《低压流体输送用焊接钢管》GB/T 3091
13 《非合金钢及细晶粒钢焊条》GB/T 5117
14 《热强钢焊条》GB/T 5118
15 《一般工业用铝及铝合金挤压型材》GB/T 6892
16 《结构用无缝钢管》GB/T 8162
17 《直缝电焊钢管》GB/T 13793
18 《铝及铝合金的弧焊接头缺欠质量分级指南》GB/T 22087
19 《建筑施工高处作业安全技术规范》JGJ 80
20 《建筑施工模板安全技术规范》JGJ 162
21 《清水混凝土应用技术规程》JGJ 169
