Appearance
《胶合木结构技术规范[附条文说明] 》GB/T 50708-2012
🗓️ 住房和城乡建设部 实施时间:2012-08-01
前言
中华人民共和国国家标准
胶合木结构技术规范
Technical code of glued laminated timber structures
GB/T 50708-2012
主编部门:四川省住房和城乡建设厅
批准部门:中华人民共和国住房和城乡建设部
施行日期:2012年8月1日
中华人民共和国住房和城乡建设部公告
第1273号
关于发布国家标准《胶合木结构技术规范》的公告
现批准《胶合木结构技术规范》为国家标准,编号为GB/T 50708-2012,自2012年8月1日起实施。
本规范由我部标准定额研究所组织中国建筑工业出版社出版发行。
中华人民共和国住房和城乡建设部
2012年1月21日
前言
根据原建设部《关于印发<2006年共程建设标准规范制订、修订计划(第一批)>的通知》(建标[2006]77号)的要求,由中国建筑西南设计研究院有限公司会同有关单位编制完成的。
本规范在编制过程中,编制组经过广泛的调查研究,参考国际先进标准,总结并吸收了国内外有关胶合木结构技术和设计、应用的成熟经验,并在广泛征求意见的基础上,最后经审查定稿。
本规范共分10章和8个附录,主要技术内容包括:总则、术语和符号、材料、基本设计规定、构件设计、连接设计、构件防火设计、构造要求、构件制作与安装、防护与维护。
本规范由住房和城乡建设部负责管理。由中国建筑西南设计研究院有限公司负责具体技术内容的解释。在执行本规范过程中,请各单位结合工程实践,认真总结经验,并将意见和建议寄送中国建筑西南设计研究院有限公司(地址:四川省成都市天府大道北段866号,木结构规范管理组收,邮编:610042,邮箱:xnymjg@xnjz.com)。
本规范主编单位:中国建筑西南设计研究院有限公司
本规范参编单位:四川省建筑科学研究院
哈尔滨工业大学
同济大学
四川大学
重庆大学
北京林业大学
公安部四川消防研究所
中国林业科学研究院
本规范参加单位:美国林业与纸业协会及APA工程木协会
中国欧盟商会欧洲木业协会
汉高(中国)投资有跟公司瑞士普邦公司
成都川雅木业有限公司
苏州皇家整体住宅系统股份有限公司
赫英木结构制造(天津)有限公司
上海宏加新型建筑结构制造有限公司
本规范主要起草人员:龙卫国 王永维 杨学兵 许方 祝恩淳 张新培 何敏娟 周淑容 蒋明亮 郑炳丰 张绍明 王渭云 殷亚方 申世杰 倪竣 张华君 李俊明 方明
本规范主要审查人员:戴宝城 熊海贝 陆伟东 吕建雄 古天纯 邱培芳 杨军 孙德魁 王林安 程少安
条文说明
中华人民共和国国家标准 胶合木结构技术规范 GB/T50708-2012 条文说明 制订说明 《胶合木结构技术规范》GB/T50708-2012已由住房和城乡建设部于2012年1月21日第1273号公告批准、发布。 在编制过程中,规范编制组经过广泛的调查研究,主要参考了美国标准NationalDesignSpecificationForWoodConstruction2005,总结并吸收了欧美地区在胶合木结构技术和设计、应用等方面的成熟经验,结合我国的具体情况,并在广泛征求意见的基础上,编制了本规范。 为了便于广大工程技术人员、科研和学校的相关人员在使用本技术规范时能正确理解和执行条文规定,《胶合木结构技术规范》编制组按章、节、条顺序编制了本规范的条文说明,对条文规定的目的、依据以及执行中需注意的有关事项进行了说明。但是,本条文说明不具备与规范正文同等的法律效力,仅供使用者作为理解和把握规范规定的参考。
1 总则
1 总 则
1.0.1 为在胶合木结构的应用中贯彻执行国家的技术经济政策,做到技术先进、安全适用、经济合理、确保质量、保护环境,制定本规范。
条文说明
1.0.1本条主要阐明制定本规范的目的。 近年来,随着我国的经济发展,胶合木结构在工程建设中大量涌现。由于在国家标准《木结构设计规范》GB50005-2003修订过程中,对胶合木结构的内容未作新的修订,其胶合木结构的相关内容已远远落后于国际先进技术。根据胶合木结构的发展趋势和现有国家标准的具体情况,本技术规范主要规范了胶合木结构的设计,指导胶合木结构在工程中的应用,避免在工程中出现质量问题。
1.0.2 本规范适用于建筑工程中承重胶合木结构的设计、生产制作和安装。
条文说明
1.0.2本条规定了本规范的适用范围。考虑到我国木结构建筑的发展趋势,胶合木结构在建筑中的适用范围为住宅、单层工业建筑和多种使用功能的大中型公共建筑,主要适用于大跨度、大空间结构形式。本规范不适用于临时性建筑设施以及施工用支架、模板和拔杆等工具结构的设计。 国家标准《木结构设计规范》GB50005-2003规定的胶合木结构采用我国传统的胶合工艺、组坯方式、选材标准和设计指标的一套体系,本规范综合借鉴国际上近三十年来胶合木结构先进技术和先进工艺,制定出我国新的胶合木结构设计和施工体系。
1.0.3 本规范胶合木宜采用针叶材,胶合木构件截面的层板组合不得低于4层。
条文说明
1.0.3本条规定了本规范适用的木材种类为针叶树种木材,结构构件截面的层板组合应大于4层。根据我国木材资源现状和我国进口木材状况,以及目前胶合木结构加工技术,本规范不考虑采用阔叶树种木材制作胶合木。
1.0.4 胶合木结构的施工验收应符合现行国家标准《建筑工程施工质量验收统一标准》GB 50300和《木结构工程施工质量验收规范》GB 50206的有关规定。
1.0.5 胶合木结构的设计、制作和安装,除应符合本规范的规定外,尚应符合国家现行有关标准的规定。
条文说明
1.0.4、1.0.5主要明确规范应配套使用。 由于与胶合木结构的设计、制作和安装相关的国家标准和行业标准较多,因此在实际使用时,其他标准规范的相关规定也应参照执行。 对于胶合木结构的设计,当与国家标准《木结构设计规范》GB50005-2003(2005年版)的相关规定有不同时,应以本规范为设计依据。
2 术语和符号
2.1 术语
2 术语和符号
2.1 术 语
条文说明
在国家相关标准中有关于结构的惯用术语的基础上,列出了新术语,主要是根据《木材科技词典》及参照国际上胶合木结构技术常用术语进行编写。例如,目测分级层板、层板组坯、对称异等组合等。
2.1.1 胶合木 structural laminated timber(glulam)
以厚度为20mm~45mm的板材,沿顺纹方向叠层胶合而成的木制品。也称层板胶合木,或称结构用集成材。
2.1.2 普通胶合木层板 lamina
通过用肉眼观测方式对木材材质划分等级,按构件的主要用途和部位选用相应的材质等级,并用于制作胶合木的板材。
2.1.3 目测分级层板 visual graded lamina
在工厂用肉眼观测方式对木材材质划分等级,并用于制作胶合木的板材。
2.1.4 机械弹性模量分级层板 machine graded lamina
在工厂采用机械设备对木材进行非破损检测,按测定的木材弹性模量对木材构质划分等级,并用于制作胶合木的板材。
2.1.5 组坯 lamina lay-ups
在胶合木制作时,根据层板的材质等级,按规定的叠加方式和配置要求将层板组合在一起的过程。
2.1.6 同等组合 members of same lamina grade(MSLG)
胶合木构件只采用材质等级相同的层板进行组合。
2.1.7 异等组合 members of different lamina grade(MDLG)
胶合木构件采用两个或两个以上的材质等级的层板进行组合。
2.1.8 对称异等组合 balanced lay-up
胶合木构件采用异等组合时,不同等级的层板以构件截面中心线为对称轴,成对称布置的组合。
2.1.9 非对称异等组合 unbalanced lay-up
胶合木构件采用异等组合时,不同等级的层板在构件截面中心线两侧成非对称布置的组合。
2.1.10 表面层板 outmost lamina
异等组合胶合木中,位于构件截面的表面边缘,距构件边缘不小于1/16截面高度范围内的层板。
2.1.11 外侧层板 exterior lamina
异等组合胶合木中,与表面层板相邻的,距构件外边缘不小于1/8截面高度范围内的层板。
2.1.12 内侧层板 inner lamina
异等组合胶合木中,与外侧层板相邻的,距构件外边缘不小于1/4截面高度范围内的层板。
2.1.13 中间层板 middle zone lamina
异等组合胶合木中,与内侧层板相邻的,位于构件截面中心线两侧各1/4截面高度范围内的层板。
条文说明
2.1.10~2.1.13各条内容如图1所示。 
图1异等组合胶合木构件各层板位置示意图
2.2 符号
2.2 符 号
条文说明
解释了本规范采用的主要符号的意义。
2.2.1 材料力学性能
E——胶合木弹性模量;
f c ——胶合木顺纹抗压及承压强度设计值;
f cE ——胶合木受压构件抗压临界屈曲强度设计值;
f cα ——胶合木斜纹承压强度设计值;
f m ——胶合木抗弯强度设计值;
f mE ——胶合木受弯构件抗弯临界屈曲强度设计值;
f t ——胶合木顺纹抗拉强度设计值;
f v ——胶合木顺纹抗剪强度设计值;
[ω]——受弯构件的挠度限值。
2.2.2 作用和作用效应
M——弯矩设计值;
M x 、M y ——构件截面x轴和y轴的弯矩设计值;
N——轴向力设计值;
P——经调整后的剪板在构件侧面上顺纹承载力设计值;
Q——经调整后的剪板在构件侧面上横纹承载力设计值;
R——构件截面承载力设计值;
S——作用效应组合的设计值;
V——剪力设计值;
σ mx 、σ my ——对构件截面x轴和y轴的弯曲应力设计值;
ω——构件按荷载效应的标准组合计算的挠度。
2.2.3 几何参数
A——构件全截面面积;
A n ——构件净截面面积;
A 0 ——受压构件截面的计算面积;
A c ——承压面面积;
b——构件的截面宽度;
d——螺栓或钉的直径;
e 0 ——构件的初始偏心距;
h——构件的截面高度;
h b ——变截面构件的截面最大高度;
h n ——受弯构件在切口处净截面高度;
I——构件的全截面惯性矩;
i——构件截面的回转半径;
l e ——受压构件两个支点间的计算长度;
S——剪切面以上的截面面积对中性轴的面积矩;
W——构件的全截面抵抗矩;
W n ——构件的净截面抵抗矩;
λ——构件的长细比。
2.2.4 系数
k i ——变截面直线受弯构件设计强度相互作用调整系数;
γ 0 ——结构构件重要性系数;
φ——轴心受压构件的稳定系数;
φ l ——受弯构件的侧向稳定系数。
2.2.5 其他
C——根据结构构件正常使用要求规定的变形限值;
β e ——根据耐火极限t的规定调整后的有效炭化速率。
3 材料
3.1 木材
3 材 料
3.1 木 材
3.1.1 胶合木构件采用的层板分为普通胶合木层板、目测分级层板和机械分级层板三类。用于制作胶合木的层板厚度不应大于45mm。通常采用20mm~45mm。胶合木构件宜采用同一树种的层板组成。
条文说明
3.1.1国家标准《木结构设计规范》GB50005-2003规定的胶合木构件系采用我国传统的胶合工艺、组坯方式、选材标准和设计指标的一套体系。目前国际上,用于制作胶合木构件的层板采用了更精细的目测分级和机械分级层板。为了胶合木结构能在我国科学健康地发展,我们借鉴了国际先进技术,并与我国实际相结合,制定新的分级标准,但由于实践经验不足及我国广大科技人员还有一个熟悉、了解的过程,为便于使用,仍保留了传统的分级方法。故本规范胶合木构件采用的层板分为普通胶合木层板、目测分级层板和机械分级层板。 考虑到不同树种木材的物理力学性能的差异,胶合木宜采用同一树种的层板制作,并规定了层板的最大厚度限值。
3.1.2 普通胶合木层板材质等级为3级,其材质等级标准应符合表3.1.2的规定。
表 3. 1.2 普通胶合木层板材质等级标准


注:1 按本标准选材配料时,尚应注意避免在制成的胶合构件的连接受剪面上有裂缝;
2 对于有过大缺陷的木材,可截去缺陷部分,经重新接长后按所定级别使用。
条文说明
3.1.2普通胶合木层板材质等级仍按国家标准《木结构设计规范》GB50005-2003(2005年版)的规定分为三级,各项分级指标均未改动。对于尚不能按胶合木目测分级层板和机械分级层板进行选材时,仍应按国家标准《木结构设计规范》GB50005-2003(2005年版)的规定设计和制作胶合木结构。
3.1.3 目测分级层板材质等级为4级,其材质等级标准应符合表3. 1.3-1的规定。当目测分级层板作为对称异等组合的外侧层板或非对称异等组合的抗拉侧层板,以及同等组合的层板时,表3.1.3-1中Ⅰ d 、Ⅱ d 和Ⅲ d 三个等级的层板尚应根据不同的树种级别满足下列规定的性能指标:
1 对于长度方向无指接的层板,其弹性模量(包括平均值和5%的分位值)应满足表3.1.3-2规定的性能指标;
2 对于长度方向有指接的层板,其抗弯强度或抗拉强度(包括平均值和5%的分位值)应满足表3.1.3-2规定的性能指标。
表3. 1. 3-1 目测分级层板材质等级标准


表3. 1. 3-2 目测分级层板强度和弹性模量的性能指标(N/mm 2 )

注:1 层板的抗拉强度,应根据层板的宽度,乘以本规范表3. 1. 5-2规定的调整系数;
2 表中树种级别应符合本规范表4. 2. 2-1的规定。
条文说明
3.1.3目测分级层板材质等级分为4级,与传统胶合木层板相比,分级更为精细,要求更为严格,更能充分利用木材的强度,从而提高胶合材构件的承载能力。 当目测分级层板作为对称异等组合外侧层板或非对称异等组合抗拉侧层板,以及同等组合的层板时,与传统的分级方法要求尤其不同的是,不仅要对各种缺陷根据目测做出不同的限制要求,尚应根据树种级别及材质等级的不同,规定了应满足必要的性能指标。这点是对传统的目测方法作出的根本性改变,对保证胶合木构件的性能起到至关重要的作用。
3.1.4 机械分级层板分为机械弹性模量分级层板和机械应力分级层板。机械弹性模量分级层板为9级,其弹性模量平均值应符合表3. 1.4-1的规定。机械应力分级层板应符合现行国家标准《木结构设计规范》GB 50005的有关规定。当采用机械应力分级层板制作胶合木时,机械应力分级层板与机械弹性模量分级层板的对应关系应符合表3. 1.4-2的规定。
表3. 1.4-1 机械弹性模量分级层板弹性模量的性能指标

表3. 1.4-2 机械应力分级层板与机械弹性模量分级层板的对应关系

3.1.5 机械弹性模量分级层板,当层板为指接层板,且作为对称异等组合的表面和外侧层板、非对称异等组合抗拉侧的表面和外侧层板,以及同等组合的层板时,除满足弹性模量平均值的要求外,其抗弯强度或抗拉强度应满足表3.1.5-1规定的性能指标。
表3. 1.5-1 机械分级层板强度性能指标(N/mm 2 )

注:表中层板的抗拉强度,应根据层板的宽度,乘以表3. 1.5-2规定的调整系数。
表3. 1.5-2 抗拉强度调整系数

条文说明
3.1.4、3.1.5机械分级层板分为机械弹性模量分级层板和机械应力分级层板,国际上大量使用的是机械弹性模量分级,即在工厂采用机械设备对木材进行非破损检测,按测定的木材弹性模量对木材材质划分等级。但是,当使用现行国家标准《木结构设计规范》GB50005中规定的按机械应力方法进行分级的层板,并符合胶合木构件要求时,亦可用于制作胶合木构件。 机械弹性模量分级层板的等级数,各国不尽相同。根据我国的实际,选用了从ME7~MEl8共9等,机械应力分级选用了M10~M40共6等,基本能满足各强度等级构件的制作组坯需要。对机械应力分级层板,根据弹性模量相应关系,给出了与机械弹性模量分层等级的对照表,供设计人员使用。 应强调的是,机械弹性模量分级层板,主要是根据弹性模量来分级的,但当层板为指接层板,并且作为对称异等组合的表面和外侧层板,非对称异等组合抗拉侧的表面和外侧层板,以及同等组合的层板时,除满足弹性模量要求外,还应满足抗弯强度或抗拉强度的性能指标要求。这和目测分级层板要求的类似,是保证构件关键受力部位的性能要求,以提高构件的承载能力。
3.1.6 机械应力分级层板的弹性模量可根据本规范表3.1.4-2的对应关系,采用等级相对应的机械弹性模量分级层板的弹性模量。机械应力分级层板作为对称异等组合的表面和外侧层板、非对称异等组合抗拉侧的表面和外侧层板,以及同等组合的层板时,除满足弹性模量平均值的要求外,其抗弯强度或抗拉强度应满足本规范表3.1.5-1规定的性能指标。
条文说明
3.1.6与本规范第3.1.5条要求相同,即不管是机械弹性模量分级还是机械应力分级,在关键部位的层板,还应保证其关键的性能要求,以提高构件的承载能力。
3.1.7 各等级的机械弹性模量分级层板除满足相应等级的性能指标外,尚应符合表3.1.7规定的机械分级层板的目测材质标准。
表3. 1. 7 机械分级层板的目测材质标准

条文说明
3.1.7在本规范第3.1.3条规定中,可以看出目测分级层板,除按对缺陷分级外,还有对性能的要求。同理对机械分级层板,除按性能进行分级外,还对一些缺陷项目规定了目测要求。这样,可以全面地保证构件质量,这与传统的分级方法相比,理念上是一个很大的进步。
3.1.8 胶合木构件制作时,层板在胶合前含水率不应大于15%,且相邻层板间含水率相差不应大于5%。
条文说明
3.1.8胶合木构件制作时,应严格控制层板的含水率。制作时层板含水率应在8%~15%的范围内。考虑到含水率对层板变形的影响,因此,制作构件时相邻层板的含水率不应有较大的差别。
3.2 结构用胶
3.2 结构用胶
3.2.1 胶合木结构用胶必须满足结合部位的强度和耐久性的要求,应保证其胶合强度不低于木材顺纹抗剪和横纹抗拉的强度。胶粘剂的防水性和耐久性应满足结构的使用条件和设计使用年限的要求,并应符合环境保护的要求。
条文说明
3.2.1胶合木结构用胶是影响构件质量和结构安全的重要因素之一。蠕变测试作为胶粘剂长期行为(抗蠕变性能)的评估手段是非常重要的。耐候性(直接暴露于水和阳光中)是胶粘剂耐久性的一种评估手段。耐久性体现了胶粘剂抵抗直接暴露于自然环境中引起降解的能力。规定胶粘剂胶合强度应高于木材顺纹抗剪和横纹抗拉强度的要求,其重点是确定胶黏剂强度必须超越木材基材,这反映了胶粘剂的实际用途。
3.2.2 结构用胶粘剂应根据胶合木结构的使用环境(包括气候、含水率、温度)、木材种类、防水和防腐要求以及生产制造方法等条件选择使用。
3.2.3 承重结构采用的胶粘剂按其性能指标分为Ⅰ级胶和Ⅱ级胶。在室内条件下,普通的建筑结构可采用Ⅰ级或Ⅱ级胶粘剂。对下列情况的结构应采用Ⅰ级胶粘剂:
1 重要的建筑结构;
2 使用中可能处于潮湿环境的建筑结构;
3 使用温度经常大于50℃的建筑结构;
4 完全暴露在大气条件下,以及使用温度小于50℃,但是所处环境的空气相对湿度经常超过85%的建筑结构。
条文说明
3.2.2、3.2.3结构工程木制品包含许多产品,如室内用(干气候条件)产品和户外用(直接暴露于气候)产品。因此,明确区分两组不同的胶粘剂是非常必要的。Ⅰ级胶满足户外暴露要求,适合于所有产品应用,而Ⅱ级胶只能满足室内干用途的要求。仅允许使用满足较高要求的Ⅰ级胶,是一种选择,但这会导致浪费。
3.2.4 当承重结构采用酚类胶和氨基塑料缩聚胶粘剂时,胶粘剂的性能指标应符合表3.2.4的规定。
表3.2. 4 承重结构用酚类胶和氨基塑料缩聚胶粘剂性能指标


注:A1~A5为剪切试验时试件的5种处理方法,应符合本规范表A. 1. 4的规定,胶缝厚度为0.1mm和1.0mm。
3.2.5 当承重结构采用单成分聚氨酯胶粘剂时,胶帖剂的性能指标应符合表3. 2.5的规定。
表3.2.5 承重结构用单成分聚氨酯胶粘剂性能指标

注:A1~A5为剪切试验时试件的5种处理方法,应符合本规范表A. 1. 4的规定,胶缝厚度为0.1mm和0.5mm。
条文说明
3.2.4、3.2.5本规范只规定采用酚类胶和氨基胶,其主要原因是此两类胶种是被国际承重胶合木市场广泛接受认可的。本规范所规定的胶粘剂性能试验方法和指标是参照欧洲标准《用于承重结构的酚醛胶和尿素胶——分类和性能要求》EN301、《承重木结构用胶——试验方法(酚类和氨基塑料胶粘剂)》EN302、EN15425要求和《承重木结构用胶——试验方法(聚氨酯胶粘剂)》EN15416的规定制定。
3.3 钢材
3.3 钢 材
3.3.1 胶合木结构中使用的钢材宜采用Q235钢、Q345钢、Q390钢和Q420钢,其质量应分别符合现行国家标准《碳素结构钢》GB/T 700和《低合金高强度结构钢》GB/T 1591的有关规定。当采用其他牌号的钢材时,应符合国家现行有关标准的规定。
3.3.2 下列情况的承重构件或连接材料宜采用D级碳素结构钢或D级、E级低合金高强度结构钢:
1 直接承受动力荷载或振动荷载的焊接构件或连接件;
2 工作温度等于或低于-30℃的构件或连接件。
3.3.3 钢材应具有抗拉强度、伸长率、屈服强度和硫、磷含量的合格保证,对焊接构件或连接件尚应有含碳量的合格保证。
条文说明
3.3.1~3.3.3本规范在现行国家标准《钢结构设计规范》GB50017有关规定的基础上,进一步明确了胶合木结构对钢材的选用要求。主要明确在钢材质量合格保证的问题上,不能因用于胶合木结构而放松了要求。 由于当前国内胶合木结构的应用大量采用进口的胶合木构件,在构件连接时也同样采用了进口的钢连接件,因此,本规范规定在胶合木结构中使用其他牌号的钢材应符合国家现行有关标准的规定,主要是针对进口钢连接件作出的要求。
3.3.4 连接材料应符合下列规定:
1 手工焊接采用的焊条,应符合现行国家标准《碳钢焊条》GB/T 5117或《低合金钢焊条》GB/T 5118的有关规定,选择的焊条型号应与主体金属力学性能相适应;
2 普通螺栓应符合现行国家标准《六角头螺栓-C级》GB/T 5780和《六角头螺栓》GB/T 5782的有关规定;
3 高强度螺栓应符合现行国家标准《钢结构用高强度大六角头螺栓》GB/T 1228、《钢结构用高强度大六角螺母》GB/T 1229、《钢结构用高强度垫圈》GB/T 1230、《钢结构用高强度大六角头螺栓、大六角螺母、垫圈技术条件》GB/T 1231或《钢结构用扭剪型高强度螺栓连接副技术条件》GB/T 3633的有关规定;
4 锚栓可采用现行国家标准《碳素结构钢》GB/T 700中规定的Q235钢或《低合金高强度结构钢》GB/T 1591中规定的Q345钢制成;
5 钉的材料性能应符合国家现行有关标准的规定。
条文说明
3.3.4由于在实际工程中,连接材料的品种和规格很多,以及许多连接件和连接材料的不断出现,对于胶合木结构所采用的连接件和紧固件应符合相关的国家标准及符合设计要求。当所采用的连接材料为新产品时,应按相关的国家标准经过性能和强度的检测,达到设计要求后才能在工程中使用。
4 基本设计规定
4.1 设计原则
4 基本设计规定
4.1 设计原则
条文说明
根据现行国家标准《建筑结构可靠设计统一标准》GB50068和《木结构设计规范》GB50005相关规定,本规范仍采用以概率理论为基础的极限状态设计方法。本节的相关规定均来源于上述两本国家标准,仅取消了设计使用年限为5年的规定,主要原因是认为目前将胶合木结构作为临时建筑,会浪费木材资源。
4.1.1 本规范采用以概率理论为基础的极限状态设计法。
4.1.2 胶合木结构在规定的设计使用年限内应具有足够的可靠度。本规范所采用的设计基准期为50年。
4.1.3 胶合木结构的设计使用年限应按表4. 1. 3采用。
表4.1. 3 设计使用年限

4.1.4 根据建筑结构破坏后果的严重程度,建筑结构划分为三个安全等级。设计时应根据具体情况,按表4.1.4规定选用相应的安全等级。
表4. 1. 4 建筑结构的安全等级

注:对有特殊要求的建筑物,其安全等级应根据具体情况另行确定。
4.1.5 建筑物中胶合木结构主要构件的安全等级,应与整个结构的安全等级相同。对其中部分次要构件的安全等级,可根据其重要程度适当调整,但不得低于三级。
4.1.6 对于承载能力极限状态,结构构件应按荷载效应的基本组合,采用下列极限状态设计表达式:
γ 0 S≤R (4.1.6)
式中:γ 0 ——结构重要性系数;
S——承载能力极限状态的荷载效应的设计值,按现行国家标准《建筑结构荷载规范》GB 50009的有关规定进行计算;
R——结构构件的承载力设计值。
4.1.7 结构重要性系数γ 0 应按下列规定采用:
1 安全等级为一级或设计使用年限为100年及以上的结构构件,不应小于1.1;对安全等级为—级且设计使用年限又超过100年的结构构件,不应小于1.2;
2 安全等级为二级或设计使用年限为50年的结构构件,不应小于1.0;
3 安全等级为三级或设计使用年限为25年的结构构件,不应小于0.95。
4.1.8 对正常使用极限状态,结构构件应按荷载效应的标准组合,采用下列极限状态设计表达式:
S≤C (4.1.8)
式中:S——正常使用极限状态的荷载效应的设计值;
C——根据结构构件正常使用要求规定的变形限值。
4.1.9 胶合木结构中的钢构件设计,应符合现行国家标准《钢结构设计规范》GB 50017的规定。
4.2 设计指标和允许值
4.2 设计指标和允许值
4.2.1 采用普通胶合木层板制作胶合木的设计指标,应按下列规定采用:
1 普通层板胶合木的强度等级应根据选用的树种,按表4. 2. 1-1的规定采用。
表4. 2. 1-1 普通层板胶合木适用树种分级表

2 在正常情况下,普通层板胶合木强度设计值及弹性模量,应按表4.2.1-2的规定采用。
表4.2.1-2 普通层板胶合木强度设计值及弹性模量(N/mm 2 )

3 在不同的使用条件下,胶合木强度设计值和弹性模量尚应乘以表4.2.1-3规定的调整系数。对于不同的设计使用年限,胶合木强度设计值和弹性模量还应乘以表4.2.1-4规定的调整系数。
表4.2.1-3 不同使用条件下胶合木强度设计值和弹性模量的调整系数

注:1 当仅有恒荷载或恒荷载产生的内力超过全部荷载所产生的内力的80%时,应单独以恒荷载进行验算;
2 使用中胶合木构件含水率大于15%时,横纹承压强度设计值尚应再乘以0.8的调整系数;
3 当若干条件同时现出现时,表列各系数应连乘。
表4.2.1-4 不同设计使用年限时胶合木强度设计值和弹性模量的调整系数

4 当采用普通胶合木层板制作胶合木构件时,构件的强度设计值按整体截面设计,不考虑胶缝的松弛性。在设计受弯、拉弯或压弯的普通层板胶合木构件时,按以上各款确定的抗弯强度设计值应乘以表4.2.1-5规定的修正系数。工字形和T形截面的胶合木构件,其抗弯强度设计值除按表4.2.1-5乘以修正系数外,尚应乘以截面形状修正系数0.9。
表4.2.1-5 胶合木构件抗弯强度设计值修正系数

5 对于曲线形构件,抗弯强度设计值除应遵守以上各款规定外,还应乘以由下式计算的修正系数:
k r =1-2000(t/R) 2 (4. 2. 1)
式中:k r ——胶合木曲线形构件强度修正系数;
R——胶合木曲线形构件内边的曲率半径(mm);
t——胶合木曲线形构件每层木板的厚度(mm)。
条文说明
4.2.1采用普通胶合木层板制作的胶合木构件,其设计指标均采用国家标准《木结构设计规范》GB50005-2003(2005年版)的规定。特别应指出的是,普通胶合木构件对其层板等级要求和组坯方式均应符合本规范第9章9.2节中对普通层板胶合木结构组坯要求,只有符合这些要求,才能使用本条的设计指标和修正系数进行设计。
4.2.2 采用目测分级层板和机械弹性模量分级层板制作的胶合木的强度设计指标应按下列规定采用:
1 用于制作胶合木的目测分级层板和机械弹性模量分级层板采用的木材,其树种级别、适用树种及树种组合应符合表4.2.2-1的规定。
表4.2.2-1 胶合木适用树种分级表

注:表中花旗松-落叶松、铁-冷杉产地为北美地区。南方松产地为美国。
2 胶合木分为异等组合与同等组合二类。异等组合分为对称组合与非对称组合。受弯构件和压弯构件宜采用异等组合,轴心受力构件和当受弯构件的荷载作用方向与层板窄边垂直时,应采用同等组合。胶合木强度及弹性模量的特征值应符合本规范附录B的规定。
3 胶合木强度设计值及弹性模量应按表4.2.2-2、表4.2.2-3和表4.2.2-4规定采用。
表4.2.2-2 对称异等组合胶合木的强度设计值和弹性模量(N/mm 2 )

注:当荷载的作用方向与层板窄边垂直时,抗弯强度设计值f m 应乘以0.7的系数,弹性模量E应乘以0.9的系数。
表4. 2.2-3 非对称异等组合胶合木的强度设计值和弹性模量(N/mm 2 )

注:当荷载的作用方向与层板窄边垂直时,抗弯强度设计值f m 应采用正向弯曲强度设计值并乘以0.7的系数,弹性模量E应乘以0.9的系数。
表4. 2.2-4 同等组合胶合木的强度设计值和弹性模量(N/mm 2 )

4 胶合木构件顺纹抗剪强度设计值应按表4.2. 2-5规定采用。
表4.2. 2-5 胶合木构件顺纹抗剪强度设计值(N/mm 2 )

5 胶合木构件横纹承压强度设计值应按表4.2. 2-6规定采用。
表4.2. 2-6 胶合木构件横纹承压强度设计值(N/mm 2 )


6 胶合木斜纹承压的强度设计值可按下式计算:

式中:f c ——胶合木构件的顺纹抗压强度设计值(N/mm 2 );
f c,90 ——胶合木构件的横纹承压强度设计值(N/mm 2 );
f c,θ ——胶合木斜纹承压强度设计值(N/mm 2 );
θ——荷载与构件纵向顺纹方向的夹角(0°~90°)。
条文说明
4.2.2本条主要规定了采用目测分级和机械弹性模量分级层板制作的胶合木的强度设计指标。需要特别强调的有以下几点: 1树种的归类 首先,我们应该根据不同树种的物理力学特性,对树种进行归类,层板的组合应和归类的树种级别挂钩。 从理论上讲,对于给定胶合木的某个强度等级,无论任何树种,只要能满足规定的某个强度等级下的刚度和强度性能要求,都可以采用。但是,由于每个树种在刚度和强度方面都有其天然的数值范围,所以,在实际应用中,这种天然特性会在技木和经济上造成一定的限制。各国的木材和建筑实验室通过大量木材的小清材试验和构件试验,对不同树种之间的刚度和强度的数值变化范围有了一定的认识。各国根据自己的树种特点和数据,采用了不同的处理方法。有的地区树种较为单一,采用不考虑树种的简单组合,有的地区则按不同的单独树种的层板进行组合,优点是有效地利用不同树种之间物理力学特性的差异,合理利用了木材,但这样做过于繁琐,普遍适用性差。而有的国家,尤其是需要不断大量进口木材的国家,则将树种进行适当归类,使层板组合和树种归类之间的关系体现为:既不太复杂,也不过于简单。太复杂为今后新树种的利用增添不必要的麻烦,过于简单则不能达到有效利用木材资源的目的。 但值得注意的是,某些树种涵盖的地域广泛,在通常情况下,从某一地区来的某一树种,与来自于其他地区的同一树种,在力学特征是有差异的,显然在树种归类时,应根据地理分布进一步作出区分。 本规范根据有关国家提供的技术资料和相关标准规范的规定,将树种归类为SZ1~SZ4四类。对于未列入本规范表4.2.2-1的树种,将根据相关部门提供的数据资料,根据本规范的有关规定,由规范管理机构对比核定并归类后补入。 2组合分类 根据胶合木构件受力特点,考虑最有效地利用木材资源,胶合木分为异等组合与同等组合两类。同等组合是胶合木构件只采用材质等级相同的层板进行组合,而异等组合是胶合木构件采用两个或两个以上的材质等级的层板进行组合。异等组合还可进一步分为对称异等和非对称异等组合,对称异等组合是胶合木构件采用异等组合时,不同等级的层板以构件截面中心线为对称轴对称布置的组合。而非对称异等组合是指胶合木构件采用异等组合时,不同等级的层板在构件截面中心线两侧非对称布置的组合。轴心受力构件以及受弯构件中荷载方向与层板窄边垂直时,应采用同等组合,受弯构件以及压弯构件宜采用异等组合。 世界各国对不同组合给出了不同等级,如日本标准规定对称异等组合有9个等级,非对称异等组合亦有9个等级,同等组合有10个等级。而欧洲标准规定同等组合与非同等组合各为5个等级。美国标准是根据层板的树种不同、机械分级或目测分级的不同分别规定为不同等级,更为复杂。经规范编制组认真研究,反复协商,为了方便我国初次使用胶合木,并能涵盖通常所需的强度范围,本规范将同等组合、对称异等组合和非对称异等组合各分为5个等级,供设计人员选用和工厂生产。 3胶合木分级的表示 各国标准规范的胶合木分级表示如下: 
我国木材强度等级分级一直采用弯曲强度设计值作为标识,如TC17,其中17系弯曲强度设计值。规范编制组经过研究认为维持国家标准《木结构设计规范》GB50005的表示方法,本规范直接使用弯曲强度设计值表示胶合木强度等级TCYD、TCYF、TCT分别表示对称异等组合、非对称异等组合和同等组合。TCYD30中的数字表示抗弯强度设计值30MPa。 必须强调的是,这些等级均要严格按本规范第9.3节规定的组坯方式及对层板的等级要求进行工厂生产,其合格品才能使用本节的各项指标及系数。 4本规范的强度等级与其他国家和地区的强度等级由于分级粗细不同,细节上亦有差别,不能完全一一建立对应关系,欧洲的分级数与我国较为接近,本标准同等组合中,强度等级TCT27、TCT24、TCT21、TCT18可分别对应于欧洲标准的GL36h、GL32h、GL28h、GL24h;异等组合中,强度等级TCYD27、TCYD24、TCYD21、TCYD18可分别对应于欧洲标准的GL36c、GL32c、GL28c、GL24c。但使用这些对应关系时,还是应特别慎重。 5胶合木主要力学指标相关公式 根据欧洲、日本的相关资料进行统计分析,得出以下结论: 1)均符合线性关系; 2)对称异等组合、非对称异等组合关系一致,可用同一关系式进行分析; 3)异等组合和同等组合应有区别; 4)最后选定公式如下: 异等组合: 
同等组合: 
5)为方便设计、加工制作和施工,异等组合的对称、非对称力学指标关系式尽管可用同一公式表达,但在设计指标列表时,对称异等组合、非对称异等组合的强度指标仍然分别给出。 6综上所述,在附录B中,分别给出非对称异等组合、对称异等组合、同等组合胶合木强度和弹性模量的特征值。 7设计值 在胶合木强度特征值确定后,与现行国家标准《木结构设计规范》GB50005对规格材强度指标从特征值转换为设计值的规定和方法相同,进行计算转换,得出本规范规定的各种组合强度设计值。应特别指出的是,使用本节所规定的设计值的层板及胶合木构件的组坯一定要满足本规范第9章相关规定要求。 胶合木斜纹承压强度的计算公式采用公式Hankinson公式,这样,本规范中凡是牵涉到斜纹强度的计算内容,例如销槽斜向承压强度、销轴紧固件斜向承载力等,都与木材斜纹承压公式取得了一致。
4.2.3 采用目测分级层板和机械分级层板制作胶合木的强度设计值及弹性模量应按下列规定进行调整:
1 在不同的使用条件下,胶合木强度设计值和弹性模量应乘以本规范表4. 2. 1-3规定的调整系数。对于不同的设计使用年限,胶合木强度设计值和弹性模量尚应乘以本规范表4.2.1-4规定的调整系数。
2 当构件截面高度大于300mm,荷载作用方向垂直于层板截面宽度方向时,抗弯强度设计值应乘以体积调整系数k v ,k v 按下式计算:

式中:b——构件截面宽度(mm);
h——构件的截面高度(mm);
L——构件在零弯矩点之间的距离(mm);
c——树种系数,一般取c=10,当对某一树种有具体经验时,可按经验取值。
3 当构件截面高度大于300mm,荷载作用方向平行于层板截面宽度方向时,抗弯强度设计值应乘以截面高度调整系数k h ,k h 按下式计算:
k h =(300/h) 1/9 (4. 2. 3-2)
条文说明
4.2.3规定了在不同条件下胶合木构件强度设计值和弹性模量的调整系数。当构件截面高度大于300mm。荷载作用方向垂直于构件截面的层板胶合缝时,抗弯强度设计值应乘以体积调整系数kv;如果荷载作用方向平行于构件截面的层板胶合缝时,抗弯强度设计值应乘以高度调整系数kh。
4.2.4 在工程中使用进口胶合木时,进口胶合木的强度设计值和弹性模量应符合本规范附录C的规定。对于不符合本规范附录C规定的胶合木构件,应按本规范附录D的规定,根据构件足尺试验确定其强度等级。
4.2.5 受弯构件的计算挠度,应满足表4.2.5的挠度限值。
表4.2.5 受弯构件挠度限值

注:表中l为受弯构件的计算跨度。
条文说明
4.2.4考虑到现阶段我国在木结构工程中直接使用进口胶合木的情况较多,特作出规定。
5 构件设计
5.1 等截面直线形受弯构件
5 构件设计
5.1 等截面直线形受弯构件
5.1.1 等截面直线形受弯构件设计时,应符合下列规定:
1 简支梁、连续梁和悬臂梁的计算跨度为梁的净跨加上每端支座的1/2支承长度。
2 受弯构件除靠近支座的端部外,不得在构件的其他位置开口。在支座处受拉侧的开口高度不得大于构件截面高度的1/10与75mm之间的较小者,开口长度不得大于跨度的1/3;在端部受压侧的开口高度不得大于构件截面高度的2/5,开口长度不得大于跨度的1/3。
3 构件端部受压侧有斜切口时,斜切口的最大高度不得大于构件截面高度的2/3,水平长度不得大于构件截面高度的3倍。当水平长度大于构件截面高度的3倍时,应进行斜切口受剪承载能力的验算。
4 当在构件上开口时,宜将切口转角做成折线或做成圆角。
条文说明
5.1.1对胶合梁切口大小和长度的限制参考了美国、日本等国家的标准,这些限制是根据长期的工程实践经验得到。
5.1.2 计算构件承载力时,净截面面积A n 的计算应符合下列规定:
1 净面积等于全截面面积减去由钻孔、刻槽或其他因素削弱的面积;
2 荷载沿顺纹方向作用时,对于交错布置的销类紧固件,当相邻两排的紧固件在顺纹方向的间距小于4倍紧固件的直径时,则可认为相邻紧固件在同一截面上;
3 计算剪板连接的净面积(图5. 1. 2)时,净面积等于全面积减去螺栓孔以从安装剪板的槽口的面积。剪板交错布置时,当相邻两排剪板在顺纹方向的间距小于或等于一个剪板的直径时,则可认为相邻紧固件在同一截面上。

图5. 1. 2 剪板连接中构件的截面净面积
1—用于安装剪板的刻槽;2—螺栓孔
5.1.3 受弯构件的受弯承载能力应按下式计算:
1 按强度计算:
M/W n ≤f m (5.1.3-1)
2 按稳定验算:当构件截面宽度小于截面高度、沿受压边长度方向没有侧向支撑并且构件在端部没有防止构件转动的支撑时,受弯构件的侧向稳定应按下式计算:
M/(φ l W n )≤f' m (5.1.3-2)
式中:f m ——胶合木抗弯强度设计值(N/mm 2 );
f' m ——不考虑高度或体积调整系数的胶合木抗弯强度设计值(N/mm 2 );
M——受弯构件弯矩设计值(N·mm);
W n ——受弯构件的净截面抵抗矩(mm 3 )。
φ l ——受弯构件的侧向稳定系数,按本规范第5.1.4条规定采用。
5.1.4 受弯构件的侧向稳定系数φ l 应按下列公式计算:

式中:f' m ——不考虑高度或体积调整系数的胶合木抗弯强度设计值(N/mm 2 );
E——弹性模量(N/mm 2 );
f mE ——受弯构件抗弯临界屈曲强度设计值(N/mm 2 );
λ——受弯构件的长细比,不得大于50;
b——受弯构件的截面宽度(mm);
h——受弯构件的截面高度(mm);
l e ——构件计算长度,按表5.1.4采用。
表5.1.4 受弯构件的计算长度


注:1 l u 为受弯构件两个支撑点之间的实际距离。当支座处有侧向支撑而沿构件长度方向无附加支撑时,l u 为支座之间的距离。当受弯构件在构件中部以及支座处有侧向支撑时,l u 为中间支撑与端支座之间的距离;
2 h为构件截面高度;
3 对于单跨或悬臂构件,当荷载条件不符合表中规定时,构件计算长度按以下规定确定:
当l u /h<7时,l e =2.06l u ;当7≤l u /h<14.3时,l e =1.63l u +3h;当l u /h≥14.3时,l e =1.84l u ;
4 多跨连续梁的计算,可根据表中的值或计算分析得到。
条文说明
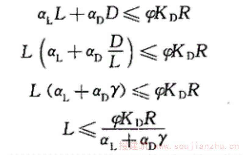
5.1.4国家标准《木结构设计规范》GB50005-2003附录L提供了用于计算锯材受弯构件的稳定系数φl,但未给出计算胶合木构件时的稳定系数。本条参考了《美国木结构设计规范》NationalDesignSpecificationForWoodConstruction2005(简称NDS2005,余同)中对于受弯构件稳定系数的计算方法。该方法根据1956年由芬兰人Ylinen在《一种在弹性与非弹性范围内求解轴向受力等截面柱的屈曲应力与截面面积的方法》一文提出的受压构件的稳定系数公式得到的。该方法中采用的假定模型的应力-应变曲线关系的斜度与应力大小成正比,斜度的变化速度为常数。考虑木材为非弹性工作,引用切线模量理论而得到连续的φ值公式。把非弹性、非匀质材料以及构件的初始偏心用系数c来模拟。 
式中:fm * ——抗弯强度设计值(N/mm2),调整系数不包括高度和体积调整系数; c——非线性常数,对于梁构件c=0.95; fmE——受弯构件的临界屈曲强度设计值(N/mm2),按下式计算: 
按允许应力法计算时,Emin按下式取值: 
式中:E——弹性模量设计值; 1.05——纯弯弹性模量的调整系数; 1.66——安全系数; COVE——弹性模量的变异系数,对于胶合木:COVE=0.1。 根据NDS2005,按荷载与抗力系数法(LRFD)计算时,Emin从允许应力转换到荷载与抗力系数法状态下的强度时应乘上转换系数1.5/фs,фs=0.85,由此得到转换系数为1.76。所以,在荷载与抗力系数法的状态下,临界屈曲强度设计值为: 
由荷载与抗力系数法转换到极限状态法,可按下列步骤: 
式中:αL——活荷载分项系数; αD——恒荷载分项系数; L——活荷载; D——恒荷载; φ——抗力系数; KD——荷载作用系数(考虑荷载组合时间效应); R——抗力设计值; γ——恒活载比,假定为1:3。 假定在荷载与抗力系数法条件下和极限状态下条件下采用相同的活荷载,则: 

所以,从荷载与抗力系数法的状态到极限状态下应乘上转换系数: 
根据NDS2005,上式中的系数分别为: 
将所有系数代入上式,得到转换系数KLSDLRFD=0.612。 所以,在极限状态法下的临界屈曲强度设计值为: 
本条关于受弯构件有效长度的取值方法参考了NDS2005。
5.1.5 受弯构件的顺纹受剪承载能力,应满足下式的要求:
VS/(Ib)≤f v (5. 1.5)
式中:f v ——胶合木顺纹抗剪强度设计值(N/mm 2 );
V——受弯构件剪力设计值(N);按本规范第5.1.6条确定;
I——构件的全截面惯性矩(mm 4 );
b——构件的截面宽度(mm);
S——剪切面以上的截面面积对中和轴的面积矩(mm 3 )。
5.1.6 荷载作用在梁顶面,计算受弯构件的剪力设计值V时,应符合下列规定:
1 均布荷载作用时,可不考虑在距离支座等于梁截面高度h的范围内的荷载作用;
2 集中荷载作用时(图5. 1.6),对于在距离支座等于梁截面高度h的范围内的各个集中荷载,应考虑各集中荷载值乘以相应的x/h(x为各荷载作用点距支座边的距离)的荷载作用。

图5. 1.6 支座处集中荷载作用时剪力设计值计算示意图
5.1.7 受弯构件在受拉侧有切口时,受剪承载能力设计值应按下列公式验算:
1 矩形截面构件:

2 圆形截面构件:

式中:f v ——胶合木顺纹抗剪强度设计值(N/mm 2 );
V——剪力设计值(N);
b——构件的截面宽度(mm);
h——构件的截面高度(mm);
h n ——受弯构件在切口处净截面高度(mm);
A n ——切口处净截面面积(mm 2 )。
条文说明
5.1.7受拉边有切口的矩形截面受弯构件的受剪承载力计算参照了NDS2005的有关规定。本条公式是建立在受弯构件抗剪计算公式5.1.5上的。对于给定剪力以及截面高度时,剪应力随着截面高度与切口剩余截面高度的比值h/hn 的增加而增加。这种关系通过对不同截面高度的受弯构件的试验得到了验证。
5.1.8 受弯构件在支座受压侧有缺口或斜切口时(图5.1.8),构件的受剪承载能力应符合下列规定:

图5. 1. 8 受弯构件端部受压边切口示意图
1 当y n ≤h n 时,应满足下式要求:

式中:f v ——胶合木顺纹抗剪强度设计值(N/mm 2 );
b——构件的截面宽度(mm);
h——构件的截面高度(mm);
h n ——受弯构件在切口处净截面高度(mm);当端部为锥形切口时,h n 取支座内侧边缘处的截面高度;
V——考虑全跨内所有苘载作用的剪力设计值(N);
y n ——支座内边缘到梁切口处距离。
2 当y n >h n 时,应满足本规范公式(5.1.5)的要求,截面高度取h n 。
条文说明
5.1.8本条公式参考了NDS2005的有关规定。
5.1.9 当受弯构件的连接节点采用剪板、螺栓、销或六角头木螺钉连接时(图5.1.9),其连接处胶合木构件的受剪承载能力应符合下列规定:

图5. 1.9 受弯构件的连接件受力示意图
1—剪板;2—不受力边;3—螺栓、销或六角头木螺钉
1 当连接处与构件支座内边缘的距离小于5h时,应满足下式要求:

2 当连接处与构件支座内边缘的距离大于或等于5h时,应满足下式要求:

式中:f v ——胶合木顺纹抗剪强度设计值(N/mm 2 );
V——剪力设计值(N);
b——构件的截面宽度(mm);
h——构件的截面高度(mm);
h e ——构件截面的计算高度(mm);取截面高度h减去构件不受力边到连接件的距离(图5.1.9);对于剪板,取h减去不受力边至剪板最近边缘的距离;对于螺栓、销和六角头木螺钉,取h减去不受力边缘到螺栓、销和六角头木螺钉中心的距离。
条文说明
5.1.9当连接部位与构件端部的距离小于5h时,其受力特性与端部有切口的矩形截面受弯构件隋况相似,此时,he/h相当于hn/h。
5.1.10 受弯构件的挠度,应按下式验算:
ω≤[ω] (5. 1.10)
式中:[ω]——受弯构件的挠度限值(mm),按本规范表4.2.5采用;
ω——构件按荷载效应的标准组合计算的挠度(mm)。
5.1.11 双向受弯构件的受弯承载能力,应按下式验算:

式中:M x 、M y ——相对于构件截面x轴和y轴产生的弯矩设计值(N·mm);
f mx 、f my ——调整后的胶合木正向弯曲或侧向弯曲的抗弯强度设计值(N/mm 2 );
W nx 、W ny ——构件截面沿x轴y轴的净截面抵抗矩(mm 3 )。
条文说明
5.1.11公式(5.1.11)与《木结构设计规范》GB50005-2003中公式(5.2.7-1)相同,但是,本规范考虑了胶合木构件相对于x轴和y轴不同的抗弯强度设计值。
5.2 变截面直线形受弯构件
5.2 变截面直线形受弯构件
条文说明
本节变截面直线形受弯构件的计算方法根据1965年美国农业部出版的《变截面木梁的挠度以及应力》一文给出的步骤和方法。计算方法的数学关系根据伯努利-欧拉(Bernoulli-Euler)的梁理论建立。通过对截面尺寸均匀变化的梁的试验进一步证明了理论结果。
5.2.1 变截面直线形受弯构件包括单坡和双坡变截面构件。从构件斜面最低点到最高点的高度范围内,应采用相同等级的层板。构件的斜面制作应在工厂完成,不得在现场切割制作。
本节仅对斜面在受压边的构件作出规定,不考虑斜面在受拉边的构件。
5.2.2 均布荷载作用下,支座为简支的单坡或对称双坡变截面直线形受弯构件(图5. 2. 2)的抗弯(包括稳定)、抗剪以及横纹承压承载力应按下列规定进行验算:

图5. 2. 2 单坡或对称双坡变截面直线形受弯构件示意图
1 最大弯曲应力处离截面高度较小一端的距离z、最大弯曲应力处截面的高度h z 和最大弯曲应力处受弯承载能力应按下列公式进行验算:

式中:σ m ——最大弯曲应力处的弯曲应力值(N/mm 2 );
h a ——构件最小端的截面高度(mm);
l——构件跨度(mm);
θ——构件斜面与水平面的夹角(°);
q——均布荷载设计值(N/mm);
f' m ——不考虑高度或体积调整系数的胶合木抗弯强度设计值(N/mm 2 );
k i ——变截面直线受弯构件设计强度相互作用调整系数,按本规范第5.2. 3条规定采用;
φ l ——受弯构件的侧向稳定系数,按本规范第5.1.4条规定采用;
2 最大弯曲应力处顺纹受剪承载能力应按下式验算:
σ m tanθ≤f v (5.2. 2-5)
式中:f v ——胶合木抗剪强度设计值(N/mm 2 );
3 支座处顺纹受剪承载能力应按本规范第5.1.5条规定进行验算;截面尺寸取支座处构件的截面尺寸;
4 最大弯曲应力处横纹受压承载能力应按下式验算:
σ m tan 2 θ≤f c,90 (5.2. 2-6)
式中:f c,90 ——胶合木横纹承压强度设计值(N/mm 2 )。
5.2.3 荷载作用下变截面矩形受弯构件的抗弯强度设计值,除考虑本规范第4.2节规定的调整系数外,还应乘以按下式计算的相互作用调整系数k i :

式中:f m ——胶合木抗弯强度设计值(N/mm 2 );
f c,90 ——胶合木横纹承压强度设计值(N/mm 2 );
f v ——胶合木抗剪强度设计值(N/mm 2 );
θ——构件斜面与水平面的夹角(°)。
5.2.4 单个集中荷载作用下,单坡或对称双坡变截面矩形受弯构件的最大承载力应按下列规定进行验算:
1 当集中荷载作用处截面高度大于最小端截面高度的2倍时,最大弯曲应力作用点位于截面高度为最小端截面高度的2倍处,即最大弯曲应力处离截面高度较小一端的距离z=h a /tanθ;
2 当集中荷载作用处截面高度小于或等于最小端截面高度的2倍时,最大弯曲应力作用点位于集中荷载作用处;
3 最大弯曲应力处受弯承载能力应按下列公式进行验算:
σ m <φ l k i f' m (5. 2. 4-1)
σ m =6M/(bh z 2 ) (5. 2. 4-2)
式中:σ m ——最大弯曲应力处的弯曲应力值(N/mm 2 );
M——最大弯矩设计值(N·mm);
b——构件截面宽度(mm);
h z ——最大弯曲应力处的截面高度(mm);
φ l ——受弯构件的侧向稳定系数,按本规范第5. 1.4条规定采用;
k i ——构件设计强度相互作用调整系数,按本规范第5.2.3条规定采用;
f' m ——不考虑高度或体积调整系数的胶合木抗弯强度设计值(N/mm 2 )。
4 最大弯曲应力处顺纹受剪承载能力和横纹受压承载能力应按式(5.2. 2-5)和式(5.2.2-6)进行验算。并且,支座处顺纹受剪承载能力应按本规范第5. 1.5条规定进行验算,截面尺寸取支座处构件的截面尺寸。
5.2.5 均布荷载或集中荷载作用下的单坡或对称双坡变截面矩形受弯构件的挠度ω m ,可根据变截面构件的等效截面高度,按等截面直线形构件计算,并应符合下列规定:
1 均布荷载作用下,等效截面高度h c 应按下式计算:
h c =k c h a (5.2.5)
式中:h c ——等效截面高度;
h a ——较小端的截面高度;
k c ——截面高度折算系数,按表5.2.5确定。
表5. 2. 5 均布荷载作用下变截面梁截面高度折算系数k c 取值

注:表中C h =(h b -h a )/h a ;h b 为最高截面高度;h a 为最小端的截面高度。
2 集中荷载或其他荷载作用下,构件的挠度应按线弹性材料力学方法确定。
5.3 曲线形受弯构件
5.3 曲线形受弯构件
条文说明
本节采用的变截面曲线形受弯构件的计算根据美国木结构学会(AITC)出版的《木结构设计手册》(TimberConstructionManual-5thEdition)规定的方法。该方法也被日本规范采用。
5.3.1 曲线形受弯构件包括等截面曲线形受弯构件和变截面曲线形受弯构件(图5. 3.1)。曲线形构件曲率半径R应大于125t(t为层板厚度)。

图5. 3. 1 变截面曲线形受弯构件示意
5.3.2 曲线形矩形截面受弯构件的抗弯承载能力,应按下列规定验算:
1 对于等截面曲线形受弯构件,抗弯承载能力应按下式验算:
6M/(bh 2 )≤k r f m (5. 3. 2-1)
式中:f m ——胶合木抗弯强度设计值(N/mm 2 );
M——受弯构件弯矩设计值(N·mm)
b——构件的截面宽度(mm);
h——构件的截面高度(mm);
k r ——胶合木曲线形构件强度修正系数,按本规范公式(4. 2.1)计算。
2 对于变截面曲线形受弯构件,抗弯承载能力的验算应将变截面直线部分按本规范第5.2节的规定验算,曲线部分应按下列公式验算:

式中:M——曲线部分跨中弯矩设计值(N·mm);
b——构件截面宽度(mm);
h b ——构件在跨中的截面高度(mm);
φ l ——受弯构件的侧向稳定系数;
k θ ——几何调整系数;式中,D、H和F为系数,应按表5. 3. 2确定;
R m ——构件中心线处的曲率半径;
f' m ——不考虑高度或体积调整系数的胶合木抗弯强度设计值(N/mm 2 )。
表5.3. 2 D、H和F系数取值表

注:对于中间的角度,可采用插值法得到D、E和F值。
5.3.3 曲线形矩形截面受弯构件的受剪承载能力应按下式验算:
3V/(2bh a )≤f v (5.3. 3)
式中:f v ——胶合木抗剪强度设计值(N/mm 2 );
V——受弯构件端部剪力设计值(N);
b——构件截面宽度(mm);
h a ——构件在端部的截面高度(mm)。
5.3.4 曲线形受弯构件的径向承载能力应按本规范附录E的规定进行验算。
5.3.5 变截面曲线形受弯构件的挠度应按下列公式进行验算:

h eq =(h a +h b )(0.5+0.735tanθ T )-1.41h b tanθ B (5. 3. 5-2)
式中:ω c ——构件跨中挠度(mm);
q k ——均布荷载标准值(N/mm);
l——跨度(mm);
E——弹性模量;
b——构件的截面宽度(mm);
h b ——构件在跨中的截面高度(mm);
h a ——构件在端部的截面高度(mm);
θ B ——底部斜角度数;
θ T ——顶部斜角度数。
5.4 轴心受拉和轴心受压构件
5.4 轴心受拉和轴心受压构件
5.4.1 轴心受拉构件的承载能力应按下式验算:
N/A n ≤f t (5.4.1)
式中:f t ——胶合木顺纹抗拉强度设计值(N/mm 2 );
N——轴心拉力设计值(N);
A n ——净截面面积(mm 2 )。
5.4.2 轴心受压构件的承载能力应按下列要求进行验算:
1 按强度验算:
N/A n ≤f c (5.4.2-1)
2 按稳定验算:
N/(φA 0 )≤f c (5.4.2-2)
式中:f c ——胶合木材顺纹抗压强度设计值(N/mm 2 );
N——轴心压力设计值(N);
A 0 ——受压构件截面的计算面积(mm 2 ),按本规范第5.4. 3条确定;
φ——轴心受压构件稳定系数,按本规范第5.4.4条确定。
5.4.3 按稳定验算时受压构件截面的计算面积A 0 应按下列规定采用:
1 无缺口时,取A 0 =A(A受压构件的全截面面积,mm 2 )
2 缺口不在边缘时(图5.4.3a),取A 0 =0.9A;
3 缺口在边缘且为对称时(图5.4.3b),取A 0 =A n ;
4 缺口在边缘但不对称时(图5. 4. 3c),应按偏心受压构件计算;
5 验算稳定时,螺栓孔可不作为缺口考虑。

图5. 4. 3 受压构件缺口
5.4.4 轴心受压构件稳定系数φ的取值应按下列规定:
1 轴心受压构件稳定系数应按下列公式计算:

式中:f c ——胶合木顺纹抗压强度设计值(N/mm 2 );
b——矩形截面边长,其他形状截面,可用 
代替,(r为截面的回转半径);对于变截面矩形构件取有效边长b c ,b c 按本规范第5.4.7条计算;
E——弹性模量(N/mm 2 );
l——构件实际长度;
l 0 ——计算长度;
k l ——长度计算系数,取值见表5.4.4。
表5.4.4 长度计算系数k l 的取值

2 当沿受压构件长度方向布置有使构件不产生侧向位移的支撑时,轴心受压构件稳定系数φ=1。
条文说明
5.4.4国家标准《木结构设计规范》GB5005-2003第5.1.4条规定了轴心压杆的稳定系数φ的计算方法,即按树种不同,采用分段公式表达。按这种方法采用的两条曲线有2个折点和4个公式,在折点处公式不连续。此外,每条曲线的折点处,在设计值下和在破坏值下折点的位置不同,对可靠度验算带来不便。所以,本条参照NDS2005,采用了连续公式。该连续公式系根据1956年芬兰人Ylinen于《一种在弹性与非弹性范围内求解轴向受力等截面柱的屈曲应力与截面面积的方法》一文提出的受压构件的稳定系数公式得到的。该方法中采用的假定模型的应力-应变曲线关系的斜度与应力大小成正比,斜度的变化速度为常数。考虑木材为非弹性工作,引用切线模量理论而得到连续的φ值公式。把非弹性、非匀质材料以及构件的初始偏心用系数c来模拟。 
式中:fc——胶合木材顺纹抗压强度设计值(N/mm2) c——非线性常数,对于胶合木c=0.9; fcE——受压构件的临界屈曲强度设计值(N/mm2),按下式计算: 
按允许应力法计算时,Emin按下式取值: 
式中:E——弹性模量设计值; 1.05——考虑与纯弯弹性模量的调整系数,对于胶合木,取1.05; 1.66——安全系数; COVE——弹性模量的变异系数,对于胶合木:COVE=0.1。 根据NDS2005,按荷载和抗力系数法计算时,Emin从允许应力转换到荷载与抗力系数状态下的强度时应乘上转换系数1.5/фs,фs=0.85,由此得到转换系数为1.76。所以,在荷载与抗力系数法的状态下,临界屈曲强度设计值为: 
由荷载与抗力系数法(LRFD)转换到极限状态法,可按下列步骤: 
式中:αL——活荷载分项系数; αD——恒荷载分项系数; L——活荷载; D——恒荷载; φ——抗力系数; KD——荷载作用系数(考虑荷载组合时间效应); R——抗力设计值; γ——恒活载比,假定为1:3。 假定在荷载与抗力系数法条件下和极限状态设计法条件下采用相同的活荷载,则: 
所以,从荷载与抗力系数法(LRFD)的状态到极限状态设计法下(LSD),应乘上转换系数: 
根据NDS2005,上式中的系数分别为: 
将所有系数代入上式,得到转换系数KLSDLRFD=0.612 所以,在极限状态法下的临界屈曲强度设计值为: 
本条关于受压构件有效长度的取值方法参考了NDS2005。
5.4.5 轴心受压构件的长细比l 0 /b不得超过50。施工期间,长细比允许不超过75。在计算构件的长细比时,长细比应取l 01 /h与l 02 /b两个中的较大值(图5.4.5)。

图5. 4. 5 受压构件示意
条文说明
5.4.5对轴心受压构件长细比的规定参考了NDS2005的有关规定。该规定最早始于1944年,由长期实践经验得到。采用这个限定条件,可以防止在柱的设计时,由于荷载的轻微偏心或截面特性不均匀而引起的屈曲。木柱的长细比不超过50的限定条件,相当于钢结构长细比不超过200的限定条件。
5.4.6 矩形变截面轴心受压构件的承载能力应按下列规定进行验算:
1 按强度验算:
N/A n ≤f c (5.4.6-1)
2 按稳定计算:
N/φ(A c )≤f c (5.4.6-2)
式中:f c ——顺纹抗压强度设计值(N/mm 2 );
N——轴心受压构件压力设计值(N);
A n ——受压构件最小净截面面积(mm 2 )。
A c ——按有效边长b c 计算的截面面积(mm 2 );b c 按本规范第5.4.7条计算;
φ——轴心受压构件稳定系数,按本规范第5. 4. 4条计算。
5.4.7 变截面受压构件中,构件截面每边的有效边长b c 按下式计算:

式中:b min ——受压构件计算边的最小边长;
b max ——受压构件计算边的最大边长;
a——支座条件计算系数,按表5.4.7取值。
表5.4.7 计算系数a的取值

当构件支座条件不符合表5. 4.7中的规定时,截面有效边长b c 按下式计算:

5.5 拉弯和压弯构件
5.5 拉弯和压弯构件
5.5.1 拉弯构件的承载能力应按下列公式验算:
1 按强度计算:

2 按稳定计算:

式中:N——轴向拉力设计值(N);
M——弯矩设计值(N·mm);
A n ——构件净截面面积(mm 2 );
W n ——构件净截面抵抗矩(mm 3 );
φ l ——受弯构件的稳定系数,按本规范第5.1. 4条计算;
f t ——胶合木顺纹抗拉强度设计值(N/mm 2 );
f m ——胶合木抗弯强度设计值(N/mm 2 );
f' m ——不考虑高度或体积调整系数的胶合木抗弯强度设计值(N/mm 2 )。
条文说明
5.5.1本条公式(5.5.1-1)不考虑稳定,用来计算轴向受拉和弯曲受拉在受拉边产生的应力。公式(5.5.1-2)考虑稳定,用来计算轴向受拉和弯曲受压在梁的受压边产生的应力。对于偏心受拉构件,可直接将偏心荷载产生的偏心弯矩(6Pe)/(bh2)叠加到弯矩M中进行计算。当偏心使弯矩增加时,e采用正号,减少则采用负号。对于双向受弯和受拉构件,可按下式验算: 
5.5.2 当轴向受压构件沿一个或两个截面主轴方向承载弯矩时(图5. 5.2),承载能力应按下列公式验算:

图5. 5. 2 压弯构件示意图

式中:N——轴向压力设计值(N);
M x 、M y ——相对于x轴(构件窄面)和y轴(宽面)的弯矩设计值(N·mm);
A n ——构件净截面面积(mm 2 );
W nx ——相对于x轴的净截面抵抗矩(mm 3 );
W ny ——相对于y轴的净截面抵抗矩(mm 3 );
f c ——顺纹抗压强度设计值(N/mm 2 );
f mx 、f my ——胶合木构件相对于x轴(构件窄面)和y轴(宽面)的抗弯强度设计值(N/mm 2 );
E——弹性模量(N/mm 2 );
b——构件宽度(mm);
h——构件高度(mm);
λ——受弯构件的长细比,不得大于50,按本规范第5.1.4条确定;
l 0x 、l 0y ——计算长度,按本规范公式(5.4.4-3)确定。
条文说明
5.5.2国家标准《木结构设计规范》GB50005-2003中第5.3.2条和第5.3.3条给出了构件的压弯计算公式,但是,由于该公式中轴心受压构件的稳定系数仅适用于实木锯材,无法直接用于本规范的胶合木构件。因此,考虑与本规范第5.1.4条中梁的稳定计算和第5.4.4条柱的稳定计算相一致,本条计算公式采用了NDS2005中规定的公式。与《木结构设计规范》GB50005-2003中规定的公式相比,该公式考虑了梁的屈曲破坏以及双向受弯的情况。该公式在用规格材清材构件和普通规格材进行的试验中均得到了很好的验证。
5.5.3 当采用本规范公式(5.5. 2-1)进行验算时,应满足下列规定:
1 对于x轴单向弯曲或双向弯曲时:
N/A<f cEx (5.5. 3-1)
2 对于y轴单向弯曲或双向弯曲时:
N/A<f cEy (5.5. 3-2)
3 对于双向弯曲时:
M x /W nx <f mE (5.5. 3-3)
5.6 构件的局部承压
5.6 构件的局部承压
5.6.1 构件的顺纹局部承压承载能力,应按下列要求验算:
1 验算构件的顺纹局部承压时,按承压净面积计算。构件的顺纹局部承压强度设计值应采用顺纹抗压强度设计值。
2 当局部承压产生的压应力大于顺纹受压强度设计值的75%时,局部承压的荷载应作用在厚度不小于6mm的钢板上或其他具有相同刚度的材料上。
5.6.2 构件的横纹局部承压产生的压应力,不得大于本规范表4.2.2-6中规定的胶合木横纹承压强度值。
5.6.3 当验算构件的斜面局部承压时,斜面局部承压强度设计值应按本规范公式(4.2.2)计算。
6 连接设计
6.1 一般规定
6 连接设计
6.1 一般规定
6.1.1 胶合木构件一般采用螺栓、销、六角头木螺钉和剪板等紧固件进行连接(图6.1.1)。当采用其他紧固件连接时应参照现行国家标准《木结构设计规范》GB 50005中的有关规定进行设计。紧固件的规格尺寸应符合国家现行相关产品标准的规定。

图6. 1. 1 胶合木构件的主要连接方式
条文说明
6.1.1胶合木构件采用的螺栓,六角头木螺钉和剪板等紧固件的规格可参照表1~表3中相关的产品标准。 表1螺栓的产品标准
注:1当六角头螺栓采用英制,螺纹的牙型、基本尺寸、直径与牙数系列、公差以及极限尺寸应分别符合国家标准《统一螺纹——牙型》GB/T20669、《统一螺纹——基本尺寸》GB/T20668、《统一螺纹——直径与牙数系列》GB/T20670、《统一螺纹——公差》GB/T20666以及《统一螺纹——极限尺寸》GB/T20667; 2常用六角头螺栓英制尺寸见表4。 表2六角头木螺钉应符合的标准
注:常用英制六角头木螺钉尺寸见表6。 表3剪板应符合的标准
注:常用剪板规格见表5。 表4常用螺栓的英制尺寸(统一螺纹规格)
表5 67mm和102mm剪板规格

表6六角头木螺钉螺纹规格(统一螺纹规格)


6.1.2 当紧固件头部有螺帽时,螺帽与胶合木表面之间应安装垫圈。当紧固件受拉时,垫圈的面积应按胶合木表面局部承压强度值进行计算。采用钢垫圈时,垫圈的厚度不得小于直径(对于圆形垫圈)或长边(对于矩形垫圈)的1/10。
6.1.3 构件连接设计时,应避免因不同紧固件之间的偏心作用产生横纹受拉。同一连接中,不宜采用不同种类的紧固件。
条文说明
6.1.3同一连接中,考虑到各种紧固件之间不能协调工作,相互之间会出现横纹受拉的情况,因此,不宜采用不同种类的紧固件。当设计已采用螺栓连接时,同一处连接中将不得再采用六角头木螺钉进行连接。当连接中采用两种或两种以上的不同紧固件时,连接的设计承载力应通过试验或其他分析方法确定。
6.1.4 紧固件连接设计应符合下列规定:
1 紧固件安装完成后,构件面与面之间应紧密接触;
2 连接中应考虑含水率变化可能产生的收缩变形;
3 当采用螺栓、销或六角头木螺钉作为紧固件时,其直径不应小于6mm。
6.1.5 各种连接的承载力设计值应根据下列规定采用:
1 对于某一树种,单根紧固件连接的承载力设计值,与该树种木材的不同材质等级无关;
2 连接中,当类型、尺寸以及屈服模式相同的紧固件的数量大于或等于两根时,总的连接承载力设计值为每一单个紧固件承载力设计值的总和。
6.1.6 连接设计时,单根紧固件的侧向承载力设计值和抗拔承载力设计值应根据具体情况乘以下列各项强度调整系数:
1 螺栓、销、六角头木螺钉和剪板的剪面承载力设计值以及六角头木螺钉的抗拔承载力设计值应乘以本规范表4.2.1-3和表4.2.1-4规定的含水率调整系数、温度调整系数和设计使用年限调整系数。
2 当螺栓、销和六角头木螺钉位于主构件的端部时,紧固件的抗拔承载力设计值应乘以端面调整系数k e 。对于六角头木螺钉取k e =0.75;对于其他紧固件取k e =0.67。
3 当连接的侧构件采用钢板时,剪板连接的顺纹荷载作用下的设计承载力应乘以本规范第6.3.4条规定的金属侧板调整系数k s 。
4 当采用螺栓、销或六角头木螺钉作为紧固件,并符合以下条件时,设计承载力不考虑含水率调整系数:
1)仅有1个紧固件;
2)两个或两个以上的紧固件沿顺纹方向排成一行;
3)两行或两行以上的紧固件,每行紧固件分别用单独的连接板连接。
5 当直径小于25mm的螺栓、销、六角头木螺钉排成一行或剪板排成一行时,各单根紧固件的承载力设计值应乘以按本规范附录F确定的紧固件组合作用系数k g 。
6.2 销轴类紧固件的连接计算
6.2 销轴类紧固件的连接计算
6.2.1 销轴类紧固件的端距、边距、间距和行距的最小值尺寸应符合表6.2.1的规定。
表6.2.1 销轴类紧固件的端距、边距、间距和行距的最小值尺寸

注:用于确定最小边距l/d值(l为紧固件长度,d为紧固件的直径),应取下列两者中的较小值:
1 紧固件在主构件中的贯入深度l m 与直径d的比值l m /d;
2 紧固件在侧面构件中的总贯入深度l s 与直径d的比值l s /d。
6.2.2 交错布置的销轴类紧固件(图6.2.2),应按以下规定确定紧固件的端距、边距、间距和行距布置要求:

图6.2.2 紧固件交错布置几何位置示意图
1 对于顺纹荷载作用下交错布置的紧固件,当相邻行上的紧固件在顺纹方向的间距不大于4d时,则认为相邻行的紧固件位于同一截面;
2 对于横纹荷载作用下交错布置的紧固件,当相邻行上的紧固件在横纹方向的间距不小于4d时,则紧固件在顺纹方向的间距不受限制;当相邻行上的紧固件在横纹方向的间距小于4d时,则紧固件在顺纹方向的间距应符合本规范表6.2.1的规定。
6.2.3 当六角头木螺钉承受轴向上拔荷载时的端距、边距、间距和行距的最小值应满足表6.2.3的规定。
表6. 2.3 六角头木螺钉承受轴向上拔荷载时的端距、边距、间距和行距的最小值

注:d为六角头木螺钉的直径。
6.2.4 对于采用单剪或对称双剪的销轴类紧同件的连接(图6.2.4),当满足下列要求时,承载力设计值可按本规范第6.2.5条的规定计算:
1 构件连接面应紧密接触;
2 荷载作用方向与销轴类紧固件轴线方向垂直;
3 紧固件在构件上的边距、端距以及间距应符合本规范表6.2.1的规定;
4 六角头木螺钉在单剪连接中的主构件上或双剪连接中侧构件上的最小贯入深度(不包括端尖部分的长度)不得小于六角头木螺钉直径的4倍。

图6.2.4 销轴类紧固件的连接方式
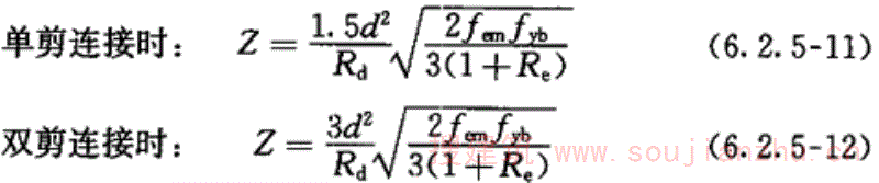
6.2.5 对于采用单剪或对称双剪连接的销轴类紧固件,每一剪面承载力设计值Z应按下列4种破坏模式进行计算,并取各计算结果中的最小值作为销轴类紧固件连接的承载力设计值。
1 销槽承压破坏:
1)对于单剪连接或双剪连接时主构件销槽承压破坏应按下式计算:

2)对于侧构件销槽承压破坏应按下式计算:

注:单剪连接中的主构件为厚度较厚的构件;双剪连接中的主构件为中间构件。
式中:d——紧固件直径(mm);对于有螺纹的销体,d为根部直径;当螺纹部分的长度小于承压长度的1/4时,d为销体直径:
l m 、l s ——主、次构件销槽承压面长度(mm);
f em 、f es ——主、次构件销槽承压强度标准值(N/mm 2 ),按本规范第6.2.6条确定;
R d ——与紧固件直径、破坏模式及荷载与木纹间夹角有关的折减系数,按表6.2.5规定采用。
表6.2.5 折减系数R d

注:表中k θ =1+0.25(θ/90),θ为荷载与木材顺纹方向的最大夹角(0°≤θ≤90°)。
2 销槽局部挤压破坏应按下式计算:

3 单个塑性铰破坏:
1)对于单剪连接时主构件单个塑性铰破坏应按下式计算:

式中:f yb ——销轴类紧固件抗弯强度标准值(N/mm 2 ),按本规范第6.2.7条规定取值。
2)对于侧构件单个塑性铰破坏应按下式计算:


4 主侧构件两个塑性铰破坏应按下式计算:

条文说明
6.2.5国家标准《木结构设计规规范》GB50005-2003(2005年版)提供了螺栓连接每一剪面的侧向承载力计算公式。该公式根据销连接的计算原理并考虑螺栓或钉在方木和原木桁架中的常用情况,适当简化而制定的。由于该简化公式不完全适应胶合木结构的连接计算,因此,对销轴类紧固件连接计算采用了目前在美国、加拿大、欧洲、日本以及新西兰等国普遍采用的根据屈服极限理论得到的侧向承载力计算方法。根据屈服理论,侧向承载力根据销槽的承压强度以及销轴的抗弯强度确定。本条中,屈服点的定义采用了美国规范的规定方法,即在紧固件连接的荷载-位移曲线中,与开始的直线部分(比例极限部分)平行,向右平移5%的紧固件直径的距离,与荷载-位移曲线相交,该相交点定义为连接的屈服点,也就是说,当连接变形达到紧固件直径的5%时,即可认为屈服,见图2。 
图2 NDS2005提供的屈服模式计算公式是以允许应力法为基础的,根据ASTMD5457《荷载与抗力系数法下的木基材料和连接件承载力的计算》,从允许应力法转换到荷载与抗力系数法时,连接计算应乘以形式转换系数2.16/φ(φ=0.65)。在标准荷载周期下,从荷载与抗力系数法转换到极限状态法应乘以转换系数0.468,所以,最终的转换系数为3.32×0.468=1.5。 从荷载与抗力系数法转换到极限状态法的转换步骤如下: 现行国家标准《木结构设计规范》GB50005和“荷载与抗力系数设计法”采用不同的荷载和抗力系数。《木结构设计规范》修订时,规格材的设计值是通过下列步骤对“荷载与抗力系数法”中的设计值进行转换的: 1假定活载与恒载的比例为3。 2假定采用“标准荷载周期”。这主要指一般用于屋面雪荷载和楼面活荷载的荷载周期。 3“荷载与抗力系数法”中的强度设计值,按上述活载-恒载比值,转换至GB50005中的强度设计值,以保证在相同的活载条件下,无论采用“荷载与抗力系数法”还是采用GB50005进行设计,所得构件的尺寸相同。 将“荷载与抗力系数法”中的设计值,采用下列步骤进行转换: 
式中:αL——活载系数; φ——抗力系数; αD——恒载系数; KD——标准荷载周期下的荷载系数; L——设计活载值; R——强度(标准荷载周期下); D——设计恒载值; γ——恒载与活载比值,取1/3(假定)。 假定“荷载与抗力系数法”和GB50005采用相同的设计荷载: 
表7 转换系数
6.2.6 销槽承压强度标准值应按下列规定取值:
1 销轴类紧固件销槽顺纹承压强度f e,0 (N/mm 2 ):
f e,0 =77G (6.2.6-1)
式中:G——主构件材料的全干相对密度;常用树种木材的全干相对密度应符合本规范附录G的规定。
2 销轴类紧固件销槽横纹承压强度f e,90 (N/mm 2 ):

式中:d——销轴类紧固件直径(mm)。
3 当作用在构件上的荷载与木纹呈夹角θ时,销槽承压强度f e,θ 按下式确定:

式中:θ——荷载与木纹方向的夹角。
4 当销轴类紧固件插入主构件端部并且与主构件纵向平行时,主构件上的销槽承压强度取f e,90 。
5 紧固件在钢材上的销槽承压强度按钢材的抗拉强度标准值计算。紧固件在混凝土构件上的销槽承压强度按混凝土立方抗压强度标准值的2.37倍计算。
条文说明
6.2.6本条销槽承压强度根据美国林业及纸业协会的第12号技术报告《计算侧向连接值的通用销轴公式》的有关规定制定。 1销轴紧固件在锯材和胶合木上的销槽承压强度的标准值根据ASTMD5764《评估木材以及木基产品销槽承压强度的标准试验方法》得到。与上述的连接屈服点相同,在荷载-位移曲线中,销槽的承压强度等于从曲线的起始直线部分,按5%销轴直径向右平移与曲线交点位置的承压强度。绝干密度与销槽承压强度之间的关系,通过采用直径为19mm的销轴,使用花旗松、南方松、云杉-松-冷杉、西加云杉、红橡、黄杨以及白杨等不同树种的试验进行了验证。直径与销槽承压强度的关系则通过在南方松试件上,分别采用直径为6.35mm、12.7mm、19mm、25.4mm以及38mm等不同的销轴试验进行验证。销轴直径仅当荷载沿横纹方向时才与销槽承压强度有关。 顺纹和横纹的销槽承压强度的标准值取自NDS2005: 1)销轴紧固件销槽顺纹承压强度fe,0: fe,0=11200G(Psi)经单位转换后得到fe,0=77G(MPa) 注:1(Psi)=6.89476×10-3(MPa) 2)销轴紧固件销槽横纹承压强度fe,90: 
单位转换后得到
2当作用在销轴上的荷载与木纹呈夹角θ时,销槽承压强度的标准值可以根据Hankinson公式解决。
6.2.7 销轴类紧固件的抗弯强度标准值和销槽的承压长度应符合下列规定:
1 销轴类紧固件抗弯强度标准值应取销轴屈服强度的1.3倍;
2 当销轴的贯入深度小于10倍销轴直径时,承压面的长度不应包括销轴尖端部分的长度。
6.2.8 互相不对称的三个构件连接时,剪面承载力设计值Z应按两个侧构件中销槽承压长度最小的侧构件作为计算标准,按对称连接计算得到的最小剪面承载力作为连接的剪面设计承载力。
6.2.9 当四个或四个以上构件连接时,每一剪面按单剪连接计算。连接的剪面设计承载力等于最小承载力乘以剪面数量。
6.2.10 当单剪连接中的荷载与紧固件轴线呈一定角度时(除90°外),垂直于紧固件轴线方向作用的荷载分量不得超过紧固件剪面设计承载力。平行于紧固件轴线方向的荷载分量,应采取可靠的措施,满足局部承压要求。
6.2.11 当六角头木螺钉承受侧向荷载和外拔荷载时(图6.2.11),其承载力设计值应按下式确定:

图6. 2.11 六角头木螺钉受侧向、外拔荷载

式中:α——木构件表面与荷载作用方向的夹角;
h d ——六角头木螺钉有螺纹部分打入主构件的有效长度(mm);
w'——六角头木螺钉的抗拔承载力设计值(N/mm);
Z'——六角头木螺钉的剪面设计承载力(kN)。
6.2.12 六角头木螺钉的抗拔强度设计承载力应符合下列规定:
1 当六角头木螺钉中轴线与木纹垂直时,抗拔强度设计值应按下式确定:
W=43.2G 3/2 d 3/4 (6. 2.12)
式中:W——抗拔强度设计值(N/mm);
G——主构件材料的全干相对密度;
d——木螺钉直径(mm)。
2 当六角头木螺钉轴线与木纹平行时,抗拔强度设计值按公式(6.2.12)计算后,尚应乘以0.75的折减系数。
条文说明
6.2.12六角头木螺钉的抗拔强度设计值根据NDS2005给出的经验公式,经转换得到。 转换步骤如下:允许应力法下的抗拔强度公式为: W=1800G3/2d3/4 从允许应力转换到荷载与抗力系数(LRFD)状态下的强度时应乘上转换系数2.16/φ,φ为抗力系数,φ=0.65,得到为转换系数为3.323。所以在荷载与抗力系数状态下的抗拔强度计算公式为: W=5981G3/2d3/4 从荷载与抗力系数转换到极限状态,乘以转换系数0.468。所以在极限状态下: W=2799G3/2d3/4 结合单位转换(1lb/in=0.17513N/mm),得: W=43.2G3/2d3/4
6.3 剪板的连接计算
6.3 剪板的连接计算
6.3.1 剪板材料可采用压制钢和可锻铸铁(玛钢)制作,剪板种类和连接方式应符合表6.3.1的规定(图6.3.1)。
表6. 3.1 剪板的种类和连接方式


图6. 3. 1 剪板连接示意图
条文说明
6.3.1剪板直径大,厚度相对较薄,因此,采用这种连接件能在不过大损失构件截面面积的情况下增大承压面积。与螺栓相比,这种连接件能提高承载力设计值。剪板安装时,在被连接的两根构件上分别刻出圆环槽,将剪板嵌入。剪板可以应用在木-木连接以及木-钢连接中。在木-钢连接中,可以用钢构件代替其中的一个剪板。
6.3.2 剪板的强度设计值与木材的全干相对密度有关、木材的全干相对密度分组应符合表6.3. 2-1的规定。单个剪板的受剪承载力设计值应符合表6.3.2-2的规定。
表6.3.2-1 剪板连接中树种的全干相对密度分组

表6. 3. 2-2 单个剪板连接件(剪板加螺栓)的受剪承载力设计值

注:表中设计值应乘以本规范表6. 3. 4的调整系数。
条文说明
6.3.2本条文表6.3.2-1中,剪板的性能和尺寸是参照美国标准ASTMD5933《木结构用直径2-5/8英寸和4英寸剪板标准》并经过强度设计值转换得到。 试验证明,剪板的承载力与木材的全干相对密度有直接关系。当含水率约为12%时,在顺纹荷载作用下,对于全干相对密度较低的树种,剪板连接的最大强度以及比例极限强度与全干相对密度呈直线关系,见图3。对于密度较高的树种,螺栓的抗剪强度起控制作用。横纹荷载下,比例极限强度值、最大强度值与全干相对密度呈直线关系,见图4。 
图3顺纹荷载作用下强度和全干相对密度之间的关系
图4横纹荷载作用下强度和全干相对密度之间的关系 允许应力法中,在顺纹荷载作用下,设计强度值为最大强度除以4。这样,设计强度不超过比例极限的5/8。对极限强度进行折减时考虑了安全系数、材料的变异以及调整到标准荷载持续时间状态。在横纹荷载作用下,强度设计值直接按比例极限的5/8考虑,并考虑安全系数、材料的变异以及标准荷载持续时间状态。表6.3.2-1中承载力来源于NDS2005规定的允许应力设计值经过转换得到。美国规范中的设计值考虑了在荷载与抗力系数法中,强度设计值等于允许应力法中的设计值乘以转换系数。其转换步骤参见本规范第6.2.6条的条文说明。 本条中的树种密度分组参考了NDS2005。
6.3.3 当剪板采用六角头木螺钉作为紧固件时,六角头木螺钉在主构件中贯入深度不得小于表6.3. 3的规定。
表6.3.3 六角头木螺钉在构件中最小贯入深度

注:贯入深度不包括钉端尖部分。
6.3.4 当侧构件采用钢板时,102mm的剪板连接件的顺纹荷载作用下的受剪承载力设计值P应根据树种全干相对密度,按表6. 3.4中规定的调整系数k s 进行调整。
表6.3. 4 剪板连接件的顺纹承载力调整系数

6.3.5 当荷载作用方向与顺纹方向有夹角时,剪板受剪承载力设计值N θ 按下式计算:

式中:θ——荷载与木纹方向(构件纵轴方向)的夹角;
P——调整后的剪板顺纹受剪承载力设计值,按本规范表6.3. 2-2的规定取值;
Q——调整后的剪板横纹受剪承载力设计值,按本规范表6.3.2-2的规定取值。
6.3.6 当剪板位于构件端部的垂直面或对称于构件轴线的斜切面上时,剪板受剪承载力设计值应按下列规定确定:
1 当构件端部截面为垂直面(α=90°),垂直面上的荷载沿任意方向作用时(图6.3.6-1),承载力设计值应按下式计算:

式中:Q 90 ——剪板在端部垂直面上沿任意方向的受剪承载力设计值;
Q——剪板在构件侧面上横纹受剪承载力设计值。
2 当构件端部截面为斜面(0°<α<90°),荷载作用方向与斜面主轴平行(φ=0°)时(图6.3. 6-2),受剪承载力设计值应按下式计算:

式中:P α ——斜面上与斜面轴线方向平行(φ=0°)的受剪承载力设计值;
P——剪板在构件侧面上顺纹受剪承载力设计值。
3 当构件端部截面为斜面(0°<α<90°),荷载作用方向与斜面主轴垂直(φ=90°)时(图6.3.6-3),受剪承载力设计值应按下式计算:

式中:Q α ——斜面上与切割斜面轴线方向垂直(φ=90°)的受剪承载力设计值。
4 当构件端部截面为斜面(0°<α<90°),荷载作用方向与斜面主轴的夹角为φ(0°<φ<90°)时(图6.3. 6-4),受剪承载力设计值应按下式计算:

式中:N α ——斜面上与切割斜面轴线方向呈斜角(0°<φ<90°)的受剪承载力设计值;
φ——斜面内荷载与斜面对称轴之间的夹角。
6.3.7 剪板在构件上安装时,边距和端距(图6. 3.7a)应符合以下规定:

图6.3. 7 剪板的几何位置示意图
A—端距;B—不受荷边距;C—受荷边距;D—剪板直径;S—剪板间距
1 剪板布置的边距应符合表6. 3.7-1的规定。
表6.3. 7-1 剪板的最小边距(mm)

注:1 当荷载作用为横纹方向时,构件受荷边为与荷载相邻的边缘,不受力边与受力边相对应;
2 0°~45°之间的边距可采用直线插值法确定;
3 承载力折减值为83°~100°之间时,可按直线插值法确定最小边距。
2 剪板布置的端距应符合表6. 3. 7-2的规定。
表6.3.7-2 剪板的最小端距(mm)

注:1 0°~90°之间的端距可采用直线插值法确定;
2 承载力折减值为63%~100%之间时,可按直线插值法确定最小端距。
6.3.8 剪板在构件上的间距(本规范图6.3.7a)应符合以下规定;
1 当两个剪板中心连线与顺纹方向的夹角α=0°或α=90°时,剪板间距应符合表6.3.8-1的规定。
表6.3. 8-1 剪板的最小间距(mm)

注:1 0°~60°之间的间距可采用直线插值法确定;
2 承载力折减值为50%~100%之间时,可按直线插值法确定最小间距。
2 当两个剪板中心连线与顺纹方向的夹角α为0°≤α≤90°时,剪板的最小间距应按下列规定确定:
1)当剪板受剪承载力达到本规范表6.3.2-2中规定的受剪承载力的100%,剪板之间的连线与顺纹方向的夹角为α时(图6.3. 8),剪板在顺纹方向的间距S 0 与横纹方向的间距S 90 ,应分别按下列公式确定:

式中:x与y值应根据表6.3. 8-2确定。
表6.3. 8-2 剪板之间连线与顺纹方向夹角α为0°和90°时的x与y值(mm)

2)当剪板受剪承载力达到本规范表6.3.2-2中规定的受剪承载力的50%时,对于67mm剪板,取x=y=90mm;对于102mm剪板,取x=y=130mm,并均按式(6.3.8-1)和式(6. 3.8-2)确定剪板在顺纹方向的间距S 0 与横纹方向的间距S 90 。
3)当剪板受剪承载力为本规范表6.3.2-2中规定的50%~90%之间时,剪板所需的最小间距S 0 和S 90 ,应按受剪承载力达到50%和100%时计算所需的最小间距,由直线插值法确定。
6.3.9 构件垂直端面或斜切面上的剪板应根据下列规定对构件侧面上剪板的边距、端距以及间距等布置要求进行布置:
1 在垂直端面以及斜面(45°≤α<90°)上沿任意方向的荷载作用下,剪板布置应符合本规范第6.3.7条和第6. 3. 8条中横纹荷载作用下剪板的布置要求;
2 在斜面(0°<α<45°)上平行于对称轴的荷载作用下,剪板布置应符合本规范第6.3.7条和第6.3.8条中顺纹荷载作用下剪板的布置要求;
3 在斜面(0°<α<45°)上垂直于对称轴的荷载作用下,剪板布置应符合本规范第6.3. 7条和第6. 3. 8条中横纹荷载作用下的布置要求;
4 在斜面(0°<α<45°) 上与对称轴呈任意夹角(φ)的荷载作用下,剪板布置应符合本规范第6.3.7条和第6.3.8条中0°~90°荷载作用下的布置要求。
7 构件防火设计
7.1 防火设计
7 构件防火设计
7.1 防火设计
7.1.1 胶合木结构构件的防火设计和防火构造除应遵守本章的规定外,还应符合现行国家标准《建筑设计防火规范》GB 50016的有关规定。
7.1.2 本章规定的设计方法适用于耐火极限不超过2.00h的构件防火设计。
7.1.3 在进行胶合木构件的防火设计和验算时,恒载和活载均应采用标准值。
条文说明
7.1.3本条考虑到火灾属于偶然设计状况,应采用偶然组合进行设计,根据国家标准《建筑结构荷载规范》GB50009-2001的规定,偶然荷载的代表值不乘以分项系数,而直接采用标准值。
7.1.4 胶合木构件燃烧t小时后,有效炭化速率应根据下式计算:

式中:β e ——根据耐火极限t的要求确定的有效炭化速率(mm/h);
β n ——木材燃烧1.00h的名义线性炭化速率(mm/h);采用针叶材制作的胶合木构件的名义线性炭化速率为38mm/h。根据该炭化速率计算的有效炭化速率和有效炭化层厚度应符合表7.1.4的规定;
t——耐火极限(h)。
表7.1. 4 有效炭化速率和炭化层厚度

条文说明
7.1.4本条给出的有效炭化速率计算公式采用了NDS2005以及美国林业及纸业协会出版的第10号技术报告《计算暴露木构件的耐火极限》。公式中的名义线形炭化速率βn是一维状态下炭化速率,取38mm/h,该数值与欧洲5号规范《木结构设计规范(第2部分)——结构耐火设计》中规定的一维炭化速率的数值(0.65mm/min)相同。有效炭化速率βe为二维状态下,考虑了构件角部燃烧情况以及炭化速率的非线性。
7.1.5 防火设计或验算燃烧后的矩形构件承载能力时,应按本规范第5章的规定进行。构件的各种强度值应采用本规范附录B规定的强度特征值,并应乘以下列调整系数:
1 抗弯强度、抗拉强度和抗压强度调整系数应取1.36;验算时,受弯构件稳定系数和受压构件屈曲强度调整系数应取1.22;
2 受弯和受压构件的稳定计算时,应采用燃烧后的截面尺寸,弹性模量调整系数应取1.05;
3 当考虑体积调整系数时,应按燃烧前的截面尺寸计算体积调整系数。
条文说明
7.1.5根据本规范第7.1.3条规定,荷载直接采用标准值的组合,即在火灾情况下,燃烧后构件承载力的计算相当于采用容许应力法进行计算。参考NDS2005以及美国林业及纸业协会出版的第10号技术报告《计算暴露木构件的耐火极限》,在一般情况下,采用容许应力法进行计算时,构件的允许应力等于材料强度5%的分位值作为特征值,除以调整系数得到。而火灾时,允许应力则采用材料强度的平均值。平均值与5%分位值的关系为: fm=f0.05/(1-1.645×COV) 式中:变异系数COV的取值根据NDS2005,列于表8。 表8美国规范中将强度特征值调整至允许应力设计值的调整系数
注:1数据来源于1999年美国出版的《木材手册》; 2数据来源于NDS2005附录D和H。
7.1.6 构件燃烧后(图7.1.6)几何特征的计算公式应按表7.1.6的规定采用。

图7. 1. 6 三面曝火和四面曝火构件截面简图
1—构件燃烧后剩余截面边缘;2—有效炭化厚度T;3—构件燃烧前截面边缘
表7.1.6 构件燃烧后的几何特征


注:表中,h——燃烧前截面高度(mm);b——燃烧前截面宽度(mm);t——耐火极限时间(h);β e ——有效炭化速率(mm/h)。
7.2 防火构造
7.2 防火构造
7.2.1 当胶合木构件考虑耐火极限的要求时,其层板组坯除应符合本规范第9章的规定外,还应满足以下构造规定:
1 对于耐火极限为1.00h的胶合木构件,当构件为非对称异等组合时,应在受拉边减去一层中间层板,并增加一层表面抗拉层板。当构件为对称异等组合时,应在上下两边各减去一层中间层板,并各增加一层表面抗拉层板。构件设计时,按未改变层板组合的情况进行。
2 对于耐火极限为1.50h或2. 00h的胶合木构件,当构件为非对称异等组合时,应在受拉边减去两层中间层板,并增加两层表面抗拉层板。当构件为对称异等组合时,应在上下两边各减去两层中间层板,并各增加两层表面抗拉层板。构件设计时,按未改变层板组合的情况进行。
条文说明
7.2.1对于暴露在火焰中的梁,为了在表面层板彻底炭化后还能保持梁的极限承载力,组坯时,应将内侧层板用强度更高的层板代替。对于非对称异等组合,该内侧层板指的是紧邻受拉侧表面层板的层板(图5);对于对称异等组合,为靠近两侧表面层板的层板。 
图5有耐火极限要求的胶合木构件非对称异等组合的组坯要求
7.2.2 当采用厚度为50mm以上的木材(锯材或胶合木)作为屋面板或楼面板时(图7.2.2a),楼面板或屋面板端部应坐落在支座上,其防火设计和构造应符合下列要求:
1 当屋面板或楼面板采用单舌或双舌企口板连接时(图7.2.2b),屋面板或楼面板可作为一面曝火受弯构件进行防火设计;
2 当屋面板或楼面板采用直边拼接时,屋面板或楼面板可作为两侧部分曝火而底面完全曝火的受弯构件,可按三面曝火构件进行防火设计。此时,两侧部分曝火的炭化速率应为有效炭化速率的1/3。

图7.2. 2 锯材或胶合木楼(屋)面板示意图
条文说明
7.2.2面板之间如果采用直边对接,燃烧时,木材产生收缩,使得对接拼缝增大,热气会穿过拼缝在面板侧面产生炭化作用。当面板表面有覆面板(例如木基结构板材)覆盖时,由于通过的热气的数量是有限的,试验证明,此时的炭化率可近似有效炭化率的1/3。当面板之间的拼缝为企口时,热气无法通过,试验证明,此时产生的炭化作用可以忽略。
7.2.3 主、次梁连接时,金属连接件可采用隐藏式连接(图7.2.3)。

图7.2.3 主、次梁之间的隐藏式连接示意图
1—主梁;2 次梁;3—金属连接件;4—木塞;5—侧面或底面木材厚度≥40mm
7.2.4 金属连接件表面可采用截面厚度不小于40mm的木材作为连接件表面附加防火保护层(图7.2.4)。
7.2.5 梁柱连接中,当要求连接处金属连接件不应暴露在火中时,除可采用本规范第7.2.4条规定的方法外,还可采用以下构造措施(图7.2.5):
1 将梁柱连接处包裹在耐火极限为1.00h的墙体中;
2 采用截面尺寸为40mm×90mm的规格材和厚度大于15mm的防火石膏板在梁柱连接处进行隔离。

7.2.6 梁柱连接中,当外观设计要求构件外露,并且连接处直接暴露在火中时,可将金属连接件嵌入木构件内,固定用的螺栓孔采用木塞封堵,梁柱连接缝采用防火材料填缝(图7.2.6)。

图7.2.6 梁柱连接件隐藏式防火构造示意图
1—木梁;2—木柱;3—金属连接件;4—木塞;5—腻子或其他防火材料填缝;6—梁端应设侧向支撑
7.2.7 梁柱连接中,当设计对构件连接处无外观要求时,对于直接暴露在火中的连接件,应在连接件表面涂刷耐火极限为1.00h的防火涂料(图7.2.7)。
7.2.8 当设计要求顶棚需满足1.00h耐火极限时,可采用截面尺寸为40mm×90mm的规格材作为衬木,并在底部铺设厚度大于15mm的防火石膏板(图7.2.8)。

8 构造要求
8.1 一般规定
8 构造要求
8.1 一般规定
8.1.1 胶合木结构的设计应考虑构件含水率变化对构件尺寸和构件连接的影响。采用螺栓和六角头木螺钉作紧固件时,应注意预钻孔的尺寸。
8.1.2 构件连接时应避免出现横纹受拉现象,多个紧固件不宜沿顺纹方向布置成一排。
8.1.3 胶合木结构的连接设计应考虑耐久性的影响。
8.1.4 本章规定的节点构造中,紧固件的数量、尺寸以及连接件的设计均应通过设计和计算确定。构件的连接和安装应与设计要求相符。
8.1.5 当胶合梁上有悬挂荷载时,荷载作用点的位置应在梁顶或在梁中和轴以上的位置(图8. 1.5),并按本规范第5.1.9条的规定验算梁在吊点处的受剪承载力。

图8.1.5 悬挂荷载构造示意图
8.1.6 制作胶合木构件时,木板的放置宜使构件中各层木板的年轮方向一致。
8.1.7 制作胶合木构件的木板接长应采用指接。用于承重构件,其指接边坡度η不宜大于1/10,指长不应小于15mm,指端宽度b f 宜取0.1mm~0.25mm(图8.1.7)。

图8. 1.7 木板指接
条文说明
8.1.7本条对指接的指形状仅作了一般性规定。在实际工程中,制作胶合木构件时,层板的接长通常采用指接,并直接由机械设备加工制作、涂胶加压一次完成。由于加工设备的型号和设备制造商不同,其指接接头的指形状也各有不同。在确保指接接头的质量和结构安全下,按本条的规定,制造商可任意选用指接的加工设备。
8.1.8 胶合木构件所用木板的横向拼宽可采用平接;上下相邻两层木板平接线水平距离不应小于40mm(图8.1.8)。

图8.1.8 木板拼接
8.1.9 同一层木板指接接头间距不应小于1.5m,相邻上下两层木板层的指接接头距离不应小于10t。
注:t为板厚。
8.1.10 胶合木构件同一截面上板材指接接头数目不应多于木板层数的1/4。应避免将各层木板指接接头沿构件高度布置成阶梯形。
8.1.11 层板指接时应符合以下对木材缺陷和加工缺陷的规定:
1 层板内不允许有裂缝、涡纹及树脂条纹;
2 木节距指端的净距不应小于木节直径的3倍;
3 层板缺指或坏指的宽度不得大于各类层板允许木节尺寸的1/3;
4 在指长范围内及离指根75mm的距离内,允许截面上一个角有钝棱或边缘缺损存在,但钝棱面积不得大于正常截面面积的1%。
8.1.12 胶合木矩形、工字形截面构件的高度h与其宽度b的比值,梁一般不宜大于6,直线形受压或压弯构件一般不宜大于5,弧形构件一般不宜大于4;超过上述高宽比的构件,应设置必要的侧向支撑,满足侧向稳定要求。
8.1.13 胶合木桁架在制作时应按其跨度的1/200起拱。对于较大跨度的胶合木屋面梁,起拱高度为恒载作用下计算挠度的1.5倍。
8.2 梁与砌体或混凝土结构的连接
8.2 梁与砌体或混凝土结构的连接
条文说明
8.2~8.8 胶合木梁与砌体或混凝土结构连接构造、胶合木梁与梁柱或基础连接构造以及胶合木梁耐久性的构造等,在满足结构和构件安全的条件下,可采用的构造形式有很多,本章各节的构造规定并不是唯一可采用的方式。
8.2.1 胶合木梁与砌体或混凝土结构连接时,应避免采用切口连接。木构件不得与砌体或混凝土构件直接接触。
8.2.2 胶合梁支座连接可以采用焊接板或角钢连接(图8.2.2)。木构件与砌体、混凝土构件及金属连接件之间应留有大于10mm的空隙,与连接件接触的梁角应根据焊缝的位置进行倒角。采用角钢连接时,角钢不得与垫板焊接。

图8. 2. 2 胶合梁支座连接构造示意图
1—金属垫板;2—地锚螺栓;3—金属连接件与梁之间空隙;4—梁角倒角;5—金属连接侧板(与垫板焊接);6—角钢(不得与垫板焊接)
8.2.3 当支座宽度小于胶合木构件的截面宽度时,预埋螺栓应放置在构件的中部,可与支座底板焊接,也可将螺栓穿过底板,在底板面上采用螺栓连接。当采用螺栓连接时,在构件上应预留安装螺栓与螺帽的槽口(图8.2.3)。
8.2.4 当梁有较大变形时,梁的端部应做成斜切口,斜切口宽度不得超过支座外边缘(图8.2.4)。

8.2.5 斜梁底部与支座连接时,斜梁底部及外边缘不应超出支座外缘(图8.2.5a)。当斜梁顶部与支座连接时,不得在构件连接处开槽口,斜梁底边应放置在与金属连接件侧板焊接的斜向垫板上(图8.2.5b)。

图8.2.5 斜梁支座连接示意图
1—斜梁;2—支座;3—地锚螺栓;4—连接件侧板;5—梁端应设侧向支撑;6—斜向金属垫板
8.2.6 梁端支座处当采用角钢作为侧向支撑时,角钢与木梁不得连接(图8.2.6a)。当梁截面高度不大于450mm时,梁端支座处可采用隐蔽式地锚螺栓的连接方式(图8.2.6b),并应对支座处的上拔荷载和水平荷载进行验算。采用隐蔽式地锚螺栓连接时,梁中应预留螺栓孔,预留孔直径应比地锚螺栓直径大10mm。

图8.2.6 梁端侧向支座构造示意图
1—地锚螺栓;2—角钢;3—金属垫板;4—预留孔;5—梁顶预留螺帽凹槽
8.2.7 曲线梁或变截面梁与支座连接时,应设置低摩擦力的底板,并在底板上预留椭圆形槽孔,允许构件水平移动(图8. 2.7)。

图8. 2.7 曲线梁或变截面梁支座示意图
1—低摩擦力底板;2—椭圆形槽孔
8.3 梁与梁的连接
8.3 梁与梁的连接
8.3.1 悬臂连续梁由简支梁和悬臂梁组成,结构系统主要有三种形式(图8.2.1a)。悬臂梁与简支梁之间的连接可采用金属悬臂梁托连接(图8.3.1b、c)。悬臂梁应根据金属梁托的位置和厚度开槽,使金属梁托与梁顶面齐平,并用螺栓连接。

图8.3.1 悬臂连续梁的连接示意图
1—被承载构件;2—承载构件
8.3.2 悬臂连续梁的拉力由附加扁钢承担。当附加扁钢不与梁托整体连接时,扁钢应用螺栓连接两端的胶合梁(图8.3.2a)。当扁钢与悬臂梁托焊接成整体时,扁钢上应预留椭圆形槽孔,并通过螺栓与两端的胶合梁连接(图8.3.2b)。

图8.3. 2 扁钢与梁托连接构造示意图
1—被承载构件;2—承载构件;3—连接板连接两端的梁;4—连接板与梁托焊接
8.3.3 次梁与主梁连接时,紧固件应靠近支座承载面。
8.3.4 当主梁仅单侧有次梁连接时,宜采用侧固式连接件连接(图8.3.4)。

图8.3.4 次梁与主梁采用侧固式连接件示意图
1—主梁;2—次梁;3—金属侧固式连接件;4—螺栓
8.3.5 主梁两侧均有次梁连接时,应符合下列规定;
1 安装次梁梁托时不得在主梁梁顶开槽口。
2 当采用外露连接件时(图8.3.5a),梁托附加扁钢上的紧固件应安装在预留椭圆形槽孔内。可采用在梁顶部附加通长扁钢代替梁托两侧带槽孔的扁钢。
3 当采用半隐藏式连接件时(图8.3.5b),应在次梁截面中间开槽安装梁托加劲肋,加劲肋应采用螺栓或六角头木螺钉与次梁连接。荷载不大时,梁托底部可嵌入次梁内与次梁底面齐平。

图8.3.5 次梁与主梁的连接示意图
1—附加扁钢;2—梁托加劲肋;3—螺栓或螺钉;4—角钢连接件
4 当次梁承受的荷载较轻或次梁截面尺寸较小时,主梁与次梁之间可采用角钢连接件连接(图8.3.5c);采用角钢连接件时,次梁应按高度为h e 的切口梁计算。角钢连接件上的螺栓间距不应小于5d。
注:1 h e 为下部螺栓距梁顶的高度;
2 d为螺柱直径。
8.3.6 起支撑作用的檩条应与桁架或大梁可靠锚固,在合风地区或在设防烈度8度及8度以上地区,更应加强檩条与桁架、大梁和端部山墙的锚固连接。采用螺柱锚固时,螺栓直径不应小于12mm。
8.3.7 在屋脊处和需外挑檐口的椽条应采用螺栓连接,其余椽条均可用钉连接固定。椽条接头应设在檩条处,相邻椽条接头至少应错开一个檩条间距。
8.4 梁和柱的连接
8.4 梁和柱的连接
8.4.1 木梁与木柱或与钢柱在中间支座的连接,可采用U形连接件连接(图8.4.1a、b),或采用T形连接钢板连接(图8.4.1c)。当梁端局部承压不满足要求时,可在柱顶部附加底板。

图8.4. 1 梁柱在中间支座连接示意图
1—木柱;2 金属焊接连接件;3—螺栓;4—U形连接件(与钢柱焊接);5—两侧的T形连接件
8.4.2 梁在屋脊处与柱连接时,可采用柱顶剖斜口的连接构造(图8.4.2a),也可采用在柱顶安装三角形填块的连接构造(图8.4.2b)。

图8.4. 2 梁柱在屋脊处连接构造示意图
1—两侧的T形连接件;2—柱顶斜面;3—两侧的金属连接板;4—三角形填块
8.4.3 梁与木柱或与钢柱在端支座处的连接,可采用扁钢连接件连接(图8. 4.3a),或采用U形连接件连接(图8.4. 3b)。当要求连接件不外露时,梁与木柱连接可采用隐藏式连接构造(图8.4.3c)。隐藏式连接应采用螺纹销进行连接,螺纹销在梁或柱内的长度不应大于150mm。

图8.4.3 梁柱在端支座上的连接示意图
1—木柱;2—两侧扁钢连接件;3—螺栓;4—U形连接件(与钢柱焊接);5—螺纹销;6—凹槽安装孔
8.4.4 当梁柱的截面宽度不同时,梁柱连接处可采用U形连接件和附加木垫块的连接构造。附加木垫块应由连接螺栓与梁或柱连接在一起。
8.5 构件与基础的连接
8.5 构件与基础的连接
8.5.1 木柱与混凝土基础接触面应设置金属底板,底板的底面应高于地面,且不应小于300mm。在木柱容易受到撞击破坏的部位,应采取保护措施。长期暴露在室外或经常受到潮湿侵袭的木柱应作好防腐处理。
8.5.2 柱与基础的锚固可采用U形扁钢、角钢和柱靴(图8.5.2)。

图8.5.2 柱与基础的锚固示意图
1—木柱;2—螺栓;3—金属底板;4—U形扁钢;5—角钢;6—地锚螺栓;7—焊接柱靴;8—嵌入孔洞(用于安装地锚螺栓)
8.5.3 当基础表面尺寸较小,柱两侧不能安装外露地锚螺栓时,可采用隐藏式地锚螺栓的连接构造(图8.5.3)。

图8. 5.3 隐藏式地锚螺栓连接构造示意图
1—木柱;2—螺柱;3—金属侧板;4—地锚螺栓;5—嵌入孔洞
8.5.4 拱靴与地锚螺栓的连接可采用外露连接(图8.5. 4a),或采用隐藏式连接(图8.5. 4b)。

图8. 5.4 拱靴与地锚螺栓连接构造
1—木拱;2—焊接连接件;3—金属底板;4—地锚螺栓;5—螺栓;6—嵌入孔洞(用于安装地锚螺栓)
8.5.5 拱脚与木梁连接时,拱脚连接件应采用剪板与木梁连接(图8.5.5a),剪板采用六角头木螺钉固定,剪板和六角头木螺钉应位于构件截面中心线上。当拱脚与钢梁连接时,拱脚连接件与钢梁之间的连接应采用现场焊接(图8. 5.5b)。

图8. 5.5 拱与梁的连接构造
1—木拱;2—木梁;3—焊接连接件;4—六角头木螺钉;5—剪板;6—嵌入孔洞(用于安装六角头木螺钉);7—钢梁;8—现场焊接
8.5.6 当需要采用钢拉杆承载拱的外推作用力时,钢拉杆与拱的连接可采用钢拉杆与金属底板焊接(图8.5. 6a),或采用杆端有螺纹的钢拉杆与拱脚连接件连接(图8.5.6b),杆端固定螺帽必须采用双螺帽。当拱的基础之间需要采用钢拉杆承载拱的外推作用力时,可在基础之间采用地锚钢拉杆(图8.5.6c)。

图8. 5. 6 拱和三种附加拉杆的构造
1—木拱;2—焊接连接件;3—金属底板;4—焊接钢拉杆;5—地锚螺栓;
6—地面标高;7—杆端带螺纹拉杆;8—地锚拉杆
8.5.7 当拱与基础之间按铰连接设计时,拱靴应通过钢基座与基础连接,拱靴与钢基座之间采用圆销连接(图8.5.7a)。当拱与基础之间不是铰连接设计时,拱靴可通过地锚螺栓直接与基础连接(图8.5. 7b)。连接拱与拱靴的紧固件应位于构件截面中心线附近,紧固件应符合最小间距的要求。

图8. 5. 7 拱于基础之间的连接构造
1—木拱;2—拱靴;3—钢基座;4—圆销;5—椭圆形螺栓孔;6—底部预留排水孔;7—地锚螺栓;8—螺栓靠近截面中心
8.6 拱构件的连接
8.6 拱构件的连接
8.6.1 当拱的坡度大于1:4时,拱的顶部可采用由螺栓连接的剪板进行连接(图8. 6.1a);当竖向剪力较大、或构件截面高度较大时,拱的顶部可采用附加剪板连接的构造(图8.6.1b);当拱的坡度较小时,拱的顶部可采用销钉连接的剪板,并在构件两侧用螺栓连接的钢板进行连接(图8.6.1c)。

图8. 6.1 拱在顶部的连接示意图
1—木拱;2—剪板;3—螺栓;4—凹槽;5—暗销钉;6—附加剪板;7—两侧连接钢板
8.6.2 胶合木门架的实心挑檐可采用六角头木螺钉直接与拱肩连接(图8.6.2a),六角头木螺钉在拱构件中贯入长度不应小于4倍螺钉直径,并应满足抗拔要求。当胶合木门架采用空心挑檐时,除采用六角头木螺钉直接与拱肩连接外,空心挑檐构件之间应用螺旋销连接(图8.6.2b)。挑檐的连接设计应考虑悬臂的影响。

图8.6.2 门架挑檐的连接示意图
1—木拱;2—挑檐;3—六角头木螺钉;4—凹槽;5—螺旋销;6—挑檐构件连接
8.6.3 当拱的连接节点处有弯矩时,应采用增加附加连接板的抗弯连接构造(图8.6.3)。

图8.6.3 拱的抗弯连接构造示意图
1—木拱;2—附加抗拉连接板;3—连接板;4—附加连接板;5—抗压钢板
8.7 桁架构件的连接
8.7 桁架构件的连接
8.7.1 采用胶合木制作的桁架,腹杆与上弦杆之间的铰接连接可采用扁钢或连接板的连接构造(图8.7.1)。腹杆与上弦杆之间应保留一定的空隙。当腹杆采用扁钢、销钉与上弦杆连接时(图8.7.1a),应在扁钢板下附加衬板以防扁钢弯曲。当桁架的变形可能引起腹杆构件的转动时,可采用钢连接板与上弦杆连接(图8.7.1b),并且,钢连接板上的螺栓连接孔应预留成椭圆形孔洞。

图8.7.1 桁架中腹杆和上弦杆的连接示意图
1—连续上弦杆;2—腹杆;3—扁钢板:4—衬板;5—销钉;6—钢连接板;7—椭圆形槽孔
8.7.2 胶合木桁架的腹杆与上弦杆在顶部中点的连接可采用扁钢或连接板的连接构造(图8.7. 2),上弦杆连接处的端部应设置抗压钢板。当腹杆采用扁钢与上弦杆连接时(图8.7.2a),扁钢与木构件采用螺栓连接,腹杆与上弦杆交点处应采用销钉连接。当腹杆采用钢连接板与上弦杆连接时(图8.7.2b),连接板上离节点中心远端的螺栓连接孔应预留成椭圆形孔洞。

图8. 7.2 桁架腹杆和上弦杆在顶部中点的连接示意图
1—上弦杆;2—腹杆;3—扁钢板;4—衬板;5—销钉;6—抗压钢板;7—椭圆形槽孔;8—钢连接板
8.7.3 当胶合木桁架采用胶合木下弦杆时,支座处的连接可采用焊接连接板以及剪板的连接构造(图8.7.3)。在上弦杆端部应设置支座端部承压板,剪板采用螺栓连接。当下弦构件截面较大时,单块连接板可用上下两块扁钢代替。

图8. 7.3 桁架支座连接示意图
1—上弦杆;2—下弦杆;3—剪板;4—螺栓;5—焊接的端部连接板;6—锚固螺栓;7—两侧单块连接板;8—支座端部承压板
8.7.4 当胶合木桁架下弦杆采用钢拉杆时,支座连接可采用杆端有螺纹的钢拉杆直接与焊接连接板锚固的连接构造(图8.7.4)。当采用两根钢拉杆时应位于木构件两侧,当采用单根钢拉杆时应位于桁架中心线。
8.7.5 桁架的横向支撑和垂直支撑均应采用螺栓固定在桁架上、下弦节点处,固定点距离节点中心不应大于400mm。在剪刀撑两杆相交处的空隙内,应用厚度与空隙尺寸相同的木垫块填充并用螺栓固定。

图8. 7.4 桁架下弦杆为钢拉杆时支座连接
1—上弦杆;2—钢拉杆;3—焊接端部连接件;4—螺栓;5—侧面连接板;6—锚固螺栓;7—支座端部承压板
8.8 构件耐久性构造
8.8 构件耐久性构造
条文说明
8.2~8.8 胶合木梁与砌体或混凝土结构连接构造、胶合木梁与梁柱或基础连接构造以及胶合木梁耐久性的构造等,在满足结构和构件安全的条件下,可采用的构造形式有很多,本章各节的构造规定并不是唯一可采用的方式。
8.8.1 当木构件与混凝土墙或砌体墙接触时,接触面应设置防潮层,或预留缝隙。对于柱和拱预留的缝隙宽度应考虑荷载产生的变形,并可采用固定在混凝土或砌体上的木线条进行隐蔽(图8.8.1),木线条不得与柱或拱连接。

图8.8.1 胶合木构件与混凝土或砌体构件的防潮处理示意图
1—柱或拱;2—混凝土或砌体;3—木线条
8.8.2 当建筑物有悬挑屋面时,应保证屋面有不小于2%的坡度(图8.8.2)。封檐板应采用天然耐腐或经过防腐处理的木材。

图8. 8.2 悬挑屋面的耐久性构造示意图
1—屋面板;2—保温层;3—屋面材料;4—屋面梁;5—带滴水条封檐板
8.8.3 当建筑物屋面有外露悬臂梁时,悬臂梁应用金属盖板保护,并应采用防腐处理木材(图8.8.3)。对有外观要求的外露结构应定期进行维护。

图8. 8. 3 悬挑梁的耐久性构造示意图
1—屋面板;2—保温层;3—屋面材料;4—屋面梁;5—天沟;6—金属泛水板
8.8.4 胶合木门架可采用实心挑檐和墙体进行保护(图8.8.4a),对于无墙体保护的外露的部分应进行防腐处理(图8.8.4b)。

图8.8.4 门架的耐久性构造示意图
1—屋面;2—门架;3—墙体;4—挑梁;5—封檐板;6—天沟;7—金属盖板或封板;8—墙体外侧外露部分
8.8.5 对于部分外露的拱应对木材进行防腐处理或采用防腐木材制作构件,并且在明露部分应采用金属泛水板加以保护(图8.8.5)。金属泛水板应伸盖过拱基座,拱底最低点离地面的净距不得小于350mm。

图8. 8.5 部分明露的拱耐久性构造
1—屋面;2—拱;3—墙体;4—天沟;5—金属泛水板;6—拱外露部分;7—泛水板末端
8.8.6 当水平或斜置的外露构件顶部安装金属泛水板时,泛水板与构件之间应设置厚度不小于5mm的不连续木条,并用圆钉或木螺钉将泛水板、木条固定在木构件上(图8.8.6)。构件的两侧、端部与泛水板之间的空隙开口处应加设防虫网。构件两侧外露部分应进行防腐处理。

图8.8.6 梁顶部泛水板
1—木构件;2—金属泛水板;3—空隙;4—圆钉或木螺钉;5—不连续木条
8.8.7 梁端部或竖向构件外露部分安装金属泛水板时,泛水板与构件之间应预留空隙,并用圆钉或木螺钉将泛水板固定在木构件上(图8.8.7)。构件与泛水板之间的空隙开口处应采用密封胶填堵。构件两侧外露部分应进行防腐处理。

图8.8.7 竖向构件立面泛水板做法
1—木构件;2—金属泛水板;3—空隙;4—圆钉或木螺钉;5—密封胶
9 构件制作与安装
9.1 一般规定
9 构件制作与安装
9.1 一般规定
9.1.1 胶合木应由专业制作企业按设计文件规定的胶合木的设计强度等级、规格尺寸、构件截面组坯标准及使用环境在工厂加工制作。
条文说明
9.1.1胶合木构件的质量直接影响到建筑结构的安全,各类胶合木的生产需齐全的专门设备、场地和专门技术,而且通常同时进行木材的防腐处理。建筑工地一般不具备这些条件,难以保证产品质量。因此本条规定胶合木应由专门加工企业生产,以保证胶合木构件生产质量。
9.1.2 当胶合木构件需作防护处理时,构件防护处理应在胶合木加工厂完成,并应有防护处理合格检验报告。
9.1.3 胶合木加工厂提供给施工现场的层板胶合木或胶合木构件的质量和包装,应符合国家相关标准的规定,并附有生产合格证书、本批次胶合木胶缝完整性、指接强度检验报告。
条文说明
9.1.3胶合木生产企业向用户提供胶合木构件时,不仅应提供产品合格证书,还应提供本批次构件齐全的胶缝完整性检验合格证书或检验报告和指接强度检验报告,它们应包括针对本批次构件生产所用的树种(树种组合)、组坯方式、胶种和工艺参数等的型式检验和生产过程中的常规检验结果。对于目测分级Ⅰd、Ⅱd、Ⅲd等层板,尚应提供其力学性能检验报告。需作防护处理的胶合木构件,还应提供防护处理合格检验报告。
9.1.4 制作完成的异等非对称组合的胶合木构件应在构件上明确注明截面使用的上下方向。
条文说明
9.1.4异等非对称组合的胶合木梁,其承载力与截面的放置方式有关,故应注明截面的上、下方向,以保证满足构件的承载力要求。
9.1.5 胶合木结构的制作企业和施工企业应具有相应的资质。施工企业应有完善的质量保证体系和管理制度。
9.1.6 胶合木构件应有符合以下规定的产品标识:
1 产品标准名称、构件编号和规格尺寸;
2 木材树种,胶粘剂类型;
3 强度等级和外观等级;
4 经过防护处理的构件应有防护处理的标记;
5 经过质量认证机构认可的质量认证标记;
6 生产厂家名称和生产日期。
9.1.7 采用进口胶合木构件时,胶合木构件应符合合同技术条款的规定,应附有产品标识和设计标准等相关资料以及相应的认证标识,所有资料均应有中文标识。
9.2 普通层板胶合木构件组坯
9.2 普通层板胶合木构件组坯
条文说明
本节系根据国家标准《木结构设计规范》GB50005-2003编写,维持原规范传统的方法,以便技术人员在熟悉新方法前使用。
9.2.1 普通层板胶合木构件制作时,采用的层板等级标准和树种分类应符合本规范表3. 1.2及表4.2.1-1的规定。构件截面应根据构件的主要用途以及层板材质等级按表9.2.1的规定进行组坯。
表9.2.1 胶合木结构构件的普通胶合木层板材质等级

条文说明
9.2.1普通层板胶合木所用层板的材质等级和树种分类沿用现行国家标准《木结构设计规范》GB50005的原有规定,即按层板目测的外观质量划分为3级。将适合制作胶合木的树种(树种组合)划分为8组,共4个强度等级,且强度指标与方木、原木相同。但层板的强度等级只与树种(树种组合)有关,而与层板的材质等级无关。故本条按构件的用途和层板的材质等级规定组坯方式。虽然本规范对目测分级层板和机械弹性模量分级胶合木分为同等组合和异等组合胶合木,实际上,表9.2.1中的组坯规定,受拉或拉弯构件以及受压构件也可视为同等组合,其他构件可视为异等组合。
9.3 目测分级和机械分级胶合木构件组坯
9.3 目测分级和机械分级胶合木构件组坯
条文说明
本节的组坯规定至关重要,只有按此组坯方式,才能使用本规范第4章规定的各种强度指标和调整系数。 本节较为重要的一点是,强调了构件受控一侧的表面层板宜采用机械分级层板,这对提升构件质量有利。当然,如果采用目测分级的表面层板能达到机械分级一样的性能,经过确认,达到这种品质的目测层板亦是可用的,比如欧洲就有这样较成熟的经验。 本节的组坯方式,主要是参考国外标准并经过规范组慎重讨论确定的。
9.3.1 目测分级和机械分级胶合木构件采用的层板等级标准和树种分类应符合本规范第3.1.3条及第4. 2.2条的规定。异等组合胶合木的层板分为表面层板、外侧层板、内侧层板和中间层板(图9.3.1)。异等组合胶合木组坯应符合表9.3.1的规定。

(a)对称布置

(b)非对称布置
图9.3. 1 胶合木不同部位层板的名称
表9.3.1 异等组合胶合木组坯


条文说明
9.3.1为保证胶合木达到所要求的强度等级,生产厂家必须保证目测分级和机械分级层板的树种(树种组合)、材质等级及力学性能指标符合本规范3.1.3~3.1.5和4.2.2条的规定。 表9.3.1中的组坯可简化为只使用外侧层板、中间层板的组合。其材质要求及胶合木构件强度等级,应根据足尺试验来确定,或提出足够的使用经验(上升到某个国家标准)给予证明。
9.3.2 当设计仅采用外侧层板和中间层板进行组合时,除外侧层板和中间层板的材质应符合本规范第3章的规定外,胶合木的强度等级应按本规范附录D的规定进行确定。
9.3.3 采用异等组合时,构件受拉一侧的表面层板宜采用机械分级层板。当采用机械分级时,其弹性模量的等级不得小于表9.3.3中各强度等级相对应的等级要求,并按本规范第9. 3.4条和第9.3.5条进行组坯。
表9.3.3 异等组合胶合木中表面层板所需的弹性模量的最低要求

9.3.4 异等组合胶合木的组坯级别分为4级。组坯级别应根据表面层板的级别和树种级别,按表9.3. 4-1、表9.3.4-2的规定确定。
表9.3.4-1 对称异等组合胶合木的组坯级别

表9.3. 4-2 非对称异等组合胶合木的组坯级别

条文说明
9.3.2~9.3.4应力在受弯构件、压弯构件和拉弯构件的截面上并非均匀分布,为合理用材,这类构件宜采用异等组合,材质等级和强度指标高的层板,用于应力较大的表面和外侧层板,以充分发挥材料性能。
9.3.5 异等组合胶合木的组坯应按表9.3.5-1和表9.3.5-2的要求进行配置。
表9.3. 5-1 对称异等组合胶合木的组坯级别配置标准

注:1 M E 为表面层板的弹性模量级别,最低要求按本规范表9. 3. 3确定。M E -△1M E ,M E -△2M E 和M E -△4M E 分别表示该层板的弹性模量级别比M E 小1、2、4级差。
2 如果构件的强度可通过足尺试验或计算机模拟计算并结合试验得到证实,即使层板的组合配置不满足表中的规定,也可认为构件满足标准要求。
表9. 3. 5-2 非对称异等组合胶合木的组坯级别配置标准

注:1 M E 为受拉侧表面层板的弹性模量级别,最低要求按本规范表9. 3. 3确定。M E -△1M E ,M E -△2M E 和M E -△4M E 分别表示该层板的弹性模量级别比M E 小1、2、4级差。
2 如果构件的强度可通过足尺试验或计算机模拟计算并结合试验得到证实,即使层板的组合配置不满足表中的规定,也可认为构件满足标准要求。
条文说明
9.3.5轴心受力构件以及荷载作用方向与层板窄边垂直的受弯构件,截面不同位置的层板中的应力分布相同,故应采用同等组合。表9.3.5-1和表9.3.5-2分别是5个强度等级的胶合木对目测分级层板和机械弹性模量分级层板的材质要求。为保证胶合木达到规定的强度指标,应严格执行层板材质等级的规定。例如,对于强度等级TCT30,只能采用SZ1中的Ⅰd等级的目测分级层板或强度等级ME14级的机械弹性模量分级层板;对于强度等级TCT27,可采用SZ1中的Ⅱd等级的目测分级层板或SZ2、SZ3中的Ⅰd等级的目测分级层板,或采用强度等级ME12级的机械弹性模量分级层板。
9.3.6 同等组合胶合木的层板可采用目测分级层板、机械分级层板。目测分级或机械分级等级应符合表9.3.6-1和表9.3.6-2的规定。
表9.3.6-1 同等组合胶合木采用目测分级层板的材质要求

表9.3.6-2 同等组合胶合木采用机械弹性模量分级层板的材质要求

9.3.7 同等组合胶合木的组坯级别分为3级,组坯级别应根据选定层板的目测分级或机械分级等级和树种级别,按表9.3.7-1和表9.2.7-2的规定确定。
表9.3.7-1 同等组合胶合木采用目测分级层板的组坯级别

表9.3.7-2 同等组合胶合木采用机械弹性模量分级层板的组坯级别

9.3.8 同等组合胶合木的组坯应按表9.3.8的要求进行配置。
表9.3.8 同等组合胶合木的组坯级别配置标准

9.4 构件制作
9.4 构件制作
9.4.1 用于制作胶合木构件的层板厚度在沿板宽方向上的厚度偏差不超过±0.2mm,在沿板长方向上的厚度偏差不超过±0.3mm。
9.4.2 制作胶合木构件的生产区的室温应大于15℃,空气相对湿度宜在40%~80%之间。在构件固化过程中,生产区的室温和空气相对湿度应符合胶粘剂的要求。
条文说明
9.4.2胶合木构件的生产制作区环境应按所采用胶粘剂的要求进行控制,生产区室温和空气相对湿度是控制胶合木构件质量的主要因素之一。生产期间,空气相对湿度应控制在40%~80%之间。在涂抹胶粘剂和固化期间,空气相对湿度若为30%也可接受。生产期间,允许在较短时间内,室温和空气相对湿度超出本条规定的控制范围。
9.4.3 层板指接接头在切割后应保持指形切面的清洁,并应在24h内进行粘合。指接接头涂胶时,所有指形表面应全部涂抹。固化加压时端压力应根据采用树种和指长,控制在2N/mm 2 ~10N/mm 2 的范围内,加压时间不得低于2s。指接层板应在接头胶粘剂完全固化后,再开展下一步的加工制作。
条文说明
9.4.3层板指接接头如果采用机械涂胶,层板两端都应涂抹。如果采用手工涂胶,一端层板的所有指接表面都应完全涂抹,并经过操作者检查后,可只涂抹一端层板。指接层板在进一步加工前,胶粘剂初步固化应完成,除非能提供试验证明指接接头有足够可靠的强度,才能允许进一步加工。
9.4.4 层板胶合前表面应光滑,无灰尘,无杂质,无污染物和其他渗出物质。各层木板木纹应平行于构件长度方向。层板涂胶后应在所用胶粘剂规定的时间要求内进行加压胶合,胶合前不得污染胶合面。
9.4.5 胶合木的胶缝应均匀,胶缝厚度应为0.1mm~0.3mm。厚度超过0.3mm的胶缝的连续长度不应大于300mm,且胶缝厚度不得超过1mm。在承受平行于胶缝平面的剪力时,构件受剪部位漏胶长度不应大于75mm,其他部位不大于150mm。在室外使用环境条件下,层板宽度方向的平接头和层板板底开槽的槽内均应填满胶。
条文说明
9.4.5为了减少翘曲与裂纹,超过200mm宽的层板可在板中开槽。每块层板截面中部允许有一个槽,槽的最大宽度为4mm,最大深度是层板厚度的1/3。相邻层板的开槽应相互错开,其距离应大于层板厚度,胶合时,槽内均应填满胶。
9.4.6 层板胶合时应确保夹具在胶层上均匀加压,所施加的压力应符合胶粘剂使用说明书的规定。对于厚度不大于35mm的层板。胶合时施加压力应不小于0.6N/mm 2 ;对于弯曲的构件和厚度大于35mm的层板,胶合时应施加更大的压力。
9.4.7 胶合木构件加工及堆放现场应有防止构件损坏,以及防雨、防日晒和防止胶合木含水率发生变化的措施。
9.4.8 经防腐处理的胶合木构件应保证在运输和存放过程中防护层不被损坏。经防腐处理的胶合木或构件需重新开口或钻孔时,需用喷涂法修补防护层。
9.4.9 在桁架制作l/200的起拱时,应将桁架上弦脊节点上提l/200,其他上弦节点中心落在脊节点和端节点的连线上且节间水平投影保持不变;在保持桁架高度不变的条件下,确定桁架下弦的各节点位置。当梁起拱后,上下边缘应呈弧形。
注:l为桁架跨度。
条文说明
9.4.9除设计文件规定外,胶合木桁架的制作均应按跨度的1/200起拱,以减少视觉上的下垂感。本条文规定了脊节点的提高量为起拱高度,在保持桁架高度不变的情况下,钢木桁架下弦提高量取决于下弦节点的位置,木桁架取决于下弦杆接头的位置。桁架高度是指上弦中央节点至两支座连线间的距离。
9.4.10 当设计对胶合木构件有外观要求时,构件的外观质量应满足现行国家标准《木结构工程施工质量验收规范》GB 50206的有关规定。
9.4.11 胶合木构件制作的尺寸偏差不应大于表9.4. 11的规定。
表9.4.11 胶合木桁架、梁和柱制作的允许偏差


注:d为螺栓或钉的直径;l为构件长度(弧形构件为弓长);b为板束总厚度;h为截面高度。
9.4.12 当胶合木桁架构件需制作足尺大样时,足尺大样的尺寸应用经计量认证合格的量具度量,大样尺寸与设计尺寸的允许偏差不应超过表9.4. 12的规定。
表9.4.12 桁架大样尺寸允许偏差

9.5 构件连接施工
9.5 构件连接施工
9.5.1 螺栓连接施工时,被连接构件上的钻孔孔径应略大于螺栓直径,但不应大于螺栓直径1.0mm。螺栓中心位置的偏差应符合现行国家标准《木结构工程施工质量验收规范》GB 50206的有关规定。预留多个螺栓钻孔时宜将被连接构件临时固定后,一次贯通施钻。安装螺栓时应拧紧,确保各被连接构件紧密接触,但拧紧时不得将金属垫板嵌入胶合木构件中。承受拉力的螺栓应采用双螺帽拧紧。
条文说明
9.5.1螺栓连接中力的传递依赖于孔壁的挤压,因此连接件与被连接件上的螺栓孔必须同心,否则不仅安装螺栓困难,更不利的是增加了连接滑移量,甚至发生各个击破现象而不能达到设计承载力要求。采用本规范规定的一次成孔方法,可有效解决螺栓不同心问题,缺点是当连接件为钢夹板时,所用长钻杆的麻花钻需特殊加工。 螺栓连接中,螺栓杆一般不承受轴向力作用,因此垫板尺寸仅需满足构造要求,无需验算木材横纹局压承载力。因木材干缩等原因引起螺帽松动,木结构检修是予以拧紧。承受拉力的钢拉杆,其端部螺栓应采用双螺帽并彼此拧紧,主要是为了防止螺帽松动。其垫板尺寸应经计算确定。
9.5.2 六角头木螺钉连接施工时,需根据胶合木树种的全干相对密度制作引孔,无螺纹部分的引孔直径同螺栓杆径,引孔深度等于无螺纹长度;有螺纹部分的引孔直径应符合表9. 5.2的规定,引孔深度不小于螺钉有螺纹部分的长度。对于直径大的六角头木螺钉,引孔直径可取上限。对于主要承受拔出力的六角头木螺钉,当边、端间距足够大时,在树种全干相对密度小于0.5时可不作引孔处理。六角头木螺钉应用扳手拧入,不得用锤击入,允许用润滑剂减少拧入时的阻力。
表9.5.2 六角头木螺钉连接时螺纹部分引孔的直径要求

注:d—六角头木螺钉直径。
条文说明
9.5.2直径较大的方头或六角头木螺钉,难以直接拧入木材,如果强力拧入或捶击,有可能造成木材劈裂而影响节点连接的承载力,故需要作引孔处理。
9.5.3 剪板连接的剪盘和螺栓或六角头木螺钉应配套,连接施工时应采用与剪板规格品种相应的专用钻具一次成孔(包括安放剪板的窝眼)。当采用六角头木螺钉替代螺栓时,六角头木螺钉有螺纹部分的孔也应作引孔,孔径为螺杆直径的70%。采用金属侧板时,螺帽下可以不设金属垫圈,并应选择合适的螺杆长度,防止螺纹与金属侧板间直接承压。当胶合木构件含水率尚未达到当地平衡含水率时,应及时复拧螺帽或六角头木螺钉,确保被连接构件间紧密接触。
条文说明
9.5.3剪板在我国的工程应用并不广泛,应严格按规范施工。参照国外经验,采用与剪板规格品种配套的专用钻具,将螺栓孔和剪板窝眼一次成孔。
9.6 构件安装
9.6 构件安装
9.6.1 胶合木构件在吊装就位过程中,当与该结构构件设计受力条件不一致时,应根据结构构件自重及所受施工荷载进行安全验算。构件在吊装时,应力不应超过1.2倍胶合木强度设计值。
条文说明
9.6.1需考虑拼装时的支承情况和吊装时的吊点位置两种情况验算,而这两种情况与构件的设计受力情况,一般是不一致的。木材的强度取值与荷载持续时间有关,拼、吊装时结构所受荷载作用时段较短,故取其最大应力不超过1.2倍的木材强度设计值。
9.6.2 构件为平面结构时,吊装就位过程中应有保证其平面外稳定的措施,就位后应设必要的临时支撑,防止发生失稳或倾覆。
9.6.3 构件与构件间的连接位置、连接方法应符合设计规定。
9.6.4 构件运输和存放时,应将构件整齐的堆放。对于工字形、箱形截面梁宜分隔堆放,上下分隔层垫块竖向应对齐,悬臂长度不宜超过构件长度的1/4。桁架宜竖向放置,支承点应设在桁架两端节点支座处,下弦杆的其他位置不得有支承物。数榀桁架并排竖向放置时,应在上弦节点处采取措施将各桁架固定在一起。
条文说明
9.6.4桁架等平面构件水平运输时不宜平卧叠放在车辆上,以免在装卸和运输过程中因颠簸使平面外受弯而损坏。大型或超常构件无法存放在仓库或敞棚内时,也应采取防雨淋措施,如用五彩布、塑料布等遮盖。
9.6.5 雨期安装胶合木结构时应具有防雨措施。
9.6.6 桁架安装时应先按设计要求的位置,在桁架上标出支座中心线。支承在木柱上的桁架,柱顶应设暗榫嵌入桁架下弦,用U形扁钢锚固并设斜撑与桁架上弦第二节点牵牢(图9.6.6)。

图9.6.6 桁架支承在木柱上
条文说明
9.6.6木柱与桁架上弦第二节点间设斜撑可增强房屋的侧向刚度,侧向水平荷载在斜撑中产生的轴力应直接传递至屋架上弦节点,斜撑与下弦杆相交处的螺栓只起夹紧作用,不应传递轴力,故在斜撑上开椭圆孔。
9.6.7 结构构件拼装后的几何尺寸偏差不应超过表9.6.7的规定。
表9.6.7 桁架、柱等组合构件拼接后的几何尺寸允许偏差(mm)

9.6.8 桁架、梁及柱的安装允许偏差应不大于表9.6.8的规定。
表9.6.8 桁架、梁及柱的安装允许偏差

注:H为桁架或柱的高度;L为构件长度。
10 防护与维护
10.1 一般规定
10 防护与维护
10.1 一般规定
10.1.1 胶合木构件不应与混凝土或砌体结构构件直接接触,当无法避免时,应设置防潮层或采用经防腐处理的胶合木构件。
条文说明
10.1.1胶合木构件不应与混凝土或砌体结构构件直接接触,一般在接触面可加钢垫板。当无法避免时,为了保证胶合木构件的耐久性应采用经防腐处理的胶合木构件。
10.1.2 当胶合木结构用在室外环境或经常潮湿环境中时(木材的平衡含水率大于20%),胶合木构件必须经过加压防腐处理。木材的平衡含水率与温度、湿度的关系应符合本规范附录H的规定。
条文说明
10.1.2当胶合木结构处于室外露天环境或经常潮湿环境中,容易使胶合木构件产生腐朽,胶合木构件必须经过加压防腐处理。一般情况下将木材的平衡含水率大于20%时的条件定义为经常潮湿的环境。
10.2 防腐处理
10.2 防腐处理
条文说明
胶合木构件防腐处理采用的方法和使用的防腐剂各有不同,本规范不作具体的规定。但是,无论采用何种处理方法和防腐剂,胶合木构件防腐处理透入度从载药量应符合国家相关标准的规定。
10.2.1 胶合木构件应根据设计的使用年限、使用环境及木材的渗透性等要求,确定构件是否需要进行防腐处理,并确定防腐处理所使用的防腐剂种类、处理质量要求及处理方法。
10.2.2 胶合木防腐处理方法可根据使用树种、采用药剂,分为先胶合层板后处理构件或先处理层板后胶合构件两种方法。当使用水溶性防腐剂时,不得采用先胶合后处理的方式。
10.2.3 胶合木结构使用环境可按现行行业标准《防腐木材的使用分类和要求》LY/T 1636的有关规定进行分类。所使用的防腐剂应符合现行行业标准《木材防腐剂》LY/T 1635的有关规定。胶合木构件在各类条件下应达到的防腐处理透入度及载药量应符合现行国家标准《木结构工程施工质量验收规范》GB 50206的有关规定。
10.2.4 经防腐处理的胶合木应有显著的防腐处理标识,标明处理厂家或商标、使用分类等级、所使用的防腐剂、载药量及透入度。
10.2.5 未经防护处理的木梁支承在砖墙或混凝土构件上时,其接触面应设防潮层,且梁端不得埋入墙身或混凝土中,四周应留有宽度不小于30mm的空隙并与大气相通(图10.2.5)。

图10. 2. 5 木梁在墙体内预留空隙示意图
条文说明
10.2.5大量的现场调查表明,木梁的腐朽主要发生在支座处,因此当木梁支承在砖墙或混凝土构件上时,应设经防护处理的垫木,并应设防潮层和保证支座的通风。
10.2.6 胶合木构件应支承在混凝土、柱墩或基础上,柱墩顶标高应高于室外地面标高300mm,虫害地区不得低于450mm。未经防护处理的木柱不得接触或埋入土中。木柱与柱墩接触面间应设防潮层,防潮层可选用耐久性满足设计使用年限的防水卷材。
10.2.7 胶合后进行防腐处理的构件,在处理前应加工到设计的最后尺寸,处理后不应随意切割。当必须作局部修整时,应对修整后的木材表面涂抹足够的同品牌药剂。
10.3 检查和维护
10.3 检查和维护
10.3.1 对于暴露在室外、或者经常位于在潮湿环境中的胶合木构件,必须进行定期检查和维护。当发现胶合木构件有腐蚀和虫害的迹象时,应根据腐蚀的程度、虫害的性质和损坏程度制定处理方案,及时对构件进行补强加固或更换。
条文说明
10.3.1对于暴露在室外、或者经常位于在潮湿环境中的胶合木结构构件,虽然进行了防腐处理,但是还是容易产生腐蚀和虫害的迹象,必须进行定期检查和维护,以免对结构安全构成危害。
10.3.2 胶合木的拱或柱应定期对拱靴或柱靴进行检查和维护。应重点检查直接暴露在室外的拱或柱的表面层板处是否有开裂和腐朽(图10.3.2)。

图10. 3. 2 拱检查部位示意图
10.3.3 胶合木构件之间或胶合木构件与建筑物其他构件之间的连接处,应检查隐藏面是否出现潮湿或腐朽(图10.3.3)。

图10. 3. 3 构件连接处检查部位示意图
条文说明
10.3.2、10.3.3对于胶合木构件的拱靴或柱靴处,或与建筑物其他构件之间的连接处,易出现开裂、腐蚀和虫害,经常进行检查和维护是必要的。
10.3.4 对于易吸收水分产生开裂的构件端部应定期进行检查和维护(图10.3.4)。

图10. 3. 4 构件端部的检查示意图
10.3.5 当构件出现腐朽时,应及时找出腐朽的原因,隔绝潮湿源。对于胶合木拱和超过屋面边缘的构件可采取延伸屋面或在拱体上加盖保护层等措施防止腐朽发生。当在拱体上加盖保护层时(图10.3. 5),应在拱截面四周固定厚度不小于15mm的木龙骨后,再采用防水胶合板封闭,并预留通风口。防水胶合板应延伸到拱支座以下。

图10.3. 5 拱体上加盖保护层示意图
1—防水胶合板;2—龙骨;3—通风口;4—拱支座
10.3.6 已经腐朽的构件,可将悬挑明露部分切割成变截面梁(图10.3.6)。当构件去除腐朽部分剩下的截面仍能承载设计荷载时,可在现场对构件进行防腐处理,也可待构件干燥后,采用其他保护方法防止构件进一步腐朽。在去除腐朽部分时,腐朽材必须彻底清除干净,腐朽周围的木材必须完全干燥。

图10.3. 6 已腐朽构件的保护
1—切割已腐蚀的梁;2—封檐板;3—新增天沟
10.3.7 对构件进行非结构性破坏的维修时,应将腐朽部位清除并干燥,出现的空洞可采用木块或环氧树脂材料进行填充。采用的木质填充物必须经过加压防腐处理。采用环氧树脂时,应将树脂填充至构件的表面。
10.3.8 构件需进行结构性破坏的维修时,应经过专门设计才能进行。
附录A胶粘剂性能要求和测试方法
A.1剪切试验
附录A 胶粘剂性能要求和测试方法
A.1 剪切试验
A.1.1 当进行胶缝剪切试验时,胶合试件应采用密度为(700±50)kg/m 3 ,含水率为(12±1)%,未经处理的直纹理榉木(Fagus sylvatica L.)木材,试件胶缝厚度应根据胶粘剂种类分别采用为0.1mm、0.5mm和1.0mm,胶合试件胶缝的最小平均剪切强度值应符合表A. 1.1的规定。
表A. 1. 1 胶缝的最小平均剪切强度(N/mm 2 )

注:试件处理方法应符合本规范第A. 1.4条的规定。
A.1.2 胶缝剪切试验中,用于同一循环处理的木板(包括不同的胶缝厚度)应取自同一块木材,应使木板的年轮与胶合面之间的夹角在30°~90°之间。胶合组件制作应按下列方法进行:
1 从榉木板上刨切出顺纹方向至少300mm长、横纹方向至少130mm宽的两块木板(图A.1. 2)。
2 木板在长度和宽度方向应按每道锯片厚度预留必要的锯割加工余量。

图A. 1.2 层板胶合木板试样
a—厚胶缝的厚度;b—试件宽度(20.0±0.1)mm;c—用于厚胶缝测试的凹槽;l 1 —试件总长度(150±5)mm;
s—用于薄胶缝测试的木板厚度(5. 0±0.1)mm;α—年轮和胶合面的夹角(30°~90°)
3 对于0.1mm厚胶缝的测试,使用两块(5.0±0.1)mm厚的木板。对于(0.5±0. 1)mm和(1. 0±0.1)mm厚胶缝的测试,使用一块(6.0±0.1)mm厚的木板和一块(5.0±0.1)mm厚的木板,并在6mm厚木板上开出(0.5±0.1)mm深,(14±1)mm宽的凹槽(图A.1.2a)。
4 轻微刨光或使用砂纸磨光每个胶合表面,仔细清除胶合面上的污垢,不得触摸或弄脏加工好的表面,24h内将木板胶合。涂胶后加压前,木板应按图A. 1.2c所示胶合到一起,以确保胶合组件是取自同一块木板。
5 对于0.1mm厚胶缝的测试,胶合两块5mm厚木板,施压生成10mm厚胶合组件。对于(0.5±0.1)mm和(1. 0±0.1)mm厚胶缝的测试,将胶粘剂倒入开槽木板的凹槽,保证加压时挤出。将一块6mm厚开槽并涂胶的木板和一块5mm厚未开槽木板叠合加压,生成大于11mm厚的胶合组件。胶合时压力应在胶合面上均匀分布。
6 遵循胶粘剂制造商关于加工条件的要求,包括胶粘剂准备和应用、胶粘剂涂抹、开放和闭合陈化时间、加压大小和时间,并在报告中写明。对于厚胶缝,胶粘剂各组成分应预先混合均匀。
A.1.3 胶合组件加压胶合后,在测试前,胶合组件应放在标准气候条件下平衡处理7d。根据胶粘剂制造商的要求,可能进行更长时间的平衡处理。胶合组件经平衡处理后应按以下规定制作测试试件:
1 从完全固化的胶合组件上锯切测试试件,切掉边缘7.5mm,沿纹理方向从每个胶合组件中锯切五条宽b=20mm的木条(图A. 1.3)。将这些木条锯切成长l 1 =(150±5)mm的试件。
2 在木条胶合部分垂直纹理制作两个宽度大于2.5mm的平底切口,这样在厚胶缝试件凹槽中间部分(图A. 1.3)形成宽度l 2 =(10±0.1)mm的搭接。切口是为了分离木板和胶缝,但不能透过胶缝。

图A. 1.3 测试试件的制作
a—厚胶缝的厚度;b—试件宽度(20.0±0.1)mm;l 1 —试件总长度(150±5)mm;l 2 —试件搭接长度(10. 0±0. 1)mm;
s—用于胶缝测试的木板厚度(5. 0±0.1)mm;α—年轮和胶合面的夹角(30°~90°)
3 测试试件应在胶合3d或更长时间后锯切。
A.1.4 胶缝剪切试验前应对测试试件按表A. 1. 4的规定进行处理。处理时确保测试试件水平放置,每个面都能自由接触到水,并被支撑确保不受任何压力。
表A. 1.4 拉伸剪切试验前预处理方式和时间

注:1 标准气候条件定义为:温度(20±2)℃,相对空气湿度(65±5)%;
2 原始质量允许公差在+2%和-1%之间。
A.1.5 胶缝剪切试验应保证有足够数量的试件,表A. 1.4中的每种处理方式应提供10个有效结果。测试结果中,当木材破坏而不是胶缝破坏,并且数值低于表A. 1.1中规定的最小值,或者外观检查显示胶粘剂未正确涂布的,都为无效结果。所有有效或无效的结果,都应记录下来。
A.1.6 当对比胶粘剂用于厚和薄胶缝的强度时,由木材引起的胶合强度的差异应最小化。这种情况下,进行测试的木板取自同一木材,纹理方向相同,且遵循以下规则:两块用于薄胶缝的5mm厚木板;一块用于厚胶缝的5mm厚木板;一块用于厚胶缝的6mm厚木板。木板通常以稍大尺寸锯割,使用前刨切到要求的厚度。
A.1.7 胶缝剪切试验测试程序应按以下方法进行:
1 将试件对称地插入试验机的夹具,夹具之间的距离调节在50mm到90mm范围内。夹紧试件,使试件长轴方向平行于加载方向。施加拉力,直到试件破坏。
2 对于胶粘剂对比试验和判定胶粘剂属于Ⅰ类或Ⅱ类,试验应按以下规定执行:
1)荷载增加速度(2.0+0.5)kN/min;
2)或者,夹具以不超过5mm/min的速率匀速分离,使得达到破坏需要的时间在30s~90s之间。
3 记录破坏荷载。
4 对于每个测试过的试件,肉眼观察估计并记录木破率。再精确至10%。
A.1.8 测试设备应该符合以下其中一项:
1 荷载增加速度(2.0±0.5)kN/min;
2 夹具运动的速率应符合国际标准ISO 5893的要求。
夹口应以楔形固定试件,保证试件可自动对准以防止加载时滑动。
A.1.9 以10次有效测试的剪切强度平均值表达剪切强度的测试结果,并以10次有效测试的木破率平均值表达木破率的测试结果。每个试件的剪切强度应按下式计算:
τ=P max /200 (A.1. 9)
式中:τ——剪切强度(N/mm 2 );
P max ——最大破坏荷载(N)。
A.2浸渍剥离试验
A.2 浸渍剥离试验
A.2.1 当进行胶缝浸渍剥离试验时,胶合试件应采用密度为(425±25)kg/m 3 ,含水率为(12±1)%的弦切直纹云杉(Picea abies L.)木材。胶合试件抗剥离性能应符合表A.2. 1的规定。
表A. 2.1 抗剥离性能要求(%)

A.2.2 浸渍剥离试验中,应准备四块层板。层板木材要求没有缺陷,不宜有节子,不得使用径切层板。当节子无法避免时,允许节子最大直径20mm,不允许有纵向截断节。当胶粘剂用于硬木树种或化学处理材时,要使用有代表性的木材样品准备四块层板。
A.2.3 层板应在标准气候条件下平衡处理至少7d,确保木材含水率达到(12±1)%。
A.2.4 每块层板应保证制作不少于六个,且尺寸为(150±5)mm宽、(30±1)mm厚、长约500mm的测试层板。测试层板厚度为刨光后的尺寸。根据表A. 2.4的规定,在刨光后8.00h内胶合层板,制作成胶合组件。每个胶合组件内,确保六块层板具有一致的年轮方向。
表A. 2.4 胶合组件的准备要求

A.2.5 胶合组件加压胶合后,在锯切试件前,应在标准气候条件中平衡处理7d。根据胶粘剂制造商要求,可延长平衡时间。胶合组件经平衡处理后应按以下规定制作成测试试件:
1 用可产生光滑表面的工具,从4个待测胶合组件的每一个中,垂直于胶合面切下全截面的两个试件。每个测试试件长为75mm,距离任意端头最短不得少于50mm。
2 记录下从准备试件到测试试件的时间间隔。
A.2.6 胶缝浸渍剥离试验测试程序应按以下方法进行:
1 准确称量并记录试件的重量;
2 将试件放入压力锅并使其不漂浮,加入10℃~25℃的水直到淹没试件,保持试件完全浸没在水中;
3 用大于5mm厚的金属棒、金属网或其他工具将试件隔离开,使得试件所有端面自由暴露在水中;
4 根据表A. 2.6的规定,按本规范第A. 2.7条进行高温程序,测试是否符合用于户外的Ⅰ类胶粘剂的要求。或按本规范第A. 2.8条规定进行低温程序,测试是否符合用于中等气候条件的Ⅱ类胶粘剂的要求。
表A. 2.6 浸渍剥离试验循环处理规定

A.2.7 浸渍剥离试验的高温程序适用于Ⅰ类胶粘剂的测试,测试程序应按以下方法进行:
1 将压力锅内压力减小到绝对压力(25±5)kPa,并保持0.25h。
2 释放真空后,施加绝对压力至(600±25)kPa,并保持1.00h。
3 再次重复第1和第2款的真空-加压循环,进行时间约2.50h的两次循环浸注。
4 两次循环浸注完成后,在空气入口温度(65±3)℃、相对湿度(10~15)%、风速(2.25±0.25)m/s的设备中,干燥试件20h。干燥过程中,试件间距至少50mm,端面平行于气流方向。
5 干燥过程完成后,准确控制试件质量。任何试件,只有当质量达到原始质量的100%到110%之间时,才认为是浸注-干燥结束。如果试件在干燥20h后的质量超出其原始质量10%,应再次将试件放入干燥通道,经受相同的干燥条件,1.00h后取出试件并重新称重,重复此过程直到试件质量在要求的范围内。在干燥处理过程中的20h内,可以取走试件进行称重检测,以确保试件不会干燥过度。
6 记录下试件每次在浸注-干燥循环后的质量,记录每个试件达到要求质量所需要的总的干燥时间。如果干燥处理后试件质量低于原始质量,则丢弃此试件,制作并测试新的试件。
7 重复本条第1款~6款的整个浸注-干燥循环2次,总测试时间应超过3d。
A.2.8 浸渍剥离试验的低温程序适用于Ⅱ类胶粘剂的测试,测试程序应按以下方法进行:
1 将锅内压力减小至绝对压力(25±5)kPa,并保持0.25h。
2 释放真空后,施加绝对压力(600±25)kPa,并保持1. 00h。
3 再次重复第1和第2款的真空-加压循环,进行时间约2.50h的两次循环浸注。
4 两次循环浸注完成后,在空气入口温度(25~30)℃、相对湿度(30±5)%、风速(2.25±0.25)m/s的设备中,干燥试件90h。干燥过程中,试件间距至少50mm,端面平行于气流方向。
5 干燥过程完成后,准确控制试件质量。任何试件,只有当质量达到原始质量的100%到110%之间时,才认为是浸注-干燥结束,如果试件在干燥90h后的质量超出其原始质量10%,应再次将试件放入干燥通道,经受相同的干燥条件,2.00h后取出试件并重新称重,重复此过程直到试件质量在要求的范围内。在干燥处理过程中的90h内,可以取走试件进行称重检测,以确保试件不会干燥过度。
6 记录下试件每次在浸注-干燥循环后的质量,记录每个试件达到要求质量所需要的总的干燥时间。如果干燥处理后试件质量低于原始质量,则丢弃此试件,重新制作并测试新的试件。
7 再重复本条第1款~6款的整个浸注-干燥循环1次,总测试时间应超过8d。
A.2.9 浸渍剥离测量和试件的评估应在最终干燥处理后1.00h内进行。使用带有强光的10倍放大镜,以确定胶缝分离是否是有效剥离。应测量两个端面的总剥离长度和总胶线长度,以mm为单位。
A.2.10 胶缝浸渍剥离试验中有效剥离应满足以下条件之一:
1 胶缝本身的分离。
2 胶缝和木材层板间的破坏,胶缝上未粘有木材纤维。
3 总是发生在胶缝外第一层细胞的木材破坏,破坏路径不由纹理角度和年轮结构决定。木刷纤维细如绒毛,为木材层板和胶缝的界面。
以下情况产生不得作为胶缝剥离:
1 实木破坏,破裂途径明显受纹理角度和年轮结构影响。
2 独立的胶缝分层,长度小于2.5mm,离最近的分层大于5mm。
3 胶缝中的分层沿着节子或树脂道,或由胶缝中暗藏的节子引起。当怀疑胶缝分层是由节子引起时,应使用楔子和锤子(或相似工具)打开胶缝并检查是否存在暗藏节子。如果分层是由暗藏节子引起的,分层不应认为是脱胶。
4 与胶缝平行相邻的年轮晚材区的破坏。
当超出最大脱胶要求时,建议打开分层的胶缝,仔细检查。
A.2.11 计算每个试件的脱胶率,并以百分比表达,结果应精确到0.1%。剥离率应按下式计算:
D=(l 1 /l 2 )×100% (A.2.11)
式中:D——剥离百分比;
l 1 ——两个端面上总剥离长度(mm);
l 2 ——两个端面上胶缝总长度(mm)。
A.3耐久性试验
A.3 耐久性试验
A.3.1 当进行胶缝耐久性试验时,胶合试件应采用密度为(700±50)kg/m 3 ,含水率为(12±1)%的未经处理的榉木(Fagus sylvatica L.)木材。胶缝耐久性试验应满足以下规定:
1 试验应使用6个多胶缝测试试件,并不得有一个在测试期失败;
2 试验完成后,每个测试试件中胶线的平均蠕变变形不得超过0.05mm。
A.3.2 层板单元应纹理通直,无节子。年轮与胶合面的夹角应该在30°~60°之间。木材应没有腐朽、机械加工缺陷和任何干燥缺陷。
A.3.3 层板单元应在标准气候条件中平衡处理至少7d,使木材含水率达到(12±1)%。
A.3.4 胶缝耐久性试验应至少准备9个层板单元,制作成六个试件。每个层板单元刨光后的尺寸为:厚度(16±0.1)mm,宽度(60±0.1)mm,沿纹理方向长度(305±0.1)mm。在涂胶前应重新刨光每个层板后,8.00h内进行胶合。
A.3.5 胶缝耐久性试验应采用以下设备:
1 除了弹簧特征的要求以外,试验夹具设备可采用图A.3.5所示的设备。
2 弹簧应具有以下特征:采用的金属丝直径为15mm;弹簧外围直径(未承载时)为105mm;弹簧总圈数10.5圈;两端固定并焊接;自由长度320mm;最大载荷下压缩距离为40~50mm。弹簧屈强系数应为81N/mm。
3 加热室应保持在(70±2)℃。
4 气候箱应保持(20±2)℃和(85±5)%相对湿度,或(50±2)℃和(75±5)%相对湿度。
5 采用万能力学试验机为夹具加载。

图A.3.5 试验夹具示意图
1—钢底板(厚19mm);2—定位立柱螺杆(d=15.9mm);3—中心螺杆(d=15.9mm);4—弹簧;5—中间钢隔板(厚19mm);
6—顶部钢隔板(厚19mm);7—中心定位螺母;8—四角定位螺母
A.3.6 每个胶合组件采用两块层板单元作为两侧面板,中间层部件交替采用7个定距块和8个芯层木块做成(图A. 3. 6)。每个胶合组件应按以下规定制作成测试试件:


图A. 3. 6 测试试件的制作
1—层板单元;2—芯层木块;3—定距块;4—槽口(3.2mm宽);5—空隙
1 芯层木块应从第三块层板单元上切取。芯层木块尺寸为:沿纹理方向长为(28.5±0.1)mm、厚度为(16±0.1)mm、宽度为(60±0.1)mm。
2 定距块必须由合适的材料制作,以便在取走时不破坏试样,或不改变芯层木块的位置。定距块尺寸:长为6.4mm,厚度比中间木块稍小,宽度为60.0mm。
3 胶合组件胶合时,两侧层板单元的端部截面上的年轮方向应一致,两侧层板沿长度方向夹住中间层部件。应保证胶合加压过程中芯层木块不得滑动(图A. 3.6b)。
4 在每个28.5mm长的芯层木块表面上应标记出垂直于纹理的截面中心线位置,并将标记线延伸到试件边缘。加压胶合后,以此标记线为中心,在试件两侧面板上开3.2mm宽的槽口,槽口应达到胶缝位置,但不得透过胶缝。
5 三个测试组件中的每个可制作成2个长度为133.6mm的测试试件。每个测试试件包含4个整的芯层木块(图A.3.6c),12个胶缝(50.8mm×12.7mm)。进行轴向压缩加载时,测试试件上共6对承载胶缝,其中每对的胶缝总面积为1290m 2 。测试试件上下端的两块层板应齐边平,以获得平整的端面。
A.3.7 当采用本规范图A. 3.5所示的设备时,必须在测试试件上端和下端使用定位块。定位块制作时,必须保证定位块与夹具之间、定位块与测试试件之间的接触面平整。定位块应采用胶合板经胶粘合制成,尺寸为47.6mm×50.8mm×100mm。不得使用金属定位块。
A.3.8 耐久性试验测试程序应按以下方法进行:
1 开始试验前,应在测试试件表面上用刀片垂直于暴露的胶缝划一条刻痕,刻痕应穿过胶缝两侧的面板搭接区域。测试试件上每对胶缝均应有一条刻痕。
2 将测试试件和定位块插入试验夹具中,安装中间钢隔板、弹簧和顶部钢隔板,用较轻压力固定4个定位立柱螺栓。
3 在中心螺杆上加载,将压力试验机加载到3870N,使得测试试件胶缝的剪切应力达到3.0N/mm 2 。
4 用手旋紧4个定位角螺栓以保持弹簧压力,然后在顶部钢隔板上将中心螺杆上的定位螺母在9.5mm范围内旋紧。以便胶缝破坏时仍然可以保持弹簧压力。
5 加载后应立刻根据本规范第A.3. 9条的规定,对6个测试试件按阶段进行气候循环处理。
A.3.9 胶缝蠕变试验时,试件所处的循环阶段测试气候条件应符合表A. 3.9的规定。
表A.3.9 蠕变试验时测试气候的要求

注:每14d的气候循环应连续,当必须将夹具从一个气候条件移动到另一个气候条件时,操作应迅速和平稳。
A.3.10 耐久性试验应定期对试件进行评估,以便发现可能的破坏。在42d的测试期完成后,测试夹具应从气候箱中移出。如果至少有5个试件完好,将试件卸载后,应测量两侧所有胶缝沿刻痕线的滑移距离(即变形)并记录测量结果,精确至0.01mm。最后计算平均值。
A.4垂直拉伸试验
A.4 垂直拉伸试验
A.4.1 本节对纤维酸破坏测试的规定只适用于出现下列情况之一时:
1 使用酚类胶和氨基塑料缩聚胶粘剂,假定pH值低于4;
2 使用单成分聚氨酯胶粘剂。
A.4.2 当进行垂直拉伸试验时,试件采用的木材和试验要求应根据使用的胶粘剂种类按以下规定进行:
1 使用酚类胶和氨基塑料缩聚胶粘剂时,胶合试件应采用密度为(425±25)kg/m 3 ,含水率为(12±1)%的云杉(Picea abies L.)木材。根据规定的循环处理的胶合组件的平均横向拉伸强度不应低于控制件平均值的80%,控制件平均值不应低于2N/mm 2 。
2 使用单成分聚氨酯胶粘剂时,胶合试件应采用密度为(700±25)kg/m 3 ,含水率为(12±1)%的未处理榉木(Fagus sylvatica L.)。根据规定的循环处理的胶合组件的平均横向拉伸强度不应低于控制件平均值的80%,控制件平均值不应低于5N/mm 2 。
A.4.3 试验应准备一块截面为60mm×60mm,长度不小于800mm的层板。层板应没有节子,纹理通直,年轮宽不大于2mm,年轮与层板表面的夹角在30°~60°之间。
A.4.4 垂直拉伸试验应按以下规定制作胶合组件(图A. 4.4):

图A.4. 4 横向拉伸强度试件和装置
1 将层板锯切成截面为矩形的等长的两段,尺寸为30mm×60mm×800mm,轻微刨光每个胶合面后,应在8h内进行胶合。
2 仔细清除污垢,不得触摸或弄脏加工好的表面。除胶粘剂制造商要求的含水率外,胶合前应将木材放入标准气候条件中进行平衡处理,使含水率达到(12±1)%;
3 涂胶前混合胶粘剂和固化剂,胶缝为0.5mm厚,可使用0.5mm垫片获得。当胶粘剂主剂和固化剂分别单独施加时,胶缝为0.1mm厚,可使用0.1mm垫片获得。
4 应准备足够数量的垫片60mm×45mm×(0.5±0.05)mm或60mm×45mm×(0.1±0.02)mm(一块800mm长的木材至少需要10个垫片)。将垫片放置在木材锯切表面,间距35mm,长度方向横跨锯切表面。垫片之间的间隙用胶粘剂填充。保证胶粘剂不流出测试区域。
5 按锯切前的纹理方向,使木材纹理一致并夹紧。施加(0. 6±0.1)MPa的压力,以垫片为计算面积。
6 在标准气候条件下,根据胶粘剂制造商建议的时间或24h两者中选择较长的一个时间,保持施加的压力。
7 加压胶合后,将胶合组件在标准气候条件下平衡处理7d~14d。根据胶粘剂制造商建议,可进行更长时间的平衡处理。
8 记录胶合组件从准备到温度循环处理的时间。
A.4.5 经平衡处理的胶合组件应按以下规定制作成测试试件:
1 使用直径为25mm的锋利木钻头,沿胶合组件长度方向垂直于胶缝打孔,孔中心线应位于胶缝上,孔中心间距依次为(50.0±0.5)mm和(30.0±0.5)mm交替,以获得一系列(25±1)mm长度的胶缝;
2 为防止孔的边缘磨损,钻孔时胶合组件下应垫一块木材;
3 对称地刨光胶合组件至(50.0±0.5)mm×(50. 0±0.5)mm,并切成(60±1)mm长的测试试件(图A. 4.5)。

图A. 4. 5 拉伸测试试件
A.4.6 测试时应保证有足够数量的试件,以便提供8个通过循环处理的有效结果,以及8个控制试件。当试件木材破坏时的强度值低于要求值,或肉眼检查表明胶粘剂没有正确涂布,则测试结果无效,应放弃。
A.4.7 从胶合组件不相邻位置上取至少8个试件储存在标准气候条件下,直到质量达到恒重后,作为控制试件进行测试。另外,从胶合组件不相邻位置上选择至少8个试件进行循环处理。循环处弹应有4次循环过程,每次循环过程包含3个循环阶段。循环阶段的测试气候条件应符合表A. 4.7的规定。
经4次循环处理后,将处理试件存放在标准气候条件中,直到质量达到恒重后,再进行测试。
注:质量达到恒重定义为:连续称重,直到时间间隔为24h的相邻两次称重的差值低于试件质量的0.1%。
表A.4.7 气候循环储存条件

注:条件A和B通常是将试件存放在适当温度并部分盛水的容器,并考虑到释放过多的压力。绝对不允许试件互相接触,或试件接触水。条件C通常是将试件自由存放在干燥箱里。
A.4.8 垂直拉伸试验测试程序应按以下方法进行:
1 将夹具放到试验机上,将试件插入夹具进行拉伸试验直到试件破坏;
2 试验加载可按以下情况之一进行:
1)荷载增加速度(10±1)kN/min;
2)如果试验机不能实现荷载恒速增加,可使夹具恒速,到达指定平均破坏荷载所需要的时间不少于15s。
A.4.9 每个试件的破坏类型应采用(A,B/C)表示方法,并以百分比表示,精确到10%。其中,A为实木木材的破坏率;B为沿着胶缝的界面或胶的破坏率(破坏区域内具有或没有肉眼可见的木纤维覆盖);C为B类破坏区域内可观察到的木纤维覆盖率。
A.4.10 以8个有效测试试件的平均(算术平均值)破坏强度表达测试结果,每个试件的横向拉伸强度按下式计算:
f 1 =F max /A (A. 4.10)
式中:f 1 ——横向拉伸强度(N/mm 2 );
F max ——最大破坏荷载(N);
A——面积(mm 2 )。
A.5木材干缩试验
A.5 木材干缩试验
A.5.1 木材干缩试验时,试件应采用密度为(425±25)kg/m 3 ,含水率为(12±1)%的云杉(Picea abies L.)木材。干缩测试后的平均压缩剪切强度应大于1. 5N/mm 2 。
A.5.2 木材干缩试验应对胶合层板进行平衡处理,测量含水率并进行最后加工。层板应没有节子,纹理通直,年轮与层板胶合面的夹角在35°~55°之间(图A. 5.2)。干缩试验应按以下规定制作胶合层板:

图A. 5.2 芯板截面示意图
[刨光后尺寸140mm宽×40. 0±(0. 5)mm厚]
1—Ⅰ类胶粘剂胶缝;α—年轮方向与胶合面的夹角
1 从三块长度不小于1200mm的木板上制作三对面板(6块),面板尺寸为:长度400mm、宽度140mm、厚度(20±0.5)mm。使年轮与胶合面相切,半径在60mm到140mm之间。每对匹配的面板用来生产一块试件。
2 制作三块用于胶合的芯板,芯板尺寸为:长度400mm,宽度140mm,厚度(40.0±0.5)mm。芯板应采用两块(75±2)mm宽、厚度大于48mm的木板制作。两块木板应沿长度方向用Ⅰ类胶粘剂胶合到一起。
3 平衡处理芯板和面板,使用于同一个胶合组件的三片木材平均含水率为(17.5±0.5)%。单张芯板或面板含水率可以为(17±1)%。;芯板和面板应储存在20℃,75%~80%相对湿度环境中,使木材含水率升高至16%~18%。
4 胶合前应轻微刨光芯板和面板,或用砂纸轻微砂光每个胶合表面,仔细清除污垢,在8.00h内进行胶合。
A.5.3 胶合前,从每块芯板和面板上截取试样进行木材含水率测试。按下式计算并记录每个试件的平均含水率:
ω m =(ω 1 +ω 2 +2ω 3 )/4 (A.5.3)
式中:ω m ——试件平均含水率(%);
ω 1 ——第一块面板的含水率(%);
ω 2 ——第二块面板的含水率(%);
ω 3 ——芯板的含水率(%)。
A.5.4 每种需测试的胶粘剂应制作3个胶合组件,每个组件按以下规定制作:
1 按图A. 5.4(a)所示制作胶合组件,使面板年轮弯向背对胶合面,面板的纹理与芯板纹理垂直(图A. 5.4b、c);
2 安置两个(0.5±0.01)mm厚的铝框架垫片(图A. 5. 4e),一个垫片在芯板上,一个在面板上,用来限制胶合区域(100±0.1)mm×(100±0.1)mm,胶缝名义厚度0.50mm;
3 将胶粘剂涂布到芯板和面板的胶合面上,保证良好的表面润湿;为了便于清除多余并固化的胶粘剂,胶合前在芯板和面板侧面封贴胶带;

图A. 5. 4 测试试件示意图
4 胶合工艺应在标准气候条件中进行,施加(7.7±0.1)kN的荷载并保持24h;
5 移走夹具并仔细清除胶合组件表面上过多并固化的胶粘剂;
6 称重并记录每个试件的重量,精确到g,作为初重;
7 将胶合组件存放在标准气候条件中7d。
A.5.5 胶合组件完成规定的加压和储存时间之后,应将胶合组件放入温度为(40±2)℃、相对湿度为(30±2)%、空气流速为(0.7±0.1)m/s环境的气候箱中,使每个试件含水率降低9个百分点。试件的最终目标重量应在干燥储存处理开始前计算。最终含水率应按照重量计算,应等于试件的最终目标含水率。最终重量允许偏差应该为±2g。
注:干燥前试件含水率为17.5%,试件干燥后目标含水率是8.5%。
A.5.6 试件放入气候箱时,应使胶缝方向平行于空气流向(图A. 5.4d)。胶合组件的重量应每天控制。每次控制后,试件在烘箱中的位置应该旋转一次,以保证所有的试件获得一致的干燥处理。当试件获得最终重量并从气候箱中移走,应该用一个假样品取代原来的位置。记录每个试件获得最终重量所需要的天数。
A.5.7 将胶合组件干燥好后,两块面板齐边,将四块辅助的云杉木板(约220mm长、30mm厚)胶合到试件上,以确保加载均匀,留下小的间隙(约3mm)以允许在压力下自由移动(图A. 5.7)。在所有的胶合、加压操作过程中应避免测试区域受压。

图A. 5. 7 试件设计
P—测试平面
A.5.8 按本规范第A. 5. 5条和第A. 5.7条干燥储存处理并制作后,将所有试件储存在标准气候条件下两个星期。在最后一个试件完成干燥储存处理后,才能进行试验。
A.5.9 当测试试件之一在本规范第A. 5.10条规定的测试程序进行前失败,应放弃全部三个试件。按本规范第A. 5.4~A. 5.7条的规定重新准备三个测试试件。
A.5.10 木材干缩试验测试程序应按以下方法进行:
1 将试件插入试验机。本规范图A. 5.7c中的测试平面P可以校直(即用铰链或球状关节)。
2 平板应制作光滑,与试件顶部紧密配合,确保紧密接触。铰链或类似的装置在正确的位置锁紧,使测试平面P与样本表面齐平。肉眼检查确保木支撑体和支撑表面间没有间隙存在。
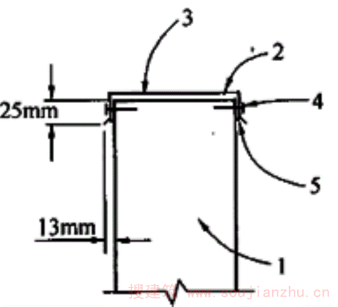
3 施加压力,直到试件破坏;加载方法可按以下情况之一进行:
1)荷载增长速率(20±5)kN/min;
2)当试验机荷载不能恒速递增,应采用夹具恒速运动,使试件在70s内破坏。
4 记录破坏荷载,精确到N。
A.5.11 木材干缩试验应以三个试件的剪切强度平均值表达最终测试结果,精确到0.1N/mm 2 。试件剪切强度应按下式计算:
τ=F max /A (A.5. 11)
式中:τ——剪切强度(N/mm 2 );
F max ——最大破坏荷载(N);
A——面积,20000mm 2 。
附录B胶合木强度和弹性模量特征值
附录B 胶合木强度和弹性模量特征值
B.0.1 非对称异等组合胶合木的强度特征值和弹性模量应符合表B.0.1的规定。
表B.0.1 非对称异等组合胶合木的强度特征值和弹性模量(N/mm 2 )

B.0.2 对称异等组合胶合木的强度特征值和弹性模量应符合表B.0.2的规定。
表B.0.2 对称异等组合胶合木的强度特征值和弹性模量(N/mm 2 )

B.0.3 同等组合胶合木的强度特征值和弹性模量应符合表B. 0.3的规定。
表B. 0.3 同等组合胶合木的强度特征值和弹性模量(N/mm 2 )

附录C进口胶合木强度和弹性模量设计值的规定
附录C 进口胶合木强度和弹性模量设计值的规定
C.0.1 在木结构工程中直接使用进口胶合木时,进口胶合木构件应按以下规定确定其强度设计值和弹性模量:
1 进口胶合木构件产品应有经过认证许可的认证机构的等级标识,主要进口胶合木常用等级应符合表C. 0. 1的规定;
表C. 0. 1 进口胶合木常用等级

2 进口胶合木构件产品应提供层板组坯方法,以及该组坯方法应符合国家现行有关标准的规定;
3 进口胶合木不同组合的各种等级,应由本规范管理机构技国家规定的专门程序确定强度设计值和弹性模量。
C.0.2 对于按本规范规定进行生产制作的进口胶合木构件,不同组合时的各种等级的强度设计值和弹性模量,可直接按本规范规定的强度设计值和弹性模量采用。
附录D根据构件足尺试验确定胶合木强度等级
附录D 根据构件足尺试验确定胶合木强度等级
D.0.1 根据构件足尺试验确定胶合木强度等级,应验证抗弯强度特征值f m,k 、抗弯强度特征值f v,k 及平均弹性模量E m 等主要力学性能。
D.0.2 满足下列条件时,胶合木强度即可确定为本规范规定的某个相应等级:
1 截面高度为300mm的胶合木,经实际测量的抗弯强度特征值f m,k 和平均弹性模量值E m 均大于本规范规定的强度等级表中所列某一等级的数值;
2 经实际测量的抗剪强度特征值大于表D. 0.2中某一树种分级组别的抗剪强度特征值;
表D. 0.2 胶合木抗剪强度特征值(N/mm 2 )

3 如果胶合木试件的截面高度不为300mm,则抗弯强度应乘以系数k h 。
k h =(300/h) 1/9 (D.0.2)
D.0.3 在抗弯试验中,胶合木构件的代表性试件不应小于2组试件平均值,每组最少15个试件,每组试件应取自不同的生产批次。选择的构件高度不小于300mm,选择的构件宽度应具有构件产品的代表性。
D.0.4 在抗剪试验中,代表性木材试件应选取构件截面中部2/3位置处的每个强度等级的层板。每一个层板等级至少选取10个试件。
D.0.5 当进行胶合木强度和弹性模量测试时,应符合国家现行有关标准的规定。
条文说明
D.0.5当进行胶合木强度和弹性模量的足尺测试时,由于当前还没有木构件足尺试验的相关国家现行标准,因此,试验时可参照国际标准《木结构——胶合木——实验方法:物理和机械特性的确定》ISO/CD8375进行。
D.0.6 构件抗弯强度特征值应在5%分位值基础上获得,置信水平应达到75%。
D.0.7 对已经过足尺试验确定强度分级的胶合木,在生产质量控制中,不论在工厂内部或外部的质量检测时,指接的抗弯强度特征值f m,j,k 应符合下列规定:

式中:f m,g,k ——胶合木组坯时层板相应强度等级的抗弯强度特征值。
每一次指接抗弯强度特征值的实验应采用与构件截面h/6处的层板等级相同的指接层板进行试验,每次实验至少应从每个等级中选取20个试件,并得到指接抗弯强度平均特征值。
D.0.8 当使用层板抗拉强度特征值确定同等组合的胶合木强度等级时,构件的抗弯强度特征值和平均弹性模量由下列公式计算:
抗弯强度特征值:f m,k =7.5+1.25f t,l,k (D.0.8-1)
平均弹性模量: E=1.05E' l (D.0.8-2)
式中:f t,l,k ——层板抗拉强度特征值(N/mm 2 );
E' l ——层板的平均弹性模量(N/mm 2 )。
D.0.9 对已经过层板抗拉强度特征值确定强度分级的胶合木,在生产质量控制中,不论在工厂内部或外部的质量检测时,指接的抗弯强度特征值f m,j,k 应满足下列要求:
f m,j,k ≥1.2f m,g,k (D.0. 9)
式中:f m,g,k ——胶合木组坯时层板相应强度等级的抗弯强度特征值。
附录E曲线形受弯构件径向承载力计算
附录E 曲线形受弯构件径向承载力计算
E.0.1 曲线形矩形截面受弯构件的径向承载能力应按下列规定计算:
1 等截面曲线形受弯构件的径向承载能力按应下式验算:
3M/(2R m bh)≤f r (E.0.1-1)
式中:M——跨中弯矩设计值(N·mm);
b——构件截面宽度(mm);
h——构件截面高度(mm);
R m ——构件中心线处的曲率半径(mm);
f r ——胶合木材径向抗拉(f rt )或径向抗压(f rc )强度设计值;按本规范第E.0.2条的规定取值。
2 变截面曲线形受弯构件的径向承载能力应按下列公式验算:

式中:K r ——径向应力系数;公式中A、B、C系数由表E.0.1-1确定;
C r ——构件形状折减系数;集中荷载作用时按表E.0.1-2确定;均布荷载作用时,公式中α、β系数由表E.0.1-3确定;
h b ——构件在跨中的截面高度。
表E. 0.1-1 系数A、B、C取值表

注:对于中间角度,系数可采用直线插值法确定。
表E. 0. 1-2 集中荷载作用下变截面弯曲构件的形状折减系数C r

注:1 l/l c 为其他值时,C r 值可采用直线插值法确定;
2 表中l c 为构件曲线段跨度,l为构件全长跨度。
表E. 0. 1-3 均布荷载作用下变截面弯曲构件的形状折减系数计算取值表



注:1 l/l c 为其他值时,α和β值可采用直线插值法确定;
2 表中l c 为构件曲线段跨度,l为构件全长跨度。
E.0.2 胶合木构件径向抗压设计强度值和径向抗拉设计强度值按下列规定采用:
1 当弯矩的作用使得构件呈变直的趋势,则为径向抗拉;否则为径向抗压;
2 构件的径向抗压设计强度值f rc 按胶合木横纹抗压强度设计值f c,90 采用;
3 构件的径向抗拉强度设计值f rt 取顺纹抗剪强度设计值f v 的1/3。
附录F构作中紧固件数量的确定与常用紧固件的kg值
F.1构件中紧固件数量的确定
附录F 构件中紧固件数量的确定与常用紧固件的k g 值
F.1 构件中紧固件数量的确定
F.1.1 当紧固件的排列满足下列规定之一时,紧固件可视作一行:
1 两个或两个以上的剪板连接沿荷载作用方向直线布置时;
2 当两个或两个以上承受单剪或多剪的销轴类紧固件,沿荷载方向直线布置。
F.1.2 当相邻两行上的紧固件交错布置时,每一行中紧固件的数量按下列规定确定:
1 紧固件交错布置的行距a小于相邻行中沿长度方向上两交错紧固件间最小间距b的1/4时,即b>4a时,相邻行按一行计算紧固件数量(图F. 1.2a、图F.1.2b、图F.1.2e);

图F. 1.2 交错布置紧固件在每行中数量确定示意图
2 当b≤4a时,相邻行分为两行计算紧固件数量(图F.1.2c、图F. 1.2d、图F. 1.2f);
3 当紧固件的行数为偶数时,本条第1款规定适用于任何一行紧固件的数量计算(图F.1.2b、图F.1.2d);当行数为奇数时,分别对各行的 k g 进行确定(图F.1.2e、图F. 1.2f)。
F.1.3 计算主构件截面面积A m 和侧构件截面面积A s 时,应采用毛截面的面积。当荷载沿横纹方向作用在构件上时,其等效截面面积等于构件的厚度与紧固件群外包宽度的乘积,紧固件群外包宽度应取两边缘紧固件之间中心线的距离(图F.1.3)。当仅有一行紧固件时,该行紧固件的宽度等于顺纹方向紧固件间距要求的最小值。

图F. 1. 3 构件横纹荷载作用时紧固件群外包宽度示意图
F.2常用紧固件组合作用调整系数kg值
F.2 常用紧固件组合作用调整系数k g 值
F.2.1 当销类连接件直径D小于6.5mm时,组合作用调整系数 k g 等于1.0。
F.2.2 在构件连接中,当侧面构件为木材时,常用紧固件的组合作用调整系数 k g 应符合表F.2.2-1和表F. 2.2-2的规定。
表F.2.2-1 螺栓、销和木螺钉的组合作用系数 k g (侧构件为木材)

注:当侧构件截面毛面积与主构件截面毛面积之比A s /A m >1.0时,应采用A m /A s 。
表F.2.2-2 102剪板的组合作用系数 k g (侧构件为木材)

注:当侧构件截面毛面积与主构件截面毛面积之比A s /A m >1.0时,应采用A m /A s 。
F.2.3 在构件连接中,当侧面构件为钢材时,常用紧固件的组合作用调整系数 k g 应符合表F.2.3-1和表F.2.3-2的规定。
表F. 2. 3-1 螺栓、销和木螺钉的组合作用系数 k g (侧构件为钢材)



表F. 2. 3-2 102剪板组合作用系数 k g (侧构件为钢材)



附录G常用树种木材的全干相对密度
附录G 常用树种木材的全干相对密度
表G 常用树种木材的全干相对密度



附录H不同温度与湿度下的木材平衡含水率
附录H 不同温度与湿度下的木材平衡含水率
表H 不同温度与湿度下的木材平衡含水率(%)

本规范用词说明
本规范用词说明
1 为便于在执行本规范条文时区别对待,对要求严格程度不同的用词,说明如下:
1)表示很严格,非这样做不可的用词:
正面词采用“必须”,反面词采用“严禁”。
2)表示严格,在正常情况下均应这样做的用词:
正面词采用“应”,反面词采用“不应”或“不得”。
3)表示允许稍有选择,在条件许可时首先应这样做的用词:
正面词采用“宜”,反面词采用“不宜”;
4)表示有选择,在一定条件下可以这样做的用词,采用“可”。
2 本规范中指明应按其他有关标准执行的写法为“应按……执行”或“应符合……的规定”。
引用标准名录
引用标准名录
1 《木结构设计规范》GB 50005
2 《建筑结构荷载规范》GB 50009
3 《建筑设计防火规范》GB 50016
4 《钢结构设计规范》GB 50017
5 《木结构工程施工质量验收规范》GB 50206
6 《建筑工程施工质量验收统一标准》GB 50300
7 《碳素结构钢》GB/T 700
8 《钢结构用高强度大六角头螺栓》GB/T 1228
9 《钢结构用高强度大六角螺母》GB/T 1229
10 《钢结构用高强度垫圈》GB/T 1230
11 《钢结构用高强度大六角头螺栓、大六角螺母、垫圈技术条件》GB/T 1231
12 《低合金高强度结构钢》GB/T 1591
13 《钢结构用扭剪型高强度螺栓连接副技术条件》GB/T 3633
14 《碳钢焊条》GB/T 5117
15 《低合金钢焊条》GB/T 5118
16 《六角头螺栓-C级》GB/T 5780
17 《六角头螺栓》GB/T 5782
18 《木材防腐剂》LY/T 1635
19 《防腐木材的使用分类和要求》LY/T 1636
