Appearance
《预应力混凝土空心方桩》JG/T 197-2018
🗓️ 住房和城乡建设部 实施时间:2019-04-01
前言
中华人民共和国建筑工业行业标准
预应力混凝土空心方桩
Prestressed spun concrete square piles
JG/T 197-2018代替JG/T 197-2006
前 言
本标准按照GB/T 1.1-2009给出的规则起草。
本标准代替JG 197-2006《预应力混凝土空心方桩》。本标准与JG 197-2006相比主要技术变化如下:
——修订了范围(见第1章,2006年版的第1章);
——增加了空心方桩的分类(见3.1);
——调整了空心方桩的规格(见3.2.2,2006年版的3.3.1);
——调整了空心方桩的标记(见3.3,2006年版的3.4);
——调整了对骨料、钢材、掺合料等材料的质量要求(见4.2、4.3、4.6,2006年版的4.1);
——增加了对端板及端板最小厚度的要求(见4.3.3);
——调整了预应力钢筋最小配筋率(见5.2.1,2006年版的4.2.2.1);
——调整了箍筋(见5.2.2、5.2.3,2006年版的4.2.2.2、4.2.2.3);
——增加了空心方桩的耐久性要求(见5.4);
——增加了空心方桩的桩身承载力要求(见5.5);
——调整了放张预应力钢筋时,对混凝土抗压强度的要求(见6.4.1,2006年版的5.1.3);
——调整了预应力钢筋的混凝土保护层厚度(见6.1,2006年版的5.2);
——调整了空心方桩的外观质量与尺寸允许偏差的要求(见表3、表4,2006年版的表2、表3);
——调整了空心方桩的抗弯性能(见表5,2006年版的表4);
——增加了空心方桩的抗剪性能(见6.6);
——调整了空心方桩的混凝土保护层厚度、外观质量和尺寸允许偏差的检查工具与检查方法(见表7,2006年版的表5);
——增加了混凝土抗压强度试验方法(见7.4.2);
——增加了检验分类(见8.1);
——增加了空心方桩有效预压应力计算方法(见附录A);
——增加了空心方桩的抗剪性能试验方法(见附录C)。
本标准由住房和城乡建设部标准定额研究所提出。
本标准由住房和城乡建设部地基基础标准技术归口单位归口。
本标准负责起草单位: 中国建筑科学研究院有限公司。
本标准参加起草单位: 云南中技管桩有限公司、广东三和管桩股份有限公司、天津建城基业集团有限公司、建华管桩控股有限公司、上海兴南混凝土有限公司、天津市勘察院、唐山市龙禹水泥制品有限公司唐海分公司、上海岩土工程勘察设计研究院有限公司、广州市建筑科学研究院有限公司、广东省基础工程公司、中国建筑技术集团有限公司、天津滨海新区建筑研究院、陕西省建筑科学研究院、东营市勘察测绘院、临沂市规划建筑设计研究院、上海市基础工程公司。
本标准主要起草人: 刘金波、魏宜龄、王重、王广宇、李连营、郭金雪、刘永超、沙安、颜小荣、杨秋玲、赵晓光、周永祥、侯达远、朱武卫、杨会峰、任达、邵孟新、杨石飞、崔凤祥、胡贺松、陈芳斌、郑刚、郝猷猷、李耀良、于缘宝。
本标准所代替标准的历次版本发布情况为:
——JG 197-2006。
1 范围
1 范围
本标准规定了先张法预应力混凝土空心方桩(以下简称空心方桩)的分类与标记、材料、一般要求、要求、试验方法、检验规则、标志、产品合格证、堆放、吊装和运输等。
本标准适用于工业与民用建筑、市政等工程使用的离心成型先张法预应力混凝土空心方桩。
2 规范性引用文件
2 规范性引用文件
下列文件对于本文件的应用是必不可少的。凡是注日期的引用文件,仅注日期的版本适用于本文件。凡是不注日期的引用文件,其最新版本(包括所有的修改单)适用于本文件。
GB 175 通用硅酸盐水泥
GB/T 700 碳素结构钢
GB/T 701 低碳钢热轧圆盘条
GB/T 1499.2 钢筋混凝土用钢 第2部分:热轧带肋钢筋
GB/T 1596-2017 用于水泥和混凝土中的粉煤灰
GB/T 5223.3 2017 预应力混凝土用钢棒
GB 8076 混凝土外加剂
GB/T 14684 建筑用砂
GB/T 14685 建筑用卵石、碎石
GB/T 18046-2017 用于水泥、砂浆和混凝土中的粒化高炉矿渣粉
GB/T 18736-2017 高强高性能混凝土用矿物外加剂
GB 50010-2010 混凝土结构设计规范
GB/T 50081 普通混凝土力学性能试验方法标准
GB/T 50107 混凝土强度检验评定标准
GB 50164 混凝土质量控制标准
JC/T 950-2005 预应力高强混凝土管桩用硅砂粉
JC/T 2239 预应力离心混凝土空心方桩用端板
JGJ 19 冷拔低碳钢丝应用技术规程
JGJ 63 混凝土用水标准
3 分类与标记
3 分类与标记
3.1 分类和代号
空心方桩按混凝土强度等级分为预应力高强混凝土空心方桩C80(代号PHS)和预应力混凝土空心方桩C60(代号PS)。
3.2 规格
3.2.1 空心方桩示意图见图1。

说明:
B——边长;
D——空心直径;
L——长度;
t——最小壁厚。
图1 空心方桩示意图
3.2.2 空心方桩常用规格见表1。
表1 空心方桩常用规格

3.2.3 空心方桩按有效预压应力分为A型、AB型和B型,其有效预压应力值分别是:A型3.8MPa~4.2MPa,AB型5.7 MPa~6.3MPa,B型7.6MPa~8.4MPa。空心方桩有效预应力计算方法见附录A。
3.2.4 空心方桩的长度包括桩身和端板。
3.3 标记
空心方桩的标记如下。

3.4 标记示例
边长500mm、空心直径310mm、最小壁厚95mm、长度12m、A型的预应力混凝土空心方桩的标记为:
PS-500-310-95-12-A JG/T 197-2018
4 材料
4 材料
4.1 水泥
宜采用强度等级不低于42.5的硅酸盐水泥、普通硅酸盐水泥、矿渣硅酸盐水泥,并应符合GB 175的规定。
4.2 骨料
4.2.1 细骨料宜采用天然中粗砂或人工砂,细度模数为2.5~3.2,采用人工砂时,细度模数应为2.5~3.5,并应符合GB/T 14684的规定,砂的含泥量应不大于1%,氯离子含量应不大于0.01%,硫化物及硫酸盐含量应不大于0.5%。
4.2.2 粗骨料宜采用碎石或破碎的卵石,其最大粒径宜不大于25mm,不应超过钢筋净距的3/4,并应符合GB/T 14685的规定,且含泥量应不大于0.5%,硫化物及硫酸盐含量应不大于0.5%。
4.2.3 对于有抗冻、抗渗或其他特殊要求的空心方桩,其所使用的骨料应符合现行相关标准的有关规定。
4.3 钢材
4.3.1 预应力钢筋宜采用预应力混凝土用钢棒,并应符合GB/T 5223.3-2017表6中低松弛螺旋槽钢棒的规定,且抗拉强度应不小于1420MPa、规定非比例延伸强度应不小于1280MPa,断后伸长率应大于GB/T 5223.3-2017表7中延性35级的规定要求。
4.3.2 箍筋宜采用低碳钢热轧圆盘条、冷拔低碳钢丝,其质量应分别符合GB/T 701、JGJ 19的有关规定。
4.3.3 端板性能应符合JC/T 2239的规定,材质应采用Q235B,其厚度不应小于表2的规定。桩套箍材质的性能应符合GB/T 700中Q235的规定。
表2 端板最小厚度

4.3.4 空心方桩当需要设置端部锚固钢筋时,锚固钢筋宜采用钢筋混凝土用热轧带肋钢筋,其质量应符合GB/T 1499.2的规定。
4.4 水
混凝土拌合用水的质量应符合JGJ 63的规定。
4.5 外加剂
外加剂的质量应符合GB 8076的规定,严禁使用氯盐类外加剂。
4.6 掺合料
4.6.1 掺合料宜采用硅砂粉、矿渣微粉、粉煤灰或硅灰等,硅砂粉应符合JC/T 950-2005中表1的有关规定,矿渣微粉不应低于GB/T 18046-2017表1中S95级的有关规定,粉煤灰不应低于GB/T 1596-2017中Ⅱ级F类的有关规定,硅灰应符合GB/T 18736-2017中表1的有关规定。
4.6.2 当采用其他品种的掺合料时,应通过试验确认符合空心方桩混凝土质量要求时,方可使用。
4.7 混凝土
混凝土质量控制应符合GB 50164的规定。
5 一般要求
5 一般要求
5.1 预应力钢筋的加工
5.1.1 钢筋应清除油污,切断前应保持平直,不应有局部弯曲,切断后端面应平整。同根空心方桩中钢筋长度的相对差值:长度小于或等于15m时应不大于1.5mm,长度大于15m时应不大于2mm。
5.1.2 钢筋和箍筋的焊接点的强度损失不得大于该材料抗拉强度的5%。
5.1.3 钢筋镦头部位的强度不得低于该材料抗拉强度的90%。
5.2 钢筋骨架
5.2.1 预应力钢筋应方形、对称均匀布置,最小配筋率宜不小于0.5%,并根据计算确定预应力钢筋。
5.2.2 箍筋的直径和间距应根据计算确定。对于边长400mm及以下,箍筋的直径应不小于4mm;边长450mm~600mm,箍筋的直径应不小于5mm;边长650mm及以上,箍筋的直径应不小于6mm。空心方桩两端5D、且不小于2000mm范围内箍筋加密,间距为45mm,其余部分箍筋间距为80mm。
5.2.3 骨架成型后,各部分尺应符合如下要求:
a) 预应力钢筋间距偏差应不超过±5mm。
b) 箍筋的间距偏差应不超过±5mm。
5.3 接头
5.3.1 空心方桩接头宜采用端板焊接。
5.3.2 空心方桩接头端板的宽度不应小于空心方桩的最小壁厚,端板的厚度应满足张拉时的受力要求和焊接要求。
5.3.3 接头的端面与桩身轴线的垂直度应满足尺寸允许偏差要求。
5.3.4 接头的焊接坡口尺寸应满足焊接要求。
5.4 耐久性
对于有特殊要求及腐蚀、冻融环境下的空心方桩,应对其原材料、混凝土配合比和生产工艺等相关技术进行控制,并按设计要求对混凝土保护层等采取相应措施。
5.5 桩身承载力
空心方桩的桩身承载力应满足设计、吊装、运输、堆放和施工要求。
6 要求
6 要求
6.1 混凝土保护层
空心方桩钢筋的混凝土保护层厚度应不小于35mm。
用于特殊要求环境下的空心方桩,保护层厚度应符合相关标准或规程的要求。
6.2 外观质量
外观质量应符合表3的规定。
表3 空心方桩的外观质量

6.3 尺寸允许偏差
空心方桩各部位的尺寸允许偏差应符合表4的规定。
表4 空心方桩的尺寸允许偏差 单位为毫米


6.4 混凝土抗压强度
6.4.1
放张预应力钢筋时,空心方桩用混凝土抗压强度应不低于45MPa。
6.4.2
产品出厂时,空心方桩用混凝土抗压强度不应低于其混凝土强度等级值。
6.5 抗弯性能
6.5.1
空心方桩的抗弯性能不应低于表5中的规定。
表5 空心方桩抗弯性能指标


6.5.2
空心方桩接头处极限弯矩应不低于桩身极限弯矩。
6.6 抗剪性能
6.6.1
空心方桩的抗剪性能应不低于表6中的规定。
表6 空心方桩抗剪性能指标


7 试验方法
7 试验方法
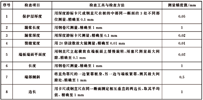
7.1 混凝土保护层
混凝土保护层的检查工具与检查方法见表7。
7.2 外观质量
外观质量的检查工具与检查方法见表7。
7.3 尺寸允许偏差
尺寸允许偏差的检查工具与检查方法见表7。
表7 混凝土保护层厚度、外观质量和尺寸允许偏差的检查工具与检查方法


7.4 混凝土抗压强度
7.4.1
混凝土试件的留置
7.4.1.1
当混凝土配合比调整或原材料发生变更时,应制作3组试件。
7.4.1.2
每拌制100盘或一个工作班拌制的同配合比混凝土不足100盘时,应制作3组试件。其中:一组试件检验预应力钢筋放张时混凝土抗压强度,一组试件检验28d的混凝土抗压强度(采用压蒸养护工艺时,检验出釜后1d的混凝土抗压强度),另一组检验空心方桩出厂时的混凝土抗压强度或备用。
7.4.2
混凝土抗压强度试验方法
7.4.2.1
混凝土拌合物应在搅拌站或喂料工序中随机抽取,制作标准尺寸试件,并与空心方桩同条件养护。
7.4.2.2
检验强度等级的试件,拆模后放入标准养护室养护至28d,采用压蒸养护工艺时,出釜后冷却至常温。
7.4.2.3
检验出厂强度的试件,拆模后与空心方桩同条件养护。
7.4.2.4
混凝土抗压强度试验方法按GB/T 50081的有规定执行。
7.5 抗弯性能
7.5.1
空心方桩抗弯试验见附录B,当加载至表5中的抗裂弯矩时,空心方桩不应出现受力裂缝。
7.5.2
当加载至表5中的极限弯矩时,空心方桩不应出现下列任何一种情况:
a) 受拉区混凝土受力裂缝宽度达到1.5mm;
b) 受拉钢筋被拉断;
c) 受压区混凝土破坏。
7.6 抗剪性能
7.6.1
空心方桩抗剪试验见附录C,当加载至表6中的抗裂剪力时,桩身不得出现裂缝。
7.6.2
空心方桩接头部位不做抗剪性能试验。
8 检验规则
8 检验规则
8.1 检验分类
检验分出厂检验和型式检验。
8.2 出厂检验
8.2.1 检验项目
包括外观质量、尺寸允许偏差、混凝土抗压强度和抗裂性能等。
8.2.2 批量和抽样
8.2.2.1 外观质量和尺寸允许偏差
以同品种、同规格、同型号的空心方桩连续生产300000m为一批,但在3个月内生产总数不足300000m时仍作为一批,随机抽取10根进行检验。
8.2.2.2 混凝土抗压强度
批量和抽样按GB/T 50107的有关规定执行。
8.2.2.3 抗裂性能
在外观质量和尺寸允许偏差检验合格的产品中随机抽取2根进行抗裂性能的检验。
8.2.3 判定规则
8.2.3.1 外观质量
按以下条件进行外观质量判定:
a) 全部符合6.2规定或符合表3中第2、4、5、6、7、8、9、10项规定,其余项经修补能符合相应规定的空心方桩,判外观质量为合格。
b) 若抽取的10根空心方桩全部符合a),则判外观质量为合格;若有3根及以上不符合a),则判外观质量为不合格;若有2根及以下不符合a),应从同批产品中抽取加倍数量进行复验,复验产品全部符合a),判外观质量为合格,若仍有1根不合格,则判外观质量为不合格;不符合6.2表3第2、4、5、6、7、8、9、10项中任意一项规定的空心方桩,则判外观质量为不合格。
8.2.3.2 尺寸允许偏差
若抽取的10根空心方桩全部符合6.3规定,则判尺寸允许偏差为合格;若有3根及以上不符合6.3规定,则判尺寸允许偏差为不合格;若有2根及以下不符合6.3规定,应从同批产品中抽取加倍数量进行复验,复验产品全部符合6.3规定,判尺寸允许偏差为合格,若仍有1根不合格,则判尺寸偏差为不合格。
8.2.3.3 混凝土抗压强度
检查混凝土抗压强度检验的原始记录,评定按GB/T 50107的有关规定执行。
8.2.3.4 抗裂性能
若所抽2根全部符合7.5.1规定,则判抗裂性能合格;若2根都不符合7.5.1规定,则判抗裂性能不合格;若有1根不符合7.5.1规定,应从同批产品中抽取加倍数量进行复验,复验产品全部符合7.5.1规定,则判抗裂性能为合格,复验结果若仍有1根不合格,则判抗裂性能为不合格。
8.2.3.5 总判定
在混凝土抗压强度、抗裂性能合格的基础上,外观质量和尺寸允许偏差全部合格,则判该批产品为合格,否则判为不合格。
8.3 型式检验
8.3.1
检验条件
有下列情况之一时均应进行型式检验:
a) 新产品投产或老产品转厂生产的试制定型鉴定;
b) 当结构、材料、工艺有较大改变时;
c) 正常生产每半年进行一次;
d) 停产半年以上恢复生产时;
e) 出厂检验结果与上次型式检验有较大差异时。
8.3.2
检验项目
包括保护层厚度、外观质量、尺寸允许偏差、混凝土抗压强度、抗弯性能等项目,必要时由双方协商,还可增加试验项目。当工程有要求时,还应对接头进行抗弯试验。
8.3.3
抽样
在同品种、同规格、同型号的出厂检验合格产品中随机抽取10根进行外观质量和尺寸允许偏差检验,10根中随机抽取2根进行抗弯性能检验。抗弯试验完成后,在2根中抽取1根,于空心方桩中部同一断面的3处不同部位测量保护层厚度。
8.3.4
判定规则
8.3.4.1
保护层厚度
若所抽1根中的3个数值全部符合6.1的规定,则判保护层厚度为合格。若有1个数值不符合6.1的规定,应从同批产品中抽取加倍数量进行复验,复验结果若仍有1根不符合6.1的规定,则判保护层厚度不合格,且不得复检。
8.3.4.2
外观质量
若抽取的10根空心方桩全部符合8.2.3.1 a)规定,则判外观质量为合格;若有3根及以上不符合8.2.3.1 a),则判外观质量为不合格;若有2根及以下不符合8.2.3.1 a),应从同批产品中抽取加倍数量进行复验,复验产品全部符合8.2.3.1 a),判外观质量为合格,若仍有一根不合格,则判外观质量为不合格。不符合6.2表3第2、4、5、6、7、8、9、10项中任意一项规定的空心方桩,外观质量为不合格。
8.3.4.3
尺寸允许偏差
若抽取的10根空心方桩全部符合6.3规定,则判尺寸允许偏差为合格;若有3根及以上不符合6.3规定,则判尺寸允许偏差为不合格;若有2根及以下不符合6.3规定,应从同批产品中抽取加倍数量进行复验,复验产品全部符合6.3规定,判尺寸允许偏差为合格,若仍有1根不合格,则判尺寸允许偏差为不合格。
8.3.4.4
混凝土抗压强度
检查同批次空心方桩用混凝土抗压强度检验的原始记录。
8.3.4.5
抗弯性能
若所抽2根全部符合7.5.1和7.5.2规定,则判抗弯性能合格;若有1根不符合7.5.1和7.5.2规定,应从同批产品中抽取加倍数量进行复验,复验结果若仍有1根不合格,则判抗弯性能不合格;若所抽2根全部不符合7.5.1和7.5.2规定,则判抗弯性能为不合格,且不得复检。
8.3.4.6
总判定
在保护层厚度、混凝土抗压强度、抗弯性能合格的基础上,外观质量和尺寸允许偏差全部合格时,则判该批产品为合格,否则判为不合格。
9 标志、产品合格证
9 标志、产品合格证
9.1 标志
9.1.1 标志应位于距端头1000mm~1500mm处的空心方桩外表面。
9.1.2 标志内容包括制造厂的厂名或产品注册商标、空心方桩标记、制造日期或空心方桩编号、合格标识。
9.2 产品合格证
产品合格证应包括下列内容:
a) 合格证编号;
b) 采用标准编号;
c) 空心方桩品种、规格、型号、长度及最小壁厚;
d) 产品数量;
e) 混凝土强度等级;
f) 空心方桩编号;
g) 制造厂厂名、制造日期、出厂日期;
h) 检验员签名或盖章(可用检验员代号表示)。
10 堆放、吊装和运输
10 堆放、吊装和运输
10.1 堆放
10.1.1 空心方桩堆放场地应坚实平整,有排水措施。
10.1.2 空心方桩堆放时,长度不大于15m时,最下层宜按两支点放置在垫木上(如果2所示);长度大于15m的拼接桩,最下层应采用多支点堆放,垫木应均匀放置且在同一水平面上,并采取防滑、防滚措施。若堆放场地地基经过特殊处理,也可采用着地平放。

说明:
L——空心方桩长度。
图2 两支点法位置
10.1.3
空心方桩应按规格、长度分别堆放,堆放层数不宜超过表8的规定。
表8 空心方桩堆放层数

10.2 吊装
长度小于或等于15m的单节桩的吊装宜采用两支点吊或两头钩吊法,长度大于15m的拼接桩的吊装宜采用多点吊。吊钩与桩身的水平夹角宜不小于45°。装卸应轻起轻放,严禁抛掷,碰撞、滚落。
10.3 运输
空心方桩在运输过程中的支承要求应符合10.1.2规定,且应捆绑牢固。层与层之间的垫木与桩端的距离应相等不应造成错位。
附录A预应力混凝土空心方桩有效预压应力值计算方法
附 录 A (规范性附录)
预应力混凝土空心方桩有效预压应力值计算方法
A.1 预应力损失和混凝土有效预压应力计算
空心方桩考虑3种引起预应力损失的因素,包括张拉端锚具变形和预应力筋内缩、预应力筋的应力松弛以及混凝土的收缩和徐变。当计算求得的预应力总损失值少于100MPa时,取100MPa。上述3种预应力损失值和混凝土有效预压应力根据GB 50010-2010中10.2.1~10.2.5的有关条文计算。
张拉控制应力取 σ con =O.7f ptk =0.7×1420=994 MPa ………………(A.1)
式中:
f ptk ——预应力筋极限强度标准值,f ptk =1420MPa。
A.2 张拉端锚具变形和预应力筋内缩引起的预应力损失σ l1 (N/mm 2 )

式中:
a——张拉端锚具变形和钢筋内缩值,取1.5mm;
l——张拉端与锚固端之间的距离,单位为毫米(mm),取空心方桩的公称长度,按12000mm计算;
E s ——预应力钢筋弹性模量,单位为牛每平方毫米(N/mm 2 ),取2×10 5 。
故 σ l1 =25MPa。
A.3 低松弛预应力筋应力松弛引起的预应力损失σ l4 (N/mm 2 )
当σ con ≤O.7f ptk 时

A.4 混凝土收缩和徐变引起的预应力损失σ l5 (N/mm 2 )

式中:
σ pc ——受拉(压)区预应力钢筋合力点处的混凝土法向压应力,单位为兆帕(MPa);

f ' cu ——施加预应力时混凝土立方体抗压强度,不应低于45MPa;
ρ——受拉区预应力钢筋的配筋率,对于对称配置的预应力钢筋,配筋率按钢筋总截面面积的一半计算;

A p ——预应力钢筋截面面积,单位为平方毫米(mm 2 );
A 0 ——换算截面面积,单位为平方毫米(mm 2 ), 
A.5 预应力钢筋的有效预应力σ pe (N/mm 2 )

式中:
α ' E ——钢筋的弹性模量与放张时混凝土的弹性模量之比。
A.6 空心方桩混凝土有效预压应力σ ce (N/mm 2 )
式中:

A c ——混凝土的截面面积,单位为平方毫米(mm 2 )。
附录B预应力混凝土空心方桩抗弯性能试验方法
附 录 B (规范性附录)
预应力混凝土空心方桩抗弯性能试验方法
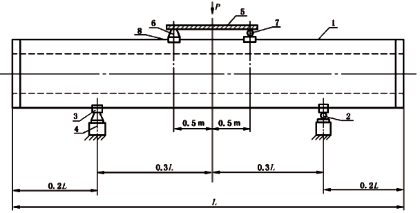
B.1 试验装置
空心方桩的抗弯试验采用简支梁对称加载装置,如图B.1所示,其中,P的方向可垂直于地面,也可平行于地面(空心方桩的轴线均与地面平行)。

说明:
1——空心方桩;
2——滑动铰支座;
3——固定铰支座;
4——支墩;
5——分配梁;
6——分配梁固定铰支座;
7——分配梁滑动铰支座;
8——垫板。
图B.1 空心方桩的抗弯试验示意图
B.2 加载程序
第一步:按抗裂弯矩的20%的级差由零加载至抗裂弯矩的80%,每级荷载的持续时间3min;然后按抗裂弯矩的10%的级差继续加载至抗裂弯矩的100%。每级荷载的持续时间3min,观察是否有裂缝出现,并测定和记录裂缝宽度。
第二步:如果在抗裂弯矩的100%时未出现裂缝,则按抗裂弯矩的5%的级差继续加载至裂缝出现。每级荷载的持续时间3min,测定和记录裂缝宽度。
第三步:按极限弯矩的5%的级差继续加载至出现7.5.2所列极限状态的检验标志之一为止。每级荷载的持续时间3min,观测并记录各项读数。
B.3 弯矩计算公式
实测弯矩按式(B.1)~式(B.3)计算:
垂直向下加载时: M=P(3L/5-1)/4+W·L/40 ……………………………(B.1)
垂直向上加载时: M=P(3L/5-1)/4-W·L/40 ……………………………(B.2)
水平加载时: M=P(3L/5-1)/4 ……………………………………(B.3)
式中:
M——抗弯弯矩,单位为千牛米(kN·m);
W——空心方桩重量,单位为千牛(kN);
L——空心方桩长度,单位为米(m);
P——荷载,单位为千牛(kN)(垂直加载时,应考虑加载设备的重量)。
B.4 试验方法
空心方桩接头处抗弯试验方法与B.1相同,应使接头位于最大弯矩处。
B.5 抗裂荷载和极限荷载的确定
B.5.1 当在加载过程中第一次出现裂缝时,应取前一级荷载值作为抗裂荷载实测值:当在规定的荷载持续时间内第一次出现裂缝时,应取本级荷载值与前一级荷载值的平均值作为抗裂荷载实测值;当在规定的荷载持续时间结束后第一次出现裂缝时,应取本级荷载值作为抗裂荷载实测值。
B.5.2 当在规定的荷载持续时间结束后出现7.5.2所列的情况之一时,应取此时的荷载值作为极限荷载实测值;当加载过程中出现上述情况之一时,应取前一级荷载值作为极限荷载实测值;当在规定的荷载持续时间内出现上述情况之一时,应取本级荷载值与前一级荷载的平均值作为极限荷载实测值。
附录C预应力混凝土空心方桩抗剪性能试验方法
附 录 C (规范性附录)
预应力混凝土空心方桩抗剪性能试验方法
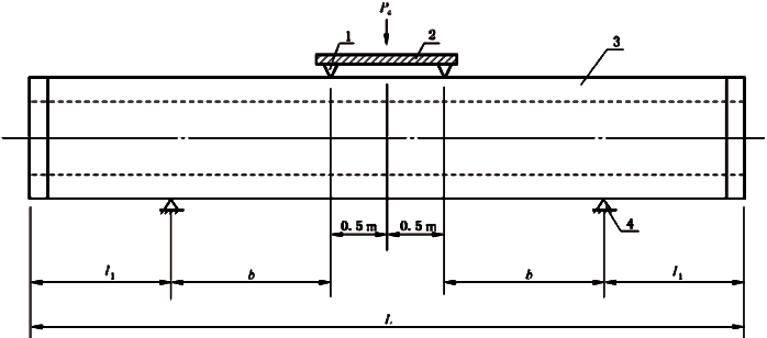
C.1 试验装置
空心方桩的抗剪试验采用图C.1所示对称加载装置,其中,P c 的方向可垂直于地面,也可平行于地面(空心方桩的轴线均与地面平行)。剪跨b取1.OB,试件悬出长度l 1 取(1.25~2.0)B。

说明:
1——分配梁支点;
2——分配梁;
3——空心方桩;
4——支墩;
L——试验用空心方桩长度;
l 1 ——空心方桩悬出长度;
b——剪跨;
P c ——荷载。
图C1 空心方桩的抗剪试验示意图
C.2 加载程序
第一步:按抗裂剪力的20%的级差由零加载至抗裂剪力的80%,每级荷载的持续时间为3min;然后按抗裂剪力的10%的级差继续加载至抗裂剪力的100%。每级荷载的持续时间为3min,观察是否有裂缝出现,测定并记录裂缝宽度。
第二步:如果在抗裂剪力的100%时未出现裂缝,则按抗裂剪力的5%的级差继续加载至裂缝出现。每级荷载的持续时间为3min,测定并记录裂缝宽度。
C.3 抗裂剪力计算公式
实测抗裂剪力按式(C.1)计算:
Q=P c /2 …………………………(C.1)
式中:
Q——抗裂剪力,单位为千牛(kN);
P c ——剪跨内产生斜拉裂纹时的荷载,单位为千牛(kN)。
C.4 抗裂荷载的确定
当在加载过程中第一次出现裂缝时,应取前一级荷载值作为抗裂荷载实测值;当在规定的荷载持续时间内第一次出现裂缝时,应取本级荷载值与前一级荷载值的平均值作为抗裂荷载实测值;当在规定的荷载持续时间结束后第一次出现裂缝时,应取本级荷载值作为抗裂荷载实测值。
