Appearance
《屋盖结构风荷载标准[附条文说明] 》JGJ/T 481-2019
🗓️ 住房和城乡建设部 实施时间:2020-06-01
前言
中华人民共和国行业标准
屋盖结构风荷载标准
Standard for wind loads on roof structures
JGJ/T 481-2019
备案号 J 2771-2019
批准部门:中华人民共和国住房和城乡建设部
施行日期:2 0 2 0 年 6 月 1 日
中华人民共和国住房和城乡建设部公告
2019年 第303号
住房和城乡建设部关于发布行业标准《屋盖结构风荷载标准》的公告
现批准《屋盖结构风荷载标准》为行业标准,编号为JGJ/T 481-2019,自2020年6月1日起实施。
本标准在住房和城乡建设部门户网站(www.mohurd.gov.cn)公开,并由住房和城乡建设部标准定额研究所组织中国建筑出版传媒有限公司出版发行。
中华人民共和国住房和城乡建设部
2019年11月29日
前言
根据住房和城乡建设部《关于印发<2015年工程建设标准规范制订、修订计划>的通知》(建标[2014]189号)的要求,标准编制组经广泛调查研究,认真总结实践经验,参考有关国际标准和国内先进标准,并在广泛征求意见的基础上,编制了本标准。
本标准的主要技术内容是:1.总则;2.术语和符号;3.基本规定;4.屋盖主要承重结构风荷载;5.屋盖围护结构风荷载;6.风洞试验和计算流体动力学模拟。
本标准由住房和城乡建设部负责管理,由北京交通大学负责具体技术内容的解释。执行过程中如有意见或建议,请寄送北京交通大学(地址:北京市海淀区西直门外北京交通大学土建学院238室,邮编:100044)。
本标准主编单位: 北京交通大学
重庆大学
本标准参编单位: 哈尔滨工业大学
北京工业大学
同济大学
浙江大学
华南理工大学
湖南大学
中国建筑设计研究院有限公司
北京市建筑设计研究院有限公司
中国建筑西南设计研究院有限公司
悉地(北京)国际建筑设计顾问有限公司
安邸建筑环境工程咨询(上海)有限公司
浙江精工钢结构集团有限公司
中建科工集团有限公司
浙江东南网架集团有限公司
奥雅纳工程顾问
东南大学
本标准主要起草人员: 杨庆山 曹曙阳 陈波 陈振明 狄谨 杜向东 范重 冯若强 冯远 黄国庆 李寿英 刘新华 楼文娟 孙瑛 田村幸雄 田玉基 武岳 谢壮宁 严永忠 于晓野 张其林 张毅刚 周晅毅 朱勇军 朱忠义
本标准主要审查人员: 欧进萍 陈政清 娄宇 吴一红 刘琼祥 陈凯 温四清 董城 陈新中 薛素铎
1 总则
1 总则
1.0.1 为适应屋盖结构的抗风设计需要,做到安全适用、经济合理,制定本标准。
条文说明
1.0.1 为了满足社会发展、经济发展的基本需求,建筑屋盖结构在风荷载作用下必须保证具有适度的安全性;在正常使用、正常维护条件下,必须保证屋盖结构完成其预定的使用功能。本标准规定的风荷载标准值是保证屋盖抗风安全性的最低要求。若提高屋盖结构的抗风安全性,设计人员应考虑自然资源的有限性,在抗风安全性与经济可行性之间做出合理选择。 在我国,强风、台风造成建筑物围护构件损毁的事例越来越多。建筑物主要承重结构的风致损毁导致严重的生命、财产损失;同样,围护构件的风致损毁及其引发的次生灾害造成同等程度、甚至更严重的风致灾害,造成大量的直接及间接经济损失。因此,屋盖主要承重结构和围护构件的抗风设计应该同时引起工程人员的足够重视,逐步改变“重主体、轻围护”的工程设计理念,推动我国建筑结构抗风设计提高到一个新的水平。 屋盖表面风荷载的时间-空间分布特征复杂,屋盖主要承重结构的振动频率分布密集,脉动风荷载常常激励屋盖的多阶振型参与振动,相邻振型的风致振动具有显著的耦合效应。由于多阶振型参与振动,振型响应极值存在相位差,导致不同位置的屋盖脉动风振效应不在同一时刻达到极值。屋盖主要承重结构的风荷载标准值或设计风荷载需要考虑脉动风荷载引起的振动效应,工程设计过程中习惯采用等效静风荷载,即基于风振效应最值的静力等效原则得到的静力风荷载。针对屋盖结构多振型参与风致振动的特点,采用合理、简单方式确定针对多个位置风效应最值的等效静风荷载,成为确定屋盖主要承重结构风荷载标准值的关键问题。 在强风作用下,气流在屋盖的角部、边缘、屋脊等尖锐位置发生分离,气流分离区内的围护结构承受极大的风吸力,容易引发围护系统的局部构件破坏,进一步导致围护系统的连续破坏。围护结构的尺寸较小,自振频率相对较高,因此,通常不考虑风荷载引起围护结构风致振动,以围护结构从属面积内的全风向风荷载最值作为确定围护结构风荷载标准值的依据。围护结构的风荷载最值与构件风荷载从属面积、风向效应等因素存在密切关系,我国国家标准、行业标准在屋盖围护结构风荷载方面的规定较少,且较为模糊。围护结构风荷载最值与参考风压的比值称为风压系数最值,合理估计围护结构风压系数最值成为确定围护结构风荷载标准值的关键问题。 我国工程设计人员在屋盖抗风设计方面亟须规范、标准作为设计依据,为解决上述问题,本标准给出屋盖主要承重结构和围护结构的风荷载计算方法。提出了屋盖结构脉动风效应等效风压系数反映脉动风荷载引起的结构动力效应,提出了脉动风效应的等效静风荷载表达方式,完善和发展了国内屋盖结构风荷载表达方式的相关规定,列出了典型屋盖结构体系的体型系数图表和脉动风效应等效风压系数图表。本标准引入了围护结构风压系数最值反映脉动风荷载的阵风效应,发展和完善了围护结构风荷载标准值的表达方式,列出了低矮房屋屋盖、中高层房屋屋盖、开敞屋盖等多种屋盖体型的风压系数最值图表。
1.0.2 本标准适用于确定工业与民用建筑屋盖主要承重结构和屋盖围护结构的风荷载。
条文说明
1.0.2 本条规定了标准的适用范围。除特别指出之外,本标准中的建筑物指封闭式建筑物。
1.0.3 屋盖结构风荷载除应符合本标准外,尚应符合国家现行有关标准的规定。
条文说明
1.0.3 本标准沿用了现行国家标准《建筑结构荷载规范》GB 50009规定的风场参数、基本风压、体型系数等规定,提出了屋盖主要承重结构的脉动风效应等效风压系数,引入了围护结构风压系数最值,为屋盖结构抗风设计提供了科学合理、简单易用的风压标准值确定方法。本标准已规定的屋盖结构风荷载,应遵守本标准规定;本标准未规定的屋盖体型,应遵守现行国家标准《建筑结构荷载规范》GB 50009的规定。
2 术语和符号
2.1 术语
2 术语和符号
2.1 术语
2.1.1 屋盖主要承重结构 main load-resisting frame of roof
承受屋盖围护结构传递的永久荷载、风荷载和其他作用的支承结构。
2.1.2 屋盖围护结构 cladding and components of roof
直接或间接承受屋面风荷载或其他作用并传递至屋盖主要承重结构的构件或结构单元,包括屋面板、檩条以及连接件。
条文说明
2.1.1、2.1.2 在有檩屋盖结构中,屋面板直接承受风荷载以及其他可变荷载,檩条将屋面板传来的永久荷载、风荷载及其他可变荷载传递给屋盖主要承重结构,屋面板与檩条、连接件一起组成围护结构。在无檩屋盖结构中,屋面板直接承受风荷载以及其他可变荷载,并且直接传至屋盖主要承重结构。
2.1.3 屋盖平均高度 mean roof height
相对于室外地坪的屋盖最低高度与最高高度的平均值。
条文说明
2.1.3 本标准中,屋盖平均高度是围护结构风压系数最值的参考高度,围护结构的风压系数最值乘以屋盖平均高度处的来流速压,得到围护结构的风压标准值。
2.1.4 封闭式建筑物 closed building
外墙面洞口面积与外墙面总面积的比值小于1%,且墙面单一洞口面积不超过全部洞口面积50%的建筑物。
条文说明
2.1.4 封闭式建筑物的墙面和屋面存在均匀分布的空隙以及烟囱洞口、通风管道洞口等。封闭式建筑物的洞口、孔隙面积通常占墙面、屋面总面积的0.1%~1.0%,此比例也称为背景孔隙率。超过单一墙面全部洞口面积50%的洞口,称为主导洞口。封闭式建筑物的背景孔隙率小于1%,并且墙面无主导洞口。
2.1.5 风荷载从属面积 tributary area of wind load
按风荷载传力路径确定的某构件承担风荷载的面积。
条文说明
2.1.5 对于直接承受风荷载的屋面板,风荷载直接传递给屋面板的外表面,屋面板外表面面积即是风荷载从属面积;对于间接承受风荷载的檩条、连接件等构件,应根据风荷载的传力路径确定每个构件的风荷载从属面积。
2.1.6 脉动风效应等效风压系数 equivalent pressure coefficient of wind-induced fluctuating response
根据屋盖结构在脉动风荷载作用下的效应最值进行静力等效而确定的风压系数。
条文说明
2.1.6 平均风荷载和脉动风荷载共同作用下的主要承重结构结构变形、构件内力、支座反力最值等,均为工程结构设计所关注。采用随机振动分析方法,可以得到结构在脉动风荷载作用下,考虑结构动力放大作用后的风效应最值。为了工程设计使用方便,常常将脉动风作用下的风效应最值等效为静力荷载,保证在该静力荷载作用下的结构响应与实际脉动风效应最值相等,所得到的等效静力荷载对来流速压无量纲化,即是脉动风效应等效风压系数。
2.1.7 风压系数最值 peak wind pressure coefficient
建筑物表面风压系数的最大值、最小值。
条文说明
2.1.7 本标准规定的风压系数最值是指所有风向中的风压系数最值的最不利值。建筑物表面任意一点在单一风向风荷载作用下,其风压系数的最大值、最小值统称为该点在该风向工况下的风压系数最值。根据现行行业标准《建筑工程风洞试验方法标准》JGJ/T 338的规定,建筑物测压应至少进行24个风向试验,并且每个风向的间隔不大于15°;因此,建筑物表面任意一点均可得到至少24个单风向风压系数最值,其最不利值称为全风向风压系数最值,简称风压系数最值。
2.2 符号
2.2 符号
C pe ——全风向风压系数最值;
C pi ——内压系数;
g r ——结构风效应峰值因子;
p e ——结构脉动风效应等效静风荷载;
r ——结构平均风效应;
r k ——结构风效应标准值;
ω 0 ——基本风压;
ω k ——风荷载标准值;
μ d ——脉动风效应等效风压系数;
μ H ——屋盖平均高度H处的风压高度系数;
μ s ——风荷载体型系数;
μ z ——风压高度变化系数;
σ r ——结构风效应标准差。
3 基本规定
3 基本规定
3.0.1 基本风压应符合下列规定:
1 基本风压ω 0 应按现行国家标准《建筑结构荷载规范》GB 50009确定;
2 当现行国家标准《建筑结构荷载规范》GB 50009未给出基本风压时,应通过对当地风速资料统计分析确定。
条文说明
3.0.1 对于建设地点没有基本风压规定的情况,应该根据建设地点或建设地点附近气象台站的气象观测得到的10min平均风速的年最大值预测50年重现期的10m高度处的基本风速。对于季风地区,根据年最大风速的资料,按照极值Ⅰ型分布估计50年重现期的基本风速,由基本风速得到基本风压。 对于台风、季风混合地区,应将两者分开进行统计分析,分别得到台风和季风最大风速的极值I型分布;然后,将台风、季风看作独立随机事件,得到风速最大值的联合概率分布,再估计50年重现期的基本风速,由基本风速得到基本风压。 由于台风的观测数据相对较少,通常根据少量的观测数据建立台风的路径、风速、气压等参数的统计模型,利用蒙特卡洛数值模拟方法得到大量的风速记录,由此建立台风最大风速的概率分布。
3.0.2 重要且对风荷载敏感的大跨度屋盖结构,验算主要承重结构承载力时,应按基本风压的1.1倍取用;验算结构变形时,可按基本风压取用。验算屋盖围护结构时,可按基本风压取用。
条文说明
3.0.2 脉动风荷载作用下,结构振动效应特别显著,此类结构称为“风敏感结构”。超高层建筑的横风向振动、柔性屋盖结构的竖向振动等情况下,脉动风引发的振动响应远大于平均风响应,平均风响应占总响应的比例较小。例如,在德国荷载规范中规定,高层建筑在脉动风荷载作用下的位移响应占总位移响应的比例大于90%的结构,称为“风敏感结构”。 通常,高层建筑的高度越高,其自振频率越小,在脉动风荷载作用下的风振响应越大;因此,可以根据高层建筑的高度大致判断是否属于“风敏感结构”。一般来说,超过200m~300m的高层建筑可认为是“风敏感高层建筑”。对于大跨度屋盖结构,其结构体系多种多样,屋盖的自振频率与跨度和结构体系等多个因素有关,因此设计人员很难根据屋盖结构跨度确定其是否属于“风敏感屋盖结构”。在屋盖结构抗风设计中,可根据屋盖主要承重结构的风振响应各组成部分的比例,由结构风工程科研人员确定是否将屋盖结构看作“风敏感结构”,并为工程设计人员提供风荷载取值建议。对于跨度很大和结构自振频率低的屋盖结构,当无法明确确定是否为“风敏感屋盖结构”,偏于安全地将其视作风敏感屋盖结构。
3.0.3 在屋盖建造过程中,宜进行施工阶段抗风验算,基本风压可按10年重现期取值。
条文说明
3.0.3 屋盖结构在建造过程中,由于建筑体型和结构状态在不断变化,建筑物表面风荷载和结构性能与完全成型后存在较大差别,风荷载可能引发建造阶段的安全事故。因此,建议在屋盖主要承重结构完成、安装屋面板完成50%等关键施工阶段,验算屋盖结构的抗风安全性。考虑到屋盖建造的工期较短,将屋盖结构看作临时状态下的结构,其风压取10年重现期风压。
3.0.4 屋盖结构选型时,宜采用抗风有利的结构形式,不宜采用悬挑长度过大的屋盖结构和局部风压过大的几何体型。
条文说明
3.0.4 建筑物表面风荷载的大小与建筑物的体型形状密切相关。钝体型的建筑物阻挡了气流的流动,在迎风墙面产生压力;同时,在侧墙面、屋面部位易产生气流分离,形成较大风吸力。选择流线型的屋盖结构可有效减小屋盖结构承受的整体风荷载;相反,屋盖结构的钝体特征越明显,其承受的风荷载可能越大。大跨度屋盖、轻柔屋盖通常属于风荷载敏感性结构,其整体外形常常需要经过优化,以减小屋盖主要承重结构的风荷载。 在尖锐的墙角、屋檐、屋脊等部位产生气流分离,建筑物表面形成锥形涡、柱状涡等流动现象;在这些涡的作用下,建筑物表面形成极大的局部吸力。因此,对于封闭式房屋的屋盖结构,在屋盖边区、屋脊等部位适当地改变建筑物局部外形,避免气流分流,可大大减小屋盖围护结构的风荷载。重要的大跨度建筑亦应在风洞中对气动优化前后的建筑物进行试验,评价减小整体风荷载和局部风荷载气动措施的有效性。 风荷载作用下,悬挑结构上下表面叠加后的净体型系数很大,而且当悬挑长度过大时,结构轻柔将导致结构的动力放大作用更为显著,风荷载将在悬挑根部产生很大的弯矩,故应尽量减少使用大悬挑的结构体型。
3.0.5 屋盖结构抗风设计应按承载能力极限状态和正常使用极限状态分别进行荷载组合或荷载效应组合。组合中的分项系数、组合值系数、频遇值系数和准永久值系数取值应符合现行国家标准《建筑结构荷载规范》GB 50009的规定。
条文说明
3.0.5 屋盖结构设计时,风荷载的分项系数、组合值系数、频遇值系数和准永久值系数按照现行国家标准《建筑结构荷载规范》GB 50009的规定确定。按照结构构件的可靠度理论可得到这些系数具体值,现行国家标准《工程结构可靠性设计统一标准》GB 50153、《建筑结构可靠性设计统一标准》GB 50068中有明确规定。 对于线性结构,可分别进行单一荷载作用下的计算分析,其组合作用效应可以采用叠加法。因此,线性结构的荷载组合作用下的效应与效应组合是等价的,效应组合系数与荷载组合系数相同。对于材料非线性或几何非线性结构,荷载作用效应不具有可加性,此时,应先进行荷载组合,再计算其结构效应。
3.0.6 屋盖主要承重结构的抗风设计应分别验算不少于4个不利风向的风效应。对重要或体型复杂以及周边环境复杂的屋盖抗风设计,宜增加不利风向数量。
条文说明
3.0.6 根据国外现行规范的规定,主要承重结构抗风设计至少考虑4个风向角进行计算分析;本标准引用了这一规定。对于对称建筑物,本标准附录A、附录B提供了2个风向角情况下的体型系数和脉动风效应等效风压系数;根据对称性,相当于提供了4个或者8个风向角的风荷载。对于重要且体型复杂建筑物的抗风设计,宜考虑增加不利风向角的数量。
3.0.7 屋盖围护结构抗风设计时,应按承载力极限状态和正常使用极限状态设计,分别施加全风向最大风压力、最大风吸力。
条文说明
3.0.7 在不同风向角风荷载作用下,围护结构的风压最值是不相同的;如果不考虑风气候的风向效应,建筑物外表面所有风向中的风压最不利值是确定围护结构外表面风荷载的依据。美国、加拿大、日本等国家的荷载规范采用风压最值的全风向包络值规定了围护结构的风压标准值。另一方面,英国、欧洲和澳大利亚规范将对称建筑物的风荷载分为4个风向区间,每个风向区间包含90°风向范围,以每个风向区间内风压最不利值规定了围护结构的风压标准值。 在我国建筑结构设计时,基于风洞试验确定围护结构风荷载,通常给出全风向情况下的围护结构最不利风荷载,作为围护结构承载力和变形验算的依据。本标准总结了国外规范和我国工程设计实践经验,给出了全风向最不利情况的风荷载标准值,为设计人员提供了概念科学合理、简单易用的围护结构风荷载标准值,发展和完善了我国有关标准的内容。
3.0.8 围护结构承载力极限状态设计时,在屋盖上吸风荷载效应控制的荷载基本组合中,永久荷载分项系数不应大于0.9。
条文说明
3.0.8 对于轻质屋盖结构,上吸风荷载效应可能大于重力荷载效应;上吸风荷载是控制荷载,重力荷载与上吸风荷载方向相反,重力荷载对围护结构有利。在荷载基本组合中,本条明确了重力荷载对围护构件有利情况下的荷载分项系数不应大于0.9,通常取0.9。
3.0.9 围护结构应与主要承重结构可靠连接,并应具备适应风荷载及其他作用共同引起的屋盖主要承重结构变形的能力。
条文说明
3.0.9 轻型屋盖结构(例如金属屋盖)的围护结构由檩条与面板组成,面板与檩条的连接往往是保证抗风安全性的主要环节。目前,屋盖结构的风致破坏主要发生在屋面板与檩条之间的连接件破坏,容易成为结构的薄弱位置。因此,对连接件强度、变形的设计验算及构造措施是屋盖结构抗风设计的重要内容之一。
3.0.10 屋面围护系统的抗风承载力、变形能力应根据抗风揭试验报告确定。扣合式、直立锁缝式压型金属板与固定支架、支座之间的连接强度宜根据试验确定。
条文说明
3.0.10 屋面围护系统包括屋面板、防水层、保温隔热层、隔气层、檩条及连接件等。当新型屋面围护系统首次应用时,需要进行抗风揭试验确定抗风承载力和变形能力,而对于已有形式的屋面围护系统,则可以根据以往风揭试验的试验报告确定围护系统的抗风承载力和变形能力。 本条中的“连接强度”是指压型金属板与支架、支座之间的锁缝强度。围护构件之间的连接强度根据力学性能试验确定。
4 屋盖主要承重结构风荷载
4.1 一般规定
4 屋盖主要承重结构风荷载
4.1 一般规定
4.1.1 采用荷载组合进行屋盖主要承重结构抗风设计时,风荷载标准值可按本标准第4.1.2条确定;采用荷载效应组合时,风效应标准值可按本标准第4.1.3条确定。
条文说明
4.1.1 现行国家标准《建筑结构荷载规范》GB 50009计算多种荷载共同作用下的结构响应时,采用荷载组合方法,在结构上施加风荷载并与其他荷载进行组合,进行结构计算和验算;该标准给出了规则体型高层、高耸结构风荷载的具体计算公式,工程设计时,采用荷载组合方法十分方便。 对于复杂体型和重要的屋盖结构,需要进行风洞试验和随机振动分析,得到结构的风振响应,此时若采用荷载组合方法,则需要根据随机振动分析得到的结构风振响应计算等效静风荷载。实际上,若采用荷载效应组合,不需要进行等效静风荷载计算,将风振响应直接与其他荷载效应组合,更为方便。此外,复杂结构的等效静风荷载计算是一个难点问题,难以保证结构所有位置响应的高精度等效。基于上述考虑,本条既规定了荷载组合方法,亦规定了荷载效应组合方法;从结构可靠度理论可知,荷载效应组合系数与荷载组合系数是相同的。
4.1.2 垂直于屋盖表面,用于主要承重结构设计的风荷载标准值应按下式计算:

式中:ω k ——风荷载标准值(kN/m 2 );
ω 0 ——基本风压(kN/m 2 ),按现行国家标准《建筑结构荷载规范》GB 50009确定;
μ z ——风压高度变化系数,按现行国家标准《建筑结构荷载规范》GB 50009确定;
μ s ——风荷载体型系数,按本标准第4.2.1条确定;
μ d ——脉动风效应等效风压系数,按本标准第4.2.2条确定。
条文说明
4.1.2 现行国家标准《建筑结构荷载规范》GB 50009的条文说明指出,屋盖结构不宜采用与高层建筑和高耸结构相同的风振系数计算方法,其中一个重要原因在于屋盖表面经常出现平均风压幅值较小,甚至为0的区域,此时若按风振系数概念,平均风压幅值较小处风振系数很大,或出现奇异值,从概念上将导致动力放大作用更为显著的错觉,屋面区域内风振系数变化剧烈。 本标准采用平均风荷载与脉动风效应的等效静风荷载之和的形式,表达屋盖主要承重结构的风荷载标准值,提出了脉动风效应等效风压系数。从数值上来看,体型系数与脉动风效应等效风压系数之和相当于现行国家标准《建筑结构荷载规范》GB 50009中体型系数与风振系数之积,这一表达方式避免了体型系数幅值小导致风振系数过大所产生的概念错觉。 在日本规范AIJ-RLB中,为了避免屋盖表面平均风压幅值较小区域引起风振系数出现奇异值,忽略了该区域平均风荷载的贡献,直接采用脉动风效应的等效静风荷载作为该区域的风荷载标准值。这相当于本标准规定的屋盖主要承重结构风荷载标准值的表达形式,本标准的表达形式具有广泛的适用性,不仅适用于平均风压幅值较小区域,也同样适用于其他区域。
4.1.3 屋盖主要承重结构风效应标准值可按下式计算:

式中:r k ——结构风效应标准值;
r ——结构在平均风荷载μ s μ z ω 0 作用下的平均风效应,由静力计算确定;
g r ——结构风效应峰值因子,其值不应小于2.5;
σ r ——结构风效应标准差,分别按本标准第4.3.2条、第4.3.3条确定。
条文说明
4.1.3 结构风效应包括结构平均风效应和脉动风效应。根据本标准公式(4.1.2)中第一项表示的平均风荷载计算平均风效应。 结构脉动风效应可以根据结构特点选择合适的随机振动分析方法,主要包括频域的振型叠加法和时域的时程分析方法。此外,为了在考虑尽量少振型的前提下提高结构风振响应计算精度,可将脉动风效应分为背景响应和共振响应。其中,背景响应是脉动风荷载中的长周期成分引起的拟静力效应,采用静力方法计算;共振响应是脉动风荷载引起的结构共振产生的风效应,采用振型叠加法计算。 结构风效应通常服从高斯分布,高斯分布的峰值因子一般在3.0~5.0。考虑到结构可靠度水平受多个参数的共同影响以及我国建筑结构荷载规范、结构设计规范的继承性,本标准依据现行国家标准《建筑结构荷载规范》GB 50009的有关规定,主要承重结构风效应峰值因子的取值不应小于2.5。
4.2 风荷载体型系数与脉动风效应等效风压系数
4.2 风荷载体型系数与脉动风效应等效风压系数
4.2.1 屋盖结构风荷载体型系数应符合下列规定:
1 屋盖结构体型与本标准附录A规定的体型相同或相近时,可按本标准附录A确定;
2 本标准附录A未列出的屋盖结构体型,可按现行国家标准《建筑结构荷载规范》GB 50009确定;
3 重要或体型复杂以及周边环境复杂的屋盖结构,应通过风洞试验分析确定。
条文说明
4.2.1 多年来,编制组及多家研究机构积累了大量建筑屋盖风洞试验数据,总结了常见体型屋盖结构的体型系数。考虑到屋面尺度较大,屋面风压变化梯度较大,本标准附录A规定的屋面体型系数分区比现行国家标准《建筑结构荷载规范》GB 50009更细致。因此,当本标准规定的体型系数与现行国家标准《建筑结构荷载规范》GB 50009不一致时,宜采用本标准数值;本标准未做规定的,可按现行国家标准《建筑结构荷载规范》GB 50009确定。相对于实际工程的建筑体型种类,本标准所给数据仍然是有限的,风洞试验仍应作为抗风设计重要的辅助工具,尤其是对于体型复杂而且重要的屋盖结构。
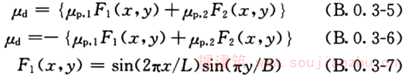
4.2.2 屋盖主要承重结构的脉动风效应等效风压系数应符合下列规定:
1 屋盖主要承重结构与本标准附录B规定相同或相近时,可按本标准附录B确定;
2 本标准附录B未列出的屋盖结构,应按下式计算脉动风效应等效风压系数:

式中:p e ——结构脉动风效应等效静风荷载(kN/m 2 ),可根据风洞试验结果按本标准附录C规定的方法计算。
条文说明
4.2.2 高层、高耸结构的等效静风荷载针对的等效目标十分明确,如顶点侧移或者基底弯矩,由于风致振动响应主要由第一振型起控制作用,经理论分析可以比较方便地得到高层、高耸结构的等效静风荷载,能同时适用于计算不同位置和不同类型结构响应。与此不同,大跨屋盖结构等效静风荷载计算是一个十分复杂的问题。大跨屋盖结构常常自振频率分布密集,风振响应具有多振型参与的特点,振动过程中不同位置的响应不再保持同步,即不在同一时刻达到其极值。屋盖结构的等效静风荷载需要考虑的等效目标多种多样,以不同位置的风效应最值作为等效目标就会得到不同的等效荷载分布,针对多目标的最不利等效静风荷载难以准确确定。 以往的大跨屋盖结构抗风设计中,如何合理确定主承重结构风荷载标准值一直是一个难点问题。为了解决这一问题,近十年来国内外研究人员提出了同时针对结构多个最值响应的多目标等效静风荷载分析方法,并在风洞试验和风振咨询分析中逐渐被采用。本标准编制组针对该问题,开展了近20年的研究工作,对于一些常见的体型规则的屋盖结构形式,编制组通过大量参数分析工作,分析风荷载参数和结构参数(矢跨比、跨度和屋面质量)对各类结构形式的等效静风荷载影响规律,总结归纳出其脉动风效应等效风压系数的取值,具体结果见本标准附录B。对于更多的复杂体型屋盖结构,则应开展风洞试验,进行风振动力分析,通过等效静风荷载分析方法确定其脉动风效应等效风压系数,本标准附录C给出了代表性的等效静风荷载计算方法。
4.3 结构风效应计算
4.3 结构风效应计算
4.3.1 屋盖主要承重结构的风效应计算应符合下列规定:
1 风压时程应根据风洞同步测压试验确定;换算至足尺结构的风压时程样本时长不应小于10min。
2 应考虑支承结构对屋盖结构受力性能的影响。屋盖结构与支承结构宜共同考虑,并可按整体分析模型计算;亦可把支承结构简化为屋盖结构的弹性支座进行简化计算。
条文说明
4.3.1 作用在屋盖表面不同位置的风荷载存在时间-空间的相关性,在进行主要承重结构风振响应分析时,输入同步风荷载时程,才能准确得到风振响应。因此,本条要求屋盖表面的风压时程应该同步测量。 在进行主要承重结构风振响应分析时,输入的风压时程样本持时越长、样本数量越多,得到的风振响应均值、标准差越准确。风洞试验获得的建筑物表面风压可看作各态历经平稳过程,利用一个10min样本即可得到相对准确的均值、方差;同样,利用一个10min样本进行风振响应分析,可获得相对准确的平均风荷载效应和标准差。 屋盖结构与其支承结构之间相互作用的影响往往十分复杂,因此应根据结构实际情况选择合适的计算模型进行协同分析。
4.3.2 屋盖主要承重结构脉动风效应可采用下列方法计算:
1 对于柔性屋盖结构,宜采用逐步积分时程分析方法计算;
2 对于其他屋盖结构,可采用频域分析方法或时程分析方法计算。
条文说明
4.3.2 柔性结构主要指建筑膜结构及索-膜结构。同时包含刚性构件和柔性构件的混合结构,如张弦桁架、弦支网壳等,以及预应力鞍形索网结构一般属于弱非线性结构。 对于柔性结构,由于涉及非线性问题,叠加原理不再适用,此时不应采用振型叠加法(包括频域类的振型叠加法,以及基于振型分解的时程分析方法),而应对结构运动方程采用逐步积分的时程分析方法。 当采用振型叠加法时,一般屋盖结构风振响应中多阶振型均有重要贡献,有时高阶振型还会起主导作用,若结构三维受力特征明显,多振型参与风振特性常常十分明显,建议采用基于脉动风荷载本征正交分解的Ritz向量振型叠加方法计算屋盖结构的风振响应。当采用自由振动振型进行频域分析时,应根据风荷载的时间-空间相关性及结构空间作用程度选取振型数量,风荷载相关性越弱,结构空间作用越显著,需要选择的振型数量应该越多。
4.3.3 屋盖主要承重结构脉动风效应采用振型叠加法计算时,宜采用考虑振型耦合效应的计算方法。
条文说明
4.3.3 屋盖主要承重结构自由度众多、频率密集,已有研究表明,一些结构的振型耦合效应对结构风振响应的影响可达10%左右,当采用基于振型叠加的时程分析法或频域分析法时,需要考虑振型间的耦合效应,建议采用可考虑参振振型间相关性的CQC法、虚拟激励法或其他能够考虑模态耦合效应的分析方法。
5 屋盖围护结构风荷载
5 屋盖围护结构风荷载
5.0.1 垂直于屋盖表面,用于围护结构设计的风荷载标准值应按下式计算:

式中:ω k ——风荷载标准值(kN/m 2 );
ω 0 ——基本风压(kN/m 2 ),按现行国家标准《建筑结构荷载规范》GB 50009确定;
μ H ——屋盖平均高度H处的风压高度系数,按现行国家标准《建筑结构荷载规范》GB 50009确定;
C pi ——内压系数,按本标准第5.0.2条确定;
C pe ——全风向风压系数最值,包括风压系数最大值C pe,max 和最小值C pe.min ,按本标准第5.0.3条确定。
条文说明
5.0.1 本条规定了围护结构的风荷载标准值,其制订依据及说明如下所述。 1)外压、内压与净压 在来流湍流和建筑湍流(或称为特征湍流)的共同作用下,建筑物外表面形成随时间-空间不断脉动变化的风压力或风吸力。围护结构外表面承受的最大风压力和最大风吸力统称为风荷载最值;其中,风吸力垂直于屋盖外表面并且方向背离屋盖表面,采用负值表示风吸力,最大风吸力即风荷载最小值;风压力垂直于屋盖外表面并且方向指向屋盖表面,采用正值表示,最大风压力即风荷载最大值。外表面风荷载最值需要进行概率分析,以最值发生概率的分位数作为其估计值。 另一方面,对于封闭式建筑物或半开敞式建筑物,气流通过孔隙、洞口进入或流出室内,室内形成风压力或风吸力,其波动幅度相对较小,通常将室内风压看作常数,根据风洞试验结果确定内压。室内风压力的方向指向室内屋盖、墙面,采用正值表示;室内风吸力的方向背离室内屋盖、墙面,采用负值表示。 在美国、加拿大、日本、澳大利亚、英国、欧洲等国家、地区的风荷载规范中,均采用了外表面风压最值与内压之差表达封闭式、半开敞式建筑物围护结构的风荷载;现行国家标准《建筑结构荷载规范》GB 50009规定了围护结构外表面风荷载标准值的计算公式,亦规定了围护结构的内压系数。借鉴国内外标准的相关规定,综合考虑围护结构外表面、内表面的风荷载作用,本标准将封闭式房屋屋盖围护结构的风荷载表示为外表面风压最值与内压之差的形式。 对于开敞式建筑物,应根据围护结构表面的净风压,进行极值的概率分析和估计,确定开敞式建筑物围护结构风压最值。本标准采用外表面净风压表达开敞式建筑物围护结构的风荷载,此时不考虑内压。 2)平均速压与阵风速压 在国外荷载标准的风荷载条文规定中,参考速压采用平均速压或者阵风速压;其中平均速压时距为10min或者1h,阵风速压的时距为3s。对于围护结构风荷载,外表面风压最值表达为风压系数最值与平均速压或阵风速压之积的形式,内压表达为内压系数与平均速压或阵风速压之积的形式。加拿大、日本规范分别采用1h、10min平均速压和相应的风压系数最值表达围护结构外表面风荷载标准值;美国、澳大利亚规范采用3s阵风速压和相应的风压系数最值表达围护结构外表面风荷载标准值。 在英国规范中,定义了时距1h基本风速及阵风风速,二者之间的变换关系包含风速阵风系数、风速高度变化系数等参数;由阵风风速得到阵风速压,利用阵风速压和相应的风压系数最值表达围护结构的风荷载标准值。在欧洲规范中,定义了时距10min基本风速、基本速压及阵风速压,阵风速压与基本速压之间的比值称为速压阵风系数;利用阵风速压和相应的风压系数最值表达围护结构的风荷载最值。 本标准沿用了现行国家标准《建筑结构荷载规范》GB 50009中基本风压的规定,规定以屋盖平均高度处的10min平均速压作为参考速压确定风压系数最值和内压系数。 3)风压系数最值与局部体型系数的关系 采用风压系数最值表达围护结构风荷载标准值,明确了围护结构风荷载的物理含义,并且与加拿大、日本等国家的现行规范的规定一致或者类似。另一方面,本标准给出了风压系数最值的全风向最不利值作为确定围护结构风荷载标准值的依据,简化了表达方式,方便工程设计人员应用。因此,本标准围护结构风荷载的规定是对现行国家标准《建筑结构荷载规范》GB 50009的发展和完善,并且借鉴了多个国外规范的相关规定。
5.0.2 封闭式建筑物围护结构的内压系数C pi 应按其相应位置外表面风压的正负情况取值:外表面风压为正时,内压系数取-0.3;外表面风压为负时,内压系数取+0.2。
条文说明
5.0.2 根据建筑物表面洞口、孔隙的尺寸、位置、数量等因素,房屋建筑分为封闭式房屋、半开敞式房屋和开敞式房屋。墙面开洞率小于1%并且墙面无主导洞口的建筑物称为封闭式建筑物;单面外墙开洞率大于80%的建筑物称为开敞式建筑物;其他建筑物称为半开敞式建筑物。开敞式建筑物的内压系数为零;半开敞式建筑物的内压系数与洞口位置、面积、数量等因素有关,其取值范围较大;封闭式房屋的内压系数在各国规范中的取值相对比较统一。鉴于此,本条只规定了封闭式房屋的内压系数。 对于通常意义上的封闭式房屋,由于存在烟囱、通风管道、换气扇以及门窗缝隙等孔隙,室内外气流仍然可以发生交换,从而在建筑物室内产生内压。通常情况下,室内外温差、烟囱效应、机械通风等现象导致气流经过空隙流出室内或流进室内,室内呈现负压或正压,对室内墙面、屋面产生吸力或压力。本条考虑封闭式房屋室内出现负压、正压的不利情况,规定室内出现负压的内压系数为-0.3、室内出现正压的内压系数为+0.2;按照外吸内顶、外压内吸两种风荷载工况,对屋盖围护结构施加风荷载。
5.0.3 全风向风压系数最值C pe 应符合下列规定:
1 屋盖结构体型与本标准附录D规定的体型相同或相近时,可按本标准附录D的规定取值;
2 屋盖结构体型与本标准附录D规定的体型不同时,宜根据风洞试验结果并应按本标准附录E确定;
3 重要或体型复杂以及周边环境复杂的屋盖结构,应根据风洞试验结果并可按本标准附录E确定。
条文说明
5.0.3 现行国家标准《建筑结构荷载规范》GB 50009规定,非直接承受风荷载的围护结构可按风荷载从属面积进行折减。本条沿用了这一规定,并且明确规定直接承受风荷载的围护结构风压系数最值不考虑从属面积折减。
5.0.4 已获得长期可靠风速、风向的气象观测资料,且已获得风压系数最值的风洞试验结果,确定围护结构风荷载时,可考虑风向折减效应将本标准第5.0.1条的C pe 乘以风向折减系数γ d 。风向折减系数γ d 可按本标准附录F确定,但取值不应小于0.9。
条文说明
5.0.4 风及作用在建筑物表面的风荷载具有方向性效应。在特定场地条件下,不同方向、相同发生概率的风速最值是不相同的,此现象称为风气候的方向性效应。对于特定的建筑物,不同方向的风与建筑物表面的相互作用产生不同的风压系数,此现象称为风压系数的方向性效应。当不考虑风荷载方向效应时,将指定重现期的速压与最不利风压系数的乘积作为建筑物的最不利风荷载。实际上,最大速压与最不利风压系数的方向可能是不同的,不考虑方向性效应高估了风荷载。因此,当气象资料充分时,可考虑风荷载的方向性效应,对风荷载或风速进行风向折减。 在加拿大规范风荷载条文的制订过程中,考虑到风向效应、风洞模拟大气边界层的不确定性以及建筑物周边环境对风压系数最值的影响等因素,以风洞试验得到的建筑物围护结构风压系数最值为基础,乘以0.8的折减系数,得到围护结构风压系数最值;因此,加拿大规范规定的围护结构风荷载暗含了风向折减系数0.8。美国规范规定了不同建筑体型的围护结构风荷载风向折减系数,分布在0.85左右;英国、澳大利亚规范规定了风向区间的风速折减系数; 日本规范不考虑围护结构风荷载的风向折减。在现行国家标准《建筑结构荷载规范》GB 50009中,未提及风荷载的风向折减系数;在现行行业标准《建筑工程风洞试验方法标准》JGJ/T 338中,规定了风速的风向折减系数最小值0.85。 我国科研工作者在国家标准《建筑结构荷载规范》GBJ 987的编制过程中,已经考虑了风气候的方向性效应,但未考虑建筑结构的风荷载方向性效应。在20世纪80年代,我国科研工作者对全国18个省、市、自治区的29个气象台站收集的20年~25年风速记录进行了统计分析,建立了适用于我国的速压极值Ⅰ型分布模型;同时,考虑风速的方向性效应,统计分析了各气象台站在当地主导风向的年最大速压平均值与不考虑风向的年最大速压平均值之比值。在制定国家标准《建筑结构设计统一标准》GBJ 68-84的过程中,考虑风向效应之后,年最大速压的平均值乘以风向折减系数0.9;然后,按照极限状态设计方法,确定风荷载及其他荷载作用下承重结构的荷载分项系数。因此,国家标准《建筑结构荷载规范》GB 50009-2012中的可变荷载分项系数已经包含了速压的风向折减系数0.9。 本条规定的气象资料要求气象站提供连续20年以上的10min时距的季风平均风速、平均风向观测数据。建筑物的风洞试验结果应包括各风向角情况下的围护构件风压系数最值。在具有上述数据的情况下,可按照本标准附录F计算围护构件的风荷载风向折减系数,但其最小值不应小于0.9。 在台风地区,对台风路径、风速、气压的长时间观测数据相对较少,观测数据非常有限,通常利用蒙特卡洛模拟方法生成台风的大量数据,建立台风风速、风向以及风压系数最值的联合概率分布,确定围护结构的风向折减系数。本条规定不包含台风地区的风向折减问题。
6 风洞试验和计算流体动力学模拟
6.1 风洞试验要求
6 风洞试验和计算流体动力学模拟
6.1 风洞试验要求
6.1.1 屋盖结构风洞试验应符合现行行业标准《建筑工程风洞试验方法标准》JGJ/T 338的规定。
条文说明
6.1.1 本条规定了屋盖结构风洞试验过程中,各个技术参数(如阻塞率、风向角间隔、测点布置、测压管道修正等)应符合现行行业标准《建筑工程风洞试验方法标准》JGJ/T 338的规定。
6.1.2 建筑高宽比小于1时,2倍建筑高度且不小于10%梯度风高度范围内所模拟的平均风速剖面、湍流强度剖面应符合现行国家标准《建筑结构荷载规范》GB 50009的规定。
条文说明
6.1.2 屋盖结构的高度通常较低,屋盖表面风荷载主要受近地面大气边界层影响,风洞试验过程中,应重点要求近地面屋盖高度区域内风场参数满足现行国家标准和行业标准。本条借鉴美国风洞试验标准中部分边界层模拟的规定,给出了近地面部分边界层的平均风速剖面、湍流强度剖面应符合国家现行标准的相关规定。
6.1.3 屋盖平均高度的试验风速不应小于5m/s,且根据屋盖平均高度计算的雷诺数不应小于11000。
条文说明
6.1.3 本条借鉴美国风洞试验标准,规定了屋盖平均高度的试验风速要求及雷诺数要求。计算雷诺数所用到的特征尺度取屋盖平均高度。
6.1.4 屋盖平均高度处风洞模拟风场与大气边界层风场顺风向湍流积分尺度之比,不应小于建筑物几何缩尺比的1/3,宜接近于建筑物几何缩尺比。
条文说明
6.1.4 理论上,风洞模拟风场与大气边界层风场顺风向湍流积分尺度之比,应尽量接近于建筑物几何缩尺比。但在实际风洞实验过程中,采用被动模拟方法(尖劈、粗糙元和挡板等)模拟大气边界层时,湍流积分尺度相似比常常在1/300~1/800范围内。与此同时,若采用过小的建筑物几何缩尺比,将难以刻画低矮建筑物的几何细节,同时,模拟边界层底部区域与实际边界层参数吻合精度相对较差,由于大跨度建筑物高度较低,若采用过小缩尺比,屋盖表面影响范围内的风场模拟误差相对较大,故当屋盖结构尺度较小时,适当降低对湍流积分尺度的相似性要求,但不应与建筑物几何缩尺比相差过于悬殊,具体要求借鉴美国风洞试验标准的规定。由于现行国家标准《建筑结构荷载规范》GB 50009未规定大气边界层积分尺度取值,可借鉴现行行业标准《公路桥梁抗风设计规范》JTG/T 3360-01的规定,积分尺度可按表1取值。 
6.2 计算流体动力学模拟要求
6.2 计算流体动力学模拟要求
6.2.1 流体动力学数值模拟计算应符合现行行业标准《建筑工程风洞试验方法标准》JGJ/T 338的有关规定。
条文说明
6.2.1 本条规定了计算流体动力学(CFD)模拟应符合现行行业标准《建筑工程风洞试验方法标准》JGJ/T 338的规定。
6.2.2 采用大涡模拟方法得到的屋盖结构风荷载体型系数可用于初步确定主要承重结构的平均风荷载。
条文说明
6.2.2 本条规定了大涡模拟得到的体型系数可以用于初步确定主要承重结构的平均风荷载。工程设计人员可根据经验确定风振系数,利用本标准或现行国家标准《建筑结构荷载规范》GB 50009计算屋盖结构风荷载,进行计算分析,用于初步阶段的结构设计。
6.2.3 计算模型应选择不少于3种网格密度方案进行收敛性检验。
条文说明
6.2.3 本条规定了对计算模型的要求。
6.2.4 建筑模型位置处的风场参数应符合现行国家标准《建筑结构荷载规范》GB 50009的规定及本标准第6.1节的规定。
条文说明
6.2.4 本条规定了对风场的要求。
附录A典型屋盖结构的体型系数
附录A 典型屋盖结构的体型系数
条文说明
编制组的科研人员对平屋盖、球面屋盖、柱面屋盖、悬挑屋盖进行了大量的风洞测压试验,根据这些试验数据,经综合分析制订了本附录条文。 在结构设计过程中,需要考虑多个风向的影响。考虑到建筑物体型的对称性,本附录仅给2~3个风向的体型系数,结构设计人员可以根据建筑物对称性获得更多风向的体型系数,计算相应风向的风荷载,分别施加在结构上。当建筑物体型与本附录规定相同或相近时,可直接采用本附录列出的体型系数。对于体型复杂或重要的房屋结构,风洞试验仍应作为抗风设计重要的辅助工具。 本附录给出的体型系数是在B类地貌风场的风洞试验中得到的,建筑模型的屋檐高度与跨度的比值在1/5~1/3。需要指出的是,影响屋盖表面风荷载的因素众多,风洞试验难以充分考虑所有因素的影响,大量风洞试验结果和研究表明,地貌类型对体型系数的影响较小,但屋盖的屋檐高度对屋面体型系数有较大影响,故屋檐高度与跨度的比值超出上述试验范围时,需要采用风洞试验或相关资料评估屋檐高度对屋面体型系数的影响。另外,本附录规定的体型系数适用于没有受到建筑物干扰效应影响的单体建筑;当建筑物周围近距离存在其他建筑物时,不可直接套用本附录中给出的体型系数值,需要评估周围建筑物的干扰效应影响。 柱状屋面的体型系数是依据长宽比为1:1、2:1和3:1的试验模型测压数据制订的。对于矩形平面的柱状屋面,多篇文献的研究结果表明,当长宽比小于2时,长宽比对屋面的平均风压分布有较大影响;当长宽比在2~3时,平均风压分布较为接近。因此,本附录分别给出了当长宽比小于或等于1,或长宽比在2~3的体型系数值;当长宽比介于1~2时,按照线性插值方法确定屋面体型系数。 悬挑屋盖体型系数适用于悬挑长度为10m~25m、长跨比在2~4、通风率不超过30%、倾角在0°~10°的平面矩形或弧形悬挑屋盖结构。
A.0.1 方形平面平屋盖屋面各分区(图A.0.1)的风荷载体型系数可按表A.0.1取值。


A.0.2 矩形平面柱面屋盖的风荷载体型系数可按下列规定确定:
1 0°风向角情况下,屋面分区(图A.0.2-1)风荷载体型系数可按表A.0.2-1取值。


2 45°风向角情况下,屋面分区(图A.0.2-2)风荷载体型系数可按表A.0.2-2取值。


3 90°风向角情况下,屋面分区(图A.0.2-3)风荷载体型系数可按表A.0.2-3取值。


A.0.3 球面屋盖的屋面分区(图A.0.3)风荷载体型系数可按表A.0.3取值。


A.0.4 对于悬挑屋盖(图A.0.4-1),当长跨比B/L大于2且小于4、通风率υ≤30%、屋盖倾角大于0°且小于15°时,屋盖上下表面的净风压体型系数可按下列规定取值:

1 矩形平面悬挑屋盖的屋面分区(图A.0.4-2)净风压体型系数可按表A.0.4-1取值。


2 弧形平面悬挑屋盖的屋面分区(图A.0.4-3)净风压体型系数可按表A.0.4-2取值。


附录B典型屋盖结构脉动风效应等效风压系数
附录B 典型屋盖结构脉动风效应等效风压系数
条文说明
基于屋盖主要承重结构脉动风效应及其等效静风荷载的大量参数化分析,制订了本附录条文。当屋盖主要承重结构受力体系与本附录规定相同时,可直接应用脉动风效应等效风压系数确定屋盖主要承重结构脉动风效应等效静风荷载标准值。 针对每一类典型类型屋盖主要承重结构,在等效静风荷载的参数化研究过程中,首先确定参数化分析方案,确定各个重要影响因素的变化范围,并进行屋盖结构设计,涵盖实际工程的主要应用范围;然后,根据风洞试验得到的脉动风压系数及现行国家标准《建筑结构荷载规范》GB 50009的有关规定施加脉动风荷载,采用随机振动分析方法计算结构在脉动风荷载作用下的风振响应;最后,按本标准附录C计算脉动风效应等效风压系数,针对具体结构的风振响应特点和结构动力特性,对参数化分析结果进行归纳总结,并考虑工程应用的方便性,给出脉动风效应等效风压系数的简化表达形式。 针对各类结构体型,进行脉动风效应等效风压系数参数化研究的过程中,矢跨比、结构跨度、屋盖自重等结构参数在工程常用范围内变化,结构分析模型满足构件强度、稳定和变形等规范限值要求,屋面质量变化范围在40kg/m2~120kg/m2;结构跨度的参数分析范围和结构体系有关。风荷载影响参数中,基本风压变化范围在0.25kN/m2~1.0kN/m2,考虑了A、B、C、D等地貌类型的影响。 需要指出,脉动风效应等效风压系数与风荷载特性密切相关,与本标准附录A相同,风洞试验过程中建筑物模型屋檐高度与跨度之比在1/5~1/3。主要选取各节点的竖向位移和各构件的杆件应力作为等效目标,采用本标准附录C规定的多目标等效静风荷载分析方法,计算各类结构形式的脉动风效应等效风压系数。为了应用方便,脉动风效应等效风压系数仅用结构一阶或二阶振型表示。按照本附录计算的屋盖主承重结构风荷载主要用于结构的位移和杆件内力计算;对于风振响应由单一振型起控制作用时(如平屋盖),脉动风效应等效风压系数用结构近似振型表示时,用来计算下部支承结构支座反力的偏差较小;对于多振型参与结构振动十分显著的结构(主要是指球面网壳结构),脉动风效应等效风压系数分布用虚拟的荷载分布形式表示,用来计算下部支承结构的支座反力将可能存在较大偏差。 需要特别指出的是:尽管本附录给出的各类典型结构脉动风效应等效风压系数仅用少量振型或分布形式表示,但在计算等效静风荷载所用到的风效应最值,已经考虑了足够多振型的贡献,满足计算精度要求。这一处理方式,主要是方便结构工程师使用。
B.0.1 脉动风效应等效风压系数按本附录确定时,应根据地貌类型和结构阻尼比进 行调整且应符合下列规定:
1 对于A、B、C和D类地貌,脉动风效应等效风压系数应分别乘以1.0、1.0、1.15和1.25;
2 当屋盖结构阻尼比取0.02、0.03时,脉动风效应等效风压系数应分别乘以1.0、0.9。
条文说明
B.0.1 本条规定了地貌类型和结构阻尼比对脉动风效应等效风压系数的调整系数。 地貌类型主要影响风场中的湍流度和风速剖面分布,从而对屋面脉动风荷载产生较大影响,进一步对风振响应和等效静风荷载产生较大影响。从地貌类型A至地貌类型D,湍流度逐渐增大,屋面的脉动风荷载幅值也相应逐渐增大,其他参数相同的条件下,脉动风效应等效风压系数也有增大的趋势。 阻尼比是影响结构动力放大作用的重要参数,阻尼比越大,结构风振响应和脉动风效应等效风压系数越小。本附录第B.0.2条~第B.0.5条的脉动风效应等效风压系数主要针对B类地貌、阻尼比为0.02情况的计算结果。通过大量分析,给出了地貌类型为A、C、D以及结构阻尼比为0.03的脉动风效应等效风压系数调整系数。
B.0.2 方形平面平屋盖的脉动风效应等效风压系数可按下列规定确定:
1 跨度小于80m的单向简支梁和简支平面桁架结构(图B.0.2-1),下压(式B.0.2-1)、上吸(式B.0.2-2)两种工况的脉动风效应等效风压系数可分别按下列公式确定:



式中:μ p ——脉动风效应等效风压系数峰值,按表B.0.2-1取值;
y——沿跨度方向的距离(m);
f * ——折算频率;
L——结构跨度(m);
n——结构第1阶自振频率(Hz);
ω 0 ——基本风压(kN/m 2 )。

2 跨度小于80m的两端固定铰支平面张弦桁架(图B.0.2-2),下压(式B.0.2-5)、上吸(式B.0.2-6)两种工况的脉动风效应等效风压系数可分别按下列公式确定:


式中:μ p ——脉动风效应等效风压系数峰值,按表B.0.2-2取值;
y——沿跨度方向的距离(m);
L——结构跨度(m)。

3 跨度小于80m的四边铰支方形平面网架(图B.0.2-3),下压(式B.0.2-7)、上吸(式B.0.2-8)两种工况的脉动风效应等效风压系数可分别按下列公式确定:

式中:μ p ——脉动风效应等效风压系数峰值,按表B.0.2-3取值;
x、y——沿水平和竖向的距离(m);
L——结构跨度(m)。


条文说明
B.0.2 本条规定了平面桁架、平面张弦桁架和平板网架的脉动风效应等效风压系数,其适用范围为结构跨度在20m~80m。 当风向与桁架跨度方向平行时,位于端部和中间位置桁架的等效静风荷载存在一定差别;当风向与桁架跨度风向垂直时,位于迎风前缘的端部位置桁架等效静风荷载显著大于中间位置桁架和迎风下游端部桁架等效静风荷载。由于结构设计需要考虑0°~360°所有风向,取其最不利响应作为结构设计依据,图B.0.2-1、图B.0.2-2中90°风向时处于迎风下游端部桁架,在270°风向下变为迎风前缘位置的端部桁架,故为了表达方便,两个端部区域都划分为同一区域,仅给出了位于迎风前缘位置端部桁架的脉动风效应等效风压系数值。表B.0.2-1~表B.0.2-3中分别给出不同风向作用下,端部桁架和中间桁架的脉动风效应等效风压系数值。参数化分析表明,两端铰支承的平面桁架和张弦桁架脉动风效应第一阶振型起主导作用,第一阶振型的形状类似于正弦函数的半个周期波形。为了工程应用方便,脉动风效应对应的等效静风荷载采用第一振型惯性力表示,脉动风效应等效风压系数简化为正弦函数形式。 四边铰支承平板网架的风振响应由第一阶振型起主导作用,其第一阶振型形状在两个方向均类似于正弦函数的半个周期波形。为了工程应用方便,脉动风效应对应的等效静风荷载采用第一振型惯性力表示,脉动风效应等效风压系数简化为正弦函数形式。
B.0.3 矩形平面柱面屋盖的脉动风效应等效风压系数可按下列规定计算:
1 跨度小于80m的两端固定铰支实腹拱和桁架拱(图B.0.3-1),下压(式B.0.3-1)、上吸(式B.0.3-2)两种工况的脉动风效应等效风压系数可分别按下列公式确定:

式中:μ p ——脉动风效应等效风压系数峰值,按表B.0.3-1取值;
y——沿跨度方向的距离(m);
f * ——折算频率;
L——结构跨度(m);
n——结构第1阶自振频率(Hz);
ω 0 ——基本风压(kN/m 2 )。


2 跨度小于40m的四边固定铰支单层柱面网壳(图B.0.3-2),下压(式B.0.3-5)、上吸(式B.0.3-6)两种工况的脉动风效应等效风压系数可分别按下列公式确定:



式中:μ p,1 、μ p,2 ——脉动风效应等效风压系数峰值,按表B.0.3-2取值;
x、y——沿跨度方向和长度方向的投影距离(m);
L——网壳跨度(m);
B——网壳长度(m)。

条文说明
B.0.3 本条规定了两端固定铰支实腹拱、桁架拱以及四边固定铰支单层柱面网壳的脉动风效应等效风压系数;其中,实腹拱、桁架拱的适用范围为结构跨度在20m~80m,单层柱面网壳的适用范围为结构跨度在20m~40m。 两端铰支承的平面拱形桁架风振响应需要考虑多阶振型,第一振型贡献最大。为工程应用方便,脉动风效应对应的等效静风荷载用第一振型惯性力表示,第一阶振型形状类似于正弦函数的一个周期波形;考虑到工程应用的方便性,脉动风效应等效风压系数简化为正弦函数的形式。与平屋面桁架类似,分别给出与桁架跨度平行和垂直风向的脉动风效应等效风压系数,并且根据桁架是否位于迎风端部,各风向考虑桁架位于端部和中部两类情况。 四边固定铰支承单层柱面网壳风振响应需要考虑多阶振型,前几阶振型的贡献最大。通过对参数化分析结果进行总结,公式(B.0.3-7)和公式(B.0.3-8)所表示的两阶振型对风振响应贡献最大(这两阶振型未必总是结构的前两阶振型,相同形状振型在所有结构振型中的阶数顺序与结构矢跨比和跨度等因素相关)。为工程应用方便,脉动风效应等效风压系数采用公式(B.0.3-7)和公式(B.0.3-8)近似表示。大量算例的结构竖向位移和单元应力分析结果表明,0°和45°风向对结构最不利,因此本条规定了这两个风向的脉动风效应等效风压系数。根据屋盖体型的对称性,可确定其他不利风向的脉动风效应等效风压系数。
B.0.4 跨度小于80m的周边固定铰支单层球面网壳(图B.0.4),下压(式B.0.4-1)、上吸(式B.0.4-2)两种工况的脉动风效应等效风压系数可分别按下列公式确定:


式中:μ p ——脉动风效应等效风压系数峰值,按表B.0.4取值;
f * ——折算频率;
L——网壳跨度(m);
n——结构第1阶自振频率(Hz);
ω 0 ——基本风压(kN/m 2 )。

条文说明
B.0.4 本条规定了单层球面网壳结构的脉动风效应等效风压系数,其适用范围为结构跨度在20m~80m。 在风荷载作用下,周边固定铰支承单层球面网壳的三维空间作用效应十分明显,风振响应特性十分复杂,需要考虑大量振型的影响,此时难以采用少量简化函数来表示脉动风效应等效风压系数。通过对大量算例参数化分析,按照本标准附录C计算脉动风效应对应的等效静风荷载,对其分布规律进行总结发现,等效静风荷载具有图B.0.4的分块特征,每块内的脉动风效应等效风压系数相近。因此,单层球面网壳的脉动风效应等效风压系数采用目前的分区形式表达,给出了分区脉动风效应等效风压系数与结构折算频率的拟合公式。同时,根据对称性,可确定其他风向的脉动风效应等效风压系数。需要指出的是,由于该类结构的多振型参数特性十分显著,脉动风效应等效风压系数分布是用虚拟的荷载分布形式表示,不是用结构振型表示的可能存在的最不利荷载分布形式,所给出的脉动风效应等效风压系数是根据位移和构件内力等效计算确定,用来计算下部支承结构的支座反力将可能存在较大偏差。与此同时,为了工程应用方便,位移和构件内力计算采用了相同的脉动风效应等效风压系数,此时将高估构件内力10%~20%。
B.0.5 对于跨度小于25m的悬挑桁架及网架结构,下压(式B.0.5-1)、上吸(式且0.5-2)两种工况的脉动风效应等效风压系数可分别按下列公式确定:

式中:μ p ——脉动风效应等效风压系数峰值,按表B.0.5取值;
f * ——折算频率;
L——结构悬挑跨度(本标准附录A图A.0.4-1)(m);
n——结构第1阶自振频率(Hz);
ω 0 ——基本风压(kN/m 2 )。

条文说明
B.0.5 本条规定了悬挑平板网架及桁架的脉动风效应等效风压系数,其适用范围为结构跨度在10m~25m。 矩形及弧形悬挑屋盖结构在风荷载作用下,三维空间作用效应较为明显,端部及中间跨所作用的脉动风荷载特性差异较大,且风荷载空间相关性较为复杂。对于纵向联系较弱的屋面桁架体系,可分榀简化为二维桁架进行计算,等效静风荷载应根据桁架位置确定。对于整体受力为主的网架体系结构,在参数化分析时发现一般以前三阶振型及其耦合作用为主,等效静风荷载的形式不易用某阶振型函数进行表达,因此采用分区形式表达,并给出了分区脉动风效应等效风压系数与结构折算频率的拟合公式。通过对比分析,采用拟合得到的等效静风荷载表达式计算的风振响应最值能够包络动力分析结果。
附录C脉动风效应等效静风荷载计算方法
附录C 脉动风效应等效静风荷载计算方法
C.0.1 脉动风效应等效静风荷载计算宜根据结构特点,选取结构不同位置的不同类型风效应最值作为等效目标,与N个等效目标对应的等效静风荷载可按下列方法确定:
1 可根据本标准第C.0.2条计算N个等效目标对应的脉动风效应等效静风荷载;
2 可根据本标准第C.0.3条分别计算每个等效目标对应的脉动风效应等效静风荷载;
3 可选择分析方法确定脉动风效应等效静风荷载。
条文说明
C.0.1 本条规定了等效静风荷载计算可选用单目标等效或多目标等效方法。 等效静风荷载能够保证在该荷载作用下的结构静力响应与实际动力响应最值相同或相近。等效静风荷载的分布与所等效的目标效应密切相关,一般选择结构的关键响应。屋盖结构的关键响应包括结构不同位置的最大位移响应、不同构件的最大内力响应和最大支座反力等,有时还需要考虑不同的响应方向。单目标(以单个最值响应作为等效目标)等效静风荷载法的计算相对简单,但是仅能保证单目标响应等效,在该等效静风荷载作用下,其他响应可能与其实际最值响应不能保证完全吻合。对于形体较为规则、以单一振型振动为主的屋盖结构,脉动风作用下结构各位置振动保持同相位,各响应同时达到响应极值,针对某一个目标效应的等效静风荷载也适用于其他位置响应,适合采用单目标等效静风荷载分析方法。 当风振响应中多振型参与效应明显时,针对某一目标响应的等效静风荷载计算其他响应易出现较大误差;此时若考虑多个单目标响应等效,需要多个单目标等效静风荷载分布形式,分别施加在结构上,与其他荷载效应进行组合。显然,结构工程师需要施加多个单目标等效静风荷载,工作量较大。多目标(以多个最值响应为等效目标)等效静风荷载可同时考虑多个目标响应与真实响应等效,相对更加精确,但计算过程也更加复杂。对于复杂屋盖结构,宜采用多目标等效静风荷载方法计算。
C.0.2 与N个等效目标对应的脉动风效应等效静风荷载可按下列公式确定:

式中:p e ——N个等效目标的等效静风荷载(kN/m 2 );
P i ——(i=1,2,…,m)表示等效静风荷载的m个基向量,可选择平均风荷载、脉动风荷载或多阶振型惯性力作为基向量;
c——等效静风荷载的m个基向量的组合系数;
——N个等效目标处的脉动风振响应最值;
R——风荷载基向量作用下结构静力响应构成的矩阵;
R - ——矩阵R的广义逆矩阵;
β l ——N个等效目标响应的影响线矩阵。
条文说明
C.0.2 本条规定了多目标等效静风荷载计算方法。 近年来,多目标等效静风荷载分析方法受到广泛关注。采用该方法,施加一种等效静风荷载可实现多位置、多种类最值响应的等效。其原理如下所述。 若等效静风荷载可实现N个最值响应等效,则应该满足下式:式中:{pe}——等效静风荷载;
{β}iT——第i个等效目标的影响线函数;
——脉动风荷载作用下第i个等效目标的最值响应;
[pM]——多目标等效静风荷载的M个基向量,称之为荷载基本分布形式;
{c}——多目标等效静风荷载的M个基向量的组合系数,是一个待求系数矩阵。 多目标等效静风荷载{pe}的计算主要包括三个步骤:1)根据风振响应动力分析,得到所需要等效的N个最值响应
;2)构造表示多目标等效静风荷载的M个基向量,构成荷载基本分布形式矩阵[pM];3)根据公式(1),计算M个基向量的组合系数{c0},相应地,脉动风效应所对应的多目标等效静风荷载可表示为:
对于公式(1),等效目标响应数量N越多,所得到的多目标等效静风荷载越难以保证在该荷载的静力作用下,所有等效目标处的响应均与实际风效应最值均完全吻合。一般需要根据工程结构体系和受力特征,选择关键位置节点位移、关键构件内力和关键支座反力作为等效目标,或者分别计算针对位移响应、杆件内力或支座反力的多目标等效静风荷载。 计算多目标等效静风荷载过程中,构造荷载分布形式矩阵[pM]有很多方法,没有唯一标准,从数学计算的角度,任何向量都可以用来构造荷载分布形式矩阵,可以是单位矩阵的列向量、平均风荷载、脉动风荷载均方根、脉动风荷载的本征模态、结构振型惯性力以及其他任意向量,不同的构造方式,其计算效率和精度不同。在荷载分布形式矩阵的列向量数量相同的情况下,采用能反映风振响应特征的向量构造荷载分布形式矩阵,其计算精度更高,即是更多位置响应能与实际动力响应最值取得更好的吻合精度,如选择对结构风振响应贡献起主要控制作用的多阶振型惯性力。一般情况下,荷载分布形式矩阵包含越多的荷载分布形式列向量,所得到的等效静风荷载能够取得更好的吻合精度。需要指出的是,在计算过程中,若是将某类响应作为等效目标,当增加荷载分布形式矩阵的列向量数量时,该类响应的计算精度能够提高,但是可能增大其他类型响应的计算误差,此时需要明确该等效静风荷载仅仅适用于所针对的响应类型。 当荷载分布形式矩阵[pM]构造完成之后,计算公式(1)中组合系数{c}变成一个线性代数计算问题。若记公式(1)中未知向量{c}的系数矩阵秩数为n1,组合系数{c}的解为:1)当n1=N时,方程组有唯一解;2)当n1>N时,方程组有无穷多个可行解;3)当n1<N时,方程组是矛盾方程组,只能得到方程组的最小二乘解。方程组的组合系数{c}具体计算过程可参见线性代数和矩阵理论等数学工具书。 屋盖结构的等效目标非常多,包括大量关键点的位移响应、杆件内力、所有支座反力,因此大多数情况下属于n1<N这一情况,常常只能得到公式(1)的最小二乘解。
C.0.3 与单个等效目标i(i=1,2,…,N)对应的脉动风效应等效静风荷载应可按下式确定:
p e,j =g r ρ ij σ j (C.0.3)
式中:p e,j ——根据目标响应i确定的j位置处的单目标等效静风荷载(kN/m 2 );
g r ——结构风效应峰值因子;
ρ ij ——i处目标响应时程与作用在j位置处脉动风荷载时程之间的相关系数;
σ j ——作用在j位置处风荷载的标准差(kN/m 2 )。
条文说明
C.0.3 本条规定了单目标等效静风荷载计算方法。 单目标等效静风荷载分析可采用的方法较多,包括阵风荷载因子法、惯性力法、适合背景分量的荷载响应相关系数法(LRC法)、三分量分析方法,以及扩展的荷载响应相关系数法,其中扩展的荷载响应相关系数法表达形式和计算过程简单,本标准推荐采用该方法。 荷载响应相关系数法(LRC法)由Kasperski和Niemann提出,利用荷载和响应之间的相关系数来确定低矮建筑实际可能发生的最不利最值风压分布,该方法主要用于确定忽略结构的动力放大作用时的等效静风荷载,也即是等效静风荷载的背景分量。根据LRC法,结构等效静风荷载背景分量可表示为:
式中:gr——峰值因子;
ρr,Fk——所关心的目标响应(风效应的背景响应)与k点风荷载之间的相关系数;
σFk——k点脉动风荷载的根方差。 随着理论研究的发展,一些学者提出将最开始广泛应用于计算等效静风荷载背景分量的荷载响应相关系数法,扩展应用于可同时用于计算等效静风荷载背景分量和共振分量(称之为扩展的荷载响应相关系数法),脉动风效应对应的等效静风荷载直接按照公式(3)计算,此时,公式(3)中用到的是脉动风响应不再是背景响应,而是同时包括了背景响应和共振响应的脉动风响应,即公式(3)中的ρr,Fk表示所关心的目标响应(包括背景响应和共振响应的脉动风效应)时程与k点风荷载之间时程的相关系数。
附录D典型屋盖围护结构的全风向风压系数最值
D.1一般规定
附录D 典型屋盖围护结构的全风向风压系数最值
条文说明
本附录按照屋盖形状分为单坡屋盖、双坡屋盖、四坡屋盖、曲面屋盖,分别给出了四类体型多种屋盖形式的风压系数最值;其中,单坡屋盖包括封闭式单跨单坡屋盖、封闭式锯齿形屋盖、开敞式单坡屋盖和悬挑式罩篷,双坡屋盖包括低矮房屋单跨双坡屋盖、多跨双坡屋盖、不等高多跨双坡屋盖、屋盖挑檐、中高层平/坡屋盖、开敞式双坡/槽形屋盖等,四坡屋盖包括单跨四坡屋盖,曲面屋盖包括球面屋盖、柱面屋盖、鞍形屋盖。 本附录围护结构风压系数最值的制订有四个依据。 其一,充分研究比较了美国规范、加拿大规范、日本规范、澳大利亚规范、英国规范和其他欧洲规范、现行国家标准《建筑结构荷载规范》GB 50009中风压系数最值的风速时距、风向折减系数、面积折减系数等问题,借鉴美国、加拿大、日本和我国规范关于双坡屋盖、单坡屋盖的有关条文及其风洞试验数据文献,制订了单坡屋盖类(除悬挑罩篷)、双坡屋盖类体型的屋盖风压系数最值或净风压系数最值。 其二,以编制组在曲面屋盖(包括球面屋盖、柱面屋盖、鞍形屋盖)和悬挑罩篷方面进行的系列风洞试验结果为基础,同时借鉴、融合了上述六部国内外规范的有关规定,制订了三类曲面屋盖和悬挑罩篷屋盖的风压系数最值。 其三,以编制组的风洞试验室对平屋盖、双坡屋盖、球面屋盖、柱面屋盖的风洞试验结果为依据,调整了球面屋盖、柱面屋盖的风压系数最值。 其四,在风压系数最值的确定方法方面,以编制组的科研人员反复验证、校核,提出了短时距风压系数时程的风压系数最值的简化计算方法,丰富了风压系数最值的估计方法。在本附录制订过程中,参考、借鉴的数据列于表2。 
本附录中的封闭式房屋单坡、双坡、四坡屋盖的围护结构风压系数最值主要借鉴了加拿大、美国规范的有关条文以及反映这些条文制订背景的多篇论文,还参考了日本、欧洲、中国标准的有关规定。在这些屋盖围护结构风压系数最值的制订过程中,主要进行了三个方面工作。 其一,进行了时距转换。加拿大规范采用小时时距,将加拿大规范中的围护结构外压系数最值乘以0.88(其中,1.067是10min时距平均风速与1h时距平均风速的比值,1/1.0672=0.88)得到10min时距的风压系数最值;美国规范采用3s时距,将美国规范中的围护结构外压系数乘以2.045[其中,1.526是3s时距平均风速与1h时距平均风速的比值,(1.526/1.067)2=2.045]得到10min时距的风压系数最值。日本、欧洲规范采用10min时距定义基本风速、基本风压,与国家标准《建筑结构荷载规范》GB 50009-2012的规定相同。 其二,考虑了风荷载的风向效应,计入了风向折减系数。根据加拿大规范风荷载条文发展历程的文献记载,围护结构风荷载已经考虑了风向折减系数0.8。在美国规范中,围护结构风荷载风向折减系数取0.85。综合时距、风向折减系数的规定,在参考加拿大规范风荷载条文时,加拿大规范中的围护结构外表面风压系数最值乘以0.88,得到本附录的参考值;在参考美国规范风荷载条文时,美国规范中的围护结构外表面风压系数最值乘以1.74(2.045×0.85=1.74),得到本附录的参考值;根据日本、欧洲和我国规范的有关条文以及国内多个风洞试验室的试验结果,对部分风压系数最值进行了调整。 其三,调整了面积折减系数。加拿大、美国规范中的绝大部分风压系数最值来源于加拿大某高校在20世纪七八十年代的风洞试验结果,当时采用了面积加权平均的风压系数测量方法,风压系数最值随从属面积的折减系数直接由风洞试验数据经分析确定。在屋盖坡度小于7°的双坡屋盖角区,10m2围护结构风压系数最值的面积折减系数小于0.4,折减系数可能过小;这些规定与国家标准《建筑结构荷载规范》GB 50009-2012的规定不同。针对类似现象,在参考加拿大、美国规范条文的过程中,本附录主要依据国家标准《建筑结构荷载规范》GB 50009-2012的面积折减规定,适当调整了面积折减系数;按国家标准《建筑结构荷载规范》GB 50009-2012的规定,将最大的折减从属面积调整为25m2,将屋盖角区的面积折减系数调整为不小于0.6,将屋盖边区的面积折减系数调整为不小于0.8。 为了校核国外规范规定在我国的适用性,编制组开展了平屋盖风压系数最值的风洞试验;风洞试验结果与本标准相关条文的规定吻合或基本吻合。在制订本标准低矮双坡屋盖围护结构风压系数最值的过程中,还参考了国内高校的风洞试验结果。 本附录球面屋盖、柱面屋盖围护结构风压系数最值规定主要借鉴了日本规范的有关条文,以及编制组开展的系列风洞试验研究结果。在标准编制过程中,编制组对条文的部分规定进行了风洞试验验证。对于柱面屋盖,由于目前尚没有充足的风洞试验数据及气象资料,还没有考虑风向折减系数。 本附录列出了鞍形屋盖、悬挑屋盖围护结构风压系数最值,分别借鉴了编制组开展的系列风洞试验研究结果。由于目前尚没有充足的风洞试验数据及气象资料,没有考虑风向折减系数。
D.1 一般规定
D.1.1 直接承受风荷载的围护结构应按从属面积1m 2 确定全风向风压系数最值C pe 。
D.2单坡屋盖
D.2 单坡屋盖
D.2.1 对于单坡屋盖房屋,当屋盖平均高度H≤20m且H/B<1、H/D<1时,屋盖围护结构的全风向风压系数最值C pe 应符合下列规定:
1 屋面坡度为0°≤θ≤3°的单坡屋盖风荷载分区应按风荷载分区图确定(图D.2.1-1),全风向风压系数最值可按表D.2.1-1(图D.2.1-2)确定。



2 屋面坡度为3°<θ≤10°的单坡屋盖风荷载分区应按风荷载分区图确定(图D.2.1-3),全风向风压系数最值可按表D.2.1-2(图D.2.1-4)确定。



3 屋面坡度为10°<θ≤30°的单坡屋盖风荷载分区应按风荷载分区图确定(图D.2.1-5),全风向风压系数最值可按表D.2.1-3(图D.2.1-6)确定。



D.2.2 对于锯齿形屋盖房屋,当屋盖平均高度H≤20m且H/B<1、H/D<1时,屋盖围护结构的全风向风压系数最值C pe 应符合下列规定:
1 屋面坡度为0°<θ≤10°的锯齿形屋盖风荷载分区应按风荷载分区图确定(图D.2.2-1),全风向风压系数最值可按表D.2.2-1(图D.2.2-2)确定。



2 屋面坡度为10°<θ≤30°的锯齿形屋盖风荷载分区应按风荷载分区图确定(图D.2.2-3),全风向风压系数最值可按表D.2.2-2(图D.2.2-4)确定。




D.2.3 对于开敞式单坡屋面,当屋盖平均高度H≤15m且H/2≤B≤30m、H/2≤D≤30m时,屋盖围护结构风荷载分区应按风荷载分区图确定(图D.2.3-1),上下表面的全风向净风压系数最值C pe 可按表D.2.3(图D.2.3-2)确定。



D.2.4 对于悬挑屋盖,当长跨比2≤B/L≤4、通风率υ=b/H 1 ≤30%、屋盖倾角0°≤θ≤15°时,悬挑屋盖围护结构的风荷载分区应按风荷载分区图确定(图D.2.4-1、图D.2.4-2),上下表面全风向净风压系数最值C pe 可按表D.2.4确定。



D.3双坡屋盖
D.3 双坡屋盖
D.3.1 对于双坡屋盖房屋,当屋盖平均高度H≤20m且H/B<1、H/D<1时,屋盖围护结构的全风向风压系数最值C pe 应符合下列规定:
1 屋面坡度0°≤θ≤7°的双坡屋盖风荷载分区应按风荷载分区图确定(图D.3.1-1),全风向风压系数最值可按表D.3.1-1(图D.3.1-2)确定。


2 屋面坡度7°<θ≤27°的双坡屋盖风荷载分应区按风荷载分区图确定(图D.3.1-3),全风向风压系数最值可按表D.3.1-2(图D.3.1-4)确定。




3 屋面坡度27°<θ≤45°的双坡屋盖风荷载分区应按风荷载分区图确定(图D.3.1-5),全风向风压系数最值可按表D.3.1-3(图D.3.1-6)确定。



D.3.2 对于多跨双坡屋盖房屋,当屋盖平均高度H≤20m且H/B<1、H/D<1时,屋盖围护结构的全风向风压系数最值C pe 应符合下列规定:
1 屋面坡度0°≤θ≤10°的屋盖风荷载分区应按风荷载分区图确定(图D.3.2-1),全风向风压系数最值可按表D.3.2-1(图D.3.2-2)确定。



2 屋面坡度10°<θ≤30°的屋盖风荷载分区应按风荷载分区图确定(图D.3.2-3),全风向风压系数最值可按表D.3.2-2(图D.3.2-4)确定。



3 屋面坡度30°<θ≤45°的屋盖风荷载分区应按风荷载分区图确定(图D.3.2-5),全风向风压系数最值可按表D.3.2-3(图D.3.2-6)确定。



D.3.3 多跨不等高房屋屋盖的围护结构的全风向风压系数最值C pe 的取值应符合下列规定:
1 屋盖A、C的围护结构全风向风压系数最小值、最大值可按本标准附录D表D.3.1-1(图D.3.1-2)取值;
2 屋盖B的围护结构全风向风压系数最小值应按本标准附录D第D.3.1条第1款分区,Ra区、Rb区、Rc区分别应按Rb区、Rc区、Rc区取值;
3 屋盖B靠近墙面的阴影部分(图D.3.3),围护结构全风向风压系数最大值应按公式(D.3.3)确定,其他区域应取+0.4。


D.3.4 对于屋盖挑檐,当屋盖平均高度H≤20m且H/B<1、H/D<1时,挑檐围护结构的全风向风压系数最值C pe 应符合下列规定:
1 屋盖挑檐上表面的全风向风压系数最值应按本标准第D.3.1条确定。
2 屋盖挑檐下表面的全风向风压系数最小值应为0.0;屋盖挑檐下表面全风向风压系数最大值应按下式确定:

3 屋面坡度0°<θ≤7°的屋盖风荷载分区应按风荷载分区图确定(图D.3.4-1),屋盖挑檐上下表面的全风向净风压系数最值可按表D.3.4-1(图D.3.4-2)确定。



4 屋面坡度7°<θ≤27°的屋盖风荷载分区应按风荷载分区图确定(图D.3.4-3),屋盖挑檐上、下表面的全风向净风压系数最值可按表D.3.4-2(图D.3.4-4)确定。



5 屋面坡度27°<θ≤45°的屋盖风荷载分区应按风荷载分区图确定(图D.3.4-5),屋盖挑檐上、下表面的全风向净风压系数最值可按表D.3.4-3(图D.3.4-6)确定。



D.3.5 对于中高层建筑,当屋面坡度0°≤θ≤10°、屋盖平均高度H>20m或者H/B≥1、H/D≥1时,屋盖围护结构的风荷载分区应按风荷载分区图确定(图D.3.5-1),全风向风压系数最值C pe 可按表D.3.5(图D.3.5-2)确定。



D.3.6 低矮房屋和中高层建筑沿屋盖周长设置女儿墙可减小屋盖角部、边区的上吸全风向风压系数最值。当屋盖周边设置高度1m以上女儿墙时,屋盖角部上吸全风向风压系数最值可按边区上吸全风向风压系数最值取值。
D.3.7 对于开敞式双坡、槽形屋盖,当屋盖平均高度H≤15m且H/2≤B≤30m、H/2≤D≤30m时,屋盖围护结构风荷载分区应按风荷载分区图确定(图D.3.7-1),上下表面的全风向净风压系数最值C pe 可按表D.3.7(图D.3.7-2)确定。



D.4四坡屋盖
D.4 四坡屋盖
D.4.1 对于四坡屋盖房屋,当屋盖平均高度H小于等于20m并且H/B小于1、H/D小于1时,屋盖围护结构的屋盖风荷载分区应按风荷载分区图确定(图D.4.1-1),全风向风压系数最值C pe 可按表D.4.1(图D.4.1-2)确定。



D.5曲面屋盖
D.5 曲面屋盖
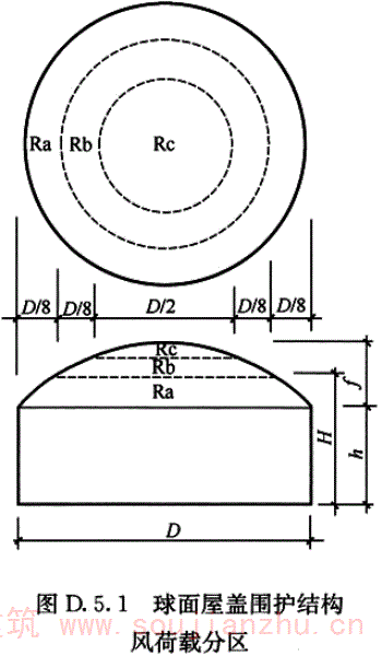
D.5.1 球面屋盖围护结构的风荷载分区应按风荷载分区图确定(图D.5.1),全风向风压系数最值C pe 可按表D.5.1-1、表D.5.1-2确定。



D.5.2 柱面屋盖围护结构的风荷载分区应按风荷载分区图确定(图D.5.2),全风向风压系数最值C pe 可按表D.5.2-1、表D.5.2-2确定。



D.5.3 鞍形屋盖围护结构的风荷载分区应按风荷载分区图确定(图D.5.3),全风向风压系数最值C pe 可按表D.5.3-1、表D.5.3-2确定。



附录E全风向风压系数最值的确定方法
附录E 全风向风压系数最值的确定方法
E.0.1 全风向风压系数最大值C pe,max 、最小值C pe,min 应分别按下列公式确定:

式中:
——第i个风向的风压系数最大值,按本标准第E.0.2条确定;
——第i个风向的风压系数最小值,按本标准第E.0.2条确定;
K——风向角数量,K大于等于24。
条文说明
E.0.1 本条规定了全风向风压系数最值与单风向风压系数最值之间的关系。
E.0.2 第i个风向风压系数最值可按下列方法之一确定:
1 当风压系数时程C p (t)时长不小于250min时,可按本标准第E.0.3条确定风压系数最大值
;
2 当风压系数时程C p (t)时长小于250min但不小于100min时,可按本标准第E.0.4条确定风压系数最大值
;
3 当风压系数时程C p (t)时长小于100min但不小于30min时,可按本标准第E.0.5条确定风压系数最大值
;
4 可选择其他稳定、可靠的最值分析方法确定风压系数最大值
。
条文说明
E.0.2 根据风压系数样本的数量和持续时间,本条规定了风压系数最值的不同估计方法。 通常,假定风压系数最值服从极值Ⅰ型分布,即:
其平均值为b+0.5772a,平均值的概率为57%;最值出现次数最多的众数为b,众数的概率为37%。当采用单一样本时程的最值作为其估计值时,最值的概率是37%的可能性最大,此时低估最值的可能性大。因此,应采用多个样本估计风压系数最值。由于最值的离散性大,在风洞试验中实测风压系数样本数目越多,得到的最值估计值可能越准确、精确(图1)。 
E.0.3 当足尺结构风压系数时程C p (t)时长不小于250min时,应将风压系数时程C p (t)等分为时长为10min的N(N≥25)个样本,取每个时程样本的最大值、最小值分别组成序列
;可分别按下列公式确定:

条文说明
E.0.3 本条规定超过25个足尺结构10min风压系数时程样本时,可直接计算风压系数最大值、最小值的平均值作为单风向风压系数最值。
E.0.4 当足尺结构风压系数时程C p (t)时长小于250min但不小于100min时,应将风压系数时程C p (t)等分为时长为10min的N(10≤N≤24)个样本,取每个时程样本的最大值、最小值分别组成升序序列
可分别按下列公式确定:

式中:a j 、b j ——加权系数,按表E.0.4确定。
条文说明
E.0.4 本条采用最好线性无偏估计计算单风向风压系数最值。
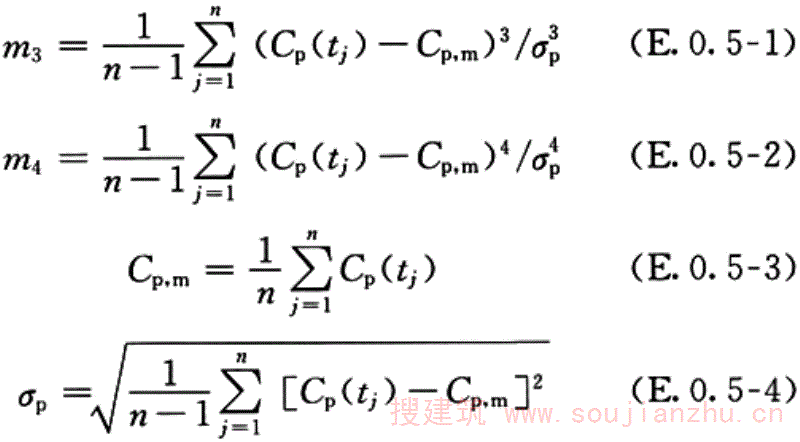
E.0.5 当足尺结构风压系数时程C p (t)时长小于100min但不小于30min时,风压系数时程C p (t)的三阶中心矩m 3 和四阶中心矩m 4 ,可按下列公式计算:

式中:C pm ——风压时程的平均值,按式(E.0.5-3)计算;
σ p ——风压时程的标准差,按式(E.0.5-4)计算;
n——风压系数时程C p (t)的步数。


E.0.6 第i个风向风压系数最大值
可分别按下列规定确定:
1 当三阶中心矩m 3 不小于0且四阶中心矩m 4 不小于3时,可按下列公式确定:

式中:h 4 、h 3 、k——根据风压系数时程的三阶中心矩m 3 、四阶中心矩m 4 确定的系数。
2 当三阶中心矩m 3 小于0且四阶中心矩m 4 不小于3时,可按下式确定:

3 当四阶中心矩m 4 小于3时,可按下式确定:

条文说明
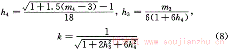
E.0.6 本条根据Hermite矩模型变换公式,进行了适当的简化、修正,用于预测风压系数最值。 在建筑物迎风墙面,利用时程的前四阶矩,Hermite矩模型变换建立了非正态分布时程与正态分布时程之间的一一对应关系,由此可得到正态分布峰值因子(本标准取3.5)与非正态分布峰值因子之间的变换关系。
1)峰态系数大于3.0 利用Hermite矩模型理论,风压系数最值的变换公式如下:
式中:k、h3
、h 4 ——矩模型的变换系数;
C pe ——非正态风压时程的风压系数最值;
C p,m 、σ p ——非正态风压时程的平均风压系数和标准差风压系数;
g——正态风压时程的峰值因子,本标准取3.5。
将正态风压时程的峰值因子g=±3.5代入公式(5),得到风压系数最大值、最小值为:

变换系数k、h 3 、h 4 的取值采用简化公式:

式中:m 3 、m 4 ——风压时程的第三、四阶中心矩。
但是,简化公式高估了h 3 、h 4 ,从而高估了最值。采用风洞试验数据对公式(6)、公式(7)中h 3 、h 4 的系数进行拟合分析,得到以下结论:
①当风压系数时程C p (t)的三阶中心矩m 3 <0并且四阶中心矩m 4 ≥3.0时,按下式计算风压系数最值:

②当风压系数时程C p (t)的三阶中心矩m 3 ≥0并且四阶中心矩m 4 ≥3.0时,按下式计算风压系数最值:

2)当峰态系数小于3.0时,不再考虑非高斯特性,按下式计算:

附录F围护结构风荷载的风向折减系数
附录F 围护结构风荷载的风向折减系数
条文说明
本附录规定的围护构件风荷载风向折减系数适用于季风地区的案例分析。根据长期、可靠的气象资料和风洞试验结果,相关科研人员可采用本附录的方法确定建筑物围护构件的风荷载风向折减系数。
F.0.1 围护结构风荷载的风向折减系数γ d 可按下式确定:

式中:V eq ——等效风速,按本标准第F.0.2条确定。
F.0.2 等效风速V eq 可按下列公式计算:

式中: V eq ——等效风速的平均值(m/s);
σ eq ——等效风速的标准差(m/s);
R——风速重现期,R≥10;
V i,eq ——第i年等效风速(m/s),按本标准第F.0.3条确定;
m——年数,应不小于20。
F.0.3 第i年等效风速V i,eq 可按下式计算:

式中:Q i ——第i年各风向区间外表面风压标准值中的最大值,各风向区间的外表面风压标准值按本标准第F.0.4条计算;
C pe ——全风向风压系数最值,按本标准附录E确定。
F.0.4 第i年、第j个风向区间的外表面风压标准值可按下式计算:

式中:C pe,j ——第j个风向区间的风压系数最值,其值按本标准附录E的方法确定;
V i,j ——第i年、第j个风向区间的10m高度、10min平均风速的年最大值。
本标准用词说明
本标准用词说明
1 为便于在执行本标准条文时区别对待,对要求严格程度不同的用词说明如下:
1)表示很严格,非这样做不可的:
正面词采用“必须”,反面词采用“严禁”;
2)表示严格,在正常情况下均应这样做的:
正面词采用“应”,反面词采用“不应”或“不得”;
3)表示允许稍有选择,在条件许可时首先应这样做的:
正面词采用“宜”,反面词采用“不宜”;
4)表示有选择,在一定条件下可以这样做的,采用“可”。
2 条文中指明应按其他有关标准执行的写法为:“应符合……的规定”或“应按……执行”。
引用标准名录
引用标准名录
1 《建筑结构荷载规范》GB 50009
2 《建筑工程风洞试验方法标准》JGJ/T 338
