Appearance
《建筑模数协调标准》GB/T 50002-2013
🗓️ 住房和城乡建设部 实施时间:2014-03-01
前言
中华人民共和国国家标准
建筑模数协调标准
Standard for modular coordination of building
GB/T 50002-2013
主编部门:中华人民共和国住房和城乡建设部
批准部门:中华人民共和国住房和城乡建设部
施行日期:2014年3月1日
中华人民共和国住房和城乡建设部公告
第114号
住房城乡建设部关于发布国家标准《建筑模数协调标准》的公告
现批准《建筑模数协调标准》为国家标准,编号为GB/T 50002-2013,自2014年3月1日起实施。原《建筑模数协调统一标准》GBJ 2-86和《住宅建筑模数协调标准》GB/T 50100-2001同时废止。
本标准由我部标准定额研究所组织中国建筑工业出版社出版发行。
中华人民共和国住房和城乡建设部
2013年8月8日
前 言
本标准是根据住房和城乡建设部《关于印发<2009年工程建设标准规范制订、修订计划>的通知》(建标[2009]88号)的要求,由中国建筑标准设计研究院和中国建筑设计研究院会同有关单位在原《建筑模数协调统一标准》GBJ 2-86和《住宅建筑模数协调标准》GB/T 50100-2001的基础上共同修订而成的。
本标准在编制过程中,编制组经过广泛调查研究,认真总结实践经验,参考有关国际标准和国外先进标准,并在广泛征求意见的基础上,最后经审查定稿。
本标准共分5章,主要技术内容包括:总则、术语、模数、模数协调原则、模数协调应用等。
本次修订的主要技术内容是:1.整合了《建筑模数协调统一标准》GBJ 2-86、《住宅建筑模数协调标准》GB/T 50100-2001的章节结构;2.强调基本模数,取消了模数数列表,淡化3M概念;3.强调模数网格与模数协调应用;4.简化文字表述。
本标准由住房和城乡建设部负责管理,由中国建筑标准设计研究院负责具体技术内容的解释。执行过程中如有意见和建议,请寄送中国建筑标准设计研究院(北京市海淀区首体南路9号主语国际2号楼,邮政编码100048)。
本标准主编单位:中国建筑标准设计研究院
中国建筑设计研究院
本标准参编单位:北京梁开建筑设计事务所
同济大学
东南大学
住房和城乡建设部住宅产业化促进中心
中南建筑设计股份有限公司
本标准主要起草人员:林琳 仲继寿 开彦 周晓红 张宏 淳庆 樊航 彭明英 宫文勇 李晓明 叶明 林莉
本标准主要审查人员:费麟 徐正忠 寇九贵 蒋勤俭 孙定秩 吴文 罗赤宇 贺刚 王凤来 金英
1 总则
1 总 则
1.0.1 为推进房屋建筑工业化,实现建筑或部件的尺寸和安装位置的模数协调,制定本标准。
1.0.2 本标准适用于一般民用与工业建筑的新建、改建和扩建工程的设计、部件生产、施工安装的模数协调。
1.0.3 模数协调应实现下列目标:
1 实现建筑的设计、制造、施工安装等活动的互相协调;
2 能对建筑各部位尺寸进行分割,并确定各部件的尺寸和边界条件;
3 优选某种类型的标准化方式,使得标准化部件的种类最优;
4 有利于部件的互换性;
5 有利于建筑部件的定位和安装,协调建筑部件与功能空间之间的尺寸关系。
1.0.4 模数协调标准可在一个或若干个功能部位先期运用,先期运用部位应留出后期安装的模数化空间,后期应用部位应服从先期应用部位的边界条件。
1.0.5 建筑模数协调设计除应符合本标准外,尚应符合国家现行有关标准的规定。
2 术语
2 术 语
2.0.1 模数 module
选定的尺寸单位,作为尺度协调中的增值单位。
2.0.2 基本模数 basic module
模数协调中的基本尺寸单位,用M表示。
2.0.3 扩大模数 multi-module
基本模数的整数倍数。
2.0.4 分模数 infra-modular size
基本模数的分数值,一般为整数分数。
2.0.5 定位线 location line
用来确定建筑部件的安装位置及其标志尺寸的线。
2.0.6 模数协调 modular coordination
应用模数实现尺寸协调及安装位置的方法和过程。
2.0.7 部件 element
建筑功能的组成单元,由建筑材料或分部件构成。在一个及以上方向的协调尺寸符合模数的部件称为模数部件。
2.0.8 分部件 component
作为一个独立单位的建筑制品,是部件的组成单元,在长、宽、高三个方向有规定尺寸。在一个及以上方向的协调尺寸符合模数的分部件称为模数分部件。
2.0.9 基准面 datum plane
部件或分部件按模数要求设立的参照面(系),包括为安装和建造的需要而设立的面。
2.0.10 安装基准面 erection datum plane
为部件或分部件的安装而设立的基准面。
2.0.11 辅助基准面 sub-datum plane
在基准面之间根据需要设置的其他基准面。
2.0.12 基准线 datum line
两个以上基准面的交线或其投影线。
2.0.13 调整面 coordination face
为使部件或分部件相互关联而设立的并可在位形上做调整的面。
2.0.14 模数数列 modular array
以基本模数、扩大模数、分模数为基础,扩展成的一系列尺寸。
2.0.15 模数网格 modular grid
用于部件定位的,由正交或斜交的平行基准线(面)构成的平面或空间网格,且基准线(面)之间的距离符合模数协调要求。
2.0.16 网格中断区 zone of grid
模数网格平面之间的一个间隔。网格中断区可以是模数的,也可以是非模数的。
2.0.17 模数空间 modular space
在一个及以上方向的协调尺寸符合模数的空间。
2.0.18 优先尺寸 preferred size
从模数数列中事先排选出的模数或扩大模数尺寸。
2.0.19 公差 tolerance
部件或分部件在制作、放线或安装时的允许偏差的数值。
2.0.20 制作公差 manufacturing tolerance
部件或分部件在生产制作时,与制作尺寸之间的允许偏差。
2.0.21 安装公差 erection tolerance
部件或分部件安装时,基准面或基准线之间的允许偏差。
2.0.22 位形公差 performance tolerance
在力学、物理、化学等作用下,部件或分部件所产生的位移和变形的允许偏差。
2.0.23 连接空间 joint space
安装时,为保证与相邻部件或分部件之间的连接所需要的最小空间,也称空隙。
2.0.24 装配空间 assembly space
定位时,部件或分部件的实际制作面与安装基准面之间产生的自由空间。
2.0.25 模数层高 modular storey height
连续两层楼板的模数定位基准面之间的垂直尺寸。
2.0.26 模数室内净高 modular room height
一个层高内,楼面模数定位基准面与装修后顶棚模数定位基准面之间的垂直尺寸。
2.0.27 模数楼盖厚度 modular floor height
楼盖的楼面模数定位基准面与该楼板下顶棚模数定位基准面之间的垂直尺寸。
2.0.28 标志尺寸 coordinating size
符合模数数列的规定,用以标注建筑物定位线或基准面之间的垂直距离以及建筑部件、建筑分部件、有关设备安装基准面之间的尺寸。
2.0.29 制作尺寸 manufacturing size
制作部件或分部件所依据的设计尺寸。
2.0.30 实际尺寸 actual size
部件、分部件等生产制作后的实际测得的尺寸。
2.0.31 技术尺寸 technical size
模数尺寸条件下,非模数尺寸或生产过程中出现误差时所需的技术处理尺寸。
3 模数
3.1 基本模数、导出模数
3 模 数
3.1 基本模数、导出模数
3.1.1 基本模数的数值应为100mm(1M等于100mm)。整个建筑物和建筑物的一部分以及建筑部件的模数化尺寸,应是基本模数的倍数。
3.1.2 导出模数应分为扩大模数和分模数,其基数应符合下列规定:
1 扩大模数基数应为2M、3M、6M、9M、12M……;
2 分模数基数应为M/10、M/5、M/2。
3.2 模数数列
3.2 模数数列
3.2.1 模数数列应根据功能性和经济性原则确定。
3.2.2 建筑物的开间或柱距,进深或跨度,梁、板、隔墙和门窗洞口宽度等分部件的截面尺寸宜采用水平基本模数和水平扩大模数数列,且水平扩大模数数列宜采用2nM、3nM(n为自然数)。
3.2.3 建筑物的高度、层高和门窗洞口高度等宜采用竖向基本模数和竖向扩大模数数列,且竖向扩大模数数列宜采用nM。
3.2.4 构造节点和分部件的接口尺寸等宜采用分模数数列,且分模数数列宜采用M/10、M/5、M/2。
4 模数协调原则
4.1 模数网格
4 模数协调原则
4.1 模数网格
4.1.1 模数网格可由正交、斜交或弧线的网格基准线(面)构成,连续基准线(面)之间的距离应符合模数(图4.1.1-1),不同方向连续基准线(面)之间的距离可采用非等距的模数数列(图4.1.1-2)。

图4.1.1-1 模数网格的类型

图4.1.1-2 模数数列非等距的模数网格
4.1.2 相邻网格基准面(线)之间的距离可采用基本模数、扩大模数或分模数,对应的模数网格分别称为基本模数网格、扩大模数网格和分模数网格(图4.1.2)。

图4.1.2 采用不同模数的模数网格
4.1.3 对于模数网格在三维坐标空间中构成的模数空间网格,其不同方向上的模数网格可采用不同的模数(图4.1.3)。

图4.1.3 模数空间网格
4.1.4 模数网格可采用单线网格,也可采用双线网格(图4.1.4)。

图4.1.4 单线模数网格和双线模数网格
4.1.5 模数网格的选用应符合下列规定:
1 结构网格宜采用扩大模数网格,且优先尺寸应为2nM、3nM模数系列;
2 装修网格宜采用基本模数网格或分模数网格。隔墙、固定橱柜、设备、管井等部件宜采用基本模数网格,构造做法、接口、填充件等分部件宜采用分模数网格。分模数的优先尺寸应为M/2、M/5。
4.2 部件定位
4.2 部件定位
4.2.1 部件的定位应符合下列规定:
1 每一个部件的位置都应位于模数网格内;
2 部件占用的模数空间尺寸应包括部件尺寸、部件公差,以及技术尺寸所必需的空间(图4.2.1)。

图4.2.1 部件占用的模数空间
e 1 、e 2 、e 3 —部件尺寸(可为模数尺寸或非模数尺寸);n 1 M、n 2 M—模数占用空间
4.2.2 部件定位可采用中心线定位法、界面定位法,或者中心线与界面定位法混合使用的方法(图4.2.2-1、图4.2.2-2)。定位方法的选择应符合下列规定:
1 应符合部件受力合理、生产简便、优化尺寸和减少部件种类的需要,满足部件的互换、位置可变的要求;
2 应优先保证部件安装空间符合模数,或满足一个及以上部件间净空尺寸符合模数。

图4.2.2-1 采用中心线定位法的模数基准面
1—外墙;2—柱、墙等部件

图4.2.2-2 采用界面定位法的模数基准面
1—外墙;2—柱、墙等部件
4.2.3 确定部件的基准面应符合下列规定:
1 两个以上的基准面宜相互平行或者正交,斜交时应标出基准面之间夹角的大小;
2 两个基准面之间的距离应符合模数要求,同一功能部位部件基准面的确定方法应统一(图4.2.3-1);

图4.2.3-1 同一功能部位部件基准面的确定
1—基准面;2—调整面
3 相互关联的部件应根据与部件基准面的相对位置关系设置部件的调整面(图4.2.3-2)。

图4.2.3-2 部件的基准面与调整面
1—基准面;2—调整面;3—装配空间;4—基准面与调整面存在装配空间;
5—基准面与调整面一致;6—调整面超过基准面
4.2.4 部件的安装应根据设立的安装基准面进行。安装基准面的确定应符合下列规定:
1 多个安装基准面(线)平行排列时,应以其中一个安装基准面(线)为初始基准面(线),其他安装基准面(线)应按与初始基准面(线)的相对距离确定自身所在位置(图4.2.4-1);

图4.2.4-1 多个安装基准面的定位
X 0 、Y 0 —安装基准面的初始基准面
2 两个安装基准面之间可根据需要插入辅助基准面。辅助基准面应在安装基准面确定后设立(图4.2.4-2)。

图4.2.4-2 辅助安装基准面的设立
X 1-1 、X 1-2 —辅助安装基准面;X 1 、X 2 —基准面
4.3 优先尺寸
4.3 优先尺寸
4.3.1 部件的尺寸在设计、加工和安装过程中的关系应符合下列规定(图4.3.1):
1 部件的标志尺寸应根据部件安装的互换性确定,并应采用优先尺寸系列;
2 部件的制作尺寸应由标志尺寸和安装公差决定;
3 部件的实际尺寸与制作尺寸之间应满足制作公差的要求。

图4.3.1 部件的尺寸
1—部件;2—基准面;3—装配空间
4.3.2 部件优先尺寸的确定应符合下列规定:
1 部件的优先尺寸应由部件中通用性强的尺寸系列确定,并应指定其中若干尺寸作为优先尺寸系列;
2 部件基准面之间的尺寸应选用优先尺寸;
3 优先尺寸可分解和组合,分解或组合后的尺寸可作为优先尺寸;
4 承重墙和外围护墙厚度的优先尺寸系列宜根据1M的倍数及其与M/2的组合确定,宜为150mm、200mm、250mm、300mm;
5 内隔墙和管道井墙厚度优先尺寸系列宜根据分模数或1M与分模数的组合确定,宜为50mm、100mm、150mm;
6 层高和室内净高的优先尺寸系列宜为nM;
7 柱、梁截面的优先尺寸系列宜根据1M的倍数与M/2的组合确定;
8 门窗洞口水平、垂直方向定位的优先尺寸系列宜为nM。
4.4 模数网格协调
4.4 模数网格协调
4.4.1 部件在模数网格中的定位应符合下列规定:
1 部件在单线网格中的定位应采用中心线定位法(图4.4.1-1)或界面定位法(图4.4.1-2);

图4.4.1-1 单线网格中的中心线定位法

图4.4.1-2 单线网格中的界面定位法
2 部件在双线网格中的定位应采用界面定位法(图4.4.1-3);

图4.4.1-3 双线网格中的界面定位法
3 部件在双线网格和单线网格混合使用的模数网格中的定位,可采用中心线定位法或界面定位法,或同时使用两种定位方法(图4.4.1-4、图4.4.1-5)。

图4.4.1-4 单线和双线网格混合使用中的界面定位法

图4.4.1-5 单线和双线网格混合使用时的中心线与界面定位法
1—结构墙;2—中断区
4.4.2 部件与模数网格或模数网格之间的调整宜符合下列规定:
1 部件与模数网格间的关系协调可从中心定位面开始,也可从界面定位面开始。单线网格的调整宜从部件的中心位置开始,双线网格宜从部件的面开始;
2 在同一建筑中,可采用多个模数网格,各模数网格间可重叠、交叉、中断,且相互可不平行,原点可相互独立;
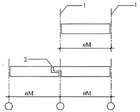
3 模数网格间可用中断区调整两个或两个以上模数网格之间的关系,网格中断区可是模数的,也可是非模数的(图4.4.2-1、图4.4.2-2)。

图4.4.2-1 模数网格中断区
1—分隔部件;2—中断区;3—模数网格

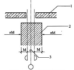
图4.4.2-2 模数网格中断区
1—水平部件;2—垂直部件(承重支点);3—非模数间隔中断区
4.4.3 部件所占空间的模数协调应按下列规定进行处理:
1 需要装配并填满模数部件的空间,应优先保证为模数空间;
2 不需要填满或不严格要求填满模数部件的空间,可以是非模数空间;
3 当模数部件用于填满非模数空间时,应采用技术尺寸空间处理。
4.4.4 部件安装后剩余空间的模数协调应按下列规定进行处理:
1 部件根据安装基准面定位时,应优先保证剩余空间为模数空间;
2 在模数空间中,上道工序部件的安装应为下道工序留出模数空间,下道工序安装部件的标志尺寸应符合模数空间的要求(图4.4.4)。

图4.4.4 部件所占空间的模数协调
1—结构柱;2—墙板;e、e′—模数中断区
4.5 公差与配合
4.5 公差与配合
4.5.1 基本公差应符合下列规定:
1 部件或分部件的加工或装配应符合基本公差的规定。基本公差应包括制作公差、安装公差、位形公差和连接公差;
2 部件和分部件的基本公差应按其重要性和尺寸大小进行确定,并宜符合表4.5.1规定;
表4.5.1 部件和分部件的基本公差(mm)

3 部件和分部件的基本公差,应按国家现行有关标准确定。
4.5.2 公差与配合应符合下列规定:
1 部件的安装位置与基准面之间的距离(d),应满足公差与配合的状况,且应大于或等于连接空间尺寸,并应小于或等于制作公差(t m )、安装公差(t e )、位形公差(t s )和连接公差(e s )的总和,且连接公差(e s )的最小尺寸可为0(图4.5.2)。
2 公差应根据功能部位、材料、加工等因素选定。在精度范围内,宜选用大的基本公差。

图4.5.2 部件安装的公差与配合
1—部件的最小尺寸;2—部件的最大尺寸;3—安装位置;4—基准面
5 模数协调应用
5.1 一般规定
5 模数协调应用
5.1 一般规定
5.1.1 模数协调应利用模数数列调整建筑与部件或分部件的尺寸关系,减少种类,优化部件或分部件的尺寸。
5.1.2 部件与安装基准面关联到一起时,应利用模数协调明确各部件或分部件的位置,使设计、加工及安装等各个环节的配合简单、明确,达到高效率和经济性。
5.1.3 主体结构部件和内装、外装部件的定位可通过设置模数网格来控制,并应通过部件安装接口要求进行主体结构、内装、外装部件和分部件的安装。
5.2 模数网格的设置
5.2 模数网格的设置
5.2.1 以基准面定位的主体结构时,其内部空间可采用模数装修网格表示。
5.2.2 当主体结构尺寸和模数装修网格不一致时,装修网格可被分隔为若干空间。模数结构网格和模数装修网格、不同尺寸模数网格宜适当叠加设置(图5.2.2)。

图5.2.2 建筑定位轴线和模数网格的叠加
1—结构柱部件
5.3 主体结构部件的定位
5.3 主体结构部件的定位
5.3.1 对于主体结构部件的定位,宜采用中心线定位法或界面定位法。对于柱、梁、承重墙的定位,宜采用中心线定位法。对于楼板及屋面板的定位,宜采用界面定位法(图5.3.1)。

图5.3.1 主体结构的定位
a—中心定位法;b—界面定位法
5.3.2 当主体结构部件的定位安装和内装部件的定位安装要求同时满足基准面定位时,主体结构墙体部件的安装厚度宜符合模数尺寸,中心线定位和界面定位可叠加为同一模数网格(图5.3.2)。

图5.3.2 中心线定位法与界面定位法的叠加
e—网格中断区
5.3.3 在主体结构部件采用基准面进行定位时,应计算内装部件中基层和面层厚度,并宜采用技术尺寸进行处理(图5.3.3)。

图5.3.3 应用技术尺寸处理结构部件厚度
5.3.4 建筑沿高度方向的部件或分部件定位应根据不同条件确定基准面并符合以下规定(图5.3.4):
1 建筑层高和室内净高宜满足模数层高和模数室内净高的要求。
2 楼层的基准面可定位在结构面上,也可定位在楼面装修完成面或顶棚表面上,应根据部件安装的工艺、顺序和功能要求确定基准面。
3 模数楼盖厚度应包括楼面和顶棚两个对应的基准面之间。当楼板厚度的非模数因素不能占满模数空间时,余下的空间宜作为技术尺寸占用空。

图5.3.4 模数层高、模数室内高度、模数楼盖厚度
1—楼面模数定位基准面;2—顶棚模数定位基准面
5.4 内装部件的定位
5.4 内装部件的定位
5.4.1 内部空间隔墙部件的安装,可采用中心线定位法和界面定位法。当要求多个部件汇集安装到一条线上时,应采用界面定位法(图5.4.1)。

图5.4.1 多个部件按界面定位法汇集安装
1—墙;2—结构柱;3—装饰墙板
5.4.2 对于板材、块材、卷材等装修面层的安装,当内装修面层所在一侧要求模数空间时,应采用界面定位法。装修面层的安装面材应避免剪裁加工,必要时可利用技术尺寸进行处理。
5.4.3 内装部件的尺寸的设计、加工应满足模数网格安装的要求。
5.5 外装部件的定位
5.5 外装部件的定位
5.5.1 外装部件的定位方法宜采用界面定位法。
5.5.2 外装部件的尺寸宜满足模数网格安装的要求。
5.6 安装接口
5.6 安装接口
5.6.1 部件的制作尺寸应符合下列规定:
1 应设定安装基准面,并应根据安装基准面确定部件的标志尺寸,以及制作尺寸、制作公差和安装公差;
2 部件的实际尺寸宜小于制作尺寸;制作公差应控制在规定的公差范围之内,设计时应预先计算制作公差值(图5.6.1)。

图5.6.1 实际制作尺寸与设计图中尺寸
5.6.2 部件安装不得侵犯指定领域的部件基准面。两个或两个以上部件安装时,下道工序的安装基准面应以上道工序的安装基准面或调整面为准(图5.6.2)。

图5.6.2 部件领域的不侵犯性
1—部件;2—基准面;3—制作面与基准面一致;4—制作面从基准面后退一个制作公差的尺寸;
5—部件的一部分侵犯基准面,突出到基准面的外部;6—部件侵犯指定领域的部件基准面
5.6.3 当部件的一部分凸出到基准面外部进行接口安装时,其基准面或调整面的位置应后退,并应保持相当于制作公差的尺寸(图5.6.3)。

图5.6.3 部件领域的凸出部分
5.6.4 后施工的部件应负责填补连接空间(空隙)。先施工的部件不得侵犯后施工部件的领域,施工完成面不得越过基准面(图5.6.4)。

图5.6.4 连接空间与严密安装
a、b、c—采用接口构造调整;d—采用填充体调整
5.6.5 大而重且不易加工的部件应先施工,没有安装公差或安装公差小的部件应先施工。
本标准用词说明
本标准用词说明
1 为便于在执行本标准条文时区别对待,对要求严格程度不同的用词说明如下:
1)表示很严格,非这样做不可的:
正面词采用“必须”,反面词采用“严禁”;
2)表示严格,在正常情况下均应这样做的:
正面词采用“应”,反面词采用“不应”或“不得”;
3)表示允许稍有选择,在条件许可时首先应这样做的:
正面词采用“宜”,反面词采用“不宜”;
4)表示有选择,在一定条件下可以这样做的,采用“可”。
2 条文中指明应按其他有关标准执行的写法为:“应符合……的规定”或“应按……执行”。
