Appearance
《2007全国民用建筑工程设计技术措施》节能专篇
🗓️ 实施时间: 2007-01-01
总则
1 总则
1.0.1 为贯彻落实国家建筑节能政策,积极推广建筑节能技术,提高民用建筑的建筑节能设计水平,加快既有建筑节能改造,合理选用建筑节能技术,保证设计质量,制定本专篇。
1.0.2 本专篇为现行国家、行业有关建筑节能设计标准、规范的要点和补充;为推广节能技术,合理设计建筑围护结构的热工性能,结合各地实践经验,针对民用建筑中建筑节能共性问题所编制的全国性技术措施。
1.0.3 本专篇编制以推广建筑节能新技术、新工艺、新材料、新产品为原则,贯彻节约资源、提高能源利用效率,保证建筑物使用功能和改善建筑室内热环境质量。
1.0.4 本专篇适用于全国新建、扩建和改建的民用建筑工程,以及既有建筑节能改造和在建筑中利用太阳能的建筑工程。
1.0.5 采用本专篇时应因地制宜。由于各地区气候条件、技术做法、经济发展水平等差异,可根据当地自然条件、地理位置、传统做法,因地制宜,采用合理技术,制定适合于本地区的建筑节能技术措施,但必须符合国家标准、规范的规定,并报请当地主管部门批准。
基本要求
2.1 建筑热工设计气候分区及建筑节能设计要点
2.1 建筑热工设计气候分区及建筑节能设计要点
2.1.1 居住建筑节能设计气候分区。
居住建筑节能设计气候分区为:严寒地区(分A、B、C三个区)、寒冷地区(分A、B两个区)、夏热冬冷地区、夏热冬暖地区(分南、北两个区)、温和地区(分A.B两个区)。居住建筑主要城市所处气候分区见表2.1.1。
表2.1.1 居住建筑主要城市所处城市气候分区

2.1.2 公共建筑节能设计气候分区。
公共建筑节能设计气候分区为:严寒地区A区、严寒地区B区、寒冷地区、夏热冬冷地区、夏热冬暖地区。公共建筑主要城市所处的气候分区见表2.1.2。
表2.1.2 公共建筑主要城市所处气候分区

**注:本表摘自《公共建筑节能设计标准》GB 50189-2005。
2.1.3 建筑热工设计应与地区气候相适应。
1.严寒地区:必须充分满足冬季保温要求,一般可不考虑夏季防热。
2.寒冷地区:应满足冬季保温要求,部分地区兼顾夏季防热。
3.夏热冬冷地区:必须满足夏季防热要求,适当兼顾冬季保温。
4.夏热冬暖地区(北区):必须充分满足夏季防热要求,同时兼顾冬季保温;(南区):必须充分满足夏季防热要求,可不考虑冬季保温。
5.温和地区:部分地区应考虑冬季保温,一般可不考虑夏季防热。**
2.2 建筑总体布局
2.2 建筑总体布局
2.2.1 总体布局原则。
建筑总平面的布置和设计,宜充分利用冬季日照并避开冬季主导风向,利用夏季凉爽时段的自然通风。建筑的主要朝向宜选择本地区最佳朝向,一般宜采用南北向或接近南北向,主要房间避免夏季受东、西向日晒。
2.2.2 选址。
建筑的选址要综合考虑整体的生态环境因素,充分利用现有城市资源,符合可持续发展的原则。
2.2.3 外部环境设计。
在建筑设计中,应对建筑自身所处的具体的环境加以充分利用和改善,以创造能充分满足人们舒适条件的室内外环境。如在建筑周围种植树木、植被,可有效阻档风沙,净化空气,同时起到遮阳、降噪的效果。有条件的地区,可在建筑附近设置水面,利用水面平衡环境温度、湿度、防风沙及收集雨水。也可通过垂直绿化、屋面绿化、渗水地面等,改善环境温湿度,提高建筑物的室内热舒适度。
2.2.4 规划和体形设计。
在建筑设计中,应对建筑的体形以及建筑群体组合进行合理地设计,以适应不同的气候环境。如在沿海湿热地区,为有效改善自然通风,规划布局上可利用建筑的向阳面和背阴面形成风压差,使建筑单体得到一定的穿堂风。建筑高度、宽度的差异可产生不同的风影效应,所以应合理确定建筑单体体量,防止出现不良风环境。
2.2.5 日照环境设计。
1.建筑物的朝向、间距会对建筑物内部采光、得热产生很大的影响,所以应合理确定建筑物的日照间距及朝向。建筑的日照标准应满足相应规范的要求。
2.居住建筑应充分利用外部环境提供的日照条件,其间距应以满足冬季日照标准为基础,综合考虑采光、通风、消防、视觉等要求。
住宅日照标准应符合表2.2.5的规定。旧区改造项目内新建住宅的日照标准可酌情降低,但不应低于大寒日日照1h的标准。
3.根据《民用建筑设计通则》GB 50352-2005规定:
每套住宅至少应有一个居室空间能获得冬季日照;
宿舍半数以上的居室,应获得同住宅居住空间相等的日照标准;
托儿所、幼儿园的主要生活用房,应能获得冬至日不小于3h的日照标准;
老年人住宅、残疾人住宅的卧室、起居室,医院、疗养院半数以上的病房和疗养室,中小学半数以上的教室应能获得冬至日不小于2h的日照标准。
**表2.2.5 住宅建筑日照标准
**

注:1.本表中的气候分区与全国建筑热工设计分区的关系见《民用建筑设计通则》GB 50352-2005表3.3.1。
2.本表摘自《城市居住区规划设计规范》GB 50180-93(2002年版)。
2.3 建筑单体节能设计要点
2.3 建筑单体节能设计要点
2.3.1 建筑单体体形设计要求。
1.建筑单体的体形设计应适应不同地区的气候条件。严寒、寒冷气候区的建筑宜采用紧凑的体形,缩小体形系数,从而减少热损失。干热地区建筑的体形宜采用紧凑或有院落、天井的平面,易于封闭、减少通风,减少极端温度时热空气进入。湿热地区建筑的体形宜主面长、进深小,以利于通风与自然采光。
2.严寒、寒冷地区公共建筑的体形系数应小于或等于0.40。当不能满足规定时,必须按相应的标准进行围护结构热工性能的权衡判断。
3.严寒地区居住建筑的体形系数,3层或3层以下的建筑,应不大于0.55;4~6层的建筑,应不大于0.30;7~9层的建筑,应不大于0.26;10层以上的建筑,应不大于0.24。
4.寒冷地区居住建筑的体形系数,3层或3层以下的建筑,应不大于0.55;4~6层的建筑,应不大于0.35;7~9层的建筑,应不大于0.30;10层以上的建筑,应不大于0.26。
5.夏热冬冷地区:条式建筑的体形系数应不大于0.35,点式建筑的体形系数应不大于0.40。
6.夏热冬暖地区北区:单元式、通廊式住宅的体形系数不宜大于0.35,塔式住宅的体形系数不宜大于0.40。
7.居住建筑的体形系数不满足要求时,则应进行围护结构的综合判断。严寒、寒冷地区应调整外墙和屋顶等围护结构的传热系数,使建筑物的耗热量指标达到规定的要求;夏热冬冷地区,建筑的采暖年耗电量和空调年耗电量之和不应超过标准规定的限值;夏热冬暖地区,建筑的空调采暖年耗电指数(或耗电量)不应超过参照建筑的空调采暖年耗电指数(或耗电量)。
2.3.2 建筑单体空间设计要求。
建筑单体空间设计,在充分满足建筑功能要求的前提下,应对建筑空间进行合理分隔(包括平面分隔与竖向分隔),以改善室内通风、采光、热环境等。如在北方寒冷地区的住宅设计中,可将厨房、餐厅等辅助房间布置在北侧,形成北侧寒冷空气的缓冲区,以保证主要居室的舒适温度。
2.3.3 外门窗(包括透明幕墙)、遮阳的基本要求。
1.建筑设计中应对外门窗(包括透明幕墙,下同)、遮阳进行合理设计,以调节建筑室内的通风、采光等,改善建筑室内环境的舒适度。设计中应采用气密性良好的外门窗,气密性等级要求见本专篇第6章。
2.公共建筑外门窗、遮阳设计:
建筑每个朝向的窗墙面积比均不应大于0.70。当窗墙面积比小于0.40时,玻璃(或其他透明材料)的可见光透射比不应小于0.4。当不能满足此规定时,必须按相应的标准进行权衡判断;
外窗的可开启面积不应小于窗面积的30%;透明幕墙应具有开启部分或设有通风换气装置;
屋顶透明部分的面积不应大于屋顶总面积的20%,当不能满足此规定时,必须按《公共建筑节能设计标准》GB 50189进行权衡判断;
建筑中庭夏季应利用通风降温,必要时设置机械排风装置。如在中庭上部的侧面设置排风机加强通风,改善中庭热环境;
夏热冬暖地区、夏热冬冷区的建筑以及寒冷地区制冷负荷大的建筑,外窗宜设置外部遮阳,外部遮阳的遮阳系数见本专篇第7章;
严寒地区建筑的外门应设门斗,寒冷地区建筑的外门宜设门斗或应采取其他减少冷风渗透的措施。其他地区建筑的外门也应采取保温隔热节能措施。
3.居住建筑外门窗(包括阳台门上部透明部分)、遮阳设计:
- 建筑外窗(包括阳台门上部透明部分,下同)与天窗面积不宜过大。不同地区不同朝向的窗墙比不应超过:
① 严寒、寒冷地区:外窗北向0.30、东西向0.30、南向0.50;
② 夏热冬冷地区:外窗北向0.45、东西向(无外遮阳措施)0.30、东西向(有外遮阳且太阳辐射透过率小于或等于20%)0.50、南向0.50;
③ 夏热冬暖地区:外窗北向0.45、东西向0.30、南向0.50。天窗面积不应大于屋顶总面积的4%,传热系数不应大于4.0W/(m2·K),本身的遮阳系数不应大于0.5;
④ 如窗墙面积比、天窗面积不满足要求时,则应进行围护结构的综合判断。
不同气候区、建筑外窗不同的窗墙面积比,对建筑外窗(包括阳台门上部透明部分)、天窗的传热系数与遮阳系数有着不同的要求,具体见本专篇第6、7章;
夏热冬暖地区、夏热冬冷地区以及寒冷地区空调负荷大的建筑的外窗宜设置外部遮阳,遮阳的设置除能够有效地遮挡太阳辐射外,还应避免对窗口通风产生不利影响。外部遮阳的遮阳系数见本专篇第7章;
生活、工作的房间的通风开口有效面积不应小于该房间地板面积的1/20;
住宅卧室、起居室(厅)、厨房的外窗窗地比不应小于1/7。离地面高度0.50m的窗洞口面积不计入采光面积内。窗洞口上沿距地面高度不宜低于2m;
住宅应能自然通风。单朝向住宅应采取通风措施:
① 卧室、起居室(厅)、明卫生间的通风开口有效面积不应小于该房间地面面积的1/20;
② 厨房的通风开口有效面积不应小于该房间地面面积的1/10,并不小于0.60m2;
③ 严寒地区居住建筑的厨房、卫生间应设自然通风道或通风换气设施。自然通风道的位置应设于窗户或进风口相对的一面。
- 夏热冬暖地区居住建筑外窗的可开启面积不应小于外窗所在房间地面面积的80%或外窗面积的45%。
墙体
3.1 一般规定
3.1 一般规定
3.1.1 墙体的热工性能指标。
1.居住建筑墙体的传热系数和热惰性指标,应根据建筑所处城市的气候分区区属,符合表3.1.1-1的规定。如不满足表中规定,必须按居住建筑节能设计标准的规定进行围护结构热工性能的综合判断。
表3.1.1-1 居住建筑不同气候区墙体的传热系数和热惰性指标限值

注:1.表中外墙传热系数为包括结构性热桥在内的平均传热系数Km。
2.轻质结构外墙系指轻钢、木结构、轻质墙板等构成的外墙。
3.应根据不同平均窗墙面积比及外窗的传热系数值,确定外墙的传热系数限值,详见《夏热冬暖地区居住建筑节能设计标准》JGJ 75-2003表4.0.7-1。
4.应根据不同平均窗墙面积比及外窗的综合遮阳系数值,确定外墙的传热系数限值,详见《夏热冬暖地区居住建筑节能设计标准》JGJ 75-2003表4.0.7-2。
5.D是外墙热惰性指标;ρ 是外墙外表面的太阳辐射吸收系数。
2.公共建筑墙体的传热系数,应根据建筑所处城市的气候分区区属,符合表3.1.1-2的规定。如果墙体的传热系数不满足表中规定,必须按公共建筑节能设计标准的规定进行围护结构热工性能的权衡判断。
表3.1.1-2 公共建筑不同气候区墙体的传热系数限值

注:1.表中外墙传热系数为包括结构性热桥在内的平均传热系数Km。
2.外墙含非透明幕墙。
3.1.2 严寒和寒冷地区外墙的热工设计措施。
1.需保温的外墙应首选外保温构造。
2.采用外墙外保温构造时,应尽量减少混凝土出挑构件及附墙部件。
3.当外墙有出挑构件及附墙部件时(如:阳台、雨篷、靠外墙阳台栏板、空调室外机搁板、附壁柱、凸窗的非透明构件、装饰线和靠外墙阳台分户隔墙等)应采取隔断热桥或保温措施。
4.外墙外保温的墙体,窗口外侧四周墙面应进行保温处理。外窗尽可能外移或与外墙面平,以减少窗框四周的“热桥”面积,但应设计好窗上口滴水。
5.外墙保温不得已采用内保温构造时,应充分考虑结构性热桥影响并符合以下要求:
计算外墙的平均传热系数应不大于表3.1.1-1及表3.1.1-2的限值;
热桥部位应采取可靠保温或“断桥”措施;
按照《民用建筑热工设计规范》GB 50176的规定,进行内部冷凝受潮验算和采取可靠的防潮措施。
3.1.3 寒冷地区、夏热冬冷地区及夏热冬暖地区的建筑,当墙体采用轻质结构时,应按《民用建筑热工设计规范》GB 50176的规定,进行隔热验算,如不满足规定要求,则宜采用浅色饰面和设置通风间层等措施。
3.2 墙体节能技术
3.2 墙体节能技术
3.2.1 外墙外保温技术。
1.外墙外保温系统构造特点、主要技术指标及适用范围见表3.2.1-1和表3.2.1-2。
表3.2.1-1 外墙外保温系统构造特点、主要技术指标及适用范围

续表3.2.1-1

注:本表摘自《外墙外保温工程技术规程》JGJ 144-2004。
表3.2.1-2 其他外墙外保温系统构造特点、主要技术指标及适用范围

2.外墙外保温系统基本要求:
应能适应基层的正常变形而不产生裂缝或空鼓;
应能长期承受自重而不产生有害的变形;
应能承受风荷载的作用而不产生破坏;
应能耐受室外气候的长期反复作用而不产生破坏;
在罕遇地震发生时不应从基层上脱落;
用于高层建筑时,应采取防火构造措施;
应具有防水渗透性能;
外保温复合墙体的保温、隔热和防潮性能应符合《民用建筑热工设计规范》GB 50176和相关节能设计标准规定;
各组成部分应具有物理-化学稳定性。所有组成材料应彼此相容并应具有防腐性,同时应具有防生物侵害性能;
在正确使用和正常维护的条件下,使用年限应不少于25年。
注:正常维护包括局部修补和饰面层维修两部分。对局部破坏应及时修补。对于不可触及的墙面,饰面层正常维修周期应不少于5年。
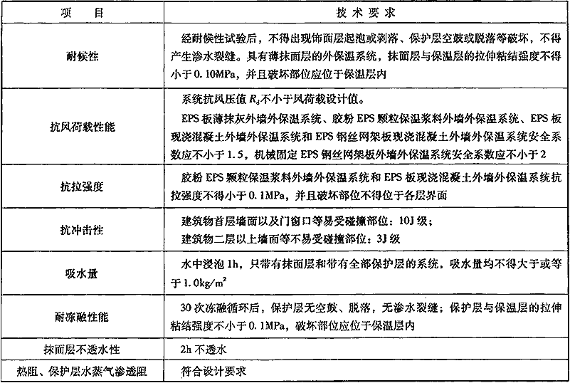
3.外墙外保温系统及主要组成材料性能要求:
- 外墙外保温系统性能要求见表3.2.1-3。
表3.2.1-3 外墙外保温系统性能要求

注:1.水中浸泡24h,只带有抹面层和带有全部保护层的系统的吸水量均小于0.5kg/m2时,不检验耐冻融性能。
2.本表摘自《外墙外保温工程技术规程》JGJ 144-2004。
- 外墙外保温系统组成材料及部件性能应符合表3.2.1-4规定。
表3.2.1-4 外墙外保温系统组成材料及部件性能要求

注:本表摘自《外墙外保温工程技术规程》JGJ 144-2004。
4.外墙外保温系统选用要点:
选用外保温系统时,不得随意更改系统构造和组成材料,所有组成材料应由系统供应商成套供应(包括保温板、腻子、涂料、面砖等)。例如,不能只把EPS板换成XPS板,而简单地套用原来用于EPS板的配套材料。宜选用浅色饰面材料以降低太阳辐射对面层的影响。
进行建筑热工设计时,外保温系统应包覆门窗框外侧洞口、封闭阳台以及女儿墙、挑檐等出挑部位,以减小热桥影响和避免墙体温度裂缝。
应做好外保温工程的密封和防水构造设计,确保水不会渗入保温层及基层,重要部位应有详图。水平或倾斜的出挑部分以及延伸至地面以下的部位应做防水层。在外墙外保温系统上安装的设备或管道应固定于基层上,并应做密封和防水设计。
高层建筑可有多种防火构造措施,图3.2.1为窗口上沿防火构造。这是欧洲采用的一种做法,在国内使用需经抗裂试验验证,确保系统面层不会开裂。

EPS板易受昆虫(如白蚁)、隐花植物和啮齿动物(如老鼠)侵害,设计时需加注意并采取可靠措施。例如,在所有端头、孔洞部位做好密闭处理等。
外保温系统至少应在25年内保持完好,这就要求系统能够经受住周期性热湿和热冷气候条件的长期作用,选用时应要求供应商提交耐候性检验报告。
应要求外保温系统供应商提供书面施工方案,并严格按施工方案和相关标准规定施工。
外保温系统宜优先选用涂料饰面。如贴面砖,需采取慎重态度,建筑物高度需有一定限制,并应制定详细的施工方案和施工质量验收指标,经各方认可后方可施工。
EPS板薄抹灰外墙外保温系统贴面砖施工要点:
① 保温板粘贴面积至少60%,抹面层厚度5~10mm;
② 按照面砖粘结性能选配粘结砂浆;
③ 应选用不透水的面砖和勾缝材料;
④ 贴面砖前基面应干透;
⑤ 应采用双涂法施工(墙面刮涂和瓷砖背涂),面砖粘结层厚度3~5mm,勾缝胶用量5.0~6.5kg/m2;
⑥ 面砖接缝的宽度不应小于5mm,缝深不宜大于3mm。外墙粘贴面砖还应设置伸缩缝。阳角处面砖不宜采用45对接;
⑦ 做好外保温系统边角部位防水。
- EPS板薄抹灰外墙外保温系统贴面砖质量控制要点:
① 应采用以粘结为主、粘钉结合方式固定EPS板,锚栓应钉在玻纤网外。EPS板与基层和抹面层的粘接应牢固可靠;
② 经耐候性试验后,面砖与抹面层的粘结强度应不小于0.4MPa,面砖与EPS板保温层的粘结强度应不小于0.2MPa,并且应为EPS板破坏;
③ EPS板的密度应不低于22kg/m3,厚度40~200mm;
④ 面砖胶粘剂耐冻融性能应符合《外墙外保温工程技术规程》JGJ 144的规定;
⑤ 玻纤网性能应符合《胶粉聚苯颗粒外墙外保温系统》JG 158的规定;
⑥ 饰面砖性能应符合表3.2.1-5的规定。
表3.2.1-5 饰面砖性能指标
注:1.气候区划分级按GB 50178-1993中一级区划的Ⅰ~Ⅶ区执行。
2.本表摘自《胶粉聚苯颗粒外墙外保温系统》JG 158-2004。
3.2.2 外墙内保温技术和外墙夹心保温技术。
1.外墙内保温技术。
在外墙内侧粘贴或砌筑块状保温板(如膨胀珍珠岩板、EPS板和XPS板等),并在表面做保护层(如粉刷石膏或聚合物水泥砂浆等);
在外墙内侧拼装GRC聚苯复合板或石膏聚苯复合板,表面刮腻子;
在外墙内侧安装岩棉轻钢龙骨纸面石膏板(或其他板材);
在外墙内侧抹保温砂浆;
公共建筑外墙、地下车库顶板采用现场喷涂超细玻璃棉绝热吸声系统。该系统保温层属于A级不燃材料。系统做法是:将经特殊加工的超细玻璃棉与水基特种胶粘剂通过专用纤维喷涂设备喷涂于建筑物基体表面,经自然干燥后形成整体绝热吸声层。在喷涂层干燥前,可用专用工具进行表面处理,使表面具有装饰效果。需要时,可另做干挂饰面或吊顶。
2.外墙夹芯保温技术。
夹芯保温一般以240mm厚砖墙做外页墙,以120mm厚砖墙为内页墙。也有内外页墙相反的做法。两页墙之间留出空腔,随砌墙随填充保温材料。保温材料可为岩棉、EPS板或XPS板、散装或袋装膨胀珍珠岩等。两页墙之间可采用砖拉接或钢筋拉接,并设钢筋混凝土构造柱和圈梁连接内外页墙;
小型混凝土空心砌块EPS板夹芯墙构造做法:内页墙为190mm厚混凝土空心砌块,外页墙为90mm厚混凝土空心砌块,两页墙之间的空腔中填充EPS板,EPS板与外页墙之间有20mm厚空气层。在圈梁部位按一定间距用混凝土挑梁连接内外页墙。
假定北京、沈阳、长春、哈尔滨采用聚苯板厚度分别为80、100、130和150mm,经计算机模拟计算,夹芯墙体平均传热系数分别为0.59、0.52、0.44和0.41W/(m2·K)。经计算机模拟计算和试验室实测,挑梁部位夹芯墙体室内侧表面温度高于露点温度,不会结露。
3.外墙内保温和夹芯保温选用要点:
夹芯保温做法可用于寒冷地区和严寒地区。夏热冬冷地区和夏热冬暖地区可适当选用内保温做法;
应充分估计热桥影响,设计热阻值应考虑热桥影响,取复合墙体的平均热阻;
应做好热桥部位节点构造保温设计,避免内表面结露;
内保温和夹芯保温易造成外墙或外页墙温度裂缝,设计时需采取加强措施和防止雨水渗透措施。
3.2.3 其他复合墙体保温技术。
1.保温砌模网格剪力墙结构体系。
该体系保温砌模由EPS颗粒保温浆料制成,用专用砌筑材料砌成墙体,砌模孔中浇筑自流混凝土,形成网格剪力墙结构。可按不同气候区保温要求确定保温砌模壁厚。这种体系要求灰缝厚度3~5mm。砌缝过厚会导致热桥影响过大,而且会在砌缝处形成灰尘聚积,使墙体内表面出现砌缝痕迹。因此,要求砌模本身尺寸偏差小。
2.保温模板现浇混凝土构造系统。
该系统以工厂预制的EPS板模板代替传统的墙体模板和楼板模板。内、外两层EPS板厚度均为65mm,高度为300mm。两层EPS板顶部装有高密度聚乙烯H型材,通过钢筋连接件将内、外层EPS板连接起来,中间浇筑混凝土形成复合保温墙体、楼板和屋顶。两侧EPS板表面抹玻纤网增强薄抹面层,内表面做内墙涂料饰面,外表面做涂料饰面或面砖饰面。
3.2.4 蒸压加气混凝土保温技术。
用蒸压加气混凝土砌块砌筑的墙体可用于横墙承重和框架填充墙的房屋。不同厚度的墙体,可满足不同气候区建筑节能标准要求。
1.加气混凝土砌块作为围护结构时,应根据建筑物性质、地区气候条件、围护结构的构造形式,合理地进行热工设计。当按保温(或隔热)和节能要求分别计算出不同厚度时,应选取其中最大厚度。
2.加气混凝土的隔热性能应满足《民用建筑热工设计规范》GB 50176的有关规定。单一加气混凝土围护结构隔热低限厚度不宜低于200mm。
3.加气混凝土砌块导热系数和蓄热系数计算值见表3.2.4-1。
表3.2.4-1 加气混凝土砌块导热系数和蓄热系数计算值

注:本表摘自《蒸压加气混凝土应用技术规程》JGJ 17。
4.不同厚度加气混凝土外墙的传热系数K值和热惰性指标D值可按表3.2.4-2~表3.2.4-4采用。
表3.2.4-2 不同厚度加气混凝土外墙热工性能指标(B05)

注:1.表中的热工指标考虑砌筑砂浆缝的影响,λ=0.20W/(m·K),蓄热系数S24=3.26W/(m2·K)。
2.表内数据不包括钢筋混凝土圈梁、过梁、构造柱等热桥部位的影响。
表3.2.4-3 不同厚度加气混凝土外墙热工性能指标(B06)

注:1.表中的热工性能指标考虑灰缝影响。λ=0.24W/(m·K),蓄热系数S24=3.76W/(m2·K)。
2.括号内数据为加气混凝土砌块之间采用粘结剂粘结。
3.表内数据不包括钢筋混凝土圈梁、过梁、构造柱等热桥部位的影响。
4.本表摘自《蒸压加气混凝土建筑应用技术规程》JGJ 17-2007。
表3.2.4-4 不同厚度加气混凝土外墙热工性能指标(B07)

注:1.表中的热工指标考虑砌筑砂浆缝的影响,λ=0.28W/(m·K),蓄热系数S24=4.36W/(m2·K)。
2.表内数据不包括钢筋混凝土圈梁、过梁、构造柱等热桥部位的影响。
5.严寒、寒冷和夏热冬冷地区,加气混凝土外墙中的钢筋混凝土梁、柱等热桥部位外侧应做保温处理,经处理后该部位的热阻值大于或等于外墙主体部位的热阻值时,则可取外墙主体部位的传热系数作为外墙的平均传热系数。
6.严寒地区,外墙砌块应采用具有保温性能的专用砌筑砂浆砌筑,或采用密缝精确砌块(灰缝小于或等于3mm)。
3.2.5 轻质墙体保温技术。
1.轻质墙体保温技术主要适用钢结构住宅和木结构住宅。
2.低层轻型钢结构装配式住宅。
外墙的外侧墙板可采用厚度不小于11mm的定向刨花板或12mm厚的胶合板,内侧墙板可采用厚度不小于12mm的石膏板;外墙两侧墙也可采用厚度为12mm的水泥木屑板。墙板中间采用C形或U形截面冷弯镀锌薄壁型钢龙骨作为骨架,龙骨间填以柔性、高效绝热材料。墙体绝热材料厚度根据当地建筑节能设计标准确定。
墙体材料采用的绝热材料、防水材料、饰面材料等应符合国家、行业或企业标准规定的耐久性、适用性以及防火、隔声、气密、水密性能要求。
为避免外墙骨架处“热桥”现象,采暖地区的住宅外墙骨架外侧应铺设适当厚度的刚性保温层,保温层厚度经热工计算确定,并对墙体露点温度进行验算。骨架内侧应设置隔汽层。对于有隔热要求的住宅,墙体可通过设置通风间层和增加向外反射的反射膜等措施解决。
- 4~12层钢结构住宅,采用H形或工字形截面型钢作为钢柱、钢梁,围护结构可选用高强、轻质且具有良好保温、隔热性能的板材、复合墙板或块材,如蒸压加气混凝土板、钢丝网架聚苯夹芯板、玻璃纤维增强石膏空心板、聚氨酯复合墙板、金属面压花复合墙板等。围护结构的厚度和热工性能应满足当地建筑节能设计标准的要求。
4.轻钢结构体系,外墙外侧为砌体,内侧为轻钢复合板,中间填充保温(隔热)材料。墙体的热工性能应经热工计算并满足当地建筑节能要求。轻钢结构体系,外墙也可为轻质保温板或装饰保温复合板,保温板的热工性能满足节能设计标准的要求。
3.3 典型墙体的热工性能参数
3.3 典型墙体的热工性能参数
3.3.1 外墙外保温构造(主体部位)的热工性能参数。
外墙外保温构造(主体部位)的热工性能参数见表3.3.1-1、表3.3.1-2。
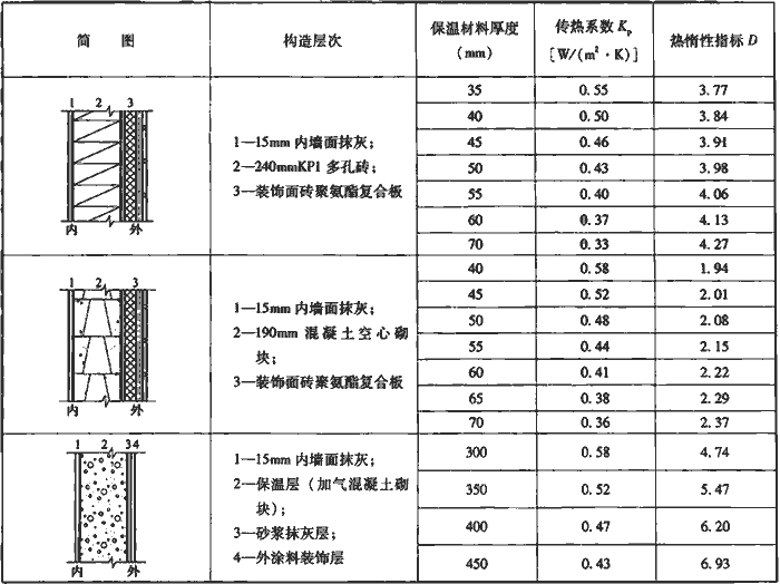
表3.3.1-1 外墙外保温构造(主体部位)的热工性能参数

续表3.3.1-1

注:1.表中聚苯板的导热系数修正系数α=1.2,计算导热系数λc=0.042×1.2=0.05W/(m·K);有网体系聚苯板的导热系数修正系数α=1.5,计算导热系数λc=0.042×1.5=0.063W/(m·K);无网体系聚苯板的导热
系数修正系数α=1.25,计算导热系数λc=0.042×1.25=0.053W/(m·K);聚氨酯的导热系数修正系数α=1.1,计算导热系数λc=0.025×1.1=0.028W/(m·K);加气混凝土的导热系数修正系数α=1.25,计算导热系数λc=0.19×1.25=0.24W/(m·K);混凝土空心砌块的热阻R=0.16(m2·K)/W。
2.Kp:外墙主体部位的传热系数(下同)。
表3.3.1-2 外墙外保温构造(主体部位)的热工性能参数

续表3.3.1-2

续表3.3.1-2

注:表中聚苯板导热系数λ=0.042W/(m·K),修正系数α=1.20;聚苯颗粒保温浆料导热系数λ=0.06W/(m·K),修正系数α=1.30。
3.3.2 外墙内保温构造(主体部位)的热工性能参数。
适用于夏热冬冷和夏热冬暖地区的外墙内保温构造(主体部位)的热工性能参数见表3.3.2。
表3.3.2 外墙内保温构造(主体部位)的热工性能参数

续表3.3.2

注:表中泡沫玻璃导热系数λ=0.07W/(m·K),修正系数α=12;矿(岩)棉板或玻璃棉板导热系数λ=0.05W/(m·K),修正系数α=1.30。
3.3.3 外墙自保温构造(主体部位)的热工性能参数。
外墙自保温构造(主体部位)的热工性能参数见表3.3.3。
**表3.3.3 外墙自保温构造(主体部位)的热工性能参数
**
楼地面
4.1 一般规定
4.1 一般规定
4.1.1 楼地面的热工性能指标。
1.居住建筑楼地面的传热系数应根据建筑所处城市的气候分区区属,符合表4.1.1-1的规定。
表4.1.1-1 居住建筑不同气候分区楼地面的传热系数限值

注:周边地面系指距外墙内表面2m以内的地面。
2.公共建筑楼地面的传热系数和地下室外墙的热阻,应根据建筑所处城市的气候分区区属,符合表4.1.1-2的规定。
表4.1.1 -2 公共建筑不同气候分区楼地面及地下室外墙的传热系数及热阻

注:1.周边地面系指距外墙内表面2m以内的地面。
2.地面热阻系指建筑基础持力层以上各层材料的热阻之和。
3.地下室外墙热阻系指土壤以内各层材料热阻之和。
4.1.2 楼地面的热工设计措施。
1.采暖建筑楼地面面层的热工设计,宜从人们的健康、舒适及采暖方式综合考虑采取不同的表面材料。对于不是采用地板辐射采暖方式的采暖建筑的楼地面,宜采用材料密度小、导热系数也小的地面材料。
2.从提高底层地面的保温和防潮性能考虑,宜在地面的垫层中采用不小于20mm厚度的挤塑聚苯板等,以提高地面的热阻;用板、块状保温材料做垫层,使地面的热阻接近于居住建筑的地面热阻。
3.夏热冬冷和夏热冬暖地区的建筑底层地面,在每年的梅雨季节都会由于湿热空气的差迟而产生地面结露,底层地板的热工设计宜采取下列措施:
地面构造层的热阻应不少于外墙热阻的1/2,以减少向基层的传热,提高地表面温度,避免结露;
面层材料的导热系数要小,使地表面温度易于紧随室内空气温度变化;
面层材料有较强的吸湿性,具有对表面水分的“吞吐”作用,不宜使用硬质的地面砖或石材等做面层;
采用空气层防潮技术,勒脚处的通风口应设置活动遮挡板;
当采用空铺实木地板或胶结强化木地板做面层时,下面的垫层应有防潮层。
4.2 楼地面节能技术
4.2 楼地面节能技术
4.2.1 楼地面的节能技术,可根据底面是不接触室外空气的层间楼板、底面接触室外空气的架空或外挑楼板以及底层地面,采用不同的节能技术。保温系统组成材料的防火及卫生指标应符合现行相关标准的规定。
4.2.2 层间楼板可采取保温层直接设置在楼板上表面或楼板底面,也可采取铺设木龙骨(空铺)或无木龙骨的实铺木地板。
1.在楼板上面的保温层,宜采用硬质挤塑聚苯板、泡沫玻璃保温板等板材或强度符合地面要求的保温砂浆等材料,其厚度应满足建筑节能设计标准的要求。
2.在楼板底面的保温层,宜采用强度较高的保温砂浆抹灰,其厚度应满足建筑节能设计标准的要求。
3.铺设木龙骨的空铺木地板,宜在木龙骨间嵌填板状保温材料,使楼板层的保温和隔声性能更好。
4.2.3 底面接触室外空气的架空或外挑楼板宜采用外保温系统。
4.2.4 严寒及寒冷地区采暖建筑的底层地面应以保温为主,在持力层以上土壤层的热阻已符合地面热阻规定值的条件下,宜在地面面层下铺设适当厚度的板状保温材料,进一步提高地面的保温性能。
4.2.5 地板辐射采暖技术。
1.地板辐射采暖技术的设计、材料、施工及其检验、调试及验收,应符合《地面辐射供暖技术规程》JGJ 142的规定。
2.为提高地板辐射采暖技术的热效率,不宜将热管铺设在有木龙骨的空气间层中,地板面层也不宜采用有木龙骨的木地板。合理而有效的构造做法是将热管埋设在导热系数较大的密实材料中;面层材料宜直接铺设在埋有热管的基层上,且宜采用导温系数较大的材料做面层。
3.采用低温(水媒)地板辐射采暖系统技术的建筑,在夏季不可将冷水通入系统的加热管中进行冷水降温。
4.地板辐射采暖构造由楼板或与土壤相邻的地面、绝热层、加热管、填充层、找平层和面层组成,并应符合下列规定:
当工程允许地面双向散热设计时,各楼层间的楼板上部可不设绝热层;
对卫生间、浴室等潮湿房间,在填充层上部应设置隔离层;
楼地面面层宜采用热阻小于0.05m2·K/W的材料;
绝热层采用聚苯乙烯泡沫塑料时,楼板上厚度不应小于20mm,与土壤相邻的地面厚度不应小于30mm;
填充层的材料宜采用C15豆石混凝土,豆石粒径宜为5~12mm。加热管填充层厚度不宜小于50mm。
4.3 典型楼地面的热工性能参数
4.3 典型楼地面的热工性能参数
4.3.1 层间楼板的热工性能参数。
层间楼板的热工性能参数见表4.3.1。
表4.3.1 层间楼板的热工性能参数

注:表中保温砂浆导热系数λ=0.8W/(m·K),修正系数α=1.30;聚苯颗粒保温浆料导热系数λ=0.06W/(m·K),修正系数α=1.30;高强度珍珠岩板导热系数λ=0.12W/(m·K),修正系数α=1.30;乳化沥青珍珠岩板导热系数λ=0.12W/(m·K),修正系数α=1.30;复合硅酸盐板导热系数λ=0.07W/(m·K),修正系数α=1.30。
4.3.2 底部自然通风架空楼板的热工性能参数。
底部自然通风架空楼板的热工性能参数见表4.3.2。
表4.3.2 底部自然通风架空楼板的热工性能参数

注:表中挤塑聚苯板的导热系数λ=0.03W/(m·K),修正系数α=1.15;聚苯板导热系数λ=0.042W/(m·K),修正系数α=1.20;矿(岩)棉或玻璃棉板导热系数λ=0.05W/(m·K),修正系数α=1.30。
4.3.3 低温(水媒)辐射采暖地板的热工性能参数。
低温(水媒)辐射采暖地板的热工性能参数见表4.3.3。
表4.3.3 低温(水媒)辐射采暖地板的热工性能参数

注:1.本表所列构造做法适用于上铺瓷砖、花岗岩或合成木地板面层的楼地面。
2.聚苯板铺至外墙边沿处应沿墙上铺50mm。
3.本表所列Ro及K值是指包括聚苯板在内的以下各层及边界层的热工性能指标。
4.本表所列构造做法也适用于底层地面。如用于底层地面,钢筋混凝土楼板层应改为底层地面的垫层(一般为混凝土)。
5.如上、下层为同一住户,可不用设置表中的4、5层。
屋面
5.1 一般规定
5.1 一般规定
5.1.1 屋面的热工性能指标。
1.居住建筑屋面的传热系数和热惰性指标,应根据建筑所处城市的气候分区区属,符合表5.11-1的规定。
表5.1.1-1 居住建筑不同气候区屋面的传热系数和热惰性指标限值

注:夏热冬冷地区居住建筑屋面若传热系数K满足而热惰性指标D不满足时,应按照《民用建筑热工设计规范》GB 50176-93第5.1.1条进行隔热设计验算。
2.公共建筑屋面的传热系数,应根据建筑所处城市的气候分区区属,符合表5.1.1-2的规定。如不满足表中规定,必须按公共建筑节能设计标准的规定进行围护结构热工性能的权衡判断。
表5.1.1-2 公共建筑不同气候区屋面的传热系数限值

5.1.2 屋面的节能设计措施。
1.保温隔热屋面适用于具有保温隔热要求的屋面工程。当屋面防水等级为Ⅰ级、Ⅱ级时,不宜采用蓄水屋面。
屋面保温可采用板材、块材或整体现喷聚氨酯保温层,屋面隔热可采用架空、蓄水、种植等隔热层。
2.保温屋面的天沟、檐沟,应铺设保温层;天沟、檐沟、檐口与屋面交接处,有挑檐的保温屋面保温层的铺设至少应延伸到墙内,其伸入的长度不应小于墙厚的1/2。
3.封闭式保温层的含水率,应相当于该材料在当地自然风干状态下的平衡含水率。
4.架空屋面宜在通风较好的建筑物上采用,不宜在寒冷地区采用。
5.蓄水屋面不宜在寒冷地区、地震地区和振动较大的建筑物上采用。
6.种植屋面应根据地域、气候、建筑环境、建筑功能等条件,选择相适应的屋面构造形式。
7.屋面构造层可设置封闭空气间层或带有铝箔的空气间层。当为单面铝箔空气间层时,铝箔宜设在温度较高的一侧。
8.设置通风屋顶时,通风屋顶的风道长度不宜大于10m,间层高度以200mm左右为宜,基层上面应有60mm左右的隔热层。
9.保温层的构造应符合下列规定:
保温层设置在防水层上部时,保温层的上面应做保护层;
保温层设置在防水层下部时,保温层的上面应做找平层;
屋面坡度较大时,保温层应采取防滑措施;
吸湿性保温材料不宜用于封闭式保温层。
5.2 屋面节能技术
5.2 屋面节能技术
5.2.1 屋面保温隔热系统构造、设计技术要点及适用范围见表5.2.1。
**表5.2.1 屋面保温隔热系统构造、设计技术要点及适用范围
**

5.2.2 建筑屋面常用保温材料主要技术性能见表5.2.2。
表5.2.2 常用屋面保温材料主要技术性能

注:本表摘自《屋面工程技术规范》GB 50345-2004。
5.3 典型屋面的热工性能参数
5.3 典型屋面的热工性能参数
5.3.1 坡屋面的热工性能参数。
坡屋面的热工性能参数见表5.3.1。
表5.3.1 坡屋面的热工性能参数

注:表中挤塑聚苯板的导热系数修正系数α=1.2,计算导热系数λc=0.036W/(m·K)。
5.3.2 平屋面的热工性能参数。
平屋面的热工性能参数见表5.3.2。
表5.3.2 平屋面的热工性能参数

注:表中挤塑聚苯板的导热系数修正系数α=1.20,计算导热系数λc=0.03×1.2=0.036W/(m·K);加气混凝土砌块的导热系数修正系数α=1.5,计算导热系数λc=0.19×1.5=0.29W/(m·K);现场发泡聚氨酯硬泡体的导热系数修正系数α=1.10,计算导热系数λc=0.027×1.10=0.03W/(m·K)。
门窗、幕墙
6.1 一般规定
6.1 一般规定
6.1.1 建筑门窗、幕墙的热工性能指标。
1.居住建筑门窗(包括透明幕墙,下同)的传热系数、遮阳系数应根据所处城市的气候分区区属,分别符合表6.1.1-1~表6.1.1-5的规定。幕墙的非透明部分应符合墙体的传热系数要求。如果建筑门窗、透明幕墙的节能性能指标不满足上述规定,必须按照相应的居住建筑节能设计标准的规定进行围护结构的热工性能综合判断。
表6.1.1-1 严寒地区外门窗传热系数限值

表6.1.1-2 寒冷地区外门窗传热系数和遮阳系数限值

表6.1.1-3 夏热冬冷地区不同朝向、不同窗墙面积比的外门窗传热系数限值

注:本表摘自《夏热冬冷地区居住建筑节能设计标准》JGJ 134-2001。
表6.1.1-4 夏热冬暖地区北区外窗传热系数和综合遮阳系数限值

注:本表摘自《夏热冬暖地区居住建筑节能设计标准》JGJ 75-2003。
表6.1.1-5 夏热冬暖地区南区外窗综合遮阳系数限值

** 注:1.外窗包括阳台门的透明部分。
2.南区居住建筑的节能设计对外窗的传热系数不作规定。
3.ρ 为外墙外表面的太阳辐射吸收系数。
4.本表摘自《夏热冬暖地区居住建筑节能设计标准》JGJ 75-2003。
2.居住建筑外窗应具有良好的密闭性能。严寒、寒冷地区及夏热冬冷地区1~6层居住建筑的外窗及阳台门的气密性等级不应低于现行国家标准《建筑外窗气密性能分级及检测方法》GB/T 7107中规定的4级,夏热冬冷地区7层及7层以上居住建筑的外窗及阳台门的气密性等级不应低于现行国家标准《建筑外窗气密性能分级及检测方法》GB/T 7107中规定的3级;夏热冬暖地区1~9层居住建筑外窗(包括阳台门)的气密性能,在10Pa压差下,每小时每米缝隙的空气渗透量不应大于2.5m3,且每小时每平方米面积空气渗透量不应大于7.5m3;10层及10层以上居住建筑外窗的气密性能,在10Pa压差下,每小时每米缝隙的空气渗透量不应大于1.5m3,且每小时每平方米面积空气渗透量不应大于4.5m3。
3.公共建筑门窗的传热系数、遮阳系数应根据所处城市的建筑气候分区区属,分别符合表6.1.1-6~表6.1.1-8的规定。幕墙的非透明部分应符合墙体的传热系数要求。如果建筑门窗、透明幕墙的热工性能指标不满足上述规定,必须按《公共建筑节能设计标准》GB 50189的规定进行围护结构热工性能的权衡判断。**
表6.1.1-6 严寒地区外门窗传热系数限值

**
注:本表摘自《公共建筑节能设计标准》GB 50189-2005。
表6.1.1-7 寒冷地区外门窗传热系数和遮阳系数限值

**
注:1.有外遮阳时,遮阳系数=玻璃的遮阳系数×外遮阳的遮阳系数;无外遮阳时,遮阳系数=玻璃的遮阳系数。
2.本表摘自《公共建筑节能设计标准》GB 50189-2005。
表6.1.1-8 夏热冬冷、夏热冬暖地区外门窗传热系数和遮阳系数限值

** 注:1.有外遮阳时,遮阳系数=玻璃的遮阳系数×外遮阳的遮阳系数;无外遮阳时,遮阳系数=玻璃的遮阳系数。
2.本表摘自《公共建筑节能设计标准》GB 50189-2005。
4.公共建筑外窗的气密性不应低于《建筑外窗气密性能分级及检测方法》GB/T 7107规定的4级。透明幕墙整体的气密性不应低于《建筑幕墙物理性能分级》GB/T 15225规定的3级。
6.1.2 建筑的外窗、玻璃幕墙面积不宜过大。空调建筑或空调房间应尽量避免在东、西朝向大面积采用外窗、玻璃幕墙。采暖建筑应尽量避免在北朝向大面积采用外窗、玻璃幕墙。
6.1.3 空调建筑的向阳面,特别是东、西朝向的外窗、玻璃幕墙,应采取各种固定或活动式遮阳装置等有效的遮阳措施。
6.1.4 夏热冬暖地区、夏热冬冷地区的建筑及寒冷地区制冷负荷大的建筑,外窗宜设置外部遮阳,外部遮阳的遮阳系数应按《公共建筑节能设计标准》GB 50189的规定执行。
6.1.5 严寒地区居住建筑不应设置凸窗。寒冷地区和夏热冬冷地区北向卧室、起居室不应设置凸窗。其他地区或其他朝向居住建筑不宜设置凸窗。如需设置时,凸窗从内墙面至凸窗内侧不应大于600mm。
凸窗的传热系数比相应的平窗降低10%,其不透明的顶部、底部和侧面的传热系数不大于外墙的传热系数。**
6.2 门窗、幕墙节能技术
6.2 门窗、幕墙节能技术
6.2.1 建筑外窗、幕墙气密性能分级应符合表6.2.1-1~表6.2.1-3的规定。
**表6.2.1-1 外窗气密性能分级
**
注:本表摘自《建筑外窗气密性能分级及检测方法》GB/T 7107-2002。
表6.2.1-2 建筑幕墙开启部分气密性能分级

注:本表摘自《建筑幕墙物理性能分级》GB/T 15225-94。
表6.2.1-3 建筑幕墙整体气密性能分级

注:本表摘自《建筑幕墙物理性能分级》GB/T 15225-94。
1.为提高门窗、幕墙的气密性能,门窗、幕墙的面板缝隙应采取良好的密封措施。玻璃或非透明面板四周应采用弹性好、耐久的密封条密封或注密封胶密封。
2.开启扇应采用双道或多道密封,并采用弹性好、耐久的密封条。推拉窗开启扇四周应采用中间带胶片毛条或橡胶密封条密封。
3.单元式幕墙的单元板块间应采用双道或多道密封,并应采取措施对纵横交错缝进行密封,采用的密封条应弹性好、耐久,单元板安装就位后密封条应保持压缩状态。
6.2.2 建筑外窗、幕墙热工性能分级见表6.2.2-1~表6.2.2-3。
表6.2.2-1 外窗保温性能分级

注:本表摘自《建筑外窗保温性能分级及检测方法》GB/T 8484-2002。
表6.2.2-2 建筑幕墙传热系数分级

注:本表摘自《建筑幕墙物理性能分级》GB/T 15225-94。
**表6.2.2-3 建筑幕墙遮阳系数分级
**

注:本表摘自《建筑幕墙物理性能分级》GB/T 15225-94。
1.为提高建筑门窗、玻璃幕墙的保温性能,宜采用中空玻璃。当需进一步提高保温性能时,可采用Low-E中空玻璃、充惰性气体的Low-E中空玻璃、两层或多层中空玻璃等。严寒地区可采用双层外窗、双层玻璃幕墙进一步提高保温性能。
2.采用中空玻璃时,窗用中空玻璃气体间层的厚度不宜小于9mm,幕墙用中空玻璃气体间层的厚度不应小于9mm,宜采用12mm或以上的气体间层,但不宜超过20mm。Low-E中空玻璃中部的传热系数与气体间层厚度的关系见图6.2.2。

图6.2.2 Low-E 中空玻璃传热系数与气体间层厚度关系
3.为提高门窗的保温性能,门窗型材可采用木-金属复合型材、塑料型材、隔热铝合金型材、隔热钢型材、玻璃钢型材等。
4.为提高玻璃幕墙的保温性能,可通过采用隔热型材、隔热连接紧固件、隐框结构等措施,避免形成热桥。
5.为提高建筑门窗、玻璃幕墙的隔热性能,降低遮阳系数,可采用吸热玻璃、镀膜玻璃(包括热反射镀膜、Low-E镀膜等)。进一步降低遮阳系数可采用吸热中空玻璃、镀膜(包括热反射镀膜、Low-E镀膜等)中空玻璃等。
6.2.3 建筑门窗、幕墙所用玻璃的光学、热工性能主要包括玻璃中部的传热系数、遮阳系数、可见光透射比。
建筑门窗、幕墙的性能指标应与所采用玻璃的性能指标相对应。采用不同的玻璃时应重新计算或测试门窗、幕墙的热工性能指标。
6.2.4 建筑幕墙的非透明部分和窗坎墙部分,应充分利用幕墙面板背后的空间,采用高效、耐久的保温层进行保温,以满足墙体的保温隔热要求。保温层可采用岩棉、超细玻璃棉或其他不燃、难燃保温材料制作的保温板。保温材料应有可靠的固定措施。
严寒、寒冷地区,幕墙非透明部分面板的背后保温材料所在空间应充分隔气密封,防止结露。隔气密封空间的上、下密封应严密,空间靠近室内的一侧可采用防水材料或金属板作为隔气层,隔气层可附着在实体墙的外侧。
幕墙与主体结构间(除结构连接部位外)不应形成热桥。
6.2.5 严寒、寒冷、夏热冬冷地区,门窗、玻璃幕墙周边与墙体或其他围护结构连接处应为弹性构造,采用防潮型保温材料填塞,缝隙应采用密封剂或密封胶密封。
6.2.6 严寒、寒冷、夏热冬冷地区建筑的外窗、玻璃幕墙宜进行结露验算,在设计计算条件下,其内表面温度不宜低于室内的露点温度。外窗、玻璃幕墙的结露验算应符合《建筑门窗玻璃幕墙热工计算规程》的规定。
6.2.7 建筑外窗、玻璃幕墙的遮阳应综合考虑建筑效果、建筑功能和经济性,合理采用建筑外遮阳并和特殊的玻璃系统相配合。
1.建筑设计宜结合外廊、阳台、挑檐等处理方法进行建筑遮阳。各种建筑遮阳措施见本专篇第7章。
2.门窗遮阳产品可采用花格、外挡板、外百叶、外卷帘、玻璃内百叶等。建筑宜采用遮阳一体化的门窗遮阳系统。
3.玻璃幕墙遮阳可采用花格、挡板、百叶、卷帘等。挡板、百叶、卷帘可采用智能化的控制装置进行调节,以到达遮阳、采光的协调。
6.2.8 当建筑采用双层玻璃幕墙时,严寒、寒冷地区宜采用空气内循环的双层形式;夏热冬暖地区宜采用空气外循环的双层形式;夏热冬冷地区和温和地区应综合考虑建筑外观、建筑功能和经济性,采用不同的形式。
空调建筑的双层幕墙,其夹层内应设置可以调节的活动遮阳装置。
6.2.9 空调建筑大面积采用玻璃窗、玻璃幕墙时,根据建筑功能、建筑节能的需要,可采用智能化控制的遮阳系统、通风换气系统等。智能化的控制系统应能够感知天气的变化、能结合室内的建筑需求,对遮阳装置、通风换气装置等进行实时监控,达到最佳的室内舒适效果,降低空调能耗。
6.3 典型建筑门窗、幕墙的热工性能参数
6.3 典型建筑门窗、幕墙的热工性能参数
6.3.1 典型玻璃的光学、热工性能参数见表6.3.1。
表6.3.1 典型玻璃的光学、热工性能参数

6.3.2 典型外窗、玻璃幕墙的遮阳系数可根据表6.3.1,采用下式计算:

式中
SCW——窗的遮阳系数;
SCg——玻璃或玻璃系统的遮阳系数;
SCf——框的遮阳系数,不隔热的金属型材可近似取0.15,其他可取0;
Ag——窗玻璃面积(m2);
Af——窗框的投射面积(m2)。
6.3.3 采用典型玻璃、配合不同窗框,在典型窗框面积比的情况下,整窗传热系数见表6.3.3-1和表6.3.3-2。
表6.3.3-1 典型玻璃配合不同窗框的整窗传热系数

表6.3.3-2 典型玻璃配合不同窗框的整窗传热系数

建筑遮阳
7.1 一般规定
7.1 一般规定
7.1.1 遮阳设施应根据地区气候特征、经济技术条件、房间使用性质等综合因素,满足夏季遮阳、冬季阳光入射、自然通风、采光等要求。
7.1.2 夏热冬暖地区、夏热冬冷地区的建筑以及寒冷地区中制冷负荷大的建筑,外窗(包括透明幕墙)宜设置外部遮阳。
7.1.3 遮阳设施力求构造简单、经济适用、耐久美观。
7.2 建筑遮阳技术
7.2 建筑遮阳技术
7.2.1 夏季,太阳辐射照度随朝向不同有较大差别。一般以水平面最高,东、西向次之,南向较低,北向最低。建筑遮阳设计依次考虑屋顶天窗,西向、东向、西南向、东南向、南向窗。
7.2.2 外门窗遮阳的基本形式及选择。
1.遮阳分为外遮阳、内遮阳和中间遮阳三种形式,主要特点见表7.2.2-1。
表7.2.2-1 外遮阳、内遮阳和中间遮阳的特点

2.外遮阳按构件活动方式,分为固定式和活动式两种,主要特点见表7.2.2-2。
表7.2.2-2 固定式、活动式外遮阳的特点

3.外遮阳按遮阳构件安装位置,可分为水平式、垂直式、综合式、挡板式四种基本形式,主要技术要点及适用范围见表7.2.2-3,举例见图7.2.2-2。
表7.2.2-3 外遮阳技术要点及适用范围


图7.2.2-1 水平式外遮阳对不同季节的阳光遮挡示意图

图7.2.2-2 建筑外遮阳示意图
4.内遮阳可降低空调负荷,改善室内环境。内遮阳的主要形式有百叶帘、卷帘、窗帘等。
5.中间遮阳可降低门窗、玻璃幕墙系统的遮阳系数。
中空玻璃百叶遮阳,由2片或3片玻璃与空气层组合成中空玻璃,同时在空气间层中设置可调节的百叶。具有良好的隔热、降噪和采光调节效果,遮阳百叶不必清洗。
设置于双层窗、双层玻璃幕墙中的遮阳,可通过智能调节,满足遮阳、采光、通风的要求。
6.玻璃遮阳是通过镀膜、着色、印花或贴膜的方式降低玻璃的遮阳系数,从而降低进入室内的太阳辐射量。
7.2.3 建筑遮阳举例。
1.活动式外遮阳。可分为遮阳帘、遮阳篷、遮阳百叶(板)等,见表7.2.3-1。
2.活动式天窗遮阳。常见天窗遮阳形式有遮阳百叶和遮阳帘,见表7.2.3-2。
表7.2.3-1 活动式外遮阳举例

表7.2.3-2 活动式天窗遮阳帘举例

3.墙面遮阳。主要包括格栅遮阳和绿化遮阳。采用绿化遮阳时,宜采用落叶植物,并注意防止植物带来的虫害及根系对墙体的破坏。
7.3 建筑外遮阳系数计算及典型城市夏季太阳辐射照度
7.3 建筑外遮阳系数计算及典型城市夏季太阳辐射照度
7.3.1 水平遮阳板的外遮阳系数和垂直遮阳板的外遮阳系数应按下列公式计算确定:
水平遮阳板:SDH=ahPF2+bhPF+1 (7.3.1-1)
垂直遮阳板:SDv=avPF2+bvPF+1 (7.3.1-2)
遮阳板外挑系数:PF=A/B (7.3.1-3)
式中 SDH——水平遮阳板夏季外遮阳系数;
SDv——垂直遮阳板夏季外遮阳系数;
ah、bh、av、bv——计算系数,按表7.3.1取定;
PF——遮阳板外挑系数,当计算出的PF>1时,取PF=1;
A——遮阳板外挑长度(m),(见图7.3.1);
B——遮阳板根部到窗对边距离(m),(图7.3.1)。
表7.3.1 水平和垂直外遮阳计算系数

注:其他朝向的计算系数按上表中最接近的朝向选取。

图7.3.1 遮阳板外挑系数(PF)计算示意图
7.3.2 水平遮阳板和垂直遮阳板组合成的综合遮阳,其外遮阳系数值应取水平遮阳板和垂直遮阳板的外遮阳系数的乘积。
7.3.3 窗口前方所设置的与窗面平行的挡板(或花格等)遮阳的外遮阳系数应按下式计算确定:
SD=1-(1-η)(1-η*) (7.3.3)
式中 η——挡板轮廓透光比。即窗洞口面积减去挡板轮廓由太阳光线投影在窗洞口上所产生的阴影面积后的剩余面积与窗洞口面积的比值。挡板各朝向的轮廓透光比按该朝向上的4组典型太阳光线入射角,采用平行光投射方法分别计算或实验测定,其轮廓透光比取4个透光比的平均值。典型太阳入射角按表7.3.3选取。
η*——挡板构造透射比。
混凝土、金属类挡板取η*=0.1;
厚帆布、玻璃钢类挡板取η*=0.4;
深色玻璃、有机玻璃类挡板取η*=0.6;
浅色玻璃、有机玻璃类挡板取η*=0.8;
金属或其他非透明材料制作的花格、百叶类构造取η*=0.15。
表7.3.3 典型的太阳光线入射角(°)

7.3.4 幕墙的水平遮阳可转换成水平遮阳加挡板遮阳,垂直遮阳可转化成垂直遮阳加挡板遮阳,如图7.3.4所示。图中标注的尺寸A和B用于计算水平遮阳和垂直遮阳遮阳板的外挑系数PF,C为挡板的高度或宽度。挡板遮阳的轮廓透光比叼可以近似取为1。

7.3.5 典型城市夏季太阳辐射照度见《采暖通风与空气调节设计规范》GB 50019-2003中附录。
太阳能利用
8.1 一般规定
8.1 一般规定
8.1.1 太阳能在建筑上的应用有太阳能热水系统和太阳能光伏发电系统。
太阳能热水系统可提供生活热水、供暖和制冷。生活热水可用于炊事、洗浴、温水养殖、游泳池加热等;太阳能光伏发电系统可发电,用于照明、家用电器等。
8.1.2 太阳能热水系统和太阳能光伏发电系统的设计应纳入建筑工程设计,统一规划、同步设计、同步施工、与建筑工程同时投入使用。
8.1.3 太阳能热水系统和光伏发电系统的选择,应根据建筑物类型、使用要求、热水供应方式、安装条件等因素综合确定。
8.1.4 太阳能热水系统宜配置辅助能源加热设备。
8.1.5 安装太阳能热水系统和太阳能光伏发电系统的建筑单体和建筑群体,主要朝向宜为南向。
8.1.6 建筑的体形和空间组合,应避免安装太阳能集热器和太阳能光电板受建筑自身及周围设施和绿化树木的遮挡,并能满足有不少于4h日照时数的要求。太阳能光电板还应避免局部被遮挡。
8.1.7 根据建筑所在地的气候特征、经济水平、生活习惯等因素确定太阳能供热、采暖、制冷综合利用方式。夏热冬暖地区宜为供热水和制冷系统;严寒、寒冷和夏热冬冷地区宜为供热水、采暖和制冷系统;经济欠发达地区宜建被动式太阳房,并宜与生物质能等可再生能源综合利用。
8.2 我国的太阳能资源
8.2 我国的太阳能资源
8.2.1 我国有丰富的太阳能资源,全国2/3以上地区的全年太阳能辐照量大于5700MJ/m2·a,全年日照时数大于2200h。太阳能资源分布及其特征见表8.2.1。我国的太阳能资源可分为四个资源带,见图8.2.1。
表8.2.1 中国太阳能资源分布及其特征


注:本表摘自国家建筑标准设计图集《太阳能热水器选用与安装》06J908-6。
8.2.2 我国主要城市的最热3个月和最冷3个月的太阳能辐照量见附录K。
8.3 太阳能利用系统与建筑一体化
8.3 太阳能利用系统与建筑一体化
8.3.1 太阳能集热器和太阳能光电板应规则有序、排列整齐。太阳能热水系统宜选择分体承压、二次循环的系统。
8.3.2 太阳能热水系统配备的输水管和电器、电缆应与建筑物其他管线统筹安排、同步设计、同步施工,安全、隐蔽、集中布置,便于安装维护。
8.3.3 太阳能集热器和太阳能光电板安装在建筑屋面、阳台、墙面或建筑其他部位时,不得影响该部位的建筑功能,并应与建筑协调一致,保持建筑统一和谐的外观。
8.3.4 太阳能光伏发电系统的选择与布置。
1.宜选用能与建筑屋面、墙面、玻璃幕墙等部位相结合的光电池板。
2.太阳能光电池板宜镶嵌或架空安装在建筑的屋面、采光顶、墙面、玻璃幕墙上,也可作为建筑围护结构、遮阳系统的一部分。
8.3.5 安装太阳能集热器和太阳能光电板的平屋面应符合下列要求:
1.太阳能集热器和太阳能光电板支架应与屋面预埋件固定牢固,并在地脚螺栓周围做密封处理。
2.在屋面防水层上放置集热器和光电板时,屋面防水层应包到基座上部,并在基座下部加设附加防水层。
3.集热器和光电板周围屋面、检修通道、屋面出入口和集热器之间的人行通道上部应铺设保护层。
4.太阳能集热器与贮水箱相连的管线需穿屋面时,应在屋面预埋防水套管,并对其与屋面相接处进行防水密封处理。
8.3.6 安装太阳能集热器和太阳能光电板的坡屋面应符合下列要求:
1.屋面的坡度宜结合太阳能集热器和光电板接受阳光的最佳倾角即当地纬度±10°来确定。
2.坡屋面上的集热器和光电板宜采用顺坡镶嵌设置或顺坡架空设置。
3.设置在坡屋面的太阳能集热器和光电板的支架应与埋设在屋面板上的预埋件牢固连接,并采取防水构造措施。
4.太阳能集热器和光电板与坡屋面结合处雨水的排放应通畅。
5.顺坡镶嵌在坡屋面上的太阳能集热器和光电板与周围屋面材料连接部位应做好防水构造处理。
6.太阳能集热器和光电板顺坡镶嵌在坡屋面上,不得降低屋面整体的保温、隔热、防水等功能。
7.顺坡架空在坡屋面上的太阳能集热器和光电板与屋面间空隙不宜大于100mm。
8.坡屋面上太阳能集热器与贮水箱相连的管线需穿过坡屋面时,应预埋相应的防水套管,并在屋面防水层施工前埋设完毕。
8.3.7 安装太阳能集热器和太阳能光电板的阳台应符合下列要求:
1.设置在阳台栏板上的太阳能集热器和光电板支架应与阳台栏板上的预埋件牢固连接。
2.由太阳能集热器和光电板构成的阳台栏板,应满足其刚度、强度及防护功能要求。
8.3.8 设置太阳能集热器的墙面应符合下列要求:
1.低纬度地区设置在墙面上的太阳能集热器和光电板宜有适当的倾角。
2.设置太阳能集热器和光电板的外墙除应满足集热器荷载外,还对安装部位可能造成的墙体变形、裂缝等不利因素采取必要的技术措施。
3.设置在墙面的集热器和光电板支架应与墙面上的预埋件连接牢固,必要时在预埋件处增设混凝土构造柱,并应满足防腐要求。
4.设置在墙面的集热器与贮水箱相连的管线需穿过墙面时,应在墙面预埋防水套管。穿墙管线不宜设在结构柱处。
5.太阳能集热器和光电板镶嵌在墙面时,墙面装饰材料的色彩、分格宜与集热器协调一致。
8.3.9 当采用太阳能集热器和光电板直接作为屋面板或采用太阳能集热器作为阳台栏板时,应满足所在部位的刚度、强度、建筑热工、锚固、防护功能等方面的要求。
8.3.10 利用太阳能热水系统进行采暖时,宜采用地面辐射采暖。具体措施见本专篇4.2节。
8.3.11 太阳能热水系统贮水箱的设置应符合下列要求:
1.贮水箱宜布置在室内,如储藏室、设备间、车库、厨卫间、阁楼等。
2.贮水箱布置在室外应有保温、防冻措施。
3.设置贮水箱的建筑部位应采取相应的防水、排水措施。
4.贮水箱上方及周围应留有安装、检修空间。
8.4 被动式太阳房
8.4 被动式太阳房
8.4.1 被动式太阳房技术主要是通过建筑朝向和周围环境的布置,内部空间和外部形体处理,以及建筑材料和结构、构造选择,使在冬季能采集、保持、贮存和分配太阳热能,提供建筑采暖;在夏季又能遮挡太阳辐射,散逸室内热量,从而使建筑物降温,达到冬暖夏凉的目的。
8.4.2 被动式太阳房宜符合下列要求:
1.建筑平面布局宜利用冬季日照并避开冬季主导风向,利用夏季自然通风。建筑的主要朝向宜为南向或南偏东与南偏西不超过30°,南向偏东或南向偏西15°以内最为理想。
2.建筑平面规则,体形系数小,立面简洁,避免立面上的凹凸,且建筑对阳光不产生自身遮挡。
3.主要居住或活动房间应布置在向阳面,辅助房间布置在北面。
4.尽量在南向开大窗,减小北向窗,不设置东西向窗。窗宜为双层窗。
5.围护结构表面应采用导热系数小的材料,如聚苯板等,增加其热阻,降低传热系数。
6.蓄热材料应为重质密实材料,如砖、土坯、混凝土等。
7.通过环境绿化、遮阳、通风等措施解决建筑夏季降温。
8.4.3 被动式太阳房按照集热形式主要分为直接受益式、集热蓄热墙式、附加阳光间式和蓄热屋顶式四种形式。
1.直接受益式是利用南窗直接接受太阳辐射,用楼板、墙体及家具设备等作为吸热和储热体,当室温低于这些蓄热体的表面温度时,蓄热体放热向室内供暖,见图8.4.3-1。

2.集热蓄热墙式是将集热墙向阳的外表面涂以深色的选择性涂层,加强吸收并减少辐射散热,使该墙体成为集热和蓄热器,见图8.4.3-2。

3.附加阳光间式是在建筑南向外侧附加阳光间,冬季吸收太阳辐射热,夏季可利用开窗通风散热、设置窗帘等遮阳,防止太阳直射得热。阳光间可供起居、集热、养殖之用,见图8.4.3-3。
** 
**
** 4.蓄热屋顶式是将装满水的透明密封塑料袋作为贮热体置于屋顶上,其上设置可开启的保温盖板。冬季白天晴天时,将保温盖板敞开,水袋吸收太阳辐射热,水袋所储热量通过辐射和对流传至室内;夜间则关闭保温盖板,阻止向外的热损失。夏季保温盖板启闭情况与冬季相反,白天关闭保温盖板,隔绝阳光和室外热空气,较凉的水袋吸收下面房间的热量,使室温下降;夜间打开保温盖板,让水袋冷却。保温盖板还可根据房间温度、水袋内水温和太阳辐照度,进行自动调节启闭。屋顶式太阳房兼有冬季采暖和夏季降温功能,适合冬季不寒冷而夏季较热的地区。
8.4.4 直接受益式被动式太阳房宜符合下列要求:
1.建筑外形应规则,以正方形或接近正方形的矩形为宜。
2.室内净高不宜大于2.9m。南向房间的进深不宜超过净高的1.5倍,且集热面积与房间面积之比大于或等于30%。
3.建筑的围护结构有良好的保温性能,应至少达到当地节能设计标准要求。
4.集热窗应有保温窗帘或采取有效的保温隔热措施。
8.4.5 集热蓄热墙式被动式太阳房宜符合下列要求:
1.集热墙向阳面应有较大的太阳辐射吸收系数,如涂黑色、深蓝色、墨绿色和深棕色等。
2.集热墙向阳面外侧应安装玻璃或透明塑料板,并应保留150mm以上的空间,玻璃宜采用中空玻璃,透明塑料板宜采用保温的双层结构。
3.蓄热墙体宜采用200~400mm厚的混凝土墙、石墙、土坯墙等热容量大的墙体。
4.建筑的其他围护结构应有良好的保温性能,应至少达到当地节能设计标准要求。
8.4.6 附加阳光间式被动式太阳房宜符合下列要求:
1.附加阳光间应设置在南向墙外。如能够得到南向日照,也可设置于东墙或西墙上。
2.阳光间内应用混凝土、砖石等厚重密实材料做地面和隔墙。
3.阳光间内隔墙上部和下部应设置可开启、关闭的通气孔,中部应设采光窗。
4.阳光间内地面和墙面应采用深色的选择性涂层。
5.阳光间的窗玻璃应采用有两层空气间层的中空玻璃。窗外有保温、活动遮阳设施。
6.建筑的其他围护结构应有良好的保温性能,应至少达到当地节能设计标准要求。
8.4.7 蓄热屋顶式被动式太阳房宜符合下列要求:
1.屋顶保温盖板宜采用轻质、防水、耐候的保温构件。
2.保温盖板应能根据房间温度、水袋内水温和室外太阳辐射照度进行灵活调节和启闭。
3.保温板下方放置储热体的空间高度易为200~300mm。
4.建筑的其他围护结构应有良好的保温性能,应至少达到当地节能设计标准要求。**
10.3 楼地面热工计算
10.3 楼地面热工计算
10.3.1 传热系数。
楼板层的传热系数 K 按公式(10.1.1-1)、(10.1.1-2)、(10.1.1-3)计算,计算要点是:
1.上、下为居室的层间楼板的上、下表面换热阻均取Ra,b=0.11m2·K/W;
2.底面接触室外空气的架空或外挑楼板的上表面换热阻Ra=0.11m2·K/W,下表面换热阻Rb=0.05m2·K/W;
3.有地下室或地下室停车库楼板的上表面换热阻Ra=0.11m2·K/W,下表面换热阻Rb=0.08m2·K/W;
4.保温层材料的导热系数应按公式(10.1.1-4)取计算导热系数λc;
5.有钢筋混凝土梁、肋的底面接触室外空气的架空通风或外挑楼板,当采用的外保温系统只是粘结在楼板底面时,应按公式(10.1.1-5)计算楼板的平均传热系数 Km,并使 Km 符合标准中规定的限值。
10.3.2 底层地面的热阻。
底层地面由于上、下不包括空气边界层,不能采用传热系数 K 作为评价底层地面的热工性能指标,只能采用热阻作为评价其热工性能的指标。
底层地面的热阻 Rg按下列公式计算:
式中 Rg——底层地面的热阻(m2·K/W);
Ra——地面上表面的换热阻(m2·K/W),取Ra=0.11m2·K/W;
R——地面至垫层各层材料的热阻之和(m2·K/W),包括面层、保温层、垫层,各层材料的热阻Rj按公式(10.1.1-3)、(10.1.1-4)计算。
底层地面热阻计算的要点是:
1.垫层以上各层材料的导热系数 λ 可由《民用建筑热工设计规范》GB 50176-1993的附表4.1中查取;
2.严寒及寒冷地区的地面应将周边地面和非周边地面的热阻分别计算,周边地面系指距外墙2m以内的地面。
10.3.3 保温层厚度计算。
地面的保温层厚度δin按下式计算:
式中 δin——地面的保温层厚度(m);
λc,in——保温层材料的计算导热系数[W/(m·K)];
Rre——地面要求的热阻,取所在地区建筑节能设计标准规定的地面热阻 R 限值(m2·K/W);
Rc——地面面层至垫层除保温层外的各层材料的热阻之和(m2·K/W),按公式(10.1.1-2)和(10.1.1-3)计算。
既有建筑节能改造
9.1 一般规定
9.1 一般规定
9.1.1 既有建筑节能改造的判定要点。
1.改造内容。
既有建筑节能改造分为外墙(包括非透明幕墙、不采暖楼梯间墙)、屋面、外门窗(包括透明幕墙、户门和不封闭阳台门)、直接接触室外空气的楼地面,以及采暖空间与非采暖空间隔墙与楼板等。
2.勘查与初步验算。
进行节能改造之前,应先进行结构鉴定,以确保建筑物的结构安全和使用功能。当涉及主体和承重结构改动或增加荷载时,必须由原设计单位或具备相应资质的设计单位对既有建筑结构的安全性进行核验、确认;
进行节能改造之前,应结合现场查勘,对可改造性、热工性能进行综合判定,判定依据为:
a.建筑地形图及竣工图纸;
b.建筑装修改造以及历年修缮资料;
c.城市建设规划和市容要求;
d.热工验算;
e.采暖供热系统查勘资料;
f.室内热环境状况的实地考察记录。
3.节能评价标准及内容。
节能评价标准按现行国家、行业节能设计标准,当地节能设计、验收等相关标准或规范执行。
主要评价内容有:墙体砌筑材料及厚度、楼板材料及厚度、屋面材料及厚度、保温材料及厚度、外门窗等;不同朝向的窗墙面积比、体形系数等。评价指标见表9.1.1-1。
表9.1.1-1 既有建筑节能评价指标(按规定性指标)

4.围护结构热工性能检测。
对于建筑围护结构的热工性能不清楚,需要进行检测时,按表9.1.1-2要求的内容和标准进行检测。
5.节能评价方法。
规定性指标评价,按表9.1.1-1要求的评价内容,对照所在地区节能标准,逐项评价。
在规定性指标不满足的情况下,可采用“对比评定法”进行综合评价。严寒和寒冷地区以建筑耗热量指标为判据,夏热冬冷地区和温和地区以采暖耗电量和空调耗电量之和为判据,在夏热冬暖地区以空调耗电量为判据,确定建筑的实际节能率。具体评价详见表9.1.1-3和表9.1.1-4。
表9.1.1-2 既有建筑围护结构热工性能检测内容和标准

表9.1.1-3 既有建筑节能评价内容(按耗电量指标)

表9.1.1-4 既有建筑节能评价内容(按耗热量指标)

**
**
注:1.本表中改造建筑指要节能改造的既有建筑,参照建筑指按传热系数限值计算耗热量指标的建筑,设计建筑指经节能改造的建筑。
2.Ky-既有建筑围护结构传热系数,Kx-传热系数限值,Ki-设计计算的传热系数。
3.由于参照建筑与设计建筑的空气渗透耗热量和室内得热量相同,因此本表进行了简化,只需调整设计建筑的Ki,使其∑εiKiFi小于等于参照建筑的∑εiKiFi即可。
9.1.2 既有建筑节能改造设计要点:
1.保证建筑结构安全;
2.不宜改变建筑体形系数;
3.满足现行节能设计标准要求,改善室内热环境和居住舒适度;
4.结合城市规划和市容要求,对建筑外观、屋顶的改造时,进行建筑节能改造;
5.结合平屋面改坡屋面、安装太阳能热水器时,进行建筑节能改造;
6.改造措施和内容见表9.1.2。
表9.1.2 建筑围护结构节能改造措施和内容

9.2 既有建筑节能改造技术
9.2 既有建筑节能改造技术
9.2.1 墙体改造技术和要求。
1.严寒地区、寒冷地区、夏热冬冷地区优先采用外保温技术,并与建筑改、扩建结合。外保温设计施工按照《外墙外保温工程技术规程》JGJ 144或本地区建筑节能设计标准推荐的技术。
2.寒冷地区、夏热冬冷地区在外保温确实无法施工或需要保持既有建筑原貌时,可以采用内保温技术。
3.夏热冬暖地区、温和地区墙体经过计算评价,隔热性能不满足要求时,可以采用浅色处理、加设保温隔热层等措施。
4.外保温设计应与防水、装饰相结合,做好保温层密封和防水设计。
5.外保温系统施工前,应进行基层墙体处理,满足保温系统的施工要求。
6.外保温系统可采用保温装饰复合板,减少或避免湿作业。
9.2.2 门窗改造技术及要求。
1.窗户的节能改造设计应满足安全、保温、隔声、通风和采光等性能。
2.严寒、寒冷地区的单元门应采用保温门,必要时单元门应加设门斗;位于非采暖走道内的户门应采用保温门。单元门宜安装闭门器。
3.严寒、寒冷地区可在原单玻窗外(或内)加装一层窗,间距在100mm左右,并能满足热工性能指标;原窗如位于室内侧时,应采取措施,改善其密封性能。
4.更换新窗时,窗框与墙之间应有合理的保温密封构造,以减少该部位的开裂、结露和空气渗透。
5.夏热冬冷、寒冷地区东西向可采用活动外遮阳。
6.夏热冬暖地区应以改善窗户遮阳为主,可以更换玻璃、安装外遮阳设施、贴隔热膜等。
7.遮阳膜、热反射玻璃的可见光透过率应大于0.3,以免影响窗户的采光性能。
8.外遮阳系统要保证安全并方便清洁。
9.2.3 屋面改造技术及要求。
1.屋面节能改造应根据屋面的形式,采用相适应的改造措施。如原防水可靠,则可直接做倒置式屋面。
2.如防水层有渗漏,应铲除原防水层,重新做保温层和防水层。
3.平屋面改坡屋面,宜在原有建筑平屋顶上铺设耐久性、防火性好的保温层。
4.坡屋面改造时,宜在原吊顶上铺设轻质保温材料。无吊顶时可在坡屋面上增加或加厚保温层或增设吊顶,并在吊顶上铺设保温材料。吊顶应耐久、防火、安全。夏热冬冷、夏热冬暖地区应采取通风措施,避免闷顶。
5.平屋面、平屋面改坡屋面和坡屋面改造时,宜结合安装太阳能热水器和太阳能光电板同时考虑。在既有建筑屋面上增设太阳能热水系统应符合国家标准《民用建筑太阳能热水系统应用技术规范》GB 50364的规定。
6.有条件时,可采用种植屋面。
9.2.4 其他部分改造。
1.建筑底层下部为非采暖空间,则应对其楼板加设保温层。将保温层置于楼板底部,可采用粘结、粘钉结合或吊顶方式。如下层空间有防火要求,则保温材料和构造做法应满足防火等级要求。
2.既有建筑幕墙改造措施:
应充分利用层间部位,采取高效保温措施;减少实际窗墙面积比;
夏热冬暖地区可更换遮阳系数小的玻璃,加装内遮阳设施;
严寒、寒冷及夏热冬冷地区可在室内增设一层窗户;
非透明幕墙,可在室内一侧增加保温层。
围护结构热工计算
10 围护结构热工计算
10.1 墙体热工计算
10.1.1 墙体传热系数。
1.传热系数K应按下列公式计算:

式中 Ro——传热阻,表征围护结构(包括两侧表面空气边界层)阻抗热传递的能力(m2·K/W);
Ri——内表面换热阻(m2·K/w),一般取(m2·K/w),对于分户墙,两侧表面的换热阻均取Ri=0.11(m2·K/W);
Re——外表面换热阻,一般取(m2·K/W);
R ——墙体结构层的热阻,等于构成墙体的各材料层的热阻之和(m2·K/W),由单一或多层材料构成的结构层的热阻R按公式(10.1.1-3)和(10.1.1-4)计算,由两种以上材料组成的、两向非匀质的围护结构(包括多种形式的空心砌块、填充保温材料的墙体等,但不包括多孔粘土空心砖),其平均热阻应按《民用建筑热工设计规范》GB 50176-93中附录二的公式(附2.3)进行计算;
δj——各材料层的厚度(m);
λc,j——各材料层的计算导热系数[W/(m·K)];
λj——各材料层材料的导热系数,一般为实验室干燥状态下的测定值[W/(m·K)];
a——考虑使用位置和湿度影响的大于1.0的修正系数。
注:材料的导热系数 λ 和修正系数 a ,可在《民用建筑热工设计规范》GB 50176-93的附表4.1和附表4.2中查取。
2.外墙平均传热系数Km。
外墙平均传热系数Km应由外墙主体部位的传热系数Kp与面积Fp和结构性热桥部位的传热系数Kb与面积Fb,用加权平均方法按下式计算:
式中 Km——外墙平均传热系数(m2·K/W);
Kp——外墙主体部位传热系数(m2·K/W);
Fp——外墙主体部位面积(m2);
Kb——外墙结构性热桥部位传热系数(m2·K/W);
Fb——外墙结构性热桥部位面积(m2)。
由于外墙上结构性热桥部位的传热系数Kb和主体部位与结构性热桥部位的面积Fp与Fb的计算比较复杂,而且也不易计算准确。为了方便外墙的建筑热工节能计算,可采用如下简化方法计算外墙的平均传热系数Km。
结构性热桥部位的传热系数Kb按公式(10.1.1-1)设计,计算时取钢筋混凝土结构性热桥部位的计算厚度δb与外墙主体部位的计算厚度δp相同。
根据所设计建筑的结构体系,按表10.1.1-1选择外墙主体部位和结构性热桥部位的面积Fp、Fb在外墙面积中所占的比值A和B代替公式(10.1.1-5)中的Fp和Fb计算外墙的平均传热系数Km,见表10.1.1-1。
表10.1.1-1 Fp、Fb在外墙面积中所占比值A和B

10.1.2 结构性热桥部位的低限传热阻Ro.min应按《民用建筑热工设计规范》GB 50176-1993第4.1.1条的规定进行计算,并选择适宜的保温措施使Ro.min符合采暖期间内表面不结露的要求。若外墙为轻质材料或内侧复合轻质材料时,为保证不因温度波动造成结露,该部位的最小传热阻Ro.min应根据外墙材料与构造增加附加热阻:
1.当建筑物处在连续供热采暖时,其附加值为30%~40%;
2.当建筑物在间隙供热采暖时,其附加值为60%~80%。
10.1.3 严寒和寒冷地区,当采暖建筑外墙的保温层外侧有密实保护层,或内侧结构层为加气混凝土、砖等多孔材料时,应按《民用建筑热工设计规范》GB 50176-93第六章的规定,进行内部冷凝受潮验算,并采取适宜的防潮措施以防止外墙内部冷凝。
10.1.4 热惰性指标。
热惰性指标是目前居住建筑节能设计标准中评价外墙和屋面隔热性能的一个设计指标,它是表征在夏季周期传热条件下,外围护结构抵抗室外温度波和热流波动能力的一个无量纲指标,以符号D表示,D值越大,温度波与热流波的衰减程度也越大。
热惰性指标D应按下式计算:

式中 Dj——外墙各材料层的热惰性指标;
Rj——外墙各材料层的热阻(m2·K/W),按公式(10.1.1-3)和(10.1.1-4)计算;
Sc,j——各层材料的计算蓄热系数[W/(m2·K)],为材料的蓄热系数Sj与修正系数 a 的乘积,即 Sc,j=Sj·a 。
材料的蓄热系数S和修正系数 a 可由《民用建筑热工设计规范》GB 50176-93的附表4.1和附表4.2中查取。空气间层的热惰性指标Da=0。
如某层为两种以上材料组成,应按《民用建筑热工设计规范》GB 50176-93附录二中的公式(附2.7)和(附2.8)计算该层的平均蓄热系数 S ,然后与该层的平均热阻 R 相乘,即为该层的平均热惰性指标 D 值。
同外墙取平均传热系数Km一样,也应考虑结构性热桥影响的平均热惰性指标Dm。Dm的计算方法与Km的计算方法相同,即由外墙主体部位的热惰性指标Dp与面积Fp和外墙结构性热桥部位的热惰性指标Db与面积Fb,用如同公式(10.1.1-5)的加权平均方法计算。
10.1.5 保温隔热层厚度计算。
外墙的保温隔热层厚度δin按下式计算:

式中 δin——保温隔热层厚度(m);
λc,in——保温材料的计算导热系数[W/(m·K)],λc,in=λin·a;
Kre——外墙规定的传热系数限值,取所在地区建筑节能设计标准规定的外墙平均传热系数Km限值[ W/(m2·K)];
Rc——外墙构造层中除保温层外的各层材料的热阻之和(m2·K/W),按公式(10.1.1-3)和(10.1.1-4)计算。
10.2 屋面热工计算
10.2 屋面热工计算
10.2.1 传热系数。
屋面的传热系数 K 按公式(10.1.1-1)、(10.1.1-2)、(10.1.1-3)计算,计算要点如下:
1.外表面的换热阻Re=0.04m2·K/W;
2.内表面的换热阻Ri=0.11m2·K/W;
3.平屋面找坡层的计算厚度取最小厚度,即起坡高度(m);
4.防水层的热阻忽略不计;
5.保温层材料的导热系数应取计算导热系数λc,即应以实验室绝干状态下测定的导热系数 λ 乘以大于1.0的修正系数 a 。材料的导热系数 λ 和修正系数口可由《民用建筑热工设计规范》GB 50176-93中的附表4.1和附表4.2查取;
6.采用松散保温材料搅拌成的浆体材料做保温层,其导热系数应以混合后的实际材料导热系数计算。
10.2.2 热惰性指标。
屋面的热惰性指标 D 按公式(10.1.4)计算,计算要点是:
1.材料的导热系数和蓄热系数应取计算导热系数λc和计算蓄热系数Sc;
2.如某层材料为两种以上材料组成时,应按《民用建筑热工设计规范》GB 50176-93附录二中(二)的要求,先计算该层的平均蓄热系数 Sj,然后再计算该层的热惰性指标 Dj。
10.2.3 保温隔热层厚度计算。
屋面的保温隔热层厚度 δin 按公式(10.1.5)计算,计算要点是:
1.保温材料的导热系数应取计算导热系数λc,λc=λ·a;
2.屋面规定的传热系数Kre,取所在地区建筑节能设计标准规定的屋面传热系数 K 限值。
10.4 门窗、幕墙热工计算
10.4 门窗、幕墙热工计算
10.4.1 建筑门窗的传热系数K应按以下公式计算:

式中 K——窗的传热系数[W/(m2·K)];
Ag——窗玻璃面积(m2);
Af——窗框的投影面积(m2);
lψ——玻璃区域的周长(m);
Kg——窗玻璃中央区域的传热系数[W/(m2·K)];
Kf——窗框的面传热系数[W/(m2·K)];
ψ——窗框和窗玻璃之间的附加线传热系数[W/(m·K)]。
10.4.2 建筑门窗的遮阳系数应按照以下方法计算。
1.窗的太阳能总透射比gt采用下式计算:

式中 gt——窗的太阳能总透射比;
Ag——窗玻璃面积(m2);
Af——窗框的投射面积(m2);
gg——窗玻璃区域(或者其他镶嵌板)太阳能总透射比;
gf——窗框太阳能总透射比,对给定窗的不同部分应分别计算求和;
At——整窗的总投影面积(m2)。
2.窗的遮阳系数SC应为窗的太阳能总透射比与标准3mm透明玻璃的太阳能总透射比之比,按下式计算:

式中 SC——整窗的遮阳系数;
gt——整窗的太阳能总透射比。
10.4.3 幕墙单元的传热系数Kcw按下式计算:

式中 Ag——透明面板面积(m2);
lg——透明面板边缘长度(m);
Kg——透明面板中部的传热系数[W/(m2·K)];
ψg——透明面板边缘附加线传热系数[W/(m·K)];
AP——非透明面板面积(m2);
lP——非透明面板边缘长度(m);
KP——非透明面板中部的传热系数[W/(m2·K)];
ψp——非透明面板边缘附加线传热系数[W/(m·K)];
Af——框的投射面积(m2);
Kf——窗框的面传热系数[W/(m2·K)]。
1.当幕墙背后有实体墙,且幕墙与实体墙之间为封闭空气层时,实体墙部分的室内环境到室外环境的传热系数K按下式计算:
式中 Kcw——实体墙部分面积范围内外层幕墙的传热系数[W/(m2·K)];
Rair——幕墙与墙体间空气间层的热阻,一般可取0.17m2·K/W;
Kwall——实体墙部分面积范围内实体墙的传热系数[W/(m2·K)];
hin——墙体内表面换热系数[W/(m2·K)],一般可取8W/(m2·K);
hout——墙体外表面换热系数[W/(m2·K)],一般可取23W/(m2·K)。
2.单层墙体的传热系数Kwall按下式计算:
式中 d——单层材料的厚度(m);
λ——单层材料的导热系数[W/(m·K)]。
3.多层实体墙的传热系数Kwall可采用下式计算:
式中 di——各层单层材料的厚度(m);
λi——各层单层材料的导热系数[W/(m·K)]。
4.若幕墙与实体墙之间存在热桥,当热桥的面积小于实体墙部分面积1%时,热桥的影响可以忽略;当热桥的面积大于实体墙部分面积1%时,应计算热桥的影响。
计算热桥的影响,可采用当量热阻Reff代替公式(10.4.3-2)中的空气间层热阻Rair。当量热阻Reff按下式计算:

式中 Ab——热桥元件的面积(m2);
A——幕墙单元内空气间层的总面积(m2);
λb——热桥材料导热系数[W/(m·K)];
Rair——空气间层的热阻[m2·K/W]。
10.4.4 玻璃幕墙单元的太阳能总透射比gt按下式计算:

式中 Ag——透明面板的面积(m2);
gg——透明面板的太阳能总透射比;
Ap——非透明面板的面积(m2);
gp——非透明面板的太阳能总透射比;
Af——框的面积(m2);
gf——框的太阳能总透射比。
幕墙的遮阳系数 SC 应为幕墙的太阳能总透射比与标准3mm透明玻璃的太阳能总透射比的比值,按下式计算:

式中 SC ——幕墙的遮阳系数;
gt——幕墙的太阳能总透射比。
框的太阳能总透射比 gf 按下式计算:

式中 hout——框的外表面换热系数[W/(m2·K)];
ρf——框表面太阳辐射吸收系数[W/(m2·K)];
Kf——框的传热系数[W/(m2·K)];
Asurf——框的外表面面积(m2);
Af——框面积(m2)。
10.4.5 用二维有限单元法进行数字计算,可以得到窗框或幕墙框的传热系数。在没有详细的计算结果可以应用时,可以应用本条的计算方法得到窗框的传热系数。
本节中给出的框的传热系数值都是对应窗或幕墙垂直安装时的情况。框传热系数的数值包括了框表面积的影响。计算传热系数的数值时取hin=8.0W/(m2·K)和hout=23W/(m2·K)。
1.木窗框以及金属-木窗框的热传递与窗框厚度df的关系见图10.4.5-1。

图10.4.5-1 木窗框以及金属-木窗框的热传递与窗框厚度df的关系
2.塑料窗框的传热系数见表10.4.5-1。
表10.4.5-1 塑料窗框的传热系数
| 窗框材料 | 窗框种类 | Kf[W/(m2·K)] |
| 聚氨酯 | 带有金属加强筋型材壁厚的净厚度≥5mm | 2.8 |
| PVC腔体截面 | 从室内到室外为两腔结构,无金属加强筋 | 2.2 |
| 从室内到室外为两腔结构,带金属加强筋 | 2.7 | |
| 从室内到室外为三腔结构,无金属加强筋 | 2.0 |
3.木窗框。
木窗框的Kf值是在水汽含量在12%的情况下获得,窗框厚度见图10.4.5-2:

4.金属窗框。
- 金属窗框的传热系数Kf按下式计算:

式中 Ad,i——框室内部分的表面积(m2);
Ad,e——框室外部分的表面积(m2);
Af,i——框室内部分的投影面积(m2);
Af,e——框室外部分的投影面积(m2);
hin——框的内表面换热系数[W/(m2·K)],可取8.0W/(m2·K);
hout——框的外表面换热系数[W/(m2·K)],可取23W/(m2·K);
Rf——框截面的热阻(m2·K/W),隔热条的导热系数可取为0.3W/(m·K),热阻根据隔热条的尺寸和数量计算。
金属框的热阻Rf按下式计算:
对没有隔热的金属框,使用Kf,0=5.9W/(m2·K)。
对具有隔热的金属框,Kf,0的数值按图10.4.5-3中阴影区域上限的粗线选取,图10.4.5-4、图10.4.5-5为两种不同的隔热金属框截面类型示意图。

图10.4.5-3 带隔热的金属窗框的传热系数值

图10.4.5-4 隔热金属框截面类型1[采用导热系数低于0.3W/(m·K)的隔热条]

图10.4.5-5 隔热金属框截面类型2[采用导热系数低于0.20W/(m·K)的泡沫材料]
图10.4.5-3中,带隔热条的金属窗框适用条件是:

式中 d——热断桥对应的铝合金截面之间的最小距离(m);
bj——热断桥j的宽度(m);
bf——窗框的宽度(m)。
图10.4.5-3中,采用泡沫材料隔热的金属框适用条件是:

式中 d——热断桥对应的铝合金截面之间的最小距离(m);
bj——热断桥 j 的宽度(m);
bf——窗框的宽度(m)。
10.4.6 窗框与玻璃结合处的附加线传热系数ψ主要受间隔层材料传导率的影响。在没有精确计算的情况下,可采用表10.4.6中的估算值。
表10.4.6 铝合金、钢(不包括不锈钢)与中空玻璃结合的线传热系数ψ
| 窗框材料 | 双层或三层未镀膜中控玻璃 ψ[W/(m·K)] | 双层Low-E镀膜或三层中空玻璃(其中两片LOW-E镀膜) ψ[W/(m·K)] |
| 木窗框和塑料窗框 | 0.04 | 0.06 |
| 带隔热的金属窗框 | 0.06 | 0.08 |
| 没有隔热的金属窗框 | 0 | 0.02 |
附录A 民用建筑工程设计建筑节能篇
附录A 民用建筑工程设计建筑节能篇
A.0.1 居住建筑:
1.项目名称________,________栋。总建筑面积________m2,建筑体积________m3。
本项目地处气候分区的________地区的________区,采暖度日数________,空调度日数________。
建筑物层数________层。建筑体形系数________。
2.屋面的传热系数K[W/(m2·K)]________。
3.外墙采用________保温/隔热措施。外墙传热系数K[W/(m2·K)]________。
4.底面接触室外空气的架空或外挑楼板传热系数K[W/(m2·K)]________。
5.分隔采暖与非采暖空间的隔墙传热系数K[W/(m2·K)]________。
分隔采暖与非采暖空间的楼板传热系数K[W/(m2·K)]________。
6.户门采用________门,传热系数K[W/(m2·K)]________。
7.阳台门下部门芯板传热系数K[W/(m2·K)]________。
8.地面周边地面采取________保温措施,传热系数K(W/m2·K)________。
地面非周边地面采取________保温措施,传热系数K[W/(m2·K)]________。
9.窗:
外窗(南向)采用________窗,窗墙面积比________。
窗的传热系数K[W/(m2·K)]。遮阳系数SC。
外窗(北向)采用________窗,窗墙面积比________。
窗的传热系数K[W/(m2·K)]。遮阳系数SC。
外窗(东向)采用________窗,窗墙面积比________。
窗的传热系数K[W/(m2·K)]。遮阳系数SC。
外窗(西向)采用________窗,窗墙面积比________。
窗的传热系数K[W/(m2·K)]。遮阳系数SC。
天窗的传热系数K[W/(m2·K)]。遮阳系数SC。
A.0.2 公共建筑:
1.项目名称________。
建筑类型________。层数(地上)________层,(地下)________层。总建筑面积________m2,
建筑体积________m3,体形系数________。
本项目地处气候分区的________地区的_________区。
2.屋面的传热系数K[W/(m2·K)]________。
3.外墙采用________保温/隔热措施。外墙传热系数K[W/(m2·K)]________。
采暖地下室外墙采用________,传热系数K[W/(m2·K)]________。
4.底面接触室外空气的架空层或外挑楼板采取________保温/隔热措施,传热系数K[W/(m2·K)]________。
5.非采暖房间与采暖房间的隔墙采用________,传热系数K[W/(m2·K)]________。
非采暖房间与采暖房间的楼板采用________,传热系数K[W/(m2·K)]________。
6.窗(包括透明幕墙):
南向窗采用____________窗。窗墙面积比________,窗的传热系数K[W/(m2·K)]。遮阳系数SC。
北向窗采用________窗。窗墙面积比________,窗的传热系数K[W/(m2·K)]。遮阳系数SC。
东向窗采用________窗。窗墙面积比________,窗的传热系数K[W/(m2·K)]。遮阳系数SC。
西向窗采用________窗。窗墙面积比________,窗的传热系数K[W/(m2·K)]。遮阳系数SC。
屋顶透明部分采用________。传热系数K[W/(m2·K)]。遮阳系数SC。
7.地面采用________地面,热阻R(m2·K/W)________。
附录B 采暖居住建筑节能设计审查表
附录B 采暖居住建筑节能设计审查表

续表

附录C 夏热冬冷地区居住建筑节能设计审查表
附录C 夏热冬冷地区居住建筑节能设计审查表

续表

附录D 夏热冬暖地区居住建筑节能设计审查表
附录D 夏热冬暖地区居住建筑节能设计审查表

续表

续表

附录E 采暖居住建筑围护结构做法表
附表E-1 设计建筑屋顶、外墙等保温做法表

附表E-2 设计建筑外窗做法表

注:本表由建筑专业负责人填写。
附录F 夏热冬冷、夏热冬暖地区居住建筑围护结构做法表
附录F-1 设计建筑屋顶、外墙、分户墙、楼板保温做法表

附表F一2 设计建筑外窗做法表

注:本表由建筑专业负责人填写。
附录G 严寒地区公共建筑热工能判断表
附录G 严寒地区公共建筑热工能判断表

附录H 寒冷地区公共建筑热工性能判断表
附录H 寒冷地区公共建筑热工性能判断表

附录I 夏热冬冷地区公共建筑热工性能判断表
附录I 夏热冬冷地区公共建筑热工性能判断表

附录J 夏热冬暖地区公共建筑热工性能判断表
附录J 夏热冬暖地区公共建筑热工性能判断表

附录K 我国主要城市最热3个月和最冷3个月的太阳辐照量
附录K 我国主要城市最热3个月和最冷3个月的太阳辐照量

续表

续表

续表

续表

**
**
续表

续表

续表

续表

续表

**
**
附录L 民用建筑节能管理规定
附录L 民用建筑节能管理规定
附录L 民用建筑节能管理规定
**中华人民共和国建设部令
第143号**
《民用建筑节能管理规定》已于2005年10月28日经第76次部常务会议讨论通过,现予发布,自2006年1月1日起施行。
建设部部长 汪光焘
二〇〇五年十一月十日
民用建筑节能管理规定
第一条 为了加强民用建筑节能管理,提高能源利用效率,改善室内热环境质量,根据《中华人民共和国节约能源法》、《中华人民共和国建筑法》、《建设工程质量管理条例》,制定本规定。
第二条 本规定所称民用建筑,是指居住建筑和公共建筑。
本规定所称民用建筑节能,是指民用建筑在规划、设计、建造和使用过程中,通过采用新型墙体材料,执行建筑节能标准,加强建筑物用能设备的运行管理,合理设计建筑围护结构的热工性能,提高采暖、制冷、照明、通风、给排水和通道系统的运行效率,以及利用可再生能源,在保证建筑物使用功能和室内热环境质量的前提下,降低建筑能源消耗,合理、有效地利用能源的活动。
第三条 国务院建设行政主管部门负责全国民用建筑节能的监督管理工作。
县级以上地方人民政府建设行政主管部门负责本行政区域内民用建筑节能的监督管理工作。
第四条 国务院建设行政主管部门根据国家节能规划,制定国家建筑节能专项规划;省、自治区、直辖市以及设区城市人民政府建设行政主管部门应当根据本地节能规划,制定本地建筑节能专项规划,并组织实施。
第五条 编制城乡规划应当充分考虑能源、资源的综合利用和节约,对城镇布局、功能区设置、建筑特征,基础设施配置的影响进行研究论证。
第六条 国务院建设行政主管部门根据建筑节能发展状况和技术先进、经济合理的原则,组织制定建筑节能相关标准,建立和完善建筑节能标准体系;省、自治区、直辖市人民政府建设行政主管部门应当严格执行国家民用建筑节能有关规定,可以制定严于国家民用建筑节能标准的地方标准或者实施细则。
第七条 鼓励民用建筑节能的科学研究和技术开发,推广应用节能型的建筑、结构、材料、用能设备和附属设施及相应的施工工艺、应用技术和管理技术,促进可再生能源的开发利用。
第八条 鼓励发展下列建筑节能技术和产品:
(一)新型节能墙体和屋面的保温、隔热技术与材料;
(二)节能门窗的保温隔热和密闭技术;
(三)集中供热和热、电、冷联产联供技术;
(四)供热采暖系统温度调控和分户热量计量技术与装置;
(五)太阳能、地热等可再生能源应用技术及设备;
(六)建筑照明节能技术与产品;
(七)空调制冷节能技术与产品;
(八)其他技术成熟、效果显著的节能技术和节能管理技术。
鼓励推广应用和淘汰的建筑节能部品及技术的目录,由国务院建设行政主管部门制定;省、自治区、直辖市建设行政主管部门可以结合该目录,制定适合本区域的鼓励推广应用和淘汰的建筑节能部品及技术的目录。
第九条 国家鼓励多元化、多渠道投资既有建筑的节能改造,投资人可以按照协议分享节能改造的收益;鼓励研究制定本地区既有建筑节能改造资金筹措办法和相关激励政策。
第十条 建筑工程施工过程中,县级以上地方人民政府建设行政主管部门应当加强对建筑物的围护结构(含墙体、屋面、门窗、玻璃幕墙等)、供热采暖和制冷系统、照明和通风等电器设备是否符合节能要求的监督检查。
第十一条 新建民用建筑应当严格执行建筑节能标准要求,民用建筑工程扩建和改建时,应当对原建筑进行节能改造。
既有建筑节能改造应当考虑建筑物的寿命周期,对改造的必要性、可行性以及投入收益比进行科学论证。节能改造要符合建筑节能标准要求,确保结构安全,优化建筑物使用功能。
寒冷地区和严寒地区既有建筑节能改造应当与供热系统节能改造同步进行。
第十二条 采用集中采暖制冷方式的新建民用建筑应当安设建筑物室内温度控制和用能计量设施,逐步实行基本冷热价和计量冷热价共同构成的两部制用能价格制度。
第十三条 供热单位、公共建筑所有权人或者其委托的物业管理单位应当制定相应的节能建筑运行管理制度,明确节能建筑运行状态各项性能指标、节能工作诸环节的岗位目标责任等事项。
第十四条 公共建筑的所有权人或者委托的物业管理单位应当建立用能档案,在供热或者制冷间歇期委托相关检测机构对用能设备和系统的性能进行综合检测评价,定期进行维护、维修、保养及更新置换,保证设备和系统的正常运行。
第十五条 供热单位、房屋产权单位或者其委托的物业管理等有关单位,应当记录并按有关规定上报能源消耗资料。
鼓励新建民用建筑和既有建筑实施建筑能效测评。
第十六条 从事建筑节能及相关管理活动的单位,应当对其从业人员进行建筑节能标准与技术等专业知识的培训。
建筑节能标准和节能技术应当作为注册城市规划师、注册建筑师、勘察设计注册工程师、注册监理工程师、注册建造师等继续教育的必修内容。
第十七条 建设单位应当按照建筑节能政策要求和建筑节能标准委托工程项目的设计。
建设单位不得以任何理由要求设计单位、施工单位擅自修改经审查合格的节能设计文件,降低建筑节能标准。
第十八条 房地产开发企业应当将所售商品住房的节能措施、围护结构保温隔热性能指标等基本信息在销售现场显著位置予以公示,并在《住宅使用说明书》中予以载明。
第十九条 设计单位应当依据建筑节能标准的要求进行设计,保证建筑节能设计质量。
施工图设计文件审查机构在进行审查时,应当审查节能设计的内容,在审查报告中单列节能审查章节;不符合建筑节能强制性标准的,施工图设计文件审查结论应当定为不合格。
第二十条 施工单位应当按照审查合格的设计文件和建筑节能施工标准的要求进行施工,保证工程施工质量。
第二十一条 监理单位应当依照法律、法规以及建筑节能标准、节能设计文件、建设工程承包合同及监理合同对节能工程建设实施监理。
第二十二条 对超过能源消耗指标的供热单位、公共建筑的所有权人或者其委托的物业管理单位,责令限期达标。
第二十三条 对擅自改变建筑围护结构节能措施,并影响公共利益和他人合法权益的,责令责任人及时予以修复,并承担相应的费用。
第二十四条 建设单位在竣工验收过程中,有违反建筑节能强制性标准行为的,按照《建设工程质量管理条例》的有关规定,重新组织竣工验收。
第二十五条 建设单位未按照建筑节能强制性标准委托设计,擅自修改节能设计文件,明示或暗示设计单位、施工单位违反建筑节能设计强制性标准,降低工程建设质量的,处20万元以上50万元以下的罚款。
第二十六条 设计单位未按照建筑节能强制性标准进行设计的,应当修改设计。未进行修改的,给予警告,处10万元以上30万元以下罚款;造成损失的,依法承担赔偿责任;两年内,累计三项工程未按照建筑节能强制性标准设计的,责令停业整顿,降低资质等级或者吊销资质证书。
第二十七条 对未按照节能设计进行施工的施工单位,责令改正;整改所发生的工程费用,由施工单位负责;可以给予警告,情节严重的,处工程合同价款2%以上40%以下的罚款;两年内,累计三项工程未按照符合节能标准要求的设计进行施工的,责令停业整顿,降低资质等级或者吊销资质证书。
第二十八条 本规定的责令停业整顿、降低资质等级和吊销资质证书的行政处罚,由颁发资质证书的机关决定;其他行政处罚,由建设行政主管部门依照法定职权决定。
第二十九条 农民自建低层住宅不适用本规定。
第三十条 本规定自2006年1月1日起施行。原《民用建筑节能管理规定》(建设部令第76号)同时废止。
附录L 民用建筑节能管理规定
附录L 民用建筑节能管理规定
**中华人民共和国建设部令
第143号**
《民用建筑节能管理规定》已于2005年10月28日经第76次部常务会议讨论通过,现予发布,自2006年1月1日起施行。
建设部部长 汪光焘
二〇〇五年十一月十日
民用建筑节能管理规定
第一条 为了加强民用建筑节能管理,提高能源利用效率,改善室内热环境质量,根据《中华人民共和国节约能源法》、《中华人民共和国建筑法》、《建设工程质量管理条例》,制定本规定。
第二条 本规定所称民用建筑,是指居住建筑和公共建筑。
本规定所称民用建筑节能,是指民用建筑在规划、设计、建造和使用过程中,通过采用新型墙体材料,执行建筑节能标准,加强建筑物用能设备的运行管理,合理设计建筑围护结构的热工性能,提高采暖、制冷、照明、通风、给排水和通道系统的运行效率,以及利用可再生能源,在保证建筑物使用功能和室内热环境质量的前提下,降低建筑能源消耗,合理、有效地利用能源的活动。
第三条 国务院建设行政主管部门负责全国民用建筑节能的监督管理工作。
县级以上地方人民政府建设行政主管部门负责本行政区域内民用建筑节能的监督管理工作。
第四条 国务院建设行政主管部门根据国家节能规划,制定国家建筑节能专项规划;省、自治区、直辖市以及设区城市人民政府建设行政主管部门应当根据本地节能规划,制定本地建筑节能专项规划,并组织实施。
第五条 编制城乡规划应当充分考虑能源、资源的综合利用和节约,对城镇布局、功能区设置、建筑特征,基础设施配置的影响进行研究论证。
第六条 国务院建设行政主管部门根据建筑节能发展状况和技术先进、经济合理的原则,组织制定建筑节能相关标准,建立和完善建筑节能标准体系;省、自治区、直辖市人民政府建设行政主管部门应当严格执行国家民用建筑节能有关规定,可以制定严于国家民用建筑节能标准的地方标准或者实施细则。
第七条 鼓励民用建筑节能的科学研究和技术开发,推广应用节能型的建筑、结构、材料、用能设备和附属设施及相应的施工工艺、应用技术和管理技术,促进可再生能源的开发利用。
第八条 鼓励发展下列建筑节能技术和产品:
(一)新型节能墙体和屋面的保温、隔热技术与材料;
(二)节能门窗的保温隔热和密闭技术;
(三)集中供热和热、电、冷联产联供技术;
(四)供热采暖系统温度调控和分户热量计量技术与装置;
(五)太阳能、地热等可再生能源应用技术及设备;
(六)建筑照明节能技术与产品;
(七)空调制冷节能技术与产品;
(八)其他技术成熟、效果显著的节能技术和节能管理技术。
鼓励推广应用和淘汰的建筑节能部品及技术的目录,由国务院建设行政主管部门制定;省、自治区、直辖市建设行政主管部门可以结合该目录,制定适合本区域的鼓励推广应用和淘汰的建筑节能部品及技术的目录。
第九条 国家鼓励多元化、多渠道投资既有建筑的节能改造,投资人可以按照协议分享节能改造的收益;鼓励研究制定本地区既有建筑节能改造资金筹措办法和相关激励政策。
第十条 建筑工程施工过程中,县级以上地方人民政府建设行政主管部门应当加强对建筑物的围护结构(含墙体、屋面、门窗、玻璃幕墙等)、供热采暖和制冷系统、照明和通风等电器设备是否符合节能要求的监督检查。
第十一条 新建民用建筑应当严格执行建筑节能标准要求,民用建筑工程扩建和改建时,应当对原建筑进行节能改造。
既有建筑节能改造应当考虑建筑物的寿命周期,对改造的必要性、可行性以及投入收益比进行科学论证。节能改造要符合建筑节能标准要求,确保结构安全,优化建筑物使用功能。
寒冷地区和严寒地区既有建筑节能改造应当与供热系统节能改造同步进行。
第十二条 采用集中采暖制冷方式的新建民用建筑应当安设建筑物室内温度控制和用能计量设施,逐步实行基本冷热价和计量冷热价共同构成的两部制用能价格制度。
第十三条 供热单位、公共建筑所有权人或者其委托的物业管理单位应当制定相应的节能建筑运行管理制度,明确节能建筑运行状态各项性能指标、节能工作诸环节的岗位目标责任等事项。
第十四条 公共建筑的所有权人或者委托的物业管理单位应当建立用能档案,在供热或者制冷间歇期委托相关检测机构对用能设备和系统的性能进行综合检测评价,定期进行维护、维修、保养及更新置换,保证设备和系统的正常运行。
第十五条 供热单位、房屋产权单位或者其委托的物业管理等有关单位,应当记录并按有关规定上报能源消耗资料。
鼓励新建民用建筑和既有建筑实施建筑能效测评。
第十六条 从事建筑节能及相关管理活动的单位,应当对其从业人员进行建筑节能标准与技术等专业知识的培训。
建筑节能标准和节能技术应当作为注册城市规划师、注册建筑师、勘察设计注册工程师、注册监理工程师、注册建造师等继续教育的必修内容。
第十七条 建设单位应当按照建筑节能政策要求和建筑节能标准委托工程项目的设计。
建设单位不得以任何理由要求设计单位、施工单位擅自修改经审查合格的节能设计文件,降低建筑节能标准。
第十八条 房地产开发企业应当将所售商品住房的节能措施、围护结构保温隔热性能指标等基本信息在销售现场显著位置予以公示,并在《住宅使用说明书》中予以载明。
第十九条 设计单位应当依据建筑节能标准的要求进行设计,保证建筑节能设计质量。
施工图设计文件审查机构在进行审查时,应当审查节能设计的内容,在审查报告中单列节能审查章节;不符合建筑节能强制性标准的,施工图设计文件审查结论应当定为不合格。
第二十条 施工单位应当按照审查合格的设计文件和建筑节能施工标准的要求进行施工,保证工程施工质量。
第二十一条 监理单位应当依照法律、法规以及建筑节能标准、节能设计文件、建设工程承包合同及监理合同对节能工程建设实施监理。
第二十二条 对超过能源消耗指标的供热单位、公共建筑的所有权人或者其委托的物业管理单位,责令限期达标。
第二十三条 对擅自改变建筑围护结构节能措施,并影响公共利益和他人合法权益的,责令责任人及时予以修复,并承担相应的费用。
第二十四条 建设单位在竣工验收过程中,有违反建筑节能强制性标准行为的,按照《建设工程质量管理条例》的有关规定,重新组织竣工验收。
第二十五条 建设单位未按照建筑节能强制性标准委托设计,擅自修改节能设计文件,明示或暗示设计单位、施工单位违反建筑节能设计强制性标准,降低工程建设质量的,处20万元以上50万元以下的罚款。
第二十六条 设计单位未按照建筑节能强制性标准进行设计的,应当修改设计。未进行修改的,给予警告,处10万元以上30万元以下罚款;造成损失的,依法承担赔偿责任;两年内,累计三项工程未按照建筑节能强制性标准设计的,责令停业整顿,降低资质等级或者吊销资质证书。
第二十七条 对未按照节能设计进行施工的施工单位,责令改正;整改所发生的工程费用,由施工单位负责;可以给予警告,情节严重的,处工程合同价款2%以上40%以下的罚款;两年内,累计三项工程未按照符合节能标准要求的设计进行施工的,责令停业整顿,降低资质等级或者吊销资质证书。
第二十八条 本规定的责令停业整顿、降低资质等级和吊销资质证书的行政处罚,由颁发资质证书的机关决定;其他行政处罚,由建设行政主管部门依照法定职权决定。
第二十九条 农民自建低层住宅不适用本规定。
第三十条 本规定自2006年1月1日起施行。原《民用建筑节能管理规定》(建设部令第76号)同时废止。
附录M 建设部关于新建居住建筑严格执行节能设计标准的通知
附录M 建设部关于新建居住建筑严格执行节能设计标准的通知
(建科[2005]55号)
各省、自治区建设厅,直辖市建委及有关部门,计划单列市建委,新疆生产建设兵团建设局:
建筑节能设计标准是建设节能建筑的基本技术依据,是实现建筑节能目标的基本要求,其中强制性条文规定了主要节能措施、热工性能指标、能耗指标限值,考虑了经济和社会效益等方面的要求,必须严格执行。1996年7月以来,建设部相继颁布实施了各气候区的居住建筑节能设计标准。一些地区还依据部的要求,在建筑节能政策法规制定、技术标准图集编制、配套技术体系建立、科技试点示范、建筑节能材料产品开发应用与管理、宣传培训等方面开展了大量工作,取得了成效。但是,也有一些地方和单位,包括建设、设计、施工等单位不执行或擅自降低节能设计标准,新建建筑执行建筑节能设计标准的比例不高,不同程度存在浪费建筑能源的问题。为了贯彻落实科学发展观和今年政府工作报告提出的“鼓励发展节能省地型住宅和公共建筑”的要求,切实抓好新建居住建筑严格执行建筑节能设计标准的工作,降低居住建筑能耗,现通知如下:
一、提高认识,明确目标和任务
(一)我国人均资源能源相对贫乏,在建筑的建造和使用过程中资源、能源浪费问题突出,建筑的节能节地节水节材潜力很大。随着城镇化和人民生活水平的提高,新建建筑将继续保持一定增长势头。在发展过程中,必须考虑能源资源的承载能力,注重城镇发展建设的质量和效益。各级建设行政主管部门要牢固树立科学发展观,要从转变经济增长方式、调整经济结构、建设节约型社会的高度,充分认识建筑节能工作的重要性,把推进建筑节能工作作为城乡建设实现可持续发展方式的一项重要任务,抓紧、抓实、抓出成效。
(二)城市新建建筑均应严格执行建筑节能设计标准的有关强制性规定;有条件的大城市和严寒、寒冷地区可率先按照节能率65%的地方标准执行;凡属财政补贴或拨款的建筑应全部率先执行建筑节能设计标准。
(三)开展建筑节能工作,需要兼顾近期重点和远期目标、城镇和农村、新建和既有建筑、居住和公共建筑。当前及今后一个时期,应首先抓好城市新建居住建筑严格执行建筑节能设计标准工作,同时,积极进行城市既有建筑节能改造试点工作,研究相关政策措施和技术方案,为全面推进既有建筑节能改造积累经验。
二、明确各方责任,严格执行标准
(四)建设单位要遵守国家节约能源和保护环境的有关法律法规,按照相应的建筑节能设计标准和技术要求委托工程项目的规划设计、开工建设、组织竣工验收,并应将节能工程竣工验收报告报建筑节能管理机构备案。
房地产开发企业要将所售商品住房的结构形式及其节能措施、围护结构保温隔热性能指标等基本信息载入《住宅使用说明书》。
(五)设计单位要遵循建筑节能法规、节能设计标准和有关节能要求,严格按照节能设计标准和节能要求进行节能设计,设计文件必须完备,保证设计质量。
(六) 施工图设计文件审查机构要严格按照建筑节能设计标准进行审查,在审查报告中单列是否符合节能标准的章节;审查人员应有签字并加盖审查机构印章。不符合建筑节能强制性标准的,施工图设计文件审查结论应为不合格。
(七)施工单位要按照审查合格的设计文件和节能施工技术标准的要求进行施工,确保工程施工符合节能标准和设计质量要求。
(八)监理单位要依照法律、法规以及节能技术标准、节能设计文件、建设工程承包合同及监理合同,对节能工程建设实施监理。监理单位应对施工质量承担监理责任。
三、加强组织领导,严格监督管理
(九)推进建筑节能涉及城市规划、建设、管理等各方面的工作,各地要完善建筑节能工作领导小组的工作制度,通过联席会议和专题会议等有效形式,形成协调配合、运行顺畅的工作机制。
(十)各地建设行政主管部门要加大建筑节能宣传力度,增强公众的节能意识,逐步建立社会监督机制。要结合实例向公众宣传建筑节能的重要性,提高公众建筑节能的自觉性和主动性。同时,要建立监督举报制度,受理公众举报。
(十一)各地和有关单位要加强对设计、施工、监理等专业技术人员和管理人员的建筑节能知识与技术的培训,把建筑节能有关法律法规、标准规范和经核准的新技术、新材料、新工艺等作为注册建筑师、勘察设计注册工程师、监理工程师、建造师等各类执业注册人员继续教育的必修内容。
(十二)各地建设行政主管部门要采取有效措施加强建筑节能工作中设计、施工、监理和竣工验收、房屋销售核准等的监督管理。在查验施工图设计文件审查机构出具的审查报告时,应查验对节能的审查情况,审查不合格的不得颁发施工许可证。发现违反国家有关节能工程质量管理规定的,应责令建设单位改正;改正后要责令其重新组织竣工验收,并且不得减免新型墙体材料专项基金。
房地产管理部门要审查房地产开发单位是否将建筑能耗说明载入《住宅使用说明书》。
(十三)设区城市以上建设行政主管部门要组织推进节能建筑性能测评工作。各级建筑节能工作机构要切实履行职责,认真开展对节能建筑及部品的检测。要建立健全建筑节能统计报告制度,掌握分析建筑节能进展情况。
(十四)各地建设行政主管部门要加强经常性的建筑节能设计标准实施情况的监督检查,发现问题,及时纠正和处理。各省(自治区、直辖市)建设行政主管部门每年要把建筑节能作为建筑工程质量检查的专项内容进行检查,对问题突出的地区或单位依法予以处理,并将监督检查和处理情况于今年9月30日前报建设部。建设部每年在各地监督检查的基础上,对各地建筑节能标准执行情况进行抽查,对建筑节能工作开展不力的地方和单位进行重点检查。2005年底以前,建设部重点抽查大城市和特大城市;2006年6月以前,对其他城市进行抽查,并将抽查的情况予以通报。
凡建筑节能工作开展不力的地区,所涉及的城市不得参加“人居环境奖”、“园林城市”的评奖,已获奖的应限期整改,经整改仍达不到标准和要求的将撤销获奖称号。不符合建筑节能要求的项目不得参加“鲁班奖”、“绿色建筑创新奖”等奖项的评奖。
(十五)各地建设行政主管部门对不执行或擅自降低建筑节能设计标准的单位,要依据《中华人民共和国建筑法》、《中华人民共和国节约能源法》、《建设工程质量管理条例》(国务院令第279号)、《建设工程勘察设计管理条例》(国务院令第293号)、《民用建筑节能管理规定》(建设部令第76号)、《实施工程建设强制性标准监督规定》(建设部令第81号)等法律法规和规章的规定进行处罚:
1.建设单位明示或暗示设计单位、施工单位违反节能设计强制性标准,降低工程建设质量;或明示或者暗示施工单位使用不合格的建筑材料、建筑构配件和设备;或施工图设计文件未经审查或者审查不合格,擅自施工的;或未按照国家规定将竣工验收报告、有关认可文件或者准许使用文件报送备案的;处20万元以上50万元以下的罚款。
建设单位未取得施工许可证或者开工报告未经批准,擅自施工的,责令停止施工,限期改正,处工程合同价款1%以上2%以下的罚款。
建设单位未组织竣工验收,擅自交付使用的;或验收不合格,擅自交付使用的;或对不合格的建设工程按照合格工程验收的;处工程合同价款2%以上4%以下的罚款;造成损失的,依法承担赔偿责任。建设工程竣工验收后,建设单位未向建设行政主管部门或者其他有关部门移交建设项目档案的,责令改正,处1万元以上10万元以下的罚款。
2.设计单位指定建筑材料、建筑构配件的生产厂、供应商的;或未按照工程建设强制性标准进行设计的;责令改正,处10万元以上30万元以下的罚款;有上述行为造成重大工程质量事故的,责令停业整顿,降低资质等级;情节严重的,吊销资质证书;造成损失的,依法承担赔偿责任。
3.施工图设计文件审查单位如不按照要求对施工图设计文件进行审查,一经查实将由建设行政主管部门对当事人和其所在单位进行批评和处罚,直至取消审查资格。
4.施工单位在施工中偷工减料的,使用不合格的建筑材料、建筑构配件和设备的,或者有不按照工程设计图纸或者施工技术标准施工的其他行为的,责令改正,并处工程合同价款2%以上4%以下的罚款;造成建设工程质量不符合规定的质量标准的,负责返工、修理,并赔偿因此造成的损失;情节严重的,责令停业整顿,降低资质等级或者吊销资质证书。
施工单位不履行保修义务或者拖延履行保修义务的,责令改正,处10万元以上20万元以下的罚款,并对在保修期内因质量缺陷造成的损失承担赔偿责任。
5.工程监理单位与建设单位或者施工单位串通,弄虚作假、降低工程质量的;或将不合格的建设工程、建筑材料、建筑构配件和设备按照合格签字的;责令改正,处50万元以上100万元以下的罚款,降低资质等级或者吊销资质证书;有违法所得的,予以没收;造成损失的,承担连带赔偿责任。
6.注册建筑师、注册结构工程师、监理工程师等注册执业人员因过错造成质量事故的,责令停止执业1年;造成重大质量事故的,吊销执业资格证书,5年以内不予注册;情节特别恶劣的,终身不予注册。
二〇〇五年四月十五日
附录N 建设部关于发展节能省地型住宅和公共建筑的指导意见
附录N 建设部关于发展节能省地型住宅和公共建筑的指导意见
(建科[2005]78号)
各省、自治区建设厅,直辖市建委及有关部门,计划单列市建委,新疆生产建设兵团建设局:
我国已进入全面建设小康社会的新的发展时期。如何解决日益紧迫的人口、资源、环境与工业化、城镇化、经济快速增长的矛盾,是我们面临的重要挑战。中央从战略高度提出发展节能省地型住宅和公共建筑,是新时期转变城乡建设方式,提高城乡发展质量和效益的重要决策。为贯彻落实中央关于发展节能省地型住宅和公共建筑的要求,现提出如下指导意见:
一、充分认识发展节能省地型住宅和公共建筑的重要意义
(一)我国是一个发展中国家,人均能源资源相对贫乏。但在城乡建设中,增长方式比较粗放,发展质量和效益不高;建筑建造和使用,能源资源消耗高,利用效率低的问题比较突出;一些地方盲目扩大城市规模,规划布局不合理,乱占耕地的现象时有发生;重地上建设,轻地下建设的问题还不同程度的存在。资源、能源和环境问题已成为城镇发展的重要制约因素。各地要充分认识到发展节能省地型住宅和公共建筑,做好建筑节能节地节水节材(以下简称“四节”)工作,是落实科学发展观,调整经济结构、转变经济增长方式的重要内容,是保证国家能源和粮食安全的重要途径,是建设节约型社会和节约型城镇的重要举措。要进一步增强紧迫感和责任感,转变观念,切实改变城乡建设方式,切实从节约资源中求发展,从保护环境中求发展,从循环经济中求发展,促进城乡建设和国民经济的持续健康发展。
二、指导思想、工作目标、基本思路和途径
(二)指导思想:以“三个代表”重要思想和科学发展观为指导,以发展节能省地型住宅和公共建筑为工作平台,以建筑“四节”为工作重点和突破口,以技术、经济、法律等为手段,以改革为动力,努力建设节约型城镇。
(三)主要目标
总体目标:到2020年,我国住宅和公共建筑建造和使用的能源资源消耗水平要接近或达到现阶段中等发达国家的水平。
具体目标:到2010年,全国城镇新建建筑实现节能50%;既有建筑节能改造逐步开展,大城市完成应改造面积的25%,中等城市完成15%,小城市完成10%;城乡新增建设用地占用耕地的增长幅度要在现有基础上力争减少20%;建筑建造和使用过程的节水率在现有基础上提高20%以上;新建建筑对不可再生资源的总消耗比现在下降10%。到2020年,北方和沿海经济发达地区和特大城市新建建筑实现节能65%的目标,绝大部分既有建筑完成节能改造;城乡新增建设用地占用耕地的增长幅度要在2010年目标基础上再大幅度减少;争取建筑建造和使用过程的节水率比2010年再提高10%;新建建筑对不可再生资源的总消耗比2010年再下降20%。
(四)基本思路和途径
发展节能省地型住宅和公共建筑,要立足当前的发展阶段和基本国情,立足建筑“四节”已取得的进展;要用城乡统筹和循环经济的理念,研究思考节能省地型住宅和公共建筑的深刻内涵及其之间的辩证关系,认真解决当前的突出矛盾和问题;要处理好建筑“四节”工作中点与面、近期工作重点与长远发展目标的关系。既要考虑单体建筑,又要考虑城市或区域的统筹规划和总体布局;既要考虑新建建筑的“四节”,又要研究不同历史时期不同性质的既有建筑的节能节水问题,注重降低建筑建造和使用过程中总的能源资源消耗。当前要着重从规划、标准、科技、政策及产业化等方面综合研究,积极引进和推广国外日益普及的绿色建筑、生态建筑和可持续建筑等的新理念和新技术,并制定规划和政策措施,多渠道推进节能省地型住宅和公共建筑建设。
建筑节能。要通过城镇供热体制改革与供热制冷方式改革,以公共建筑的节能降耗为重点,总体推进建筑节能。所有新建建筑必须严格执行建筑节能标准,加强实施监管。要着力推进既有建筑节能改造政策和试点示范,加快政府既有公共建筑的节能改造。要积极推广应用新型和可再生能源。要合理安排城市各项功能,促进城市居住、就业等合理布局,减少交通负荷,降低城市交通的能源消耗。建筑节地。在城镇化过程中,要通过合理布局,提高土地利用的集约和节约程度。重点是统筹城乡空间布局,实现城乡建设用地总量的合理发展、基本稳定、有效控制;加强村镇规划建设管理,制定各项配套措施和政策,鼓励、支持和引导农民相对集中建房,节约用地;城市集约节地的潜力应区分类别来考虑,工业建筑要适当提高容积率,公共建筑要适当提高建筑密度,居住建筑要在符合健康卫生和节能及采光标准的前提下合理确定建筑密度和容积率;要突出抓好各类开发区的集约和节约占用土地的规划工作。要深入开发利用城市地下空间,实现城市的集约用地。进一步减少粘土砖生产对耕地的占用和破坏。
建筑节水。要降低供水管网漏损率。要重点强化节水器具的推广应用,要提高污水再生利用率,积极推进污水再生利用、雨水利用。着重抓好设计环节执行节水标准和节水措施。合理布局污水处理设施,为尽可能利用再生水创造条件。绿化用水推广利用再生水。
建筑节材。要积极采用新型建筑体系,推广应用高性能、低材(能)耗、可再生循环利用的建筑材料,因地制宜,就地取材。要提高建筑品质,延长建筑物使用寿命,努力降低对建筑材料的消耗。要大力推广应用高强钢和高性能混凝土。要积极研究和开展建筑垃圾与部品的回收和利用。
三、主要政策和措施
(五)加强城乡规划的引导和调控。充分发挥城乡规划在推进节能省地型住宅和公共建筑建设中的重要作用,统筹城乡发展,促进城镇发展用地合理布局。在城镇体系规划、城市总体规划、村镇规划、近期建设规划、控制性详细规划等不同层次和类型的规划中,要充分论证资源和环境对城镇布局、功能分区、土地利用模式、基础设施配置及交通组织等方面的影响,确定适宜的城镇发展空间布局、城镇规模和运行模式。加强规划对城镇土地、能源、水资源等利用方面的引导与调控,立足资源和环境条件,合理确定城市发展规模,合理选择建设用地,尽量少占或不占耕地,充分利用荒地、劣地、坡地和废弃地,充分开发利用地下空间,提高土地利用率。要注重区域统筹,积极推进区域性重大基础设施的统筹规划和共建共享。大力发展公共交通,有效降低交通能耗和道路交通占用土地资源。要注意城乡统筹,按照有利生产、方便生活的原则,加快编制和实施村镇规划,合理调整居民点布局,引导农房建设和旧村改造,减少农村现有居民点人均用地,提高村镇建设用地的使用率,改善农民的生产生活环境。要对各类开发区的土地利用实施严格的审批制度,促进其集约和节约使用土地。要继续认真贯彻《国务院关于加强城乡规划监督管理的通知》(国发[2002]13号),加强城乡规划实施的监督,严格保护自然资源、人文资源和生态环境,严格控制土地使用,严格执行建设用地标准,防止突破规划和违反规划使用土地,维护城乡规划的严肃性和权威性。
(六)严格执行并不断完善标准规范。进一步加强建筑“四节”标准规范的制订工作,鼓励有条件的地区在工程建设国家标准、行业标准的基础上,组织制订更加严格的建筑“四节”地方实施细则。要认真执行建设部《关于新建居住建筑严格执行节能设计标准的通知》(建科[2005]55号)和《关于认真做好<公共建筑节能设计标准>宣贯、实施及监督工作的通知》(建标函[2005]121号)要求,加强工程建设全过程监管,保证节能标准落到实处。加强对建设、设计、施工、监理和施工图审查、工程质量检测等工程建设各方主体和中介机构执行建筑“四节”强制性条文的监管。各地要抓紧制定当地的施工图设计文件审查和工程实施阶段的监督要点,做好施工图审查、工程实施监管和竣工验收备案工作。要加强对新建建筑特别是公共建筑执行建筑“四节”标准情况的监督检查。
(七)加快科技创新。要通过科技创新为发展节能省地型住宅和公共建筑提供技术支撑。积极组织科技攻关,努力开发利用适合国情、具有自主知识产权的适用技术和建筑新材料、新技术、新体系以及新型和可再生能源,鼓励研究开发节能、节水、节材的技术和产品。注重加快成熟技术和技术集成的推广应用。认真落实国家中长期科学和技术发展规划纲要中有关城乡现代节能与绿色建筑等专项规划。加强国际合作,积极引进、消化、吸收国际先进理念和技术,增强自主创新能力。抓紧编写《绿色建筑技术导则》。加快墙体材料革新,特别是注重解决墙体改革工作中的关键技术和技术集成问题,加快高强钢和高性能混凝土的推广应用工作。建立健全建筑“四节”科技成果推广应用机制,尽快把科技成果转化为现实生产力。
(八)研究制定经济激励政策措施。要探索政府引导和市场机制推动相结合的方法和机制,研究制定产业经济和技术政策。会同有关部门研究对新建建筑推广“四节”和既有建筑节能改造给予适当的税收优惠政策,对示范项目给予贴息优惠政策;研究适当延长墙改专项基金的征收时间,扩大使用范围,促进墙改基金支持节能省地工作;研究推进水价改革,促进节约用水。鼓励社会资金和外资投资参与既有建筑改造等。大力推进市政公用行业改革,深化供热体制改革。严格执行污水垃圾收费制度。改革有关奖项的评审办法,把执行建筑“四节”的情况作为评审内容。
(九)抓好试点示范工作。从“绿色建筑创新奖”起步,完善该奖的评价体系,由点到面,逐步推广。要积极开展统筹城乡规划布局,节约用地的试点。各地要研究通过产业现代化促进发展节能省地型住宅和公共建筑建设。按照“减量化、再利用、资源化”原则,确立适合本地区的节能省地型住宅和公共建筑的产业化发展模式和建筑体系,建立与之相适应的工业化结构体系和通用部品体系。要抓好一批供热管网改造、城市绿色照明、政府公共建筑节能改造、新型和可再生能源资源应用工程等示范项目及新材料、新工艺和新体系的试点示范,有条件的城市应当组织成片新建和改造地区建筑“四节”的综合示范。政府公共建筑要率先进行节能改造。
(十)建立健全法规制度。在提出修订有关法律、法规建议和制定规章时,要研究建立有利于促进发展节能省地型住宅和公共建筑,推进建筑“四节”工作的制度。
四、切实加强对发展节能省地型住宅和公共建筑工作的领导
(十一)加强组织领导。各地建设行政主管部门要进一步提高认识,转变观念,把推进建筑“四节”工作作为当前和今后一个时期一项重要工作,切实抓紧、抓实、抓出成效。要制定发展节能省地型住宅和公共建筑规划,并争取纳入当地国民经济和社会发展规划,认真组织实施。要研究建立相应的工作机制,确定专门机构和专人负责,加强与有关部门的协调和沟通,认真研究解决推进工作中的难点和热点问题,制定相应的政策和措施,并加强督促检查。结合对工程质量的执法检查,强化对新建建筑执行“四节”情况的监督。
(十二)切实抓好宣传培训工作。各地建设行政主管部门要开展多种形式的宣传活动,普及建筑“四节”知识,提高全社会对发展节能省地型住宅和公共建筑重要性的认识,树立良好的节约能源资源的意识和正确的消费观,形成良好的社会氛围。要加强培训,提高管理人员和专业技术人员对发展节能省地型住宅和公共建筑的法律法规、标准规范、政策措施、科学技术的综合水平和能力,总结推广好的经验与做法,逐步深化发展节能省地型住宅和公共建筑的工作。
二〇〇五年五月三十一日
主要依据的标准规范
主要依据的标准规范
1.《夏热冬冷地区居住建筑节能设计标准》JGJ 134-2001
2.《夏热冬暖地区居住建筑节能设计标准》JGJ 75-2003
3.《城市居住区规划设计规范》GB 50183-93(2002年版)
4.《公共建筑节能设计标准》GB 50189-2005
5.《外墙外保温工程技术规程》JGJ 144-2004
6.《民用建筑热工设计规范》GB 50176-93
7.《建筑气候区划标准》GB 50178-93
8.《蒸压加气混凝土应用技术规程》JGJ 17
9.《采暖通风与空气调节设计规范》GB 50019-2003
10.《屋面工程技术规范》GB 50345-2004
11.《民用建筑太阳能热水系统应用技术规范》GB 50364-2005
12.《地面辐射供暖技术规程》JGJ 142-2004
13.《既有采暖居住建筑节能改造规程》JGJ 129-2000
14.《建筑外窗气密性能分级及检测方法》GB/T 7107-2002
15.《建筑外窗保温性能分级及检测方法》GB/T 8484-2002
16.《建筑外窗采光性能分级及检测方法》GB/T 1976-2002
17.《建筑幕墙物理性能分级》GB/T 15225-94
18.《建筑幕墙空气渗透性能检测方法》GB/T 15226-94
19.《绝热材料稳态热阻及有关特性的测定》GB 10295-88
20.《EPS板抹灰外墙外保温系统》JG 149-2002
21.《胶粉聚苯颗粒外墙外保温系统》JG 158-2004
